Например TDA7294

Форум РадиоКот • Просмотр темы - Автомобильный преобразователь 12V- 19V 4.74A
Форум РадиоКот
Здесь можно немножко помяукать :)

Текущее время: Сб окт 25, 2025 03:25:31

Часовой пояс: UTC + 3 часа


ПРЯМО СЕЙЧАС:



Начать новую тему Ответить на тему  [ Сообщений: 1361 ]     ... , , , 43, , , ...  
Автор Сообщение
Не в сети
 Заголовок сообщения: Re: Автомобильный преобразователь 12V- 19V 4.74A
СообщениеДобавлено: Сб апр 07, 2012 11:26:19 
Родился

Зарегистрирован: Чт мар 29, 2012 19:33:37
Сообщений: 13
Откуда: Черкесск
Рейтинг сообщения: 0
Можно (нужно) ли ставить на вход преобразователя LC-фильтр для гашения помех от генератора? И как это повлияет на работу схемы? Или может на выход можно поставить для гашения помех и для сглаживания пульсаций напряжения?


Вернуться наверх
 
Не в сети
 Заголовок сообщения: Re: Автомобильный преобразователь 12V- 19V 4.74A
СообщениеДобавлено: Сб апр 07, 2012 15:53:29 
Это не хвост, это антенна
Аватар пользователя

Карма: 9
Рейтинг сообщений: 66
Зарегистрирован: Чт фев 03, 2011 17:36:53
Сообщений: 1433
Откуда: Новосибирск
Рейтинг сообщения: 0
Входные пульсации (помехи) устраняются после преобразования напряжения. А пульсации на выходе преобразователя не настолько большие, чтобы как-то повлиять на работу ноутбука. Это относится и к преобразователям с дросселем, и к преобразователям на переключаемых конденсаторах. Я без проблем использую преобразователь без LC-фильтра.


Вернуться наверх
 
Не в сети
 Заголовок сообщения: Re: Автомобильный преобразователь 12V- 19V 4.74A
СообщениеДобавлено: Сб апр 07, 2012 22:36:28 
Родился

Зарегистрирован: Чт мар 29, 2012 19:33:37
Сообщений: 13
Откуда: Черкесск
Рейтинг сообщения: 0
Aenigma, спасибо вам за помощь!


Вернуться наверх
 
Не в сети
 Заголовок сообщения: Re: Автомобильный преобразователь 12V- 19V 4.74A
СообщениеДобавлено: Чт апр 12, 2012 23:06:50 
Сверлит текстолит когтями
Аватар пользователя

Карма: 5
Рейтинг сообщений: 19
Зарегистрирован: Вт фев 01, 2011 17:56:40
Сообщений: 1273
Откуда: г. Жуковка, Брянская обл.
Рейтинг сообщения: 0
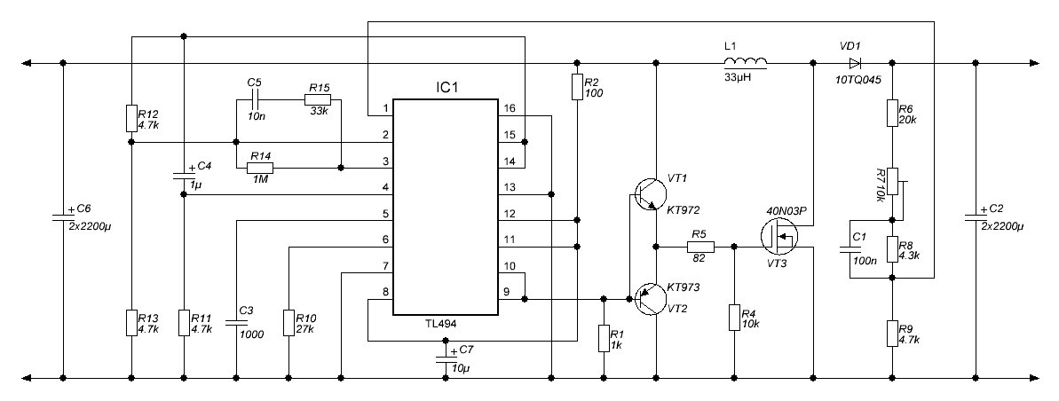
собрал недавно преобразователь 12-19 на TL494. работает. погонял на 5А - радиатор горячий конечно, т.к. полевик ставил тот, что удалось найти. думаю с лучшим полевиком и диодом будет не так греться. на 3А - радиатор теплый. набросал платку. интересует мнение насчет разводки п/п. особенно в плане силовых шин и т.п.


Вложения:
Комментарий к файлу: плата
1.png [82.11 KiB]
Скачиваний: 916
Комментарий к файлу: схема
dc-dc_12-19.GIF [16.22 KiB]
Скачиваний: 785

_________________
Индукционный нагреватель - 20% (наладка). TIG сварка - 10% (детальки)
ВЧ генератор 150МГц - 80% (наладка). Мостовой ИИП - 40% (подкл. ОС).
Вернуться наверх
 
Эиком - электронные компоненты и радиодетали
Не в сети
 Заголовок сообщения: Re: Автомобильный преобразователь 12V- 19V 4.74A
СообщениеДобавлено: Пт апр 13, 2012 14:53:39 
Модератор
Аватар пользователя

Карма: 120
Рейтинг сообщений: 1088
Зарегистрирован: Пн дек 08, 2008 19:28:04
Сообщений: 22838
Откуда: 10км от Москвы на Север
Рейтинг сообщения: 0
Думаю, что "плавный пуск" через четвёртый вывод здесь не нужен, да и R13 явно лишний. К тому же, две штуки электролитов по 2200 мкф на выходе, явный перебор ... . :)


Вернуться наверх
 
Не в сети
 Заголовок сообщения: Re: Автомобильный преобразователь 12V- 19V 4.74A
СообщениеДобавлено: Пт апр 13, 2012 15:19:16 
Модератор
Аватар пользователя

Карма: 153
Рейтинг сообщений: 2926
Зарегистрирован: Сб авг 14, 2010 15:05:51
Сообщений: 18853
Откуда: г. Озерск, Челябинская обл.
Рейтинг сообщения: 0
Медали: 1
Лучший человек Форума 2017 (1)
"плавный пуск" здесь нужен обязательно, тем более, что нет контроля максимального тока через ключ/дроссель.
а от R13, да, можно отказаться, с соответствующим пересчетом делителя на выходе.

_________________
Мудрость приходит вместе с импотенцией...
Когда на русском форуме переходят на Вы, в реальной жизни начинают бить морду.


Вернуться наверх
 
Не в сети
 Заголовок сообщения: Re: Автомобильный преобразователь 12V- 19V 4.74A
СообщениеДобавлено: Пт апр 13, 2012 15:24:42 
Модератор
Аватар пользователя

Карма: 120
Рейтинг сообщений: 1088
Зарегистрирован: Пн дек 08, 2008 19:28:04
Сообщений: 22838
Откуда: 10км от Москвы на Север
Рейтинг сообщения: 0
Я бы не ставил, ибо в простых преобразователях его тоже нет и почему-то ничего из строя не выходит. Почему же здесь должно ... ? :)


Вернуться наверх
 
Не в сети
 Заголовок сообщения: Re: Автомобильный преобразователь 12V- 19V 4.74A
СообщениеДобавлено: Пт апр 13, 2012 15:28:14 
Модератор
Аватар пользователя

Карма: 153
Рейтинг сообщений: 2926
Зарегистрирован: Сб авг 14, 2010 15:05:51
Сообщений: 18853
Откуда: г. Озерск, Челябинская обл.
Рейтинг сообщения: 0
Медали: 1
Лучший человек Форума 2017 (1)
попробуй сделать эту схему без мягкого старта, только приготовь ведерко...

_________________
Мудрость приходит вместе с импотенцией...
Когда на русском форуме переходят на Вы, в реальной жизни начинают бить морду.


Вернуться наверх
 
Не в сети
 Заголовок сообщения: Re: Автомобильный преобразователь 12V- 19V 4.74A
СообщениеДобавлено: Пт апр 13, 2012 15:50:52 
Модератор
Аватар пользователя

Карма: 120
Рейтинг сообщений: 1088
Зарегистрирован: Пн дек 08, 2008 19:28:04
Сообщений: 22838
Откуда: 10км от Москвы на Север
Рейтинг сообщения: 0
Объясни ... :)


Вернуться наверх
 
Не в сети
 Заголовок сообщения: Re: Автомобильный преобразователь 12V- 19V 4.74A
СообщениеДобавлено: Пт апр 13, 2012 16:06:41 
Модератор
Аватар пользователя

Карма: 153
Рейтинг сообщений: 2926
Зарегистрирован: Сб авг 14, 2010 15:05:51
Сообщений: 18853
Откуда: г. Озерск, Челябинская обл.
Рейтинг сообщения: 0
Медали: 1
Лучший человек Форума 2017 (1)
нет контроля максимального тока, например, как это делается на 3843 через 3 ногу.
при подаче питания, пока не начала работать обратная связь, контроллер будет давать максимальную ширину импульса. и ток через дроссель достигнет заоблачных высот. и дроссель войдет в насыщение, а следом ключу наступит хана...
а так хоть мягкий пуск спасает от смерти...
да и в твоей любимой схеме на 555 таймере все качается на грани смерти без контроля максимального тока...

_________________
Мудрость приходит вместе с импотенцией...
Когда на русском форуме переходят на Вы, в реальной жизни начинают бить морду.


Вернуться наверх
 
Не в сети
 Заголовок сообщения: Re: Автомобильный преобразователь 12V- 19V 4.74A
СообщениеДобавлено: Пт апр 13, 2012 16:12:22 
Модератор
Аватар пользователя

Карма: 120
Рейтинг сообщений: 1088
Зарегистрирован: Пн дек 08, 2008 19:28:04
Сообщений: 22838
Откуда: 10км от Москвы на Север
Рейтинг сообщения: 0
Не убедительно, ибо подобные схемы на 494 без мягкого старта работают долго и счастливо, как и на моей "любимой" 555.
Но ведь, с другой стороны, никто не запрещает его поставить ... . :))


Вернуться наверх
 
Не в сети
 Заголовок сообщения: Re: Автомобильный преобразователь 12V- 19V 4.74A
СообщениеДобавлено: Пт апр 13, 2012 16:58:55 
Сверлит текстолит когтями
Аватар пользователя

Карма: 5
Рейтинг сообщений: 19
Зарегистрирован: Вт фев 01, 2011 17:56:40
Сообщений: 1273
Откуда: г. Жуковка, Брянская обл.
Рейтинг сообщения: 0
Starichok51 писал(а):
нет контроля максимального тока, например, как это делается на 3843 через 3 ногу.

Borodach писал(а):
К тому же, две штуки электролитов по 2200 мкф на выходе, явный перебор ... . :)

эту схему я получил из этой (см. вложение). такой микры не нашел а ТЛок куча. в ней, как видно, ток тоже не контроллируется. кол-во электролитов я даже уменьшил, по сравнению с оригиналом :))
Starichok51 писал(а):
от R13, да, можно отказаться, с соответствующим пересчетом делителя на выходе.

можно конечно, это я просто как в комповских бп сделал.
Starichok51 писал(а):
"плавный пуск" здесь нужен обязательно

согласен. хуже от него не будет.

PS. а как насчет платы? разводка нормальная?


Вложения:
Комментарий к файлу: оригинальная схема на UC3843
2.png [40.09 KiB]
Скачиваний: 458

_________________
Индукционный нагреватель - 20% (наладка). TIG сварка - 10% (детальки)
ВЧ генератор 150МГц - 80% (наладка). Мостовой ИИП - 40% (подкл. ОС).
Вернуться наверх
 
Не в сети
 Заголовок сообщения: Re: Автомобильный преобразователь 12V- 19V 4.74A
СообщениеДобавлено: Пт апр 13, 2012 18:28:42 
Это не хвост, это антенна
Аватар пользователя

Карма: 9
Рейтинг сообщений: 66
Зарегистрирован: Чт фев 03, 2011 17:36:53
Сообщений: 1433
Откуда: Новосибирск
Рейтинг сообщения: 0
Borodach писал(а):
Думаю, что "плавный пуск" через четвёртый вывод здесь не нужен, да и R13 явно лишний. К тому же, две штуки электролитов по 2200 мкф на выходе, явный перебор ... . :)
Плавный пуск нужен, главным образом, для облегчения жизни силовому транзистору (транзисторам) при переходных процессах во время запуска. Чтобы сказать точно, нужен мягкий пуск или нет, нужно смотреть режимы транзисторов, но в большинстве случаев (и в этой схеме) это действительно необязательно.

Насчёт двух конденсаторов. Один такой low-ESR конденсатор рассчитан на действующий ток через него около 3,4 А. Примерно такой ток и будет через конденсатор при скважности 2 и нагрузке 3,4 А. Поэтому 2 конденсатора имеет смысл ставить, если ток нагрузки часто превышает 3,4 А; это улучшает надёжность схемы.


Alexey_N писал(а):
PS. а как насчет платы? разводка нормальная?
Вы сами лучше сможете проверить качество разводки своей платы, а критерий качества я приводил здесь в сообщении от 04.04.2012.


Вернуться наверх
 
Не в сети
 Заголовок сообщения: Re: Автомобильный преобразователь 12V- 19V 4.74A
СообщениеДобавлено: Пт апр 13, 2012 18:56:03 
Модератор
Аватар пользователя

Карма: 120
Рейтинг сообщений: 1088
Зарегистрирован: Пн дек 08, 2008 19:28:04
Сообщений: 22838
Откуда: 10км от Москвы на Север
Рейтинг сообщения: 0
Я бы лучше поставил четыре конденсатора параллельно, но ёмкостью по 500 мкф, думаю, это будет более эффективно, нежели одну или две по 2000 ...

По печати лучше разводить всё на одной стороне, а другую использовать как экран, кроме этого, желательно "вход" и "выход" общего провода делать в одной точке, а сильноточные проводники как можно шире и короче...


Вернуться наверх
 
Не в сети
 Заголовок сообщения: Re: Автомобильный преобразователь 12V- 19V 4.74A
СообщениеДобавлено: Пт апр 13, 2012 19:08:25 
Родился
Аватар пользователя

Зарегистрирован: Пн апр 09, 2012 22:21:19
Сообщений: 4
Откуда: Новосибирск
Рейтинг сообщения: 0
здравствуйте. Собрал (навесным п/п нет возможности изготавливать) схему (со 2 строницы в низу) invertor (которая с биполярником) в общем на выходе напряжение на ~0.3в меньше входного и транзистор мгновенно накаляется (вместе с радиатором), дроссель на д27 ж-б 22 витка две жилы 1 мм(42мкгн вроде), транзистор с2075(4А вроде),полумост f16с20с, на хх потребление 1.4А, осцыллографа нет, прочитал всю тему(43 стр!) похожее вроде не рассматриволось. на выходе мне нужно 17в и 5А, транзистор поменяю на более мощный позже, а пока хотябы с напряжением разобраться. Собсна какие идеи.

_________________
Я не ас, я только учусь...


Вернуться наверх
 
Не в сети
 Заголовок сообщения: Re: Автомобильный преобразователь 12V- 19V 4.74A
СообщениеДобавлено: Пт апр 13, 2012 19:10:46 
Это не хвост, это антенна
Аватар пользователя

Карма: 9
Рейтинг сообщений: 66
Зарегистрирован: Чт фев 03, 2011 17:36:53
Сообщений: 1433
Откуда: Новосибирск
Рейтинг сообщения: 0
Borodach писал(а):
Я бы лучше поставил четыре конденсатора параллельно, но ёмкостью по 500 мкф, думаю, это будет более эффективно, нежели одну или две по 2000 ...
Вполне возможно, нужно просто сравнить ripple current того и другого варианта. :) Можно ещё сравнить ESR, но на надёжность влияет ток.


Вернуться наверх
 
Не в сети
 Заголовок сообщения: Re: Автомобильный преобразователь 12V- 19V 4.74A
СообщениеДобавлено: Пт апр 13, 2012 19:26:28 
Модератор
Аватар пользователя

Карма: 120
Рейтинг сообщений: 1088
Зарегистрирован: Пн дек 08, 2008 19:28:04
Сообщений: 22838
Откуда: 10км от Москвы на Север
Рейтинг сообщения: 0
mammon писал(а):
здравствуйте. Собрал (навесным п/п нет возможности изготавливать) схему (со 2 строницы в низу) invertor (которая с биполярником) в общем на выходе напряжение на ~0.3в меньше входного и транзистор мгновенно накаляется (вместе с радиатором), дроссель на д27 ж-б 22 витка две жилы 1 мм(42мкгн вроде), транзистор с2075(4А вроде),полумост f16с20с, на хх потребление 1.4А, осцыллографа нет, прочитал всю тему(43 стр!) похожее вроде не рассматриволось. на выходе мне нужно 17в и 5А, транзистор поменяю на более мощный позже, а пока хотябы с напряжением разобраться. Собсна какие идеи.


Вы бы схему выложили, ибо из вашего поста вообще ничего не понятно ...


Вернуться наверх
 
Не в сети
 Заголовок сообщения: Re: Автомобильный преобразователь 12V- 19V 4.74A
СообщениеДобавлено: Пт апр 13, 2012 19:30:30 
Потрогал лапой паяльник

Карма: -2
Рейтинг сообщений: 25
Зарегистрирован: Вт мар 20, 2012 23:38:38
Сообщений: 347
Откуда: Klaipėda
Рейтинг сообщения: 0
Цитата:
эту схему я получил из этой

В оригинале частота выше (около 55кГц), а индуктивность 56мкГн, в твоей схеме при частоте 37 - 40 кГц индуктивность 33мкГн. По моему, маловато. Грубый расчет: получается 51мкГн при входном напряжении 12В и токе нагрузки 5А.

Цитата:
две штуки электролитов по 2200 мкф на выходе, явный перебор ...

Если подсчитать, то при токе нагрузки 5А, пульсациях на выходе 0,1В и частоте 37 - 40 кГц суммарная емкость выходных конденсаторов должна быть более 4000мкФ.


Вернуться наверх
 
Не в сети
 Заголовок сообщения: Re: Автомобильный преобразователь 12V- 19V 4.74A
СообщениеДобавлено: Пт апр 13, 2012 19:31:53 
Это не хвост, это антенна
Аватар пользователя

Карма: 9
Рейтинг сообщений: 66
Зарегистрирован: Чт фев 03, 2011 17:36:53
Сообщений: 1433
Откуда: Новосибирск
Рейтинг сообщения: 0
Borodach, речь об этой схеме.


GenadijG
Цитата:
В оригинале частота выше (около 55кГц), а индуктивность 56мкГн, в твоей схеме при частоте 37 - 40 кГц индуктивность 33мкГн. По моему, маловато. Грубый расчет: получается 51мкГн при входном напряжении 12В и токе нагрузки 5А.
Вы правы, потому что при указанных параметрах размах пульсаций тока через дроссель может достигать 5-10 А, что многовато.


Последний раз редактировалось Aenigma Пт апр 13, 2012 19:47:48, всего редактировалось 3 раз(а).

Вернуться наверх
 
Не в сети
 Заголовок сообщения: Re: Автомобильный преобразователь 12V- 19V 4.74A
СообщениеДобавлено: Пт апр 13, 2012 19:36:19 
Родился
Аватар пользователя

Зарегистрирован: Пн апр 09, 2012 22:21:19
Сообщений: 4
Откуда: Новосибирск
Рейтинг сообщения: 0
вот об этой http://radiokot.ru/forum/download/file.php?id=17015, кстате номиналы все как в схеме кроме R1 0.2Ом и R3 50ОМ(какие были в наличии)


Вложения:
Invertor.GIF [15.69 KiB]
Скачиваний: 648

_________________
Я не ас, я только учусь...
Вернуться наверх
 
Показать сообщения за:  Сортировать по:  Вернуться наверх
Начать новую тему Ответить на тему  [ Сообщений: 1361 ]     ... , , , 43, , , ...  

Часовой пояс: UTC + 3 часа


Кто сейчас на форуме

Сейчас этот форум просматривают: нет зарегистрированных пользователей и гости: 48


Вы не можете начинать темы
Вы не можете отвечать на сообщения
Вы не можете редактировать свои сообщения
Вы не можете удалять свои сообщения
Вы не можете добавлять вложения

Найти:
Перейти:  


Powered by phpBB © 2000, 2002, 2005, 2007 phpBB Group
Русская поддержка phpBB
Extended by Karma MOD © 2007—2012 m157y
Extended by Topic Tags MOD © 2012 m157y