Например TDA7294

Форум РадиоКот • Просмотр темы - Часы на газоразрядных индикаторах
Форум РадиоКот
Здесь можно немножко помяукать :)

Текущее время: Вс ноя 02, 2025 11:48:59

Часовой пояс: UTC + 3 часа


ПРЯМО СЕЙЧАС:



Начать новую тему Ответить на тему  [ Сообщений: 48919 ]     ... , , , 906, , , ...  
Автор Сообщение
Не в сети
 Заголовок сообщения: Re: Часы на газоразрядных индикаторах
СообщениеДобавлено: Чт май 31, 2012 13:46:29 
Мучитель микросхем
Аватар пользователя

Карма: 2
Рейтинг сообщений: 6
Зарегистрирован: Пн фев 11, 2008 20:14:38
Сообщений: 403
Откуда: Москва
Рейтинг сообщения: 0
да боюсь не дадут сфоткать внутри, так как часики нужны в работе

_________________
Плюс - минус = заряд, фаза - ноль = ???


Вернуться наверх
 
Не в сети
 Заголовок сообщения: Re: Часы на газоразрядных индикаторах
СообщениеДобавлено: Чт май 31, 2012 16:50:53 
Друг Кота
Аватар пользователя

Карма: 52
Рейтинг сообщений: 846
Зарегистрирован: Вт сен 07, 2010 03:01:06
Сообщений: 16545
Откуда: Moscow-Izmaylovo
Рейтинг сообщения: 0
SLvik писал(а):
Правильно, главное часы будут реально старинные.
Ну и корпус соответствующий подобрать на улице.
Изображение

_________________
Лечу лечить WWWашу покалеченную технику.


Вернуться наверх
 
Не в сети
 Заголовок сообщения: Re: Часы на газоразрядных индикаторах
СообщениеДобавлено: Чт май 31, 2012 17:37:15 
Встал на лапы
Аватар пользователя

Зарегистрирован: Пн фев 28, 2011 18:10:16
Сообщений: 120
Откуда: Подмосковье
Рейтинг сообщения: 0
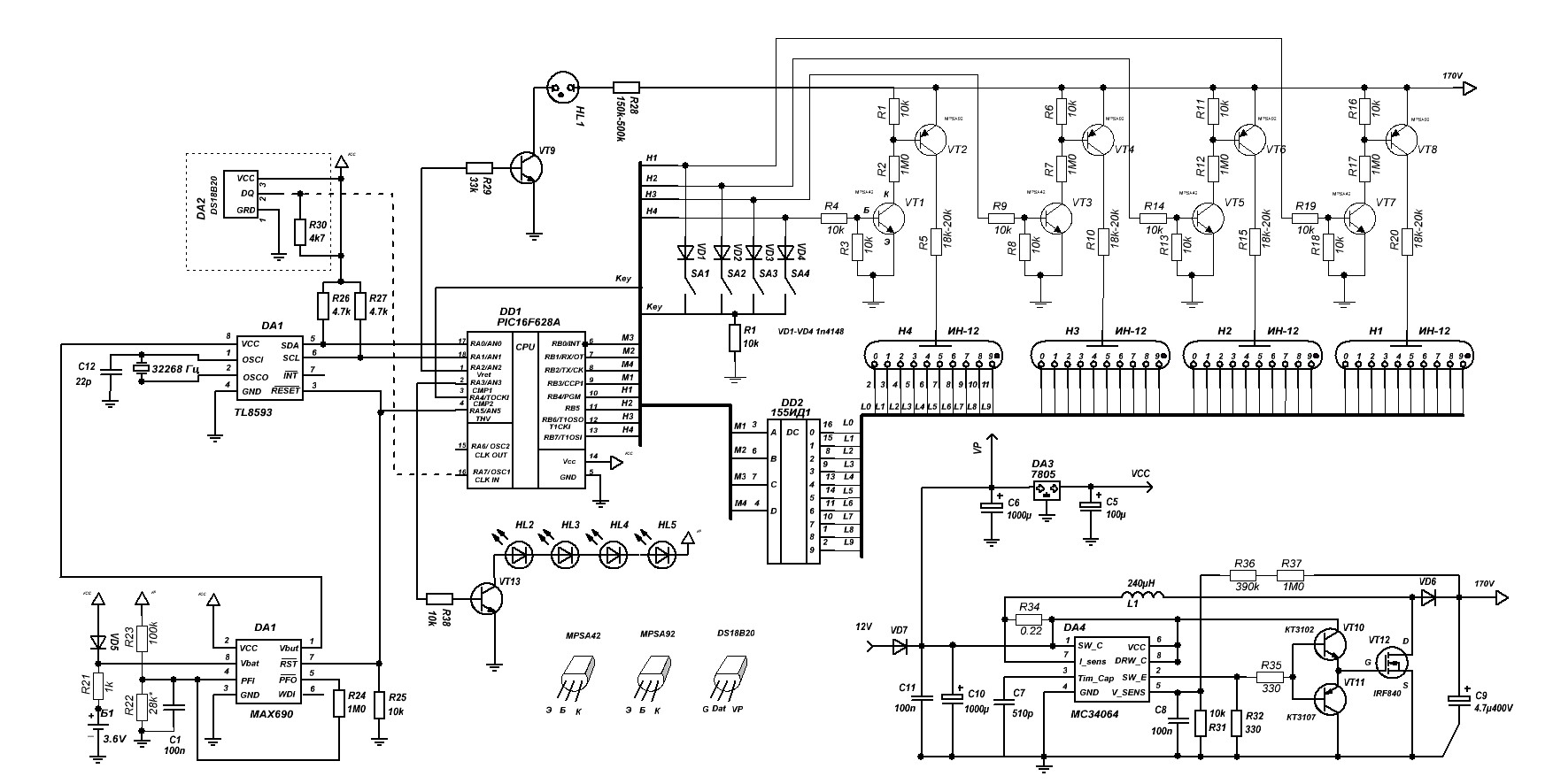
Здравствуйте! Вот тоже решил собрать часики на ГРИ :). За основу была взята схема от ROKL'a и доработана с добавлением секунд и переделкой под ИН-14. В данный момент имею трудности с изготовлением печатки, получился просто кошмар... Народ, проверите правильность схемы и печатки ? И ещё у меня есть вопрос, в оригинальной схеме элементы R9-T9-R10 шли на знак точки в ИН8-2 ? Я подключил его к запятой на ИН-14, но не уверен...
Схема преобразователя на питание ламп - польская, схемы питания микрух +5В и +9В нет, делал сразу на печатке, но там самая типичная схема стабилизатора на КРЕНке.
И ещё такой вопрос, сколько такая схемка будет потреблять по току в сумме ? Чтобы транс подобрать...

ЗЫ: Извиняйте за нубские вопросы... Я только учусь...


Вложения:
Печатка.lay [197.25 KiB]
Скачиваний: 614
Стабилизатор + 200В печатка с элементами.gif [30.45 KiB]
Скачиваний: 677
Схема.gif [50.31 KiB]
Скачиваний: 797
Стабилизатор + 200В.gif [24.07 KiB]
Скачиваний: 561
Вернуться наверх
 
Не в сети
 Заголовок сообщения: Re: Часы на газоразрядных индикаторах
СообщениеДобавлено: Чт май 31, 2012 19:34:33 
Мучитель микросхем
Аватар пользователя

Карма: 2
Рейтинг сообщений: 17
Зарегистрирован: Пн янв 24, 2011 14:42:18
Сообщений: 438
Откуда: Крым
Рейтинг сообщения: 0
Добрый день!
В свое время я намаялся со схемой Рокла и могу кое-что Вам посоветовать на основе наблюдений.
1. Польскую схему на 555 лично я могу охарактеризовать как сравнительно ненадежную. Лично у меня она не запустилась после 2 попыток, на форуме так же она работает "от случая к случаю", иногда нужна доработка. Попробуйте собрать схему на МС34063, а еще лучше - на МАХ1771 (микруха с кусачей ценой, но КПД очень высокий). Так же можно намотать транс.
2. Разводить логику всегда очень муторно. Я в свое время тоже изрядно поломал моск, обмусоливая схему Рокла. Я разводил ее в EagleCad, дорожки по 1мм, при аккуратном лужении и пайке замыканий не будет. Я могу отправить Вам свой проект, мб он натолкнет Вас на идеи по поводу топологии развертки.
3. Точную цифру не назову, но жрет все это хозяйство очень много. У меня, например, весь проект так и не запустился-есть генерация 1Гц, ИД1 тоже вроде бы что-то выдает, но по ходу не работает развертка. БП 9в 1А "китайский кубег".


Вернуться наверх
 
Эиком - электронные компоненты и радиодетали
Не в сети
 Заголовок сообщения: Re: Часы на газоразрядных индикаторах
СообщениеДобавлено: Чт май 31, 2012 20:55:46 
Друг Кота
Аватар пользователя

Карма: 54
Рейтинг сообщений: 839
Зарегистрирован: Сб дек 24, 2011 05:02:33
Сообщений: 4323
Откуда: Киев
Рейтинг сообщения: 0
Медали: 1
Получил миской по аватаре (1)
Zorndaik писал(а):
Добрый день!

не воспринимайте в штыки ниже сказанное...

посмотрев всё сказанное я не понимаю...
а почему не сделать проект в котором нет всех этих проблем???
те же Sunny или SLvik??
или это желание повозится-попрактиковаться?

_________________
mss_ja@rambler.ru


Вернуться наверх
 
Не в сети
 Заголовок сообщения: Re: Часы на газоразрядных индикаторах
СообщениеДобавлено: Чт май 31, 2012 21:04:35 
Мучитель микросхем
Аватар пользователя

Карма: 2
Рейтинг сообщений: 17
Зарегистрирован: Пн янв 24, 2011 14:42:18
Сообщений: 438
Откуда: Крым
Рейтинг сообщения: 0
mss_ja писал(а):
Zorndaik писал(а):
Добрый день!

не воспринимайте в штыки ниже сказанное...

посмотрев всё сказанное я не понимаю...
а почему не сделать проект в котором нет всех этих проблем???
те же Sunny или SLvik??
или это желание повозится-попрактиковаться?

Ну это был мой первый проект на ГРИ (Никсях). Кроме того у меня был неплохой набор "советской логики" разных серий, поэтому я решил начать с этого проекта. И тогда у меня не было программатора.
К Никси я обязательно вернусь (тем более появилось свободное время).
Кстати, давно хотел спросить Вас: smd-элементы в часах Slvik запаяны феном или паяльником?


Вернуться наверх
 
Не в сети
 Заголовок сообщения: Re: Часы на газоразрядных индикаторах
СообщениеДобавлено: Чт май 31, 2012 21:11:47 
Друг Кота
Аватар пользователя

Карма: 54
Рейтинг сообщений: 839
Зарегистрирован: Сб дек 24, 2011 05:02:33
Сообщений: 4323
Откуда: Киев
Рейтинг сообщения: 0
Медали: 1
Получил миской по аватаре (1)
Zorndaik писал(а):
smd-элементы в часах Slvik запаяны феном или паяльником?

всё паяльником.

_________________
mss_ja@rambler.ru


Вернуться наверх
 
Не в сети
 Заголовок сообщения: Re: Часы на газоразрядных индикаторах
СообщениеДобавлено: Чт май 31, 2012 22:40:10 
Сверлит текстолит когтями
Аватар пользователя

Карма: 10
Рейтинг сообщений: 127
Зарегистрирован: Пт май 20, 2011 09:13:02
Сообщений: 1121
Откуда: Украина
Рейтинг сообщения: 0
Я тоже часы только паяльником,феном это мелкосерия.Я в свое время пробовал феном,не понравилось.Все равно тыкать детали на плату а перед этим пасту,в ручную время тратится одинаково.


Вернуться наверх
 
Не в сети
 Заголовок сообщения: Re: Часы на газоразрядных индикаторах
СообщениеДобавлено: Пт июн 01, 2012 08:26:45 
Друг Кота
Аватар пользователя

Карма: 38
Рейтинг сообщений: 549
Зарегистрирован: Пн июл 14, 2008 21:28:00
Сообщений: 10686
Откуда: Москва
Рейтинг сообщения: 0
феном стоит паять разные безногие корпуса или с совсем мелким шагом

_________________
Ищу тиратрон ТХИ1-2000/4, ГРИ ИН-23, ФЭУ-103; 134; 135, 138, 155, 157, лампу ИСШ-7.
Любые ГИС серий 203, 225, 233, 244, 250, 296, 801, 838 в любом состоянии. Компоненты и детали от миниатюрных твердотельных лазеров.


Вернуться наверх
 
Не в сети
 Заголовок сообщения: Re: Часы на газоразрядных индикаторах
СообщениеДобавлено: Пт июн 01, 2012 08:37:51 
Сверлит текстолит когтями
Аватар пользователя

Карма: 10
Рейтинг сообщений: 127
Зарегистрирован: Пт май 20, 2011 09:13:02
Сообщений: 1121
Откуда: Украина
Рейтинг сообщения: 0
Ну это тоже,но самое клевое это демонтаж феном,даже плату расслоить можно :)))


Вернуться наверх
 
Не в сети
 Заголовок сообщения: Re: Часы на газоразрядных индикаторах
СообщениеДобавлено: Пт июн 01, 2012 09:06:16 
Встал на лапы
Аватар пользователя

Зарегистрирован: Пн фев 28, 2011 18:10:16
Сообщений: 120
Откуда: Подмосковье
Рейтинг сообщения: 0
Zorndaik писал(а):
Добрый день!
В свое время я намаялся со схемой Рокла и могу кое-что Вам посоветовать на основе наблюдений.
1. Польскую схему на 555 лично я могу охарактеризовать как сравнительно ненадежную. Лично у меня она не запустилась после 2 попыток, на форуме так же она работает "от случая к случаю", иногда нужна доработка. Попробуйте собрать схему на МС34063, а еще лучше - на МАХ1771 (микруха с кусачей ценой, но КПД очень высокий). Так же можно намотать транс.
2. Разводить логику всегда очень муторно. Я в свое время тоже изрядно поломал моск, обмусоливая схему Рокла. Я разводил ее в EagleCad, дорожки по 1мм, при аккуратном лужении и пайке замыканий не будет. Я могу отправить Вам свой проект, мб он натолкнет Вас на идеи по поводу топологии развертки.
3. Точную цифру не назову, но жрет все это хозяйство очень много. У меня, например, весь проект так и не запустился-есть генерация 1Гц, ИД1 тоже вроде бы что-то выдает, но по ходу не работает развертка. БП 9в 1А "китайский кубег".

Про схему на 555 знаю, что ненадёжная, но остальные варианты с самопальными трансформаторами и катушками как-то пугают :).
Транс есть на 0.8А, как думаете, хватит ? И что там с цепочкой R9-T9-R10, она идёт на знак точки в ИН8-2 ? Оригинал схемы есть где-то тут в теме...
mss_ja писал(а):
Zorndaik писал(а):
Добрый день!

не воспринимайте в штыки ниже сказанное...

посмотрев всё сказанное я не понимаю...
а почему не сделать проект в котором нет всех этих проблем???
те же Sunny или SLvik??
или это желание повозится-попрактиковаться?

Не разбираюсь я в контроллерах, прошивках, и нету программатора...

Судя по количеству скачиваний, уже довольно много народу успело оценить мою схему с печаткой))) И так никто и не ответил, ошибок по схеме и печатке нет ? Очень бы не хотелось заново делать плату из-за какой-нить не правильной дорожки...


Вернуться наверх
 
Не в сети
 Заголовок сообщения: Re: Часы на газоразрядных индикаторах
СообщениеДобавлено: Пт июн 01, 2012 09:09:04 
Мудрый кот
Аватар пользователя

Карма: 27
Рейтинг сообщений: 656
Зарегистрирован: Ср апр 04, 2012 09:55:53
Сообщений: 1789
Откуда: Северодонецк
Рейтинг сообщения: 0
Linker писал(а):
И ещё такой вопрос, сколько такая схемка будет потреблять по току в сумме ? Чтобы транс подобрать...

ЗЫ: Извиняйте за нубские вопросы... Я только учусь...


Мой проект на пике потребляет 30-40 мА 12В, с всей подсветкой и горящей неонкой до 100 мА.

_________________
У того, кто делает — получается редко. У того, кто не делает — не получается никогда.


Вернуться наверх
 
Не в сети
 Заголовок сообщения: Re: Часы на газоразрядных индикаторах
СообщениеДобавлено: Пт июн 01, 2012 09:19:09 
Друг Кота
Аватар пользователя

Карма: 38
Рейтинг сообщений: 549
Зарегистрирован: Пн июл 14, 2008 21:28:00
Сообщений: 10686
Откуда: Москва
Рейтинг сообщения: 0
Linker писал(а):

Про схему на 555 знаю, что ненадёжная, но остальные варианты с самопальными трансформаторами и катушками как-то пугают :).
Т

остальные часто применяемые и обсуждаемые в этой теме схему преобразователей без проблем работают на готовых катушках гантельках

_________________
Ищу тиратрон ТХИ1-2000/4, ГРИ ИН-23, ФЭУ-103; 134; 135, 138, 155, 157, лампу ИСШ-7.
Любые ГИС серий 203, 225, 233, 244, 250, 296, 801, 838 в любом состоянии. Компоненты и детали от миниатюрных твердотельных лазеров.


Вернуться наверх
 
Не в сети
 Заголовок сообщения: Re: Часы на газоразрядных индикаторах
СообщениеДобавлено: Пт июн 01, 2012 09:21:28 
Друг Кота
Аватар пользователя

Карма: 54
Рейтинг сообщений: 839
Зарегистрирован: Сб дек 24, 2011 05:02:33
Сообщений: 4323
Откуда: Киев
Рейтинг сообщения: 0
Медали: 1
Получил миской по аватаре (1)
RoboC писал(а):
Мой проект на пике..

а сам проект покажете?

_________________
mss_ja@rambler.ru


Вернуться наверх
 
Не в сети
 Заголовок сообщения: Re: Часы на газоразрядных индикаторах
СообщениеДобавлено: Пт июн 01, 2012 09:43:17 
Мудрый кот
Аватар пользователя

Карма: 27
Рейтинг сообщений: 656
Зарегистрирован: Ср апр 04, 2012 09:55:53
Сообщений: 1789
Откуда: Северодонецк
Рейтинг сообщения: 0
mss_ja писал(а):
RoboC писал(а):
Мой проект на пике..

а сам проект покажете?

Все выложу в понедельник как проект: с фотками, прошивкой и исходником. :)
Собрал в кучу только вчера, сейчас оформляю материал.
Предварительно Вот что получилось(часы + термометр комнатный)....
На фото показывает температуру..индикаторы смещены чуть вверх чтобы внизу была подарочная надпись :oops: :)
Изображение

_________________
У того, кто делает — получается редко. У того, кто не делает — не получается никогда.


Последний раз редактировалось RoboC Пт июн 01, 2012 10:02:10, всего редактировалось 1 раз.

Вернуться наверх
 
Не в сети
 Заголовок сообщения: Re: Часы на газоразрядных индикаторах
СообщениеДобавлено: Пт июн 01, 2012 09:44:06 
Друг Кота
Аватар пользователя

Карма: 38
Рейтинг сообщений: 549
Зарегистрирован: Пн июл 14, 2008 21:28:00
Сообщений: 10686
Откуда: Москва
Рейтинг сообщения: 0
:) хехе...а довольно симпатично

_________________
Ищу тиратрон ТХИ1-2000/4, ГРИ ИН-23, ФЭУ-103; 134; 135, 138, 155, 157, лампу ИСШ-7.
Любые ГИС серий 203, 225, 233, 244, 250, 296, 801, 838 в любом состоянии. Компоненты и детали от миниатюрных твердотельных лазеров.


Вернуться наверх
 
Не в сети
 Заголовок сообщения: Re: Часы на газоразрядных индикаторах
СообщениеДобавлено: Пт июн 01, 2012 10:47:11 
Родился

Зарегистрирован: Пт июн 01, 2012 10:36:33
Сообщений: 1
Рейтинг сообщения: 0
Доброго времени суток уважаемые котоводы!

Долго изучал тему но вот зарегистрироваться и написать решил только сейчас.

Подскажите пож-та сколько кушает по току преобразователь на МС34063, хотябы примерно.

to Linker Вопрос: Как вы умудрились изобрести индикацию секунд на ИЕ13??


Вернуться наверх
 
Не в сети
 Заголовок сообщения: Re: Часы на газоразрядных индикаторах
СообщениеДобавлено: Пт июн 01, 2012 12:04:31 
Мудрый кот
Аватар пользователя

Карма: 8
Рейтинг сообщений: 103
Зарегистрирован: Чт май 06, 2010 13:18:59
Сообщений: 1702
Рейтинг сообщения: 0
Tolstun писал(а):
Подскажите пож-та сколько кушает по току преобразователь на МС34063, хотябы примерно.


Так это зависит от схемы и нагрузки. С дросселем чуть больше, с трансформатором чуть меньше. :)))
У меня с нагрузкой в 1 неонку около 100-110mA @5V. С нагрузкой на инки в динамике около 130mA @5V. Да и от конкретного транса и дросселя тоже зависит в пределах 10-15 mA

RoboC прикольно. Где такие корпуса раздают?


Вернуться наверх
 
Не в сети
 Заголовок сообщения: Re: Часы на газоразрядных индикаторах
СообщениеДобавлено: Пт июн 01, 2012 16:21:50 
Мудрый кот
Аватар пользователя

Карма: 27
Рейтинг сообщений: 656
Зарегистрирован: Ср апр 04, 2012 09:55:53
Сообщений: 1789
Откуда: Северодонецк
Рейтинг сообщения: 0
Черные часы-комнатный термометр.
Стилизованы про стойку телевизора
ИзображениеИзображениеИзображение

Реализовано:
-подсветка синяя(вкл./откл правой клавишей);
-установка часов,минут.(Переход в режим -кратковременное удержание левой клавиши вызовет мигание индикатора часов коррекция средними клавишами.Для перехода в коррекцию минут еще раз нажать левую кл.)
-меню установки : вкл/откл индикации термометра,корекция хода часов +, коррекция хода часов -,авто-запись конфигурации.(долгое удержание левой клавиши)

Больше мне от часов, пока :roll: , ничего не нужно. :shock:

Схема собрана из этой темы с учетом имеющихся в наличии запчастей...

Платы - лутом.

Программа (асемблер)собрана из кусков разных программ на просторах инета (особая благодарность picmaniac за отменные комментарии в его листингах). На мой взгляд программа хорошо маштабируема(легко можно добавить доп. пункты в меню,увеличить кол. индикаторов и т.д. ).

MyxoMop писал(а):

RoboC прикольно. Где такие корпуса раздают?


Вот из этого! Игра называется - найди нужную часть...

ИзображениеИзображениеИзображение


Вложения:
Комментарий к файлу: Исходник
clock17_stab.asm.7z [12.55 KiB]
Скачиваний: 491
Комментарий к файлу: Платы
Plati.7z [42.01 KiB]
Скачиваний: 473
Комментарий к файлу: Схема
часы ИН-12(06_2012).JPG [252.42 KiB]
Скачиваний: 1111
Комментарий к файлу: прошивка
clock17.7z [2.17 KiB]
Скачиваний: 440

_________________
У того, кто делает — получается редко. У того, кто не делает — не получается никогда.
Вернуться наверх
 
Не в сети
 Заголовок сообщения: Re: Часы на газоразрядных индикаторах
СообщениеДобавлено: Пт июн 01, 2012 20:08:47 
Сверлит текстолит когтями
Аватар пользователя

Карма: 10
Рейтинг сообщений: 127
Зарегистрирован: Пт май 20, 2011 09:13:02
Сообщений: 1121
Откуда: Украина
Рейтинг сообщения: 0
Корпус интересный вышел.А за проект спасибо я искал как раз то что Вы сделали,4 лампы +термометр.Теперь дело пойдет быстрее.только чем обусловлен выбор TL8593,на нее данных не нашел,ДС1307 чем не угодила?


Вернуться наверх
 
Показать сообщения за:  Сортировать по:  Вернуться наверх
Начать новую тему Ответить на тему  [ Сообщений: 48919 ]     ... , , , 906, , , ...  

Часовой пояс: UTC + 3 часа


Кто сейчас на форуме

Сейчас этот форум просматривают: нет зарегистрированных пользователей и гости: 38


Вы не можете начинать темы
Вы не можете отвечать на сообщения
Вы не можете редактировать свои сообщения
Вы не можете удалять свои сообщения
Вы не можете добавлять вложения

Найти:
Перейти:  


Powered by phpBB © 2000, 2002, 2005, 2007 phpBB Group
Русская поддержка phpBB
Extended by Karma MOD © 2007—2012 m157y
Extended by Topic Tags MOD © 2012 m157y