Спасибо. Искал поиском по сайту в "Питании" а оказывается в "Умных мыслях"
Вакуумные люминесцентные индикаторы (ВЛИ, VFD)
Re: Вакуумные люминесцентные индикаторы (ВЛИ, VFD)
Foks
Спасибо. Искал поиском по сайту в "Питании" а оказывается в "Умных мыслях"
Спасибо. Искал поиском по сайту в "Питании" а оказывается в "Умных мыслях"
-
uk8amk
- Поставщик валерьянки для Кота
- Сообщения: 2222
- Зарегистрирован: Вт ноя 27, 2007 11:32:06
- Откуда: Tashkent
Re: Вакуумные люминесцентные индикаторы (ВЛИ, VFD)
Достал на нашей барахолке остатки текстового табло на ВЛИ. Судя по виду и подключению это табло собрано на двухцветных ИВЛМ2-7/5. Собрал простенький обратноходовый инвертор(+2.8В, +25В) и поигрался с одной лампой(другая уже была разбита). Зеленый цвет нормальный, а вот вместо красного элементы светятся каким-то желтым. На одном индикаторе можно будет сделать простенький термометр.
- m.ix
- Друг Кота
- Сообщения: 16545
- Зарегистрирован: Вт сен 07, 2010 03:01:06
- Откуда: Moscow-Izmaylovo
- Контактная информация:
Re: Вакуумные люминесцентные индикаторы (ВЛИ, VFD)
Ты можешь собрать куда круче этого термометра - строку 
Лечу лечить WWWашу покалеченную технику.
-
uk8amk
- Поставщик валерьянки для Кота
- Сообщения: 2222
- Зарегистрирован: Вт ноя 27, 2007 11:32:06
- Откуда: Tashkent
Re: Вакуумные люминесцентные индикаторы (ВЛИ, VFD)
Да, если бы:
1) Их было побольше
2) У них была бы бесшовная стыковка.
А так на одной матрице 5х7 ничего кроме 2-х цифер не отобразить. Ну смайлики можно выводить или скажем single-clock. Пока что это мой самый первый ВЛИ который я вообще заимел, поэтому начать думаю с чего-нидь простенького.
ЗЫ. Накал индикатора кушает 200мА, для сколь-нибудь нормального табло нужен будет крутой БП типа компьютерного.
1) Их было побольше
2) У них была бы бесшовная стыковка.
А так на одной матрице 5х7 ничего кроме 2-х цифер не отобразить. Ну смайлики можно выводить или скажем single-clock. Пока что это мой самый первый ВЛИ который я вообще заимел, поэтому начать думаю с чего-нидь простенького.
ЗЫ. Накал индикатора кушает 200мА, для сколь-нибудь нормального табло нужен будет крутой БП типа компьютерного.
-
Foks
- Поставщик валерьянки для Кота
- Сообщения: 2108
- Зарегистрирован: Пт авг 29, 2008 16:28:19
- Откуда: Киев
Re: Вакуумные люминесцентные индикаторы (ВЛИ, VFD)
Ну здрясти. Получается примерно пол-Ватта на индикатор, а компьютерный БП это порядка 400 Вт. Хотите 800 индикаторов поставить чтоли?
Giggity giggity goo!
- Гефестион
- Поставщик валерьянки для Кота
- Сообщения: 2022
- Зарегистрирован: Вт фев 09, 2010 02:04:53
- Откуда: Санкт-Петербург
Re: Вакуумные люминесцентные индикаторы (ВЛИ, VFD)
Впервые вижу табло заводского производства с этим индикаторами
Хотя сами индикаторы не очень редкие.
Фак, кот грызёт провод! Сейчас его ударит либо током, либо тапком! ))
-
uk8amk
- Поставщик валерьянки для Кота
- Сообщения: 2222
- Зарегистрирован: Вт ноя 27, 2007 11:32:06
- Откуда: Tashkent
Re: Вакуумные люминесцентные индикаторы (ВЛИ, VFD)
Foks писал(а):Хотите 800 индикаторов поставить чтоли?
Нет. Я исхожу из доступного мне ширпотреба. БП от DVD такие токи не даст и сразу загнется. Транс 220 на железе мотать как-то не современно. Самопальный импульсный инвертер - тоже много заморочек(типа на одну лампу за 2 недели запустил:)). Вот и остался комповый БП. Ну там по месту уже посмотрим.
Гефестион
Там еще на плате цвета хитро соединены. Зеленый в виде обычной матрицы т.е. можно выводить текст и прочее. А красные аноды все объединены. Т.е. можно сделать зеленй текст на красном фоне или просто красную засветку.
- m.ix
- Друг Кота
- Сообщения: 16545
- Зарегистрирован: Вт сен 07, 2010 03:01:06
- Откуда: Moscow-Izmaylovo
- Контактная информация:
Re: Вакуумные люминесцентные индикаторы (ВЛИ, VFD)
uk8amk писал(а):из доступного мне ширпотреба. БП от DVD такие токи не даст
там 5в мощных имеются
viewtopic.php?f=3&t=42955
на двух индикаторах можешь и часы сделать
Лечу лечить WWWашу покалеченную технику.
- m.ix
- Друг Кота
- Сообщения: 16545
- Зарегистрирован: Вт сен 07, 2010 03:01:06
- Откуда: Moscow-Izmaylovo
- Контактная информация:
Re: Вакуумные люминесцентные индикаторы (ВЛИ, VFD)
Лечу лечить WWWашу покалеченную технику.
- m.ix
- Друг Кота
- Сообщения: 16545
- Зарегистрирован: Вт сен 07, 2010 03:01:06
- Откуда: Moscow-Izmaylovo
- Контактная информация:
Re: Вакуумные люминесцентные индикаторы (ВЛИ, VFD)
ИЛЦ1-13/8л


ИВ-22




ИВ-22


Лечу лечить WWWашу покалеченную технику.
- Ghost in shell
- Держит паяльник хвостом
- Сообщения: 931
- Зарегистрирован: Пн июн 15, 2009 06:01:38
- Откуда: USSR
Re: Вакуумные люминесцентные индикаторы (ВЛИ, VFD)
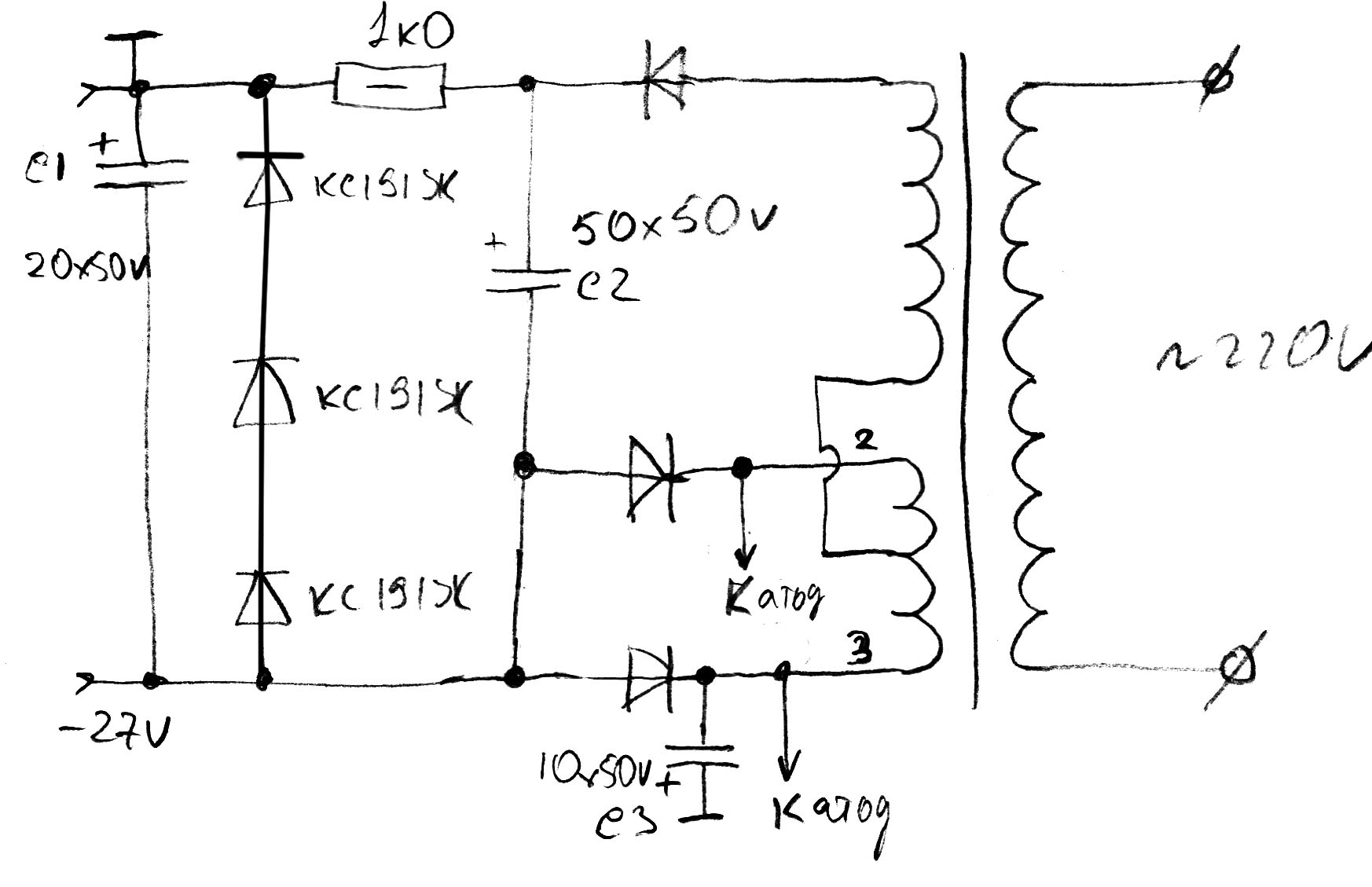
Думаю включить ИВЛ-1-7/5 с управлением от PIC16F72.
Блок питания хочу взять по образцу конструктора "Старт-7231", с ним более-менее все понятно, кроме назначения и необходимости кондера С3.
В ключах транзисторы КТ315/361. А вот с номиналами резисторов ключей неясность. На сетку и анод одинаковые потенциалы подавать?
Блок питания хочу взять по образцу конструктора "Старт-7231", с ним более-менее все понятно, кроме назначения и необходимости кондера С3.
В ключах транзисторы КТ315/361. А вот с номиналами резисторов ключей неясность. На сетку и анод одинаковые потенциалы подавать?
- Вложения
-
- Untitled-3.jpg
- (140.41 КБ) 1289 скачиваний
-
- Graphic1.jpg
- (18.83 КБ) 925 скачиваний
Re: Вакуумные люминесцентные индикаторы (ВЛИ, VFD)
Обычно одинаковое. Хотя есть предложение на сетку подавать только половину напряжения. Ключи боле-менее расписаны там. Не совсем понял конденсатор С3. Но у меня сегодня туго соображается - придуманная схема не заводится.
А люди посмотрят и скажут: "Собаки летят. Вот и осень."
- Ghost in shell
- Держит паяльник хвостом
- Сообщения: 931
- Зарегистрирован: Пн июн 15, 2009 06:01:38
- Откуда: USSR
Re: Вакуумные люминесцентные индикаторы (ВЛИ, VFD)
uldemir спасибо за инфу, но в http://radiokot.ru/forum/viewtopic.php?p=469288#p469288
положительное питание и катод сидит на массе.
положительное питание и катод сидит на массе.
Re: Вакуумные люминесцентные индикаторы (ВЛИ, VFD)
А почитайте дальше... что я, зря два вечера на это тратил?
p.s. Кажется начинает доходить... вы хотите логику питать напряжением выше "земли"?
Тогда первый каскад понятен. Но насчёт второго каскада, я бы коммутировал плюс, а не минус. Исключительно из соображения КПД.
p.s. Кажется начинает доходить... вы хотите логику питать напряжением выше "земли"?
Тогда первый каскад понятен. Но насчёт второго каскада, я бы коммутировал плюс, а не минус. Исключительно из соображения КПД.
А люди посмотрят и скажут: "Собаки летят. Вот и осень."
- Ghost in shell
- Держит паяльник хвостом
- Сообщения: 931
- Зарегистрирован: Пн июн 15, 2009 06:01:38
- Откуда: USSR
Re: Вакуумные люминесцентные индикаторы (ВЛИ, VFD)
Почитал, и ничего для себя не понял. Нехочу лезть в непонятное, сильно отклоняться от знакомой схемы.
PIC16F72 планирую запитать +5В из отдельного источника. А номиналы резисторов интересну ввиду наличия печатки с 8-ю ключами, кои хочу использовать.
Можно и + на сетки и анод. Но ключи хочу сохранить.
PIC16F72 планирую запитать +5В из отдельного источника. А номиналы резисторов интересну ввиду наличия печатки с 8-ю ключами, кои хочу использовать.
Можно и + на сетки и анод. Но ключи хочу сохранить.
Re: Вакуумные люминесцентные индикаторы (ВЛИ, VFD)
Но моя догадка верна насчет питания микроконтроллера или нет? Просто только в этом случае приведенная схема имеет смысл. Но, в вашем источнике питания не нарисовано питание микроконтроллера.
Приведенные там схемы подразумевают, что питание микроконтроллера находится "внутри" анодного индикаторов. Только привязано к "-"

или "+"

Уточните свою затею и мы посчитаем ваши резисторы.
Кстати, в вашей схеме, R2 не нужен.
Приведенные там схемы подразумевают, что питание микроконтроллера находится "внутри" анодного индикаторов. Только привязано к "-"
или "+"
Уточните свою затею и мы посчитаем ваши резисторы.
Кстати, в вашей схеме, R2 не нужен.
А люди посмотрят и скажут: "Собаки летят. Вот и осень."
- Ghost in shell
- Держит паяльник хвостом
- Сообщения: 931
- Зарегистрирован: Пн июн 15, 2009 06:01:38
- Откуда: USSR
Re: Вакуумные люминесцентные индикаторы (ВЛИ, VFD)
Давайте подойдем с точки зрения КПД: при условии сохранения ключей мне неважно, как будет организовано питание МК, по верхней схеме или по нижней. Я туда планировал поставить КРЕН5А.
Re: Вакуумные люминесцентные индикаторы (ВЛИ, VFD)
С точки зрения КПД второй каскад схемы у вас соответствует схеме

Это следующее сообщение за данной мною ссылке. R1 соответствует вашему R4. И критерий его выбора чем меньше - тем лучше, но КПД тем хуже. Какой оптимальный номинал - не знаю. Для этого надо бы снять вольт-амперную характеристику индикатора. Тогда исходя из этого резистора можно узнать ток коллектора транзистора второго каскада и из коэф.усиления транзистора (обычно принимается 10) ток база-эммитер, который одновременно будет током коллектора транзистора первого каскада. Из исходя из него зная напряжение лог.1 микроконтроллера вычисляем резистор R1.
Но я бы во втором каскаде применил бы "верхний" ключ. Так как ему нужно коммутировать заданный ток (по справочнику ток анода 2-3мА, сетки 10мА), то потери получаются минимальные. Для управления им необходимо коммутировать ток всего в 1 мА. Сейчас накидаю схему.

Вот накидал. Итак, исходим из тока сетки в 10ма. для этого R2 должен гнать ток в 1мА. Если источник питания 40в, то R2 равен 40/0.001 = 40 килоом. Теперь R1. Эта схема является преобразователем напряжения в ток. Т.е. нам надо, чтобы при лог.1 транзистор давал минимум 1мА, чтобы ток идущий через R2 не шел через эмиттерный переход транзистора Т2. Кстати, я уже раньше писал, что этот 1мА должен будет идти через контроллер! Так, какое должно быть сопротивление R1? Первое, через него должен идти ток 1мА и на нём будет падать напряжение (лог.1 минус падение на эмиттерном переходе около 0.6в). Так как заявлена совместимость с ТТЛ, то, напряжение лог.1 принимаем 3.5в. Итого (3.5-0.6)/0.001 = 2.9кОм (что-то за много. я не ошибся? хотя вполне может быть).
А, там еще есть R3. Ну, его считать не нужно. Ток он практически не пропускает, всего подаёт запирающее напряжение. Можно поставить 100-200кОм.
Это следующее сообщение за данной мною ссылке. R1 соответствует вашему R4. И критерий его выбора чем меньше - тем лучше, но КПД тем хуже. Какой оптимальный номинал - не знаю. Для этого надо бы снять вольт-амперную характеристику индикатора. Тогда исходя из этого резистора можно узнать ток коллектора транзистора второго каскада и из коэф.усиления транзистора (обычно принимается 10) ток база-эммитер, который одновременно будет током коллектора транзистора первого каскада. Из исходя из него зная напряжение лог.1 микроконтроллера вычисляем резистор R1.
Но я бы во втором каскаде применил бы "верхний" ключ. Так как ему нужно коммутировать заданный ток (по справочнику ток анода 2-3мА, сетки 10мА), то потери получаются минимальные. Для управления им необходимо коммутировать ток всего в 1 мА. Сейчас накидаю схему.
Вот накидал. Итак, исходим из тока сетки в 10ма. для этого R2 должен гнать ток в 1мА. Если источник питания 40в, то R2 равен 40/0.001 = 40 килоом. Теперь R1. Эта схема является преобразователем напряжения в ток. Т.е. нам надо, чтобы при лог.1 транзистор давал минимум 1мА, чтобы ток идущий через R2 не шел через эмиттерный переход транзистора Т2. Кстати, я уже раньше писал, что этот 1мА должен будет идти через контроллер! Так, какое должно быть сопротивление R1? Первое, через него должен идти ток 1мА и на нём будет падать напряжение (лог.1 минус падение на эмиттерном переходе около 0.6в). Так как заявлена совместимость с ТТЛ, то, напряжение лог.1 принимаем 3.5в. Итого (3.5-0.6)/0.001 = 2.9кОм (что-то за много. я не ошибся? хотя вполне может быть).
А, там еще есть R3. Ну, его считать не нужно. Ток он практически не пропускает, всего подаёт запирающее напряжение. Можно поставить 100-200кОм.
А люди посмотрят и скажут: "Собаки летят. Вот и осень."
- Ghost in shell
- Держит паяльник хвостом
- Сообщения: 931
- Зарегистрирован: Пн июн 15, 2009 06:01:38
- Откуда: USSR
Re: Вакуумные люминесцентные индикаторы (ВЛИ, VFD)
uldemir
спасибо. Исходя из того, что у меня питание +27В, R2 = 27кОм.
P.S. Схему в PCAD 4.5 делали?
спасибо. Исходя из того, что у меня питание +27В, R2 = 27кОм.
P.S. Схему в PCAD 4.5 делали?
Re: Вакуумные люминесцентные индикаторы (ВЛИ, VFD)
Нет, это eagle. Пикадом уже лет надцать как не пользуюсь.
Тут вот подумал, что первый каскад можно выполнить и по другому. В этом варианте, ток 1мА идёт через верхний ключ микроконтроллера. А можно этот транзистор включить по схеме с общим эмиттером (к плюсу питания микроконтроллера) и управлять им уже 100мкА. Это снизит нагрузку на цепи питания микроконтроллера (а то ведь управляться будет минимум 4-мя сетками и 7-ю сегментами, а это уже более 10мА!). Правда, обратное напряжение база-эмиттер второго транзистора должно быть меньше напряжения питания микроконтроллера. В противном случае надо будет добавить еще один резистор. Ну и, конечно, при этом изменится полярность управляющих сигналов.
Тут вот подумал, что первый каскад можно выполнить и по другому. В этом варианте, ток 1мА идёт через верхний ключ микроконтроллера. А можно этот транзистор включить по схеме с общим эмиттером (к плюсу питания микроконтроллера) и управлять им уже 100мкА. Это снизит нагрузку на цепи питания микроконтроллера (а то ведь управляться будет минимум 4-мя сетками и 7-ю сегментами, а это уже более 10мА!). Правда, обратное напряжение база-эмиттер второго транзистора должно быть меньше напряжения питания микроконтроллера. В противном случае надо будет добавить еще один резистор. Ну и, конечно, при этом изменится полярность управляющих сигналов.
А люди посмотрят и скажут: "Собаки летят. Вот и осень."
