Например TDA7294

Форум РадиоКот • Просмотр темы - Усилитель от "Рекорд В-312". и еще кое что.
Форум РадиоКот
Здесь можно немножко помяукать :)

Текущее время: Пт янв 02, 2026 15:16:44

Часовой пояс: UTC + 3 часа


ПРЯМО СЕЙЧАС:



Начать новую тему Ответить на тему  [ Сообщений: 28 ]  1,  
Автор Сообщение
Не в сети
 Заголовок сообщения: Усилитель от "Рекорд В-312". и еще кое что.
СообщениеДобавлено: Пт июл 27, 2012 17:15:34 
Родился

Зарегистрирован: Пт июл 27, 2012 17:12:14
Сообщений: 6
Рейтинг сообщения: 0
Добрый вечер. Кому не трудно расшифруйте как подключается блок 5(усь) от старого телека ? Где там вход\выход и питалово. http://rw6ase.narod.ru/000/tw/rekord_w312.html
И еще нужны печатки под -
http://i069.radikal.ru/1207/ee/4f6b29483335.jpg
http://s54.radikal.ru/i146/1207/99/d27b618a7b64.jpg

Желательно с пояснениями ) Заранее спасибо.


Вернуться наверх
 
Не в сети
 Заголовок сообщения: Re: Усилитель от "Рекорд В-312". и еще кое что.
СообщениеДобавлено: Пт июл 27, 2012 18:58:05 
Модератор
Аватар пользователя

Карма: 162
Рейтинг сообщений: 2441
Зарегистрирован: Пн июл 07, 2008 10:46:09
Сообщений: 10736
Откуда: Россия
Рейтинг сообщения: 0
Вход - это резистор "Громкость", левый вывод. Выход - трансформатор, который подключается к аноду 6П14П.
Питание 150 В подаётся на этот трансформатор и на сетку лампы, плюс накал этой лампы 6,3 В переменного напряжения и плюс питание каскада на транзисторе.

_________________
Если хотите, чтобы жизнь улыбалась вам, подарите ей своё хорошее настроение


Вернуться наверх
 
Не в сети
 Заголовок сообщения: Re: Усилитель от "Рекорд В-312". и еще кое что.
СообщениеДобавлено: Пт июл 27, 2012 19:05:42 
Родился

Зарегистрирован: Пт июл 27, 2012 17:12:14
Сообщений: 6
Рейтинг сообщения: 0
А теперь ооочень просто можно ?) Желательно на фотке отметить
http://rw6ase.narod.ru/000/tw/rekord_w312_12.jpg
http://rw6ase.narod.ru/000/tw/rekord_w312_09.jpg

И вот запитать я чет не понял как нужно. Эта байда 150в жрет чтоли ?


Вернуться наверх
 
Не в сети
 Заголовок сообщения: Re: Усилитель от "Рекорд В-312". и еще кое что.
СообщениеДобавлено: Пт июл 27, 2012 19:47:55 
Собутыльник Кота
Аватар пользователя

Карма: 25
Рейтинг сообщений: 141
Зарегистрирован: Ср дек 15, 2010 23:24:02
Сообщений: 2864
Откуда: Петербург
Рейтинг сообщения: 0
Так там же лампа :)) и +150В - это ещё даже немного,если там действительно столько...


Вернуться наверх
 
Эиком - электронные компоненты и радиодетали
Не в сети
 Заголовок сообщения: Re: Усилитель от "Рекорд В-312". и еще кое что.
СообщениеДобавлено: Сб июл 28, 2012 06:14:02 
Модератор
Аватар пользователя

Карма: 159
Рейтинг сообщений: 4074
Зарегистрирован: Пт янв 23, 2009 19:20:05
Сообщений: 45329
Рейтинг сообщения: 0
Медали: 1
Получил миской по аватаре (1)
Этому усилителю потребуются и +150, и +250... Да и параметры "никакие"... :dont_know:
Если так уж хочется приобщиться к "ламповому звуку", загляните в обсуждение "лампового усилителя начального уровня", там и схемы, и советы... :))


Вернуться наверх
 
Не в сети
 Заголовок сообщения: Re: Усилитель от "Рекорд В-312". и еще кое что.
СообщениеДобавлено: Ср янв 23, 2013 13:48:36 
Родился
Аватар пользователя

Зарегистрирован: Пн сен 24, 2012 12:45:40
Сообщений: 9
Рейтинг сообщения: 0
Света писал(а):
Вход - это резистор "Громкость", левый вывод. Выход - трансформатор, который подключается к аноду 6П14П.
Питание 150 В подаётся на этот трансформатор и на сетку лампы, плюс накал этой лампы 6,3 В переменного напряжения и плюс питание каскада на транзисторе.

Не подскажите как грамотно вырезать и тв плату усилителя? Заранее благодарен, в электронике новичок.


Вернуться наверх
 
Не в сети
 Заголовок сообщения: Re: Усилитель от "Рекорд В-312". и еще кое что.
СообщениеДобавлено: Ср янв 23, 2013 14:15:33 
Модератор
Аватар пользователя

Карма: 159
Рейтинг сообщений: 4074
Зарегистрирован: Пт янв 23, 2009 19:20:05
Сообщений: 45329
Рейтинг сообщения: 0
Медали: 1
Получил миской по аватаре (1)
Стесняюсь спросить, а зачем? :))


Вернуться наверх
 
Не в сети
 Заголовок сообщения: Re: Усилитель от "Рекорд В-312". и еще кое что.
СообщениеДобавлено: Вт янв 29, 2013 12:00:33 
Родился
Аватар пользователя

Зарегистрирован: Пн сен 24, 2012 12:45:40
Сообщений: 9
Рейтинг сообщения: 0
Есть CD привод от PC, хочу на кухню эдакое МОНО "радио" сделать для прослушивания на обед ну или пока на кухне готовлю аудио СД в нагрузку на 4гд7 в ОЯ. В планах, когда наберусь опыта буду собирать стерео однотакт на 6ф3п, надо трансформаторы искать, пока ничего нет :(


Вернуться наверх
 
Не в сети
 Заголовок сообщения: Re: Усилитель от "Рекорд В-312". и еще кое что.
СообщениеДобавлено: Вт янв 29, 2013 14:40:24 
Модератор
Аватар пользователя

Карма: 159
Рейтинг сообщений: 4074
Зарегистрирован: Пт янв 23, 2009 19:20:05
Сообщений: 45329
Рейтинг сообщения: 0
Медали: 1
Получил миской по аватаре (1)
В телевизорах канал звука всегда был этаким "второстепенным", и ждать от него качества не стоит. И уж тем более - от телевизора третьего класса. Простейший усилитель на той же TDA2003 будет иметь полноценный диапазон частот (а не 100 - 12500 герц, как у рекорда), мощность ватта 3 - 4 (а не 1 ватт, как у того же телевизора... :)) ), раз в сто меньший коэф. гармоник, и даже (о, ужас!) гораздо лучшее звучание, особенно при удачном монтаже... :)) Так для чего возиться с этим хламом? не понимаю... :dont_know:


Вернуться наверх
 
Не в сети
 Заголовок сообщения: Re: Усилитель от "Рекорд В-312". и еще кое что.
СообщениеДобавлено: Вт янв 29, 2013 18:54:42 
Друг Кота

Карма: 19
Рейтинг сообщений: 470
Зарегистрирован: Чт апр 29, 2010 07:39:15
Сообщений: 3227
Откуда: Молдова Бельцы
Рейтинг сообщения: 0
As писал(а):
Так для чего возиться с этим хламом?

Ещё, если для этой платы нужно высокое напряжение 150 - 200 Вольт, тогда действительно :dont_know:


Вернуться наверх
 
Не в сети
 Заголовок сообщения: Re: Усилитель от "Рекорд В-312". и еще кое что.
СообщениеДобавлено: Вт янв 29, 2013 19:50:25 
Модератор
Аватар пользователя

Карма: 159
Рейтинг сообщений: 4074
Зарегистрирован: Пт янв 23, 2009 19:20:05
Сообщений: 45329
Рейтинг сообщения: 0
Медали: 1
Получил миской по аватаре (1)
Дело совсем не в высоком напряжении питания, в конце концов, с того же телевизора можно снять и питающий трансформатор с выпрямителями и фильтрами, дело в сильном несоответствии затраченных сил результату... Был бы это приличный аппарат - я бы первый ратовал за его использование... :dont_know:


Вернуться наверх
 
Не в сети
 Заголовок сообщения: Re: Усилитель от "Рекорд В-312". и еще кое что.
СообщениеДобавлено: Вт фев 12, 2013 12:51:30 
Родился
Аватар пользователя

Зарегистрирован: Пн сен 24, 2012 12:45:40
Сообщений: 9
Рейтинг сообщения: 0
Все, РЕКОРД, благополучно разобран на зап.части :P


Вернуться наверх
 
Не в сети
 Заголовок сообщения: Re: Усилитель от "Рекорд В-312". и еще кое что.
СообщениеДобавлено: Чт фев 14, 2013 07:45:48 
Друг Кота

Карма: 19
Рейтинг сообщений: 470
Зарегистрирован: Чт апр 29, 2010 07:39:15
Сообщений: 3227
Откуда: Молдова Бельцы
Рейтинг сообщения: 0
Котенок МаркизЪ писал(а):
Все, РЕКОРД, благополучно разобран на зап.части :P

УРА! :roll:


Вернуться наверх
 
Не в сети
 Заголовок сообщения: Re: Усилитель от "Рекорд В-312". и еще кое что.
СообщениеДобавлено: Вс мар 16, 2025 20:32:27 
Потрогал лапой паяльник
Аватар пользователя

Зарегистрирован: Пн май 27, 2019 07:28:50
Сообщений: 349
Рейтинг сообщения: 0
В телевизорах канал звука всегда был этаким "второстепенным", и ждать от него качества не стоит. И уж тем более - от телевизора третьего класса.

Я-б поспорил,2УЛПТ звук был качественный в комплексе с 2-мя динами очень да-же... и мне кажется у 3-го класса "Рекорда" побольше 1Вт был звук,уж больно громко орал,когда мой дедушка смотрел на полной громкости... я не мог переорать. :)) но в любом случае я-б то-ж не стал возиться с 6П14П,наверно 6Ф5П получше будут,по моему они стояли в последних модернизациях 2УЛПТ

_________________
Пока на свете есть идиоты,жить намного интересней


Вернуться наверх
 
Не в сети
 Заголовок сообщения: Re: Усилитель от "Рекорд В-312". и еще кое что.
СообщениеДобавлено: Вс мар 16, 2025 23:27:28 
Друг Кота

Карма: 19
Рейтинг сообщений: 470
Зарегистрирован: Чт апр 29, 2010 07:39:15
Сообщений: 3227
Откуда: Молдова Бельцы
Рейтинг сообщения: 0
remontitor, я фигею без баяна.
Откопать тему, которой 12 (ДВЕЕНАДЦАТЬ) лет !!! это надо же умудриться ! :))) :))) :)))
И , кстати, а с чего это
remontitor писал(а):
6Ф5П получше будут

чем
6П14П


??? :roll:


Вернуться наверх
 
Не в сети
 Заголовок сообщения: Re: Усилитель от "Рекорд В-312". и еще кое что.
СообщениеДобавлено: Пн мар 17, 2025 17:21:20 
Потрогал лапой паяльник
Аватар пользователя

Зарегистрирован: Пн май 27, 2019 07:28:50
Сообщений: 349
Рейтинг сообщения: 0
sergeisams, Уметь надо :))),да я на дату и не смотрел вовсе,а тут темы не принято закрывать видимо?,Да лучше 14-х.Просто я думаю не стали-б менять на их в ТУ-100 да и в телевизорах.

_________________
Пока на свете есть идиоты,жить намного интересней


Вернуться наверх
 
Не в сети
 Заголовок сообщения: Re: Усилитель от "Рекорд В-312". и еще кое что.
СообщениеДобавлено: Пн мар 17, 2025 18:42:03 
Модератор
Аватар пользователя

Карма: 159
Рейтинг сообщений: 4074
Зарегистрирован: Пт янв 23, 2009 19:20:05
Сообщений: 45329
Рейтинг сообщения: 0
Медали: 1
Получил миской по аватаре (1)
А по каким параметрам лучше? 6Ф5П, помнится, ставилась в кадровую развертку, а совсем не в звук...


Вернуться наверх
 
Не в сети
 Заголовок сообщения: Re: Усилитель от "Рекорд В-312". и еще кое что.
СообщениеДобавлено: Пн мар 17, 2025 21:00:53 
Друг Кота

Карма: 19
Рейтинг сообщений: 470
Зарегистрирован: Чт апр 29, 2010 07:39:15
Сообщений: 3227
Откуда: Молдова Бельцы
Рейтинг сообщения: 0
Да лучше 14-х.Просто я думаю не стали-б менять на их в ТУ-100

Стесняюсь спросить и где именно в ТУ-100 применяются 6Ф5П ? :roll:
Изображение

да и в телевизорах.

А телевизорах оную лампу применили из экономии, т.к. она триод-пентод и удобно использовать триод в предварительном каскаде, а пентод на выходе .
Изображение


Вернуться наверх
 
Не в сети
 Заголовок сообщения: Re: Усилитель от "Рекорд В-312". и еще кое что.
СообщениеДобавлено: Пн мар 17, 2025 21:53:03 
Потрогал лапой паяльник
Аватар пользователя

Зарегистрирован: Пн май 27, 2019 07:28:50
Сообщений: 349
Рейтинг сообщения: 0
Уоть... ваша на УМ-50 походит.

Добавлено after 10 minutes 19 seconds:
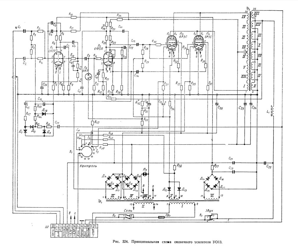
И УО-13 на закуску


Вложения:
580b2fded4096_13.jpg.a1d924a73bb80e075647c2f3b709f82e.jpg [148.69 KiB]
Скачиваний: 51
изображение_2025-03-17_234218105.png [65.56 KiB]
Скачиваний: 52

_________________
Пока на свете есть идиоты,жить намного интересней
Вернуться наверх
 
Не в сети
 Заголовок сообщения: Re: Усилитель от "Рекорд В-312". и еще кое что.
СообщениеДобавлено: Пн мар 17, 2025 22:07:11 
Друг Кота

Карма: 19
Рейтинг сообщений: 470
Зарегистрирован: Чт апр 29, 2010 07:39:15
Сообщений: 3227
Откуда: Молдова Бельцы
Рейтинг сообщения: 0
ваша на УМ-50 походит.

:roll: Изображение

А вот по поводу
remontitor писал(а):
УО-13 на закуску

там применена пентодная часть 6Ф5П, кстати в триодном включении, в фазоинверторе, потому как надо раскачать мощавые 6Р3С, а не потому, что она лучше 6П14П . :)))

А приведенная мной выше схема, это
Изображение


Вернуться наверх
 
Показать сообщения за:  Сортировать по:  Вернуться наверх
Начать новую тему Ответить на тему  [ Сообщений: 28 ]  1,  

Часовой пояс: UTC + 3 часа


Кто сейчас на форуме

Сейчас этот форум просматривают: нет зарегистрированных пользователей и гости: 26


Вы не можете начинать темы
Вы не можете отвечать на сообщения
Вы не можете редактировать свои сообщения
Вы не можете удалять свои сообщения
Вы не можете добавлять вложения

Найти:
Перейти:  


Powered by phpBB © 2000, 2002, 2005, 2007 phpBB Group
Русская поддержка phpBB
Extended by Karma MOD © 2007—2012 m157y
Extended by Topic Tags MOD © 2012 m157y