Propeller clock
Re: Propeller clock
Всем доброго дня. Вот собираю часы на PIC 16f628a по вашим схемам и не могу понять почему у меня не работает пульт. В начале я вытравил плату напаял элементов но нечего не работает, промучавшись несколько дней я все распоял и перенес на макетную плату, чуть позже я всетаки нашел прошивку которая подает сигнал на ИК диод и 0.7 В на полевой транзистор для обмотки, но ни какая кнопка на пульте не заставляет пик ожить и подать сигнал на 10 ножку для запуска двигателя...Вторая проблема это то что на вторичной обмотке(тоесть выход на пропелер) всего 2.4 В. Если кто знает то прошу рассказать где можно поменять в прошивке коды на кнопки для базы.Помогите пожалуйста уже незнаю куда писать и что делать.
- m.ix
- Друг Кота
- Сообщения: 16545
- Зарегистрирован: Вт сен 07, 2010 03:01:06
- Откуда: Moscow-Izmaylovo
- Контактная информация:
Re: Propeller clock
С самого начала
Советую прочесть принцип работы сего пропеллера
Дабы не наступать на теже грабли что были ранее у других.
ПОка этот вертилятор не стабилизиует обороты, то ничего не заработает.
http://www.youtube.com/watch?v=wXjHgAuE4B8
При условии правильного монтажа и прошивки.
Мой веник считай заработал сразу.
Косяки которые были, они были с моей стороны, на уровне железе.
Советую прочесть принцип работы сего пропеллера
Дабы не наступать на теже грабли что были ранее у других.
ПОка этот вертилятор не стабилизиует обороты, то ничего не заработает.
http://www.youtube.com/watch?v=wXjHgAuE4B8
При условии правильного монтажа и прошивки.
Мой веник считай заработал сразу.
Косяки которые были, они были с моей стороны, на уровне железе.
Лечу лечить WWWашу покалеченную технику.
Re: Propeller clock
M.IX я твои коментарии и собранные часы нахожу по всему интернету... но больше ты ссылаешься на сайт ledz который уже не работает.Но я из твоего сообщения я не могу понять как стабилизация двигателя влияет на базу... у меня двигатель вообще не запускается и что бы я не жал на пульте на 10 ножке напряжение 0 В. Еще вопрос, где в прошивке на базе можно поменять код приема( изменить кнопки на пульте)?
- m.ix
- Друг Кота
- Сообщения: 16545
- Зарегистрирован: Вт сен 07, 2010 03:01:06
- Откуда: Moscow-Izmaylovo
- Контактная информация:
Re: Propeller clock
Там всё описано
Даже в этой теме есть и иные ресурсы, где есть всё тоже самое ну и немножко по более.
И в этих дебрях он возможно может помочь.
Даже в этой теме есть и иные ресурсы, где есть всё тоже самое ну и немножко по более.
это можно игнорировать, просто запустив на прямую от питания свой веник.animnex писал(а): двигатель вообще не запускается
Тут где то walli временами проезжает.animnex писал(а):где в прошивке на базе можно поменять код приема
И в этих дебрях он возможно может помочь.
Лечу лечить WWWашу покалеченную технику.
Re: Propeller clock
M.ix я прочитал весь форум, но честно говоря там уже половино ссылок не работает. В прочем я нашел ошибку теперь база принимает сигналы, но остается одно но , почему на второй обмотке такое маленько выходное напряжение? Двигатель закрутился благодаря замены lm2941 на lm 317, новую плату пришлось вытравливать но зато работает... А на счет прошивки я бы с удовольствием с кем нибуть поговорил а то там вообще лес дремучий(
Re: Propeller clock
Скажите пожалуйста какое надо питание для часов на pic16f628a?У меня 12 вольт и 500мА винтелятор просто не может нормально раскрутится а на вторичной катушке только 4 В...
- m.ix
- Друг Кота
- Сообщения: 16545
- Зарегистрирован: Вт сен 07, 2010 03:01:06
- Откуда: Moscow-Izmaylovo
- Контактная информация:
Re: Propeller clock
на контроллер 5в и не 12
на холостом ходу что то около 30 в - без нагрузки
на холостом ходу что то около 30 в - без нагрузки
Лечу лечить WWWашу покалеченную технику.
Re: Propeller clock
У меня на контролере 5 в а блок питание 12 вольт, кулер тоже на 12 вольт , все работает и пульт включает и выключает а вот на выходе второй обмотки без нагрузки 3.8 вольта.Я когда включаю у меня такое ощущение что не двигателю ни катушки нехватает питания. Двигатель крутится еле еле((( витков намотал как писал ты на других форумах. Я про то что может заменить блок питание с с 12в 500мА на 12в 1000мА?
- m.ix
- Друг Кота
- Сообщения: 16545
- Зарегистрирован: Вт сен 07, 2010 03:01:06
- Откуда: Moscow-Izmaylovo
- Контактная информация:
Re: Propeller clock
ТОк можешь давать хоть 10А
Устройство заберёт столько сколько ему будет нужно
Устройство заберёт столько сколько ему будет нужно
Лечу лечить WWWашу покалеченную технику.
- m.ix
- Друг Кота
- Сообщения: 16545
- Зарегистрирован: Вт сен 07, 2010 03:01:06
- Откуда: Moscow-Izmaylovo
- Контактная информация:
Re: Propeller clock
В общем обещанного 3 года ждут.
Я так и не дождался платок.
Буду пробовать как то сам делать сей проект, без понятия как оно там и чаво.

Я так и не дождался платок.
Буду пробовать как то сам делать сей проект, без понятия как оно там и чаво.

Лечу лечить WWWашу покалеченную технику.
Re: Propeller clock
На вид красиво)) можно часа 2 посидеть и самому платку нарисовать))
- m.ix
- Друг Кота
- Сообщения: 16545
- Зарегистрирован: Вт сен 07, 2010 03:01:06
- Откуда: Moscow-Izmaylovo
- Контактная информация:
Re: Propeller clock
Не спорю, что можно всё.
Я без понятия, заработает ли сей дэвайс.
MCP9800 ни где не купить
моточных данных тоже нету
просто на авось пробую.
Я без понятия, заработает ли сей дэвайс.
MCP9800 ни где не купить
моточных данных тоже нету
просто на авось пробую.
Лечу лечить WWWашу покалеченную технику.
Re: Propeller clock
Если он есть в PDF то можно его в corel draw перенести там поменять разводку как надо)
- m.ix
- Друг Кота
- Сообщения: 16545
- Зарегистрирован: Вт сен 07, 2010 03:01:06
- Откуда: Moscow-Izmaylovo
- Контактная информация:
Re: Propeller clock
Первая попытка изготовления сей платы
viewtopic.php?f=8&t=18582&p=1503156#p1503156
чуть немного иным путём
viewtopic.php?f=8&t=18582&p=1503156#p1503156
чуть немного иным путём

Лечу лечить WWWашу покалеченную технику.
- m.ix
- Друг Кота
- Сообщения: 16545
- Зарегистрирован: Вт сен 07, 2010 03:01:06
- Откуда: Moscow-Izmaylovo
- Контактная информация:
Re: Propeller clock
Пока как бы так
НАсверливать надобно
И смотреть не совпадения



НАсверливать надобно
И смотреть не совпадения



Лечу лечить WWWашу покалеченную технику.
Re: Propeller clock
не плохо получилось)) теперь что бы все дырки совпали)
- m.ix
- Друг Кота
- Сообщения: 16545
- Зарегистрирован: Вт сен 07, 2010 03:01:06
- Откуда: Moscow-Izmaylovo
- Контактная информация:
Re: Propeller clock
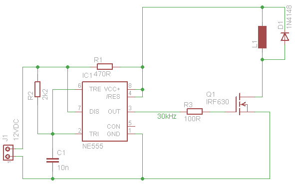
http://www.hobbielektronika.hu/forum/ge ... ?id=142658
запуск преобразователя без МК

Что и следовало ожидать
Не совпали

запуск преобразователя без МК
Что и следовало ожидать
Не совпали
Спойлер

Последний раз редактировалось m.ix Пн дек 10, 2012 03:52:24, всего редактировалось 1 раз.
Лечу лечить WWWашу покалеченную технику.
- m.ix
- Друг Кота
- Сообщения: 16545
- Зарегистрирован: Вт сен 07, 2010 03:01:06
- Откуда: Moscow-Izmaylovo
- Контактная информация:
Re: Propeller clock
Доставим элементы

И дотравим в следующий раз оставшиеся платы.
Мож
кто для этого проекта переведёт, сколько чаво там наматывать.
Спойлер

И дотравим в следующий раз оставшиеся платы.
Мож
Лечу лечить WWWашу покалеченную технику.
- m.ix
- Друг Кота
- Сообщения: 16545
- Зарегистрирован: Вт сен 07, 2010 03:01:06
- Откуда: Moscow-Izmaylovo
- Контактная информация:
Re: Propeller clock
Лечу лечить WWWашу покалеченную технику.