Например TDA7294

Форум РадиоКот • Просмотр темы - Ковырялочка для п/плат.
Форум РадиоКот
Здесь можно немножко помяукать :)

Текущее время: Сб янв 24, 2026 14:33:48

Часовой пояс: UTC + 3 часа


ПРЯМО СЕЙЧАС:



Начать новую тему Ответить на тему  [ Сообщений: 648 ]    , , , , 5, , , ...  
Автор Сообщение
Не в сети
 Заголовок сообщения: Re: Ковырялочка для п/п
СообщениеДобавлено: Чт дек 13, 2012 10:02:29 
Потрогал лапой паяльник

Карма: 1
Рейтинг сообщений: 4
Зарегистрирован: Вс апр 17, 2011 12:09:57
Сообщений: 330
Рейтинг сообщения: 0
В последней схеме какой еще можно применить операционник? Например 140уд7?

p.s. Для 140уд7 наверно слишком большое входное напряжение?


Вернуться наверх
 
Не в сети
 Заголовок сообщения: Re: Ковырялочка для п/п
СообщениеДобавлено: Пт дек 14, 2012 11:07:57 
Потрогал лапой паяльник

Карма: 1
Рейтинг сообщений: 4
Зарегистрирован: Вс апр 17, 2011 12:09:57
Сообщений: 330
Рейтинг сообщения: 0
Покопался в справочниках - итог ,как я понял, можно использовать LM358, LM324, 1040УД1, 1401УД2, 1401УД5.


Вернуться наверх
 
Не в сети
 Заголовок сообщения: Re: Ковырялочка для п/п
СообщениеДобавлено: Пн дек 24, 2012 15:13:22 
Открыл глаза
Аватар пользователя

Зарегистрирован: Вт авг 30, 2011 19:47:56
Сообщений: 77
Рейтинг сообщения: 0
подскажите хотел собрать схему на пике но не могу открыть прошивку в вин800, пишет что что то с адреасми, есть у кого нить нормальная проша?

_________________
у тебя есть высшее образование, ты умный, сделай домашнее задание со своим ребенком, ощути себя идиотом, а сегодня школьная программа выглядит так -
ЛЕТЕЛИ ДВА ВЕРБЛЮДА ОДИН РЫЖИЙ ДРУГОЙ НАЛЕВО СКОЛЬКО ВЕСИТ КИЛОГРАММ ЯБЛОК ЕСЛИ ЁЖИКУ ЧЕТЫРЕ ГОДА


Вернуться наверх
 
Не в сети
 Заголовок сообщения: Re: Ковырялочка для п/п
СообщениеДобавлено: Пн дек 24, 2012 23:12:16 
Открыл глаза
Аватар пользователя

Зарегистрирован: Вт авг 30, 2011 19:47:56
Сообщений: 77
Рейтинг сообщения: 0
В общем собрал сегодня ковырялочку на скорую руку теперь осталось отладить работу моторчика по последней схеме, по всеже хотелось бы попробовать на пике, а файл прошивки битый походу, може есть у кого?


Вложения:
Комментарий к файлу: ВИДЕО
24122012059.rar [762.05 KiB]
Скачиваний: 1148
24122012380.jpg [90.79 KiB]
Скачиваний: 2104
24122012379.jpg [92.83 KiB]
Скачиваний: 1430
24122012378.jpg [84.06 KiB]
Скачиваний: 1311
24122012377.jpg [88.7 KiB]
Скачиваний: 1793

_________________
у тебя есть высшее образование, ты умный, сделай домашнее задание со своим ребенком, ощути себя идиотом, а сегодня школьная программа выглядит так -
ЛЕТЕЛИ ДВА ВЕРБЛЮДА ОДИН РЫЖИЙ ДРУГОЙ НАЛЕВО СКОЛЬКО ВЕСИТ КИЛОГРАММ ЯБЛОК ЕСЛИ ЁЖИКУ ЧЕТЫРЕ ГОДА
Вернуться наверх
 
Эиком - электронные компоненты и радиодетали
Не в сети
 Заголовок сообщения: Re: Ковырялочка для п/п
СообщениеДобавлено: Вт дек 25, 2012 10:04:52 
Друг Кота

Карма: 27
Рейтинг сообщений: 1283
Зарегистрирован: Ср фев 11, 2009 20:35:58
Сообщений: 7853
Рейтинг сообщения: 0
Цитата:
файл прошивки битый походу,

Где этот файл?


Вернуться наверх
 
Не в сети
 Заголовок сообщения: Re: Ковырялочка для п/п
СообщениеДобавлено: Вт дек 25, 2012 11:38:08 
Открыл глаза
Аватар пользователя

Зарегистрирован: Вт авг 30, 2011 19:47:56
Сообщений: 77
Рейтинг сообщения: 0
вот


Вложения:
02_3.zip [440 байт]
Скачиваний: 664

_________________
у тебя есть высшее образование, ты умный, сделай домашнее задание со своим ребенком, ощути себя идиотом, а сегодня школьная программа выглядит так -
ЛЕТЕЛИ ДВА ВЕРБЛЮДА ОДИН РЫЖИЙ ДРУГОЙ НАЛЕВО СКОЛЬКО ВЕСИТ КИЛОГРАММ ЯБЛОК ЕСЛИ ЁЖИКУ ЧЕТЫРЕ ГОДА
Вернуться наверх
 
Не в сети
 Заголовок сообщения: Re: Ковырялочка для п/п
СообщениеДобавлено: Вт дек 25, 2012 11:47:05 
Друг Кота

Карма: 27
Рейтинг сообщений: 1283
Зарегистрирован: Ср фев 11, 2009 20:35:58
Сообщений: 7853
Рейтинг сообщения: 0
Для какого МК прошивка и что в ней не так ?


Вернуться наверх
 
Не в сети
 Заголовок сообщения: Re: Ковырялочка для п/п
СообщениеДобавлено: Вт дек 25, 2012 14:19:41 
Первый раз сказал Мяу!
Аватар пользователя

Зарегистрирован: Вт июл 12, 2011 18:37:43
Сообщений: 32
Откуда: Україна, Львів
Рейтинг сообщения: 0
А кто подскажет как в етой схеме

Изображение

применить вместо LM317 ШИМ на NE555 (без стабилизации) из етой схемы

Изображение


Вернуться наверх
 
Не в сети
 Заголовок сообщения: Re: Ковырялочка для п/п
СообщениеДобавлено: Вт дек 25, 2012 21:35:52 
Открыл глаза
Аватар пользователя

Зарегистрирован: Вт авг 30, 2011 19:47:56
Сообщений: 77
Рейтинг сообщения: 0
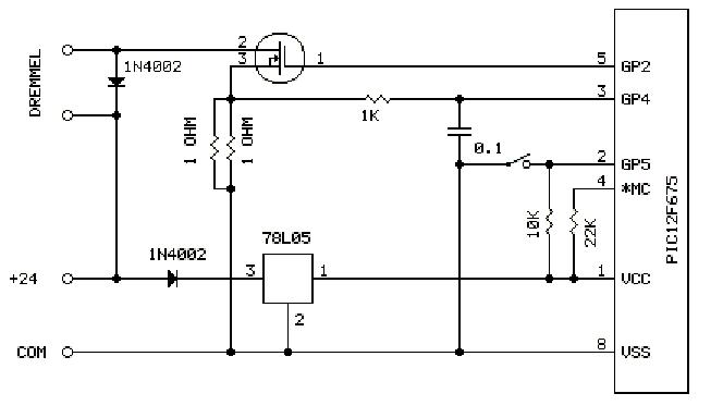
прошивка для пик 12F675 из статьи, не открывается в win800


Вложения:
29.jpg [26.18 KiB]
Скачиваний: 1371

_________________
у тебя есть высшее образование, ты умный, сделай домашнее задание со своим ребенком, ощути себя идиотом, а сегодня школьная программа выглядит так -
ЛЕТЕЛИ ДВА ВЕРБЛЮДА ОДИН РЫЖИЙ ДРУГОЙ НАЛЕВО СКОЛЬКО ВЕСИТ КИЛОГРАММ ЯБЛОК ЕСЛИ ЁЖИКУ ЧЕТЫРЕ ГОДА
Вернуться наверх
 
Не в сети
 Заголовок сообщения: Re: Ковырялочка для п/п
СообщениеДобавлено: Вт дек 25, 2012 22:33:07 
Друг Кота

Карма: 27
Рейтинг сообщений: 1283
Зарегистрирован: Ср фев 11, 2009 20:35:58
Сообщений: 7853
Рейтинг сообщения: 0
IC-Prog берёт без ошибок. Или бери перекомпилированный файл.


Вернуться наверх
 
Не в сети
 Заголовок сообщения: Re: Ковырялочка для п/п
СообщениеДобавлено: Ср дек 26, 2012 10:36:43 
Открыл глаза
Аватар пользователя

Зарегистрирован: Вт авг 30, 2011 19:47:56
Сообщений: 77
Рейтинг сообщения: 0
СПАСИБО, ща попробую

_________________
у тебя есть высшее образование, ты умный, сделай домашнее задание со своим ребенком, ощути себя идиотом, а сегодня школьная программа выглядит так -
ЛЕТЕЛИ ДВА ВЕРБЛЮДА ОДИН РЫЖИЙ ДРУГОЙ НАЛЕВО СКОЛЬКО ВЕСИТ КИЛОГРАММ ЯБЛОК ЕСЛИ ЁЖИКУ ЧЕТЫРЕ ГОДА


Вернуться наверх
 
Не в сети
 Заголовок сообщения: Re: Ковырялочка для п/п
СообщениеДобавлено: Ср дек 26, 2012 13:30:26 
Открыл глаза
Аватар пользователя

Зарегистрирован: Вт авг 30, 2011 19:47:56
Сообщений: 77
Рейтинг сообщения: 0
ОПРОБОВАЛ,мотор крутится на мах оборотах и все :o

_________________
у тебя есть высшее образование, ты умный, сделай домашнее задание со своим ребенком, ощути себя идиотом, а сегодня школьная программа выглядит так -
ЛЕТЕЛИ ДВА ВЕРБЛЮДА ОДИН РЫЖИЙ ДРУГОЙ НАЛЕВО СКОЛЬКО ВЕСИТ КИЛОГРАММ ЯБЛОК ЕСЛИ ЁЖИКУ ЧЕТЫРЕ ГОДА


Вернуться наверх
 
Не в сети
 Заголовок сообщения: Re: Ковырялочка для п/п
СообщениеДобавлено: Ср дек 26, 2012 14:56:56 
Друг Кота

Карма: 27
Рейтинг сообщений: 1283
Зарегистрирован: Ср фев 11, 2009 20:35:58
Сообщений: 7853
Рейтинг сообщения: 0
Этот вопрос надо автору задать.


Вернуться наверх
 
Не в сети
 Заголовок сообщения: Re: Ковырялочка для п/п
СообщениеДобавлено: Ср дек 26, 2012 22:11:06 
Открыл глаза
Аватар пользователя

Зарегистрирован: Вт авг 30, 2011 19:47:56
Сообщений: 77
Рейтинг сообщения: 0
та и фиг с ней ,все равно остановился на схеме болгара отстроил под свой мотор и добавил подсветку, сверлить одно удовольствие

_________________
у тебя есть высшее образование, ты умный, сделай домашнее задание со своим ребенком, ощути себя идиотом, а сегодня школьная программа выглядит так -
ЛЕТЕЛИ ДВА ВЕРБЛЮДА ОДИН РЫЖИЙ ДРУГОЙ НАЛЕВО СКОЛЬКО ВЕСИТ КИЛОГРАММ ЯБЛОК ЕСЛИ ЁЖИКУ ЧЕТЫРЕ ГОДА


Вернуться наверх
 
Не в сети
 Заголовок сообщения: Re: Ковырялочка для п/п
СообщениеДобавлено: Пн дек 31, 2012 17:57:23 
Родился

Зарегистрирован: Вт ноя 06, 2012 12:40:45
Сообщений: 14
Откуда: Украина
Рейтинг сообщения: 0
jora47 писал(а):
Собрал пару дней назад схему Савова для работы с двигателем ДМП-30-Н1-02. На нагрузку схема реагировала только в крайнем положении резистора, да и то рывками. В общем все как у людей. Резистор в цепи измерителя тока стоял 0,1 Ом. Пришлось вникать в работу схемы. Пошукав по сайту прочитал статьи о работе операционных усилителей, и все стало на места. У меня двигатель на 29В с максимальным по паспорту током 0.3А. На резисторе R5 тупо не хватало напряжения для переключения ОУ. Он работает в режиме компаратора (как мне кажется. Поправьте, если не прав). Отсюда вывод, что напруга на R5 должна быть под нагрузкой больше, чем на RP2. У меня схема питается от 30В. Отсюда считаем по закону Ома, что на делителе R2-RP2 может висеть от 0,75V до 0V. При рабочем токе 0,3А на резисторе R5 имеем максимум 0,03V что соответствует выкрученному в ноль RP2. Ни о каком диапазоне регулирования тут говорить не приходится. Покумекав, я поехал и купил двухваттник на 2Ома. На нем теперь падает 0,6V что приходится на вторую треть диапазона RP2, что нам и нужно. Схема заработала сразу, подстройкой RP2 добиваемся повышения оборотов на нужной нагрузке, диапазона регулирования хватает. Ну и по совету камрадов с форума был выкинут С4 и навешен конденсатор 0,22uF между первой и второй ногой. Надеюсь этот небольшой рассказик поможет новичкам, желающим собрать эту схему избежать затыков, и сразу собрать работающий регулятор под свой движок!

Cобрал Болгарина схему ( с этой страницы ) двиг такой же ДМП-30-Н1-02 .
Работает ,регулируется. Но эти колебательные волны не могу победить , не возможно сверлить как оно волной дергает .Резистор ставил и 2 и 3 ома ,одинаково . Что же ему сделать что бы оно не дергало . При большой нагрузке нету колебаний . Если Р2 в упор назад ,то без нагрузки само себе как метроном .


Вернуться наверх
 
Не в сети
 Заголовок сообщения: Re: Ковырялочка для п/п
СообщениеДобавлено: Пт янв 25, 2013 14:16:11 
Открыл глаза
Аватар пользователя

Зарегистрирован: Пт апр 27, 2007 12:40:24
Сообщений: 60
Откуда: Волгоград
Рейтинг сообщения: 0
Вот поправки
Изображение


Вернуться наверх
 
Не в сети
 Заголовок сообщения: Re: Ковырялочка для п/п
СообщениеДобавлено: Вс мар 03, 2013 15:11:25 
Открыл глаза
Аватар пользователя

Зарегистрирован: Чт мар 01, 2012 20:30:22
Сообщений: 55
Откуда: Днепр
Рейтинг сообщения: 0
Собрал схемку с поправками от savantik. Спасибо, работает. Решил поменять линейный стабилизатор на импульсный LM2596-ADJ, но что-то не соображу как его прикрутить к этой схеме. Вот схема включения из даташита. Помогите пожалуйста.
Изображение


Вернуться наверх
 
Не в сети
 Заголовок сообщения: Re: Ковырялочка для п/п
СообщениеДобавлено: Вс мар 24, 2013 00:33:03 
Открыл глаза
Аватар пользователя

Зарегистрирован: Чт мар 01, 2012 20:30:22
Сообщений: 55
Откуда: Днепр
Рейтинг сообщения: 0
Вопрос уже не актуален. Не нашел, как можно удалить сообщение.
Собрал на основе схемы с LM317. Пришлось городить радиатор и увеличивать корпус под устройство.
Кому интересно, могу выложить проект - питание на основе 3842, схема управления двигателем Д-118Б и питание для светодиодной подсветки для станочка. Все отработано и работает.


Вернуться наверх
 
Не в сети
 Заголовок сообщения: Re: Ковырялочка для п/п
СообщениеДобавлено: Пт май 10, 2013 14:07:10 
Открыл глаза

Зарегистрирован: Ср июн 15, 2011 19:05:04
Сообщений: 57
Рейтинг сообщения: 0
Выложи пожалуйста.


Вернуться наверх
 
Не в сети
 Заголовок сообщения: Re: Ковырялочка для п/п
СообщениеДобавлено: Пн ноя 04, 2013 13:14:24 
Поставщик валерьянки для Кота
Аватар пользователя

Карма: 10
Рейтинг сообщений: 39
Зарегистрирован: Ср мар 14, 2007 01:50:10
Сообщений: 2198
Рейтинг сообщения: -1
С ДПМ-30-Н1-03; ДПМ-30-Н1-05; ДПР-42-Ф1-03 будет нормально работать эта схема?:


Вернуться наверх
 
Показать сообщения за:  Сортировать по:  Вернуться наверх
Начать новую тему Ответить на тему  [ Сообщений: 648 ]    , , , , 5, , , ...  

Часовой пояс: UTC + 3 часа


Кто сейчас на форуме

Сейчас этот форум просматривают: нет зарегистрированных пользователей и гости: 26


Вы не можете начинать темы
Вы не можете отвечать на сообщения
Вы не можете редактировать свои сообщения
Вы не можете удалять свои сообщения
Вы не можете добавлять вложения

Найти:
Перейти:  


Powered by phpBB © 2000, 2002, 2005, 2007 phpBB Group
Русская поддержка phpBB
Extended by Karma MOD © 2007—2012 m157y
Extended by Topic Tags MOD © 2012 m157y