Например TDA7294

Форум РадиоКот • Просмотр темы - Часы на газоразрядных индикаторах
Форум РадиоКот
Здесь можно немножко помяукать :)

Текущее время: Пн ноя 24, 2025 13:41:08

Часовой пояс: UTC + 3 часа


ПРЯМО СЕЙЧАС:



Начать новую тему Ответить на тему  [ Сообщений: 48923 ]     ... , , , 37, , , ...  
Автор Сообщение
Не в сети
 Заголовок сообщения:
СообщениеДобавлено: Пт мар 13, 2009 02:11:18 
Друг Кота
Аватар пользователя

Карма: 46
Рейтинг сообщений: 977
Зарегистрирован: Ср май 28, 2008 00:32:54
Сообщений: 7616
Откуда: г. Россия
Рейтинг сообщения: 0
lintech писал(а):
Синее свечение в радиолампах - не от мегагерцев
(радиолампы работают далеко за сотни мегагерц)
Светиться синим они начинают либо от того что нарушена
герметизация, либо очень завышенно анодное питание.


При слишком большой частоте сканирования ламп начинают светиться соседние цифры в лампе.
Рекомендуется частоту не превышать 100 - 160 Гц.
А синее свечение возникает при завышенном анодном напряжении.
Если внутрь лампы попадает воздух через трещину в стекле, то лампа просто перестаёт светиться. - Проверено. 8)


Вернуться наверх
 
Не в сети
 Заголовок сообщения:
СообщениеДобавлено: Пт мар 13, 2009 02:17:00 
Открыл глаза

Зарегистрирован: Ср мар 11, 2009 19:35:06
Сообщений: 44
Рейтинг сообщения: 0
По поводу сотен мегагерц и разгерметезиции - я имел
ввиду радиолампы(усилительные)

С индикаторными естественно чуть чуть подругому.


Вернуться наверх
 
Не в сети
 Заголовок сообщения:
СообщениеДобавлено: Пт мар 13, 2009 15:08:13 
Открыл глаза

Зарегистрирован: Ср мар 11, 2009 19:35:06
Сообщений: 44
Рейтинг сообщения: 0
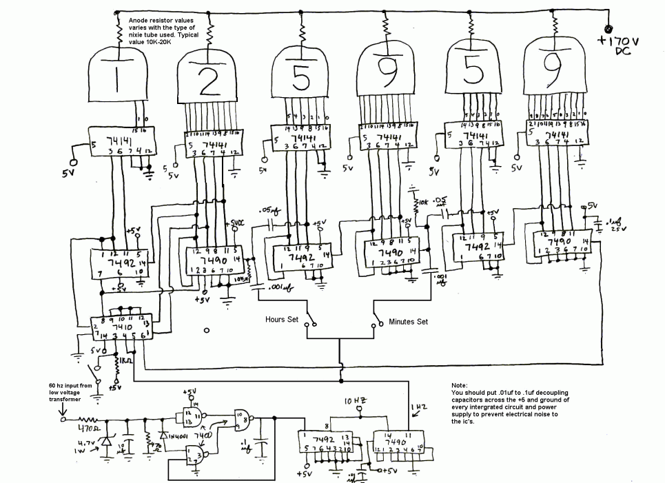
Жесть !
Чувак часы на мелкой логике соорудил !
http://www.tuberadios.com/nixie/


Вложения:
nixieclock_74.gif [116.4 KiB]
Скачиваний: 2508
Вернуться наверх
 
Не в сети
 Заголовок сообщения:
СообщениеДобавлено: Пт мар 13, 2009 15:24:30 
Друг Кота

Карма: 17
Рейтинг сообщений: 166
Зарегистрирован: Пт авг 25, 2006 09:26:19
Сообщений: 5232
Откуда: Москва
Рейтинг сообщения: 0
lintech писал(а):
Жесть !
Чувак часы на мелкой логике соорудил !


У них точность никакая.


Вернуться наверх
 
Эиком - электронные компоненты и радиодетали
Не в сети
 Заголовок сообщения:
СообщениеДобавлено: Вт мар 17, 2009 01:34:16 
Грызет канифоль
Аватар пользователя

Карма: 3
Рейтинг сообщений: 1
Зарегистрирован: Пт дек 05, 2008 01:34:29
Сообщений: 298
Рейтинг сообщения: 0
Еще одни часцы , на этот раз для кухни. На ИН-1 .Изображение Кто то говорил что ИН-1 неудобные и некрасивые :wink: Случайно купил коробку ИН-1 так что ничего не оставалось как придумать дизайн под них Изображение Корпус Абсолютно дубовый из клееного дубового бруса фрезерованого на станке ,ободки для индикаторов латунные. В качестве разделительных точек индикаторы ИНС-3 тоже очень кривые внутри ,поэтому светятся они крайне неравномерно по поверхности и я обыграл это подобрав скважность при которой разряд мерцает как пламя свечки что только добавило им некоторого шарма.Изображение Схема применяется такая же как и в моих часах на ИН-18 Изображение и фото сзади :)Изображениеhttp://radiokot.ru/forum/files/dsc06622_190.jpgИзображение


Вложения:
DSC06622.JPG [152.19 KiB]
Скачиваний: 2678
DSC06613.JPG [134.44 KiB]
Скачиваний: 1733
DSC06618.JPG [152.64 KiB]
Скачиваний: 1884
DSC06616.JPG [144.82 KiB]
Скачиваний: 1785
DSC06615.JPG [143.11 KiB]
Скачиваний: 2187
Вернуться наверх
 
Не в сети
 Заголовок сообщения:
СообщениеДобавлено: Вт мар 17, 2009 01:42:23 
Друг Кота
Аватар пользователя

Карма: 46
Рейтинг сообщений: 977
Зарегистрирован: Ср май 28, 2008 00:32:54
Сообщений: 7616
Откуда: г. Россия
Рейтинг сообщения: 0
Крпус на высоте. :))
На лампах слишком толстая анодная сетка.
Я видел ИН-1 с более редкой и тонкой анодной сеткой.
Я бы конечно использовал ИН-4. :roll:


Вернуться наверх
 
Не в сети
 Заголовок сообщения:
СообщениеДобавлено: Вт мар 17, 2009 05:58:10 
Нашел транзистор. Понюхал.
Аватар пользователя

Карма: 2
Рейтинг сообщений: 13
Зарегистрирован: Сб дек 20, 2008 08:08:11
Сообщений: 181
Откуда: Mongoliya
Рейтинг сообщения: 0
мои 5 копеек--
корпус не ошкуренный и не проморенный :)


Вложения:
113.jpg [178.02 KiB]
Скачиваний: 2618

_________________
Если б не китайцы, то чтоб мы делали?
Электрический скат почесал хвостом нос и умер от короткого замыкания.
Вернуться наверх
 
Не в сети
 Заголовок сообщения:
СообщениеДобавлено: Вт мар 17, 2009 06:04:46 
Нашел транзистор. Понюхал.
Аватар пользователя

Карма: 2
Рейтинг сообщений: 13
Зарегистрирован: Сб дек 20, 2008 08:08:11
Сообщений: 181
Откуда: Mongoliya
Рейтинг сообщения: 0
корпус после морилки.
Изображение

_________________
Если б не китайцы, то чтоб мы делали?
Электрический скат почесал хвостом нос и умер от короткого замыкания.


Последний раз редактировалось zalman Пн янв 09, 2012 11:24:40, всего редактировалось 3 раз(а).

Вернуться наверх
 
Не в сети
 Заголовок сообщения:
СообщениеДобавлено: Вт мар 17, 2009 12:06:30 
Мучитель микросхем
Аватар пользователя

Зарегистрирован: Ср дек 26, 2007 18:33:00
Сообщений: 422
Рейтинг сообщения: 0
Чебадонов писал(а):
Еще одни часцы , на этот раз для кухни. На ИН-1 .Изображение Корпус Абсолютно дубовый из клееного дубового бруса фрезерованого на станке ,ободки для индикаторов латунные.


Похвастайтесь где делали такой чудный корпус, и где достали латунные ободки нужного диаметра? Часы вышли шикарные, особенно выигрываают из-за корпуса. :lol:


Вернуться наверх
 
Не в сети
 Заголовок сообщения:
СообщениеДобавлено: Вт мар 17, 2009 13:20:39 
Друг Кота
Аватар пользователя

Карма: 46
Рейтинг сообщений: 977
Зарегистрирован: Ср май 28, 2008 00:32:54
Сообщений: 7616
Откуда: г. Россия
Рейтинг сообщения: 0
zalman писал(а):
корпус после морилки, часы в работе

Сказать по правде, только не обижайтесь, мне непротравленый корпус больше понравился.
Дерево есть дерево. :)

А лампы какие. Тоже ИН-1


Вернуться наверх
 
Не в сети
 Заголовок сообщения:
СообщениеДобавлено: Ср мар 18, 2009 00:05:02 
Грызет канифоль
Аватар пользователя

Карма: 3
Рейтинг сообщений: 1
Зарегистрирован: Пт дек 05, 2008 01:34:29
Сообщений: 298
Рейтинг сообщения: 0
Корпус сделан у меня на работе токарем ,втом числе латунные ободки которые скорее втулки для ламп. после токарки я доводил его на шлифовальной машинке а потом и шкурой несколькими номерами вплоть до 1200. Затем все это пропитал тунговым маслом, которое дает очень гладкое прочное покрытие с эффектом необработанного дерева. Такаятехнология широко применяется про изготовлении деталей оружия ,рукояток ножей ,мебели а теперь и часов :))
Можно конечно и лаком,но тогда получается покрытие а-ля обкомовский шкаф,так как дуб очень пористый для лаковой полировки его нужно грунтовать и зашпаклевывать поры. Конечно сложновато для часов,зато красиво и дорого выглядят.

то ZALMAN
Какой материал выбран? и почему треугольник?


Вернуться наверх
 
Не в сети
 Заголовок сообщения:
СообщениеДобавлено: Ср мар 18, 2009 02:00:14 
Открыл глаза

Зарегистрирован: Ср мар 11, 2009 19:35:06
Сообщений: 44
Рейтинг сообщения: 0
SLvik писал(а):
Я бы конечно использовал ИН-4. :roll:


В ин-4 цифра "5" как и в ин-1 - ввиде перевёрнутой цифры "2"
или нормального вида ?


Вернуться наверх
 
Не в сети
 Заголовок сообщения:
СообщениеДобавлено: Ср мар 18, 2009 02:05:46 
Открыл глаза

Зарегистрирован: Ср мар 11, 2009 19:35:06
Сообщений: 44
Рейтинг сообщения: 0
Микросхемы, микроконтроллеры - приелось :) :) :)
Вот зацените решение 1987года :)
http://the-mostly.narod.ru/MISC/clock.html


Вернуться наверх
 
Не в сети
 Заголовок сообщения:
СообщениеДобавлено: Ср мар 18, 2009 03:12:30 
Нашел транзистор. Понюхал.
Аватар пользователя

Карма: 2
Рейтинг сообщений: 13
Зарегистрирован: Сб дек 20, 2008 08:08:11
Сообщений: 181
Откуда: Mongoliya
Рейтинг сообщения: 0
Корпус из 5ки фанеры клееный, а треугольник- супруга выбрала такой дизайн..
Индикаторы Tesla дома уточню какие.

_________________
Если б не китайцы, то чтоб мы делали?
Электрический скат почесал хвостом нос и умер от короткого замыкания.


Вернуться наверх
 
Не в сети
 Заголовок сообщения:
СообщениеДобавлено: Ср мар 18, 2009 18:27:45 
Мучитель микросхем
Аватар пользователя

Зарегистрирован: Ср дек 26, 2007 18:33:00
Сообщений: 422
Рейтинг сообщения: 0
lintech писал(а):
Микросхемы, микроконтроллеры - приелось :) :) :)
Вот зацените решение 1987года :)
http://the-mostly.narod.ru/MISC/clock.html


Да, мега круть, это ж додуматься нужно до такого, таким ядерный взрыв и ЭМИ не страшен :)) ВЕЧНЫЕ :shock:


Вернуться наверх
 
Не в сети
 Заголовок сообщения:
СообщениеДобавлено: Ср мар 18, 2009 18:29:25 
Мучитель микросхем
Аватар пользователя

Зарегистрирован: Ср дек 26, 2007 18:33:00
Сообщений: 422
Рейтинг сообщения: 0
lintech писал(а):
SLvik писал(а):
Я бы конечно использовал ИН-4. :roll:


В ин-4 цифра "5" как и в ин-1 - ввиде перевёрнутой цифры "2"
или нормального вида ?


Если мне не изменяет память, то там 2-ка перевернутая.


Вернуться наверх
 
Не в сети
 Заголовок сообщения:
СообщениеДобавлено: Ср мар 18, 2009 18:31:06 
Друг Кота
Аватар пользователя

Карма: 46
Рейтинг сообщений: 977
Зарегистрирован: Ср май 28, 2008 00:32:54
Сообщений: 7616
Откуда: г. Россия
Рейтинг сообщения: 0
lintech писал(а):
Микросхемы, микроконтроллеры - приелось :) :) :)
Вот зацените решение 1987года :)
http://the-mostly.narod.ru/MISC/clock.html

Неплохой механический контроллер. :)))

lintech писал(а):
В ин-4 цифра "5" как и в ин-1 - ввиде перевёрнутой цифры "2"
или нормального вида ?


В ИН1, ИН4, ИН12, ИН14. Пятёрка - это перевёрнутая двойка и шестёрка - она-же девятка.
:)
ИН-4
Изображение

Изображение

Изображение


Последний раз редактировалось SLvik Вс ноя 07, 2010 18:35:47, всего редактировалось 2 раз(а).

Вернуться наверх
 
Не в сети
 Заголовок сообщения:
СообщениеДобавлено: Ср мар 18, 2009 20:06:49 
Открыл глаза

Зарегистрирован: Ср мар 11, 2009 19:35:06
Сообщений: 44
Рейтинг сообщения: 0
SLvik писал(а):
lintech писал(а):
В ин-4 цифра "5" как и в ин-1 - ввиде перевёрнутой цифры "2"
или нормального вида ?


В ИН1, ИН4, ИН12, ИН14. Пятёрка - это перевёрнутая двойка и шестёрка - она-же девятка.
:)
ИН-4
Изображение
Изображение


Голову бы открутить тому рационализатору кто предложил так делать !

С нормальными "5" остаётся только ин8 и ин18 ?
Или ещё что то есть из советских индикаторов ?


Вернуться наверх
 
Не в сети
 Заголовок сообщения:
СообщениеДобавлено: Ср мар 18, 2009 20:25:06 
Друг Кота

Карма: 17
Рейтинг сообщений: 166
Зарегистрирован: Пт авг 25, 2006 09:26:19
Сообщений: 5232
Откуда: Москва
Рейтинг сообщения: 0
lintech писал(а):
Голову бы открутить тому рационализатору кто предложил так делать !


В импортных чешских ZM1040 тоже самое 6 это перевернутая 9.


Вернуться наверх
 
Не в сети
 Заголовок сообщения:
СообщениеДобавлено: Ср мар 18, 2009 20:59:03 
Встал на лапы

Карма: 7
Рейтинг сообщений: 1
Зарегистрирован: Пн ноя 26, 2007 15:19:20
Сообщений: 146
Откуда: Литва, Вильнюс
Рейтинг сообщения: 0
lintech писал(а):
Цитата:
Голову бы открутить тому рационализатору кто предложил так делать !

С нормальными "5" остаётся только ин8 и ин18 ?
Или ещё что то есть из советских индикаторов ?


Ещё есть ИН-17 с нормальной "5".

Хотелось спросить. Возможно ли сделать такую штуку: (на логике)
Счетчик от 0 до 9, но с плавным переключением цифр .

Заранее благодарен.


Вернуться наверх
 
Показать сообщения за:  Сортировать по:  Вернуться наверх
Начать новую тему Ответить на тему  [ Сообщений: 48923 ]     ... , , , 37, , , ...  

Часовой пояс: UTC + 3 часа


Кто сейчас на форуме

Сейчас этот форум просматривают: Google [Bot] и гости: 24


Вы не можете начинать темы
Вы не можете отвечать на сообщения
Вы не можете редактировать свои сообщения
Вы не можете удалять свои сообщения
Вы не можете добавлять вложения

Найти:
Перейти:  


Powered by phpBB © 2000, 2002, 2005, 2007 phpBB Group
Русская поддержка phpBB
Extended by Karma MOD © 2007—2012 m157y
Extended by Topic Tags MOD © 2012 m157y