Например TDA7294

Форум РадиоКот • Просмотр темы - Замена МРРТ-контроллера для солнечных батарей
Форум РадиоКот
Здесь можно немножко помяукать :)

Текущее время: Пт мар 13, 2026 02:18:33

Часовой пояс: UTC + 3 часа


ПРЯМО СЕЙЧАС:



Начать новую тему Ответить на тему  [ Сообщений: 1167 ]     ... , , , 40, , , ...  
Автор Сообщение
 Заголовок сообщения: Re: Замена МРРТ-контроллера для солнечных батарей
СообщениеДобавлено: Сб окт 10, 2015 00:06:39 
Это не хвост, это антенна
Аватар пользователя

Зарегистрирован: Ср июн 09, 2010 16:44:54
Сообщений: 1335
Откуда: Пермь
Рейтинг сообщения: 0
Omino писал(а):
20 скачиваний и никто не обматерил и не похвалил... :(
Честно говоря не понимаю, зачем вы убрали два внешних ОУ ошибки, один по напряжению, второй по току,
заменив их на использование встроенных, причем с сомнительным включением.
Тут задумка автора была, в том, что Устройство само включается с определенного напряжения на СБ,
ограничивая напряжение и ток заряда на АКБ, на двух внешних ОУ ошибки.

А что получилось у вас ?
1. Ну допустим, по Вашей схеме, второй встроенный ОУ ошибки у вас должен ограничивать напряжение АКБ +14.4В,
а в реалии ref второго OУ +5В, а делитель на ОС на 2.5В,
т.е. либо вы на схеме не указали, что ограничиваете на 28 Вольтах, либо ошиблись в делителе.
(чтобы напряжение на АКБ ограничивалось на 14.4В Вам нужно R13 заменить на 8.2 КОм, а R11 выставить на 600 Ом)

2. На первом встроенном ОУ ошибки, видимо имеется ввиду, чем больше напряжение на СБ,
тем больше разрешаете зарядный ток, но опять не понятно с КУ на ОУ измерения тока и опорного делителя на СБ,
я так понимаю внешний ОУ по измерению тока, на R18, умножается на 1.666[6],
Ну давайте попробуем прикинуть, если на СБ напряжение 9.2 Вольта, ref будет = 2.5 Вольта,
то ток заряда будет ограничиваться на 60А ??? (2.5В /1.66=1.5В и 1.5В/0,025Ом = 60А )
(эту часть схемы нужно пересмотреть в принципе, т.к. не видно прямой зависимости напряжения СБ и зарядного тока на АКБ)
Давайте попробуем привести это в порядок, например на ток заряда ограничим 10А, при напряжении на СБ 20В,
для этого КУ на ОУ измерения тока на АКБ, нужно выставить на умножение х20 (10А*0.025Ом = 0.25В и 5V/0.25V = 20)
а R1 заменить на 4.7КОм, выставив на 3КОм (при 20V на СБ, ref = 5V)

3. Вы убрали включение устройства при определенном напряжении на СБ,
теперь не понятно, когда у вас включится преобразователь и даст заряд АКБ.
т.е. оно включено всегда, но не понятно когда оно реально заработает.

Т.е. по сути, в таком виде, как у Вас по схеме, ШИМ-контроллер не будет не чем ограничен и стремится всегда к максимальной скважности,
пока что-нибудь не бахнет первым ...
Omino писал(а):
Все познается в сравнении, сравните две схемы и увидите разницу...
А мы это обязаны делать ? Какой в этом интерес ?
Тем более Вы для этого не чего не сделали.
(На блюдечке Вам не кто не обязан всё преподносить)
Omino писал(а):
Она в некотором различии схем управления.
Вот эту разницу и нужно показывать, что бы открыть файл и было понятно.
Я например раза три скачивал вашу схему и не мог понять где разница, пока не открыл схему автора и вашу,
но так делать мало кто будет, делайте схему так, чтоб сразу было всё видно.
(у автора три варианта схемы, вы исправили один, причем другие два варианта не убрали,
Вы хотя бы на одном листе оставили бы авторский вариант, а на втором свой)
Omino писал(а):
Я так понимаю, что придется собрать обе и сравнить эффективность каждой.
Вот тут вы как раз и поймёте разницу в сравнении ...
Omino писал(а):
нарыл на просторах интернета схемку похожую, на предложенную Автором топика, но для ветра. Возможно кто-то возьмется поглядеть на нее с точки зрения спеца, может из нее удастся внести полезные изменения в обсуждаемую схему ???
Не прилично, что-то предлагать, не дав посмотреть ...
(не ссылки на схему, не схемы не дали - нам что догадаться нужно или мысли читать, что вы там нарыли на просторах?)

Если Вы уж хотите получать какие-то ответы, на ваши вопросы, потрудитесь хотя бы для этого предоставить, то о чём спрашиваете.

_________________
Фото постройки прототипов


Вернуться наверх
 
 Заголовок сообщения: Re: Замена МРРТ-контроллера для солнечных батарей
СообщениеДобавлено: Сб окт 10, 2015 05:13:40 
Друг Кота
Аватар пользователя

Карма: 175
Рейтинг сообщений: 7680
Зарегистрирован: Чт апр 04, 2013 12:46:59
Сообщений: 17234
Откуда: Тюмень
Рейтинг сообщения: 0
Omino писал(а):
сравните две схемы и увидите разницу...
Вот поэтому никто и не обратил внимания...

_________________
Общением на форуме подпитываю свою эгоистичную, склонную к самолюбованию сущность.


Вернуться наверх
 
 Заголовок сообщения: Re: Замена МРРТ-контроллера для солнечных батарей
СообщениеДобавлено: Сб окт 10, 2015 16:55:49 
Открыл глаза

Зарегистрирован: Вс окт 24, 2010 13:27:18
Сообщений: 70
Откуда: Polska, Rybie k Warszawy
Рейтинг сообщения: 0
Спасибо за обстоятельный комментарий и замечания. По всему получается, что схема, найденная мной, не совсем рабочаяя (возможно автор намеренно не дал правильную схему), потому не считаю нужным выкладывать ее. Кто захочет посмотреть и оценить, вышлю на почту или в личку.
Внес исправления в свой файл, выкладываю новый вариант.


Вложения:
ControllerSB3.rar [8.85 KiB]
Скачиваний: 331
Вернуться наверх
 
 Заголовок сообщения: Re: Замена МРРТ-контроллера для солнечных батарей
СообщениеДобавлено: Сб окт 10, 2015 17:18:53 
Это не хвост, это антенна
Аватар пользователя

Зарегистрирован: Ср июн 09, 2010 16:44:54
Сообщений: 1335
Откуда: Пермь
Рейтинг сообщения: 0
Ну вижу, что множитель поменяли на х32.333[3], а опорный уровень второго ОУ ошибки сделали на 2.5В,
но не понимаю что делают R35-R37,
я так понимаю это регулировка опорного уровня на втором ОУ ошибки,
но ведь это можно было сделать и на R34-R35 ...
Или тут подразумевается что будет ЦАП ?

Ну да ладно, это мелочи, только суть недостатков вашей схемы так и остались ...
1. Прямая зависимость ограничения зарядного тока АКБ от напряжения СБ, что не укладывается в моей голове, поясните это если можно.
Вот смотрите, допустим, напряжение на СБ 10 Вольт, какой будет ток ограничения?
(2.66В/32.33 = 0.08В, 0.08В/0.025Ом = 3.3А)
А если на СБ будет 20 Вольт ? (5.33В/32.33 = 0.08В, 0.08В/0.025Ом = 6.6А)
Возможно для вашей СБ и АКБ это нормально, но мне кажется это как-то не правильно,
т.к. СБ не сможет заряжать АКБ пока не достигнет хотя бы напряжения АКБ, соответственно ток пойдёт не на АКБ, а с него на ключи.
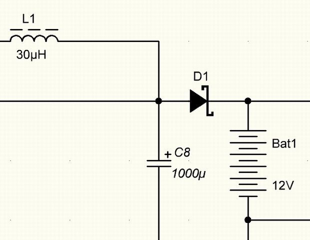
2. если напряжение СБ ниже напряжения АКБ устройство будет пытаться работать с максимальной скважностью.
дело в том, что если напряжение преобразователя ниже напряжения АКБ и преобразователь не остановлен,
то высока вероятность пробоя ключевых транзисторов, т.к. ток, через них пойдёт от АКБ в сторону СБ и земли.
В Вашем варианте просится диод, между преобразователем и АКБ, что бы не допустить обратного тока,
но тогда теряете контроль при ограничении напряжения, обусловленный падением на диоде, в зависимости от тока, через него.
Т.е. при больших токах напряжение ограничения станет ниже 14.4, а при малом токе будет близко к этому значению.

Изображение

Честно говоря не понимаю, зачем вы это делаете, если есть готовая рабочая схема автора, которая продумана и работает правильно ?
Какова Ваша мысль по Вашей "переделке", что преследуете ?


Вложения:
diod.jpg [43.92 KiB]
Скачиваний: 2988

_________________
Фото постройки прототипов
Вернуться наверх
 
Эиком - электронные компоненты и радиодетали
 Заголовок сообщения: Re: Замена МРРТ-контроллера для солнечных батарей
СообщениеДобавлено: Сб окт 10, 2015 21:21:40 
Открыл глаза

Зарегистрирован: Вс окт 24, 2010 13:27:18
Сообщений: 70
Откуда: Polska, Rybie k Warszawy
Рейтинг сообщения: 0
Поясняю - для каждой СБ есть зависимость напряжения от тока при некотором данном освещении, или, если хотите, зависимость тока от напряжения.
Судя по вашим пояснениям, можно подбрать делители так, чтоб максимально приблизится к ВАХ используемой батареи. Да, вы скажете, что ВАХ то не линейная... Но мне кажется, что такое решение все же будет получше, чем отслеживание одной единственной точки максимума...
И второе, вы правы, когда напоминаете о критических режимах работы пребразователя, вполне возможно, что нужно добавить компаратор (ОУ), включающий питание пребразователя (или разрешающий его работу) только когда СБ может отдавать ток зарядки.
В источнике это сделано так как вы предлагаете - диод на выходе плюс источник питания для TL494 начинает работать при 14,5В
Назначение двух подстроечников в схеме ограничения выходного напряжения мне тоже не очень понятно, но я думаю, что какой-то смысл в этом есть


Вернуться наверх
 
 Заголовок сообщения: Re: Замена МРРТ-контроллера для солнечных батарей
СообщениеДобавлено: Вс окт 11, 2015 08:39:38 
Это не хвост, это антенна
Аватар пользователя

Зарегистрирован: Ср июн 09, 2010 16:44:54
Сообщений: 1335
Откуда: Пермь
Рейтинг сообщения: 0
Единственный смысл который я вижу в вашем варианте - это экономия на одном ОУ,

1. я предлагаю Вам вернуть работу первого встроенного ОУ ошибки, как у автора,
т.е. включения преобразователя с заданного напряжения на СБ.
2. ограничение напряжения на АКБ можно оставить на втором встроенном ОУ ошибки, как по Вашей схеме,
вместо одного внешнего ОУ ошибки, ограничения напряжения, автора. (суть не меняется - шило на мыло)
3. вернуть правильную работу внешнего ОУ ошибки, регулируемого ограничения тока АКБ, как у автора.

Т.е. по сути вернуться к схеме автора, т.к. является более продуманным и ИМХО верным вариантом, для данных целей.

Попробую аргументировать, у автора, ИМХО, очень правильная мысль о начале работы преобразователя,
т.к. нет смысла включать преобразователь если напряжение СБ не позволяет делать заряд АКБ.
напряжение СБ должно быть как минимум на 10% выше напряжения АКБ, чтоб появился хоть какой-то зарядный ток.
Напряжение ограничения на АКБ, тут согласен, можно использовать второй ОУ ошибки ШИМ-контроллера,
но особого смысла нет, т.к. количество ОУ чётное, т.е. использование одного или двух корпусов ИМС внешних ОУ,
ну и внешний ОУ ошибки измерения зарядного тока АКБ с широким диапазоном регулировки, более правильный у автора, чем у вас.
остальные части устройства, включения АКБ и отключения нагрузки от АКБ, при низком его напряжении, я так понял вами не оспаривается.

_________________
Фото постройки прототипов


Вернуться наверх
 
 Заголовок сообщения: Re: Замена МРРТ-контроллера для солнечных батарей
СообщениеДобавлено: Вс окт 11, 2015 09:45:16 
Открыл глаза

Зарегистрирован: Вс окт 24, 2010 13:27:18
Сообщений: 70
Откуда: Polska, Rybie k Warszawy
Рейтинг сообщения: 0
Хорошо, объясните мне, зачем нужно ограничение тока зарядки ? Батарея не может выдать огромный ток, а аккумулятор подбирается так, чтоб можно было накопить побольше енергии за световой день. К примеру у меня батарея 50 Вт, с помощью контроллера можно надеяться получить ток зарядки до 3 А ( 50 вт она выдаст на экваторе, но и то не факт). Соответственно аккумулятор выбран на 25 А/ч, его можна зарядить за день полностью или почти полностью. Мелкй аккум, типа как в УПС, может зарядится от моей батареи очень быстро, что не добавит ему здоровья, а в остальное время драгоценная энергия пойдет впустую. Если использовать 120 или 250 вт батарею, то и преобразователь должен быть изготовлен на соотв ток
В купленном на е-бай контроллере солнечная батарея коммутируется полевиками на аккумулятор, никакого ограничения....


Вернуться наверх
 
 Заголовок сообщения: Re: Замена МРРТ-контроллера для солнечных батарей
СообщениеДобавлено: Вс окт 11, 2015 10:17:48 
Это не хвост, это антенна
Аватар пользователя

Зарегистрирован: Ср июн 09, 2010 16:44:54
Сообщений: 1335
Откуда: Пермь
Рейтинг сообщения: 0
Ну на самом деле, я бы сам лично, сделал бы упор именно на токе, если точнее на его стабилизации,
а вот напряжение АКБ пустил в "свободное плавание", что касается АКБ, то яб поставил обычный автомобильный,
ампер/часов так на 60-75, не зависимо от мощности СБ, т.к. подобрал бы ток заряда АКБ в соответствии с ней, пусть даже это будет 1А.
Ну и включение преобразователя настроил бы с 14 Вольт, т.к. напряжение автомобильного АКБ, разряженного 11.7, заряженного 12.8 Вольта (при НРЦ и t +20...+25C)
А если ещё точнее, я бы сделал как по ссылке у меня в подписи :tea:
т.е. - заряд стаб. током до 14.6 вольта, далее стабилизация напряжения на уровне 14.6, пока ток не упадёт скажем до 1/30 ёмкости,
далее стабилизация этого тока пока напряжение не перестанет расти более 2 часов, затем отключение и ожидания напряжения АКБ 13.6 Вольта,
далее режим хранения при стаб. напряжении 13.6 Вольта ... т.е. так называемый алгоритм IUIoU

_________________
Фото постройки прототипов


Последний раз редактировалось RomanT Вс окт 11, 2015 10:27:50, всего редактировалось 3 раз(а).

Вернуться наверх
 
 Заголовок сообщения: Re: Замена МРРТ-контроллера для солнечных батарей
СообщениеДобавлено: Вс окт 11, 2015 10:23:06 
Модератор
Аватар пользователя

Карма: 159
Рейтинг сообщений: 4081
Зарегистрирован: Пт янв 23, 2009 19:20:05
Сообщений: 45780
Рейтинг сообщения: 0
Медали: 1
Получил миской по аватаре (1)
Чем городить огород с МРРТ, дабы "выжать" 5% из СБ, ввели бы лучше в классический контроллер режим "качелей", это позволит продлить срок службы AGM-батарей (весьма заметно, кстати!) и немного увеличит их ёмкость... :dont_know:
Что касается получения максимального количества электроэнергии от СБ, тут поворотное устройство даст гораздо больший эффект, чем извраты с МРРТ... :)) Единственная ситуация, когда такой интеллектуальный контроллер действительно необходим - использование современных высоковольтных СБ на аморфном кремнии...


Вернуться наверх
 
 Заголовок сообщения: Re: Замена МРРТ-контроллера для солнечных батарей
СообщениеДобавлено: Вс окт 11, 2015 10:41:20 
Модератор
Аватар пользователя

Карма: 153
Рейтинг сообщений: 2942
Зарегистрирован: Сб авг 14, 2010 15:05:51
Сообщений: 19002
Откуда: г. Озерск, Челябинская обл.
Рейтинг сообщения: 0
Медали: 1
Лучший человек Форума 2017 (1)
Omino писал(а):
Мелкй аккум, типа как в УПС, может зарядится от моей батареи очень быстро, что не добавит ему здоровья

именно для этого и сделана регулировка тока, чтобы не повредить здоровью аккума.
Omino писал(а):
Батарея не может выдать огромный ток, а аккумулятор подбирается

тут я с тобой согласен, при одном конкретно подобранном аккуме можно регулировку тока не делать.
RomanT писал(а):
2. ограничение напряжения на АКБ можно оставить на втором встроенном ОУ ошибки, как по Вашей схеме,
вместо одного внешнего ОУ ошибки, ограничения напряжения

прорабатывал я применение второго встроенном усилителя ошибки, хоть для напряжения, хоть для тока. но это приводит к неоправданному усложнению монтажа, по сравнению с ценой лм358.
так что, отказ от второго УО был сознательным и обоснованным.
RomanT писал(а):
остальные части устройства, включения АКБ и отключения нагрузки от АКБ, при низком его напряжении, я так понял вами не оспаривается.

я предложил "универсальную"схему с функционалом, на который у меня хватило воображения.
я не принуждаю к точному повторению схемы. каждый волен отказаться от одной или нескольких функций, смотря по своим потребностям и желаниям.
о отказываться от " разрядной" функции я бы не советовал - это защищает аккум от глубокого разряда.
но если убрать регулировку тока, то схема заметно упрощается, и логично повыделываться над монтажом для регулировки напряжения вторым внутренним УО, чтобы убрать полностью один корпус лм358.
RomanT писал(а):
В Вашем варианте просится диод, между преобразователем и АКБ, что бы не допустить обратного тока,
но тогда теряете контроль при ограничении напряжения, обусловленный падением на диоде, в зависимости от тока, через него.

чтобы не ставить этот диод,на котором будет выделяться немало тепла, у меня используется схема с ОУ и полевиком.
но контроль напряжения с таким диодом никуда не теряется, так как контроль заводится прямо на аккум, после диода.
я сначала тоже собирался ставить такой диод, но Телекот предложил хорошее решения с малыми потерями на полевике, по сравнению с потерями на диоде.

_________________
Мудрость приходит вместе с импотенцией...
Когда на русском форуме переходят на Вы, в реальной жизни начинают бить морду.


Вернуться наверх
 
 Заголовок сообщения: Re: Замена МРРТ-контроллера для солнечных батарей
СообщениеДобавлено: Вс окт 11, 2015 14:22:13 
Открыл глаза

Зарегистрирован: Вс окт 24, 2010 13:27:18
Сообщений: 70
Откуда: Polska, Rybie k Warszawy
Рейтинг сообщения: 0
RomanT писал(а):
Ну на самом деле, я бы сам лично, сделал бы упор именно на токе, если точнее на его стабилизации,

Вы правильно предлагаете, но солнечная батарея - не тот источник, который позволит такое реализовать


Последний раз редактировалось Omino Вс окт 11, 2015 14:37:46, всего редактировалось 1 раз.

Вернуться наверх
 
 Заголовок сообщения: Re: Замена МРРТ-контроллера для солнечных батарей
СообщениеДобавлено: Вс окт 11, 2015 14:37:00 
Открыл глаза

Зарегистрирован: Вс окт 24, 2010 13:27:18
Сообщений: 70
Откуда: Polska, Rybie k Warszawy
Рейтинг сообщения: 0
Starichok51 писал(а):
Omino писал(а):
Мелкй аккум, типа как в УПС, может зарядится от моей батареи очень быстро, что не добавит ему здоровья

именно для этого и сделана регулировка тока, чтобы не повредить здоровью аккума.

Обычно одна батарея заряжает один аккумулятор, возможно несколько по очереди. В таком случае не очень разумно использовать разные аккумы - придется крутить для каждого регулировку ?
Starichok51 писал(а):
я предложил "универсальную"схему с функционалом, на который у меня хватило воображения.
я не принуждаю к точному повторению схемы. каждый волен отказаться от одной или нескольких функций, смотря по своим потребностям и желаниям.

Форум для того и существует, чтобы заинтересованные участники указали на ошибки и внесли предложения по функционалу.
Starichok51 писал(а):
Но если убрать регулировку тока, то схема заметно упрощается, и логично повыделываться над монтажом для регулировки напряжения вторым внутренним УО, чтобы убрать полностью один корпус лм358.

Тогда добавьте вариант схемы без ограничения тока выхода, эта функция далеко не всем будет нужна.


Вернуться наверх
 
 Заголовок сообщения: Re: Замена МРРТ-контроллера для солнечных батарей
СообщениеДобавлено: Вс окт 11, 2015 14:46:20 
Открыл глаза

Зарегистрирован: Вс окт 24, 2010 13:27:18
Сообщений: 70
Откуда: Polska, Rybie k Warszawy
Рейтинг сообщения: 0
As писал(а):
Что касается получения максимального количества электроэнергии от СБ, тут поворотное устройство даст гораздо больший эффект, чем извраты с МРРТ... :))

Тут вы правы, но здесь форум электронщиков, которые умеют схемку разработать/собрать готовую, кое-кто умеет програмку для контроллера создать/написать. А вот сделать поворотное устройство - это куча механики, нужно трубы резать/сваривать. Это далеко не профиль форума. Я вот готов такое сделать, но рабочими схемами никто делится не бежит, а наваять программу сам не смогу...


Вернуться наверх
 
 Заголовок сообщения: Re: Замена МРРТ-контроллера для солнечных батарей
СообщениеДобавлено: Вс окт 11, 2015 14:54:52 
Друг Кота
Аватар пользователя

Карма: 146
Рейтинг сообщений: 6067
Зарегистрирован: Чт июн 04, 2009 21:06:49
Сообщений: 36290
Откуда: г.Мариинск
Рейтинг сообщения: 0
Медали: 1
Лучший человек Форума 2017 (1)
Omino писал(а):
А вот сделать поворотное устройство - это куча механики, нужно трубы резать/сваривать. Это далеко не профиль форума.
Дело не в профиле форума, любой человек у которого руки растут из правильного места сможет сделать и механику. Здесь дело в свободном пространстве. Многие стену дома занимают нелегально, а делать поворотное устройство это надо участок земли покупать. сейчас на крыше здания даже телеантены запрещают ставить. А вы батарею хотите, подрываете экономику России, наша страна и так последний член без соли доедает.

_________________
Тем кого не устаревает наличия ошибок в моем тексте, оставляю права не пользоваться моими советами или просто не читать мои сообщения.


Вернуться наверх
 
 Заголовок сообщения: Re: Замена МРРТ-контроллера для солнечных батарей
СообщениеДобавлено: Вс окт 11, 2015 16:19:00 
Открыл глаза

Зарегистрирован: Вс окт 24, 2010 13:27:18
Сообщений: 70
Откуда: Polska, Rybie k Warszawy
Рейтинг сообщения: 0
Я к России никакого отношения не имею, о чем често указано в профиле. И о политике поставщиков електроенергии как России, так и Украины знаком - давно интересуюсь темой. Стоимость подключения к енергосети в некторых случаях многократно превышает стоимость обрудования для автономного електроснабжения. У нас по телеку показывали - человек купил у военных оборудование для заправки газовых баллонов, держит несолько коров, отходы их жизнедеятельности складывает и сливает в газгенератор, содержимое подогревает ветряком, полученный газ закачивает в баллоны. Для приготовления пищи круглый год ему хватает. Вот это я понимаю, подрыв монополиста...


Вернуться наверх
 
 Заголовок сообщения: Re: Замена МРРТ-контроллера для солнечных батарей
СообщениеДобавлено: Вс окт 11, 2015 16:57:25 
Это не хвост, это антенна
Аватар пользователя

Зарегистрирован: Ср июн 09, 2010 16:44:54
Сообщений: 1335
Откуда: Пермь
Рейтинг сообщения: 0
чё-то Вы совсем не туда разговор повернули ...

Цитата:
Тогда добавьте вариант схемы без ограничения тока выхода
Что там добавлять то ?
убрать блок схемы на внешнем ОУ ошибки измеряющий напряжение на R18

Изображение

Цитата:
Я вот готов такое сделать, но рабочими схемами никто делится не бежит, а наваять программу сам не смогу...
Я полагаю Вы просто для этого не чего не делаете ...
А само оно в руки не прыгнет ...
Что касается программки - пишите тех. задание (описание всё что должен делать МК и по какому алгоритму)
Цитата:
А вот сделать поворотное устройство - это куча механики, нужно трубы резать/сваривать
Припоминаю поворотное устройство Valket по-моему (Вальдемарс Кетнерс), из журнала Радио 90-х годов - там крутили спутниковую антенну в двух координатах,
там было по принципу сравнения напряжения на двух переменников на антенне,
с напряжением двух подстроечников в блоке управления,
в соответствии с их не равенством включались два эл.мотора,
позиционирующих чтобы эти напряжения уровнялись.
от туда можно кое-что подчерпнуть и применить на современный лад с использованием МК, ЦАП и АЦП ...


Вложения:
notok.jpg [41.6 KiB]
Скачиваний: 3149

_________________
Фото постройки прототипов


Последний раз редактировалось RomanT Вс окт 11, 2015 19:40:38, всего редактировалось 1 раз.
Вернуться наверх
 
 Заголовок сообщения: Re: Замена МРРТ-контроллера для солнечных батарей
СообщениеДобавлено: Вс окт 11, 2015 19:36:41 
Модератор
Аватар пользователя

Карма: 153
Рейтинг сообщений: 2942
Зарегистрирован: Сб авг 14, 2010 15:05:51
Сообщений: 19002
Откуда: г. Озерск, Челябинская обл.
Рейтинг сообщения: 0
Медали: 1
Лучший человек Форума 2017 (1)
RomanT писал(а):
убрать блок схемы на внешнем ОУ ошибки измеряющий напряжение на R18

тогда и развязывающий диод VD3 убери - теперь он вообще не нужен.
Omino писал(а):
Форум для того и существует, чтобы заинтересованные участники указали на ошибки

ты у меня нашел ошибки?
Omino писал(а):
Тогда добавьте вариант схемы без ограничения тока выхода, эта функция далеко не всем будет нужна

а оно мне надо?
что мне было надо, то я сделал.
у всех есть своя голова на плечах и они сделают так, как им надо.
правда, не все умеют ей (своей головой) пользоваться, к сожалению...

_________________
Мудрость приходит вместе с импотенцией...
Когда на русском форуме переходят на Вы, в реальной жизни начинают бить морду.


Вернуться наверх
 
 Заголовок сообщения: Re: Замена МРРТ-контроллера для солнечных батарей
СообщениеДобавлено: Вс окт 18, 2015 12:17:06 
Это не хвост, это антенна
Аватар пользователя

Зарегистрирован: Ср июн 09, 2010 16:44:54
Сообщений: 1335
Откуда: Пермь
Рейтинг сообщения: 0
В связи, по появившейся тенденцией, немного поправил своё ЗУ-приставку, для работы с СБ.
получив МРРТ-контроллер для СБ или ветровика.

Что подразумевается:
1. Чётко заданные алгоритмы заряда/разряда и хранения АКБ, например IUoU и IUIoU
(повседневная эксплуатация и обслуживание АКБ, например раз в 3 месяца)
2. Стабилизация тока или напряжения, с точностью установки 0.01В и 0.1А.
3. Вкл/выкл устройства по дате/времени RTC, совсем, с нулевым током утечки (выкл. на тёмное время суток).
4. отключение преобразователя при низком входном напряжении
5. Возможность подключения исполнительного устройства позиционирования СБ, поворотного устройства.
6. Позиционирование СБ по макс. значению напряжения на СБ, при заданном стаб. токе, широты и горизонта,
в заданные промежутки времени, например раз в 4 минуты (предполагается поправка на 1 градус = 360 градусов за 24 часа).
7. Входное напряжение до 60 Вольт (СБ), выходное до 40 Вольт (24В АКБ), током до 5А или 10А или 20А или 50А (датчик тока).

Если будет обсуждаемо и поддержано, создадим новую тему и я напишу ПО для этого.

_________________
Фото постройки прототипов


Вернуться наверх
 
 Заголовок сообщения: Re: Замена МРРТ-контроллера для солнечных батарей
СообщениеДобавлено: Вс окт 18, 2015 13:53:56 
Опытный кот

Карма: 9
Рейтинг сообщений: 340
Зарегистрирован: Ср май 06, 2015 06:41:27
Сообщений: 806
Откуда: Благовещенск
Рейтинг сообщения: 0
А почему, у вашего MPPT-контроллера нет функции MPPT в списке фич?


Вернуться наверх
 
 Заголовок сообщения: Re: Замена МРРТ-контроллера для солнечных батарей
СообщениеДобавлено: Вс окт 18, 2015 14:07:25 
Это не хвост, это антенна
Аватар пользователя

Зарегистрирован: Ср июн 09, 2010 16:44:54
Сообщений: 1335
Откуда: Пермь
Рейтинг сообщения: 0
:))) я так понимаю подколоть хотели, на самом значении МРРТ :tea:
Это и есть совокупность этих фич, т.е. МК отслеживает и напряжение на СБ и на АКБ и ток АКБ и этап алгоритма заряда АКБ,
в соответствии с этим, выбирает что стабилизировать, ток или напряжение на АКБ, их значения,
позиционирование поворотом СБ на макс. Uсб., в заданные промежутки времени,
при не возможности, отключает преобразователь, если Uсб ниже порога,
или отключение всего устройства при наступлении тёмного времени суток.
что и будет Maximum power point tracker (Отслеживание Максимальной Точки Мощности)

_________________
Фото постройки прототипов


Вернуться наверх
 
Показать сообщения за:  Сортировать по:  Вернуться наверх
Начать новую тему Ответить на тему  [ Сообщений: 1167 ]     ... , , , 40, , , ...  

Часовой пояс: UTC + 3 часа


Вы не можете начинать темы
Вы не можете отвечать на сообщения
Вы не можете редактировать свои сообщения
Вы не можете удалять свои сообщения
Вы не можете добавлять вложения

Найти:
Перейти:  


Powered by phpBB © 2000, 2002, 2005, 2007 phpBB Group
Русская поддержка phpBB
Extended by Karma MOD © 2007—2012 m157y
Extended by Topic Tags MOD © 2012 m157y