Например TDA7294

Форум РадиоКот • Просмотр темы - Электронный баян
Форум РадиоКот
Здесь можно немножко помяукать :)

Текущее время: Ср апр 15, 2026 00:52:13

Часовой пояс: UTC + 3 часа


ПРЯМО СЕЙЧАС:



Начать новую тему Ответить на тему  [ Сообщений: 476 ]     ... , , , , 24
Автор Сообщение
 Заголовок сообщения: Re: Электронный баян
СообщениеДобавлено: Пн мар 07, 2016 12:13:16 
Потрогал лапой паяльник
Аватар пользователя

Карма: 24
Рейтинг сообщений: 384
Зарегистрирован: Ср янв 27, 2016 10:19:41
Сообщений: 382
Рейтинг сообщения: 0
Ну и если опиратся на приведённую мной ссылку тов.Элм Чана на одной Меге8 можно предположительно сделать до 8 каналов полифонии.Тогда лутше всего выделить отдельный менеджер (Мега16) который будет опрашивать клавиатуру например 12х12 (до 72 активных клавиш ,педаль сустэйн плюс несколько служебных кнопок) и распределять задания для 2-3 синтезаторов (Меги8) для получения 16-24 голосой полифонии .Жаль я неумею работать с СТМ32 там бы и один камень со всем этим справился. Эй СТМо-воды отзовитесь!Есть тут такие?

_________________
Не стесняйтесь благодарить тех кто вам помогает.


Вернуться наверх
 
 Заголовок сообщения: Re: Электронный баян
СообщениеДобавлено: Пн мар 07, 2016 19:56:02 
Поставщик валерьянки для Кота
Аватар пользователя

Карма: 10
Рейтинг сообщений: 163
Зарегистрирован: Вс янв 09, 2011 16:51:39
Сообщений: 2349
Откуда: Санкт-Ленинград
Рейтинг сообщения: 4
Gaff писал(а):
Ну и пурга же тут понеслась!
Она понеслась несколько раньше, когда стало понятно, что кое-кто от присутствующих не отличает ФМ-синтез от ВэйвТэйбла. :)
То, что товарищ описАл выше, есть простейший ФМ-синтез с двумя осцилляторами, и он имеет право быть.
Только результат будет полное гуано.
Так настойчиво рекомендуемый способ Чана тоже не лишён недостатков.
Прежде всего тем, что не годиться один сэмпл использовать на весь диапазон музыкального ряда (поэтому он там ограничен несколькими октавами).
Или, например, Релиз там заменён Сустейном, помноженным на огибающую.

Gaff писал(а):
ШИМ уже являеться частью уся класса D
Енто об чём?

_________________
ICQ нет, и, в ближайшее время, не будет.


Вернуться наверх
 
 Заголовок сообщения: Re: Электронный баян
СообщениеДобавлено: Пн мар 07, 2016 20:59:10 
Потрогал лапой паяльник
Аватар пользователя

Карма: 24
Рейтинг сообщений: 384
Зарегистрирован: Ср янв 27, 2016 10:19:41
Сообщений: 382
Рейтинг сообщения: 0
Dmitry Dubrovenko писал(а):
Она понеслась несколько раньше, когда стало понятно, что кое-кто от присутствующих не отличает ФМ-синтез от ВэйвТэйбла. :)
:))) Существует два способа повысить свой ранг- полить грязью оппонента или предложить более удачный вариант.
Dmitry Dubrovenko писал(а):
Так настойчиво рекомендуемый способ Чана тоже не лишён недостатков.
Прежде всего тем, что не годиться один сэмпл использовать на весь диапазон музыкального ряда (поэтому он там ограничен несколькими октавами).
Или, например, Релиз там заменён Сустейном, помноженным на огибающую.
Но всёже лучше чем Ямаха за 4тыр.Да и кто мешает записать по своей таблице в каждый МК или на каждую октаву?Вопсчем написано абы придратся.
Dmitry Dubrovenko писал(а):
Gaff писал(а):
ШИМ уже являеться частью уся класса D
Енто об чём?
Уже писалось выше.ШИМ достаточно подать на мощную комплементарную пару МОСФЕТов с LC фильтром и получим качественный звук.

_________________
Не стесняйтесь благодарить тех кто вам помогает.


Вернуться наверх
 
 Заголовок сообщения: Re: Электронный баян
СообщениеДобавлено: Пн мар 07, 2016 21:17:18 
Друг Кота
Аватар пользователя

Карма: 43
Рейтинг сообщений: 167
Зарегистрирован: Вс янв 25, 2009 21:16:04
Сообщений: 35639
Откуда: Москва
Рейтинг сообщения: 0
Gaff писал(а):
Бригадир после ЦАПа надо качесвенный усилитель городить.А ШИМ уже являеться частью уся класса D. Хотя кому как больше нравиться.

Сильно качественный? :))) Ладно не будем опускаться до флуда. Ты хоть что там насочинил? Или просто болтаем?

_________________
А поболтать?


Вернуться наверх
 
Эиком - электронные компоненты и радиодетали
 Заголовок сообщения: Re: Электронный баян
СообщениеДобавлено: Пн мар 07, 2016 22:03:34 
Потрогал лапой паяльник
Аватар пользователя

Карма: 24
Рейтинг сообщений: 384
Зарегистрирован: Ср янв 27, 2016 10:19:41
Сообщений: 382
Рейтинг сообщения: 0
Всё что насочинил описал в нескольких постах выше.Типа электропианино с активной клавиатурой несколькими тембрами и педалью сустэйна.Какраз то что хочет получить Михон но нехочет сам над этим думать.Если это больше никому кроме меня и его неинтирестно-извените.Отписываюсь от темы. :dont_know:

_________________
Не стесняйтесь благодарить тех кто вам помогает.


Вернуться наверх
 
 Заголовок сообщения: Re: Электронный баян
СообщениеДобавлено: Вт мар 08, 2016 00:16:40 
Говорящий с текстолитом
Аватар пользователя

Карма: 10
Рейтинг сообщений: 16
Зарегистрирован: Сб фев 18, 2012 15:42:29
Сообщений: 1644
Откуда: Курск
Рейтинг сообщения: 0
Я все еще изучаю как правильно опросить матричную клавиатуру :) короче засел пока. Самое сложное похоже это составить правильный алгоритм. И все же нужно учесть. И задержки от дребезга. И тд. И тп. Наверно надолго))


Вернуться наверх
 
 Заголовок сообщения: Re: Электронный баян
СообщениеДобавлено: Вт мар 08, 2016 08:29:30 
Друг Кота
Аватар пользователя

Карма: 43
Рейтинг сообщений: 167
Зарегистрирован: Вс янв 25, 2009 21:16:04
Сообщений: 35639
Откуда: Москва
Рейтинг сообщения: 0
mixon46 - изучай, знание = СИЛА! Опрос клавы (матричный) = давно известный способ и заключается он с разнесением во времени меток, которые мультиплексором преобразуются в некий код номера нажатой клавиши.

_________________
А поболтать?


Вернуться наверх
 
 Заголовок сообщения: Re: Электронный баян
СообщениеДобавлено: Вт мар 08, 2016 13:03:17 
Потрогал лапой паяльник
Аватар пользователя

Карма: 24
Рейтинг сообщений: 384
Зарегистрирован: Ср янв 27, 2016 10:19:41
Сообщений: 382
Рейтинг сообщения: 0
mixon46 писал(а):
Я все еще изучаю как правильно опросить матричную клавиатуру :) короче засел пока. Самое сложное похоже это составить правильный алгоритм. И все же нужно учесть. И задержки от дребезга. И тд. И тп. Наверно надолго))
Алгоритм я уже описывал выше.Дребез вданном случае ниначто невлияет.

_________________
Не стесняйтесь благодарить тех кто вам помогает.


Вернуться наверх
 
 Заголовок сообщения: Re: Электронный баян
СообщениеДобавлено: Вт мар 08, 2016 14:05:31 
Говорящий с текстолитом
Аватар пользователя

Карма: 10
Рейтинг сообщений: 16
Зарегистрирован: Сб фев 18, 2012 15:42:29
Сообщений: 1644
Откуда: Курск
Рейтинг сообщения: 0
Алгоритм ваш видел. Но можно было бы и подробнее расписать под каждое действие. Какие там использовать операторы и лог операции


Вернуться наверх
 
 Заголовок сообщения: Re: Электронный баян
СообщениеДобавлено: Вт мар 08, 2016 14:29:42 
Потрогал лапой паяльник
Аватар пользователя

Карма: 24
Рейтинг сообщений: 384
Зарегистрирован: Ср янв 27, 2016 10:19:41
Сообщений: 382
Рейтинг сообщения: 0
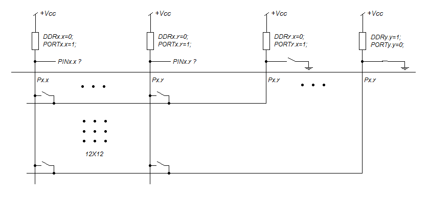
Я же код выкладовал?Максимум чем теперь могу помочь это картинкой как пояснение к алгоритму.
СпойлерИзображение
Вложение:
Klava.png [10.87 KiB]
Скачиваний: 441
Выделяем 12+12 линий МК. Первые 12 (стоблцы) настраиваем как DDRx.x=0; PORTx.x=1; это включит подтяжки к лог1. С этих портов будем опрашивать состяние PINx.x. Вторые 12 портов настраиваються так же.Только поочерёдно по одному порту настраиваються как DDRx.x=1; PORTx.x=0; Таким образом по строкам пробегает лог.0. Если не одна кнопка ненажата то будут все единицы.Нули будут соответствовать нажатым кнопкам.Всё придельно просто!

_________________
Не стесняйтесь благодарить тех кто вам помогает.


Вернуться наверх
 
 Заголовок сообщения: Re: Электронный баян
СообщениеДобавлено: Вт мар 08, 2016 17:36:55 
Поставщик валерьянки для Кота
Аватар пользователя

Карма: 10
Рейтинг сообщений: 163
Зарегистрирован: Вс янв 09, 2011 16:51:39
Сообщений: 2349
Откуда: Санкт-Ленинград
Рейтинг сообщения: 0
Gaff писал(а):
Но всёже лучше чем Ямаха за 4тыр
Кому как.
В прошлом году взял такую, вместе со звуковой картой, за 800 (конечно, такой вариант поискать надо, ибо барыги не дремлют). Ну, а как её дополнить до самостоятельного синта элементарно, и в Инете схем полно.
И вариант я уже давно предложил, который, на мой взгляд, является и более универсальным, и удобным.
Жаль, что Вы чужие посты не читаете. :)

Gaff писал(а):
Да и кто мешает записать по своей таблице в каждый МК или на каждую октаву?
Элементарная математика, после подсчёта необходимого количества МК, и размышлений об их взаимодействии. :wink:

Gaff писал(а):
Всё придельно просто!
Что-то недопонял, почему 12x12, и где активность?
Кстати, по изготовлению миди-клавиатуры: вот и вот, кому интересно.

_________________
ICQ нет, и, в ближайшее время, не будет.


Вернуться наверх
 
 Заголовок сообщения: Re: Электронный баян
СообщениеДобавлено: Вт мар 08, 2016 22:31:34 
Потрогал лапой паяльник
Аватар пользователя

Карма: 24
Рейтинг сообщений: 384
Зарегистрирован: Ср янв 27, 2016 10:19:41
Сообщений: 382
Рейтинг сообщения: 0
Да беспроблем! :) Вам и карты в руки! На сим откланяюсь.

_________________
Не стесняйтесь благодарить тех кто вам помогает.


Вернуться наверх
 
 Заголовок сообщения: Re: Электронный баян
СообщениеДобавлено: Ср мар 16, 2016 16:25:45 
Говорящий с текстолитом
Аватар пользователя

Карма: 10
Рейтинг сообщений: 16
Зарегистрирован: Сб фев 18, 2012 15:42:29
Сообщений: 1644
Откуда: Курск
Рейтинг сообщения: 0
привет. я тут набросал немного кода. он не дописан. там короче нужно выбирать коэффициент по столбцу и строке. и загружать его в 16 битный таймер. если кто может помогите дописать его до конца. а то что я один что ли буду все делать. потом я допишу до ШИМ атаки и затухания. если получится конечно.

P.S. это написано для матричного опроса кнопок. всего кнопок 21. но можно увеличить до 49 если если добавить остальные выводы порта B на сканирование столбцов. это конечно игрушка но одноголосная. вроде как на NE555 только с мк и матричной клавиатурой. но фишка в том что с помощью шим можно можно потом будет добавить атаку и затухание как у пианино
Спойлер#include <tiny2313.h>
#include <delay.h>
flash unsigned char temp[3] {0b00000110; 0b00000101; 0b00000011);
flash unsigned int ton[3][7] {{1;2;3;4;5;6;7;8;9;10;11;12;13;14;15;16;17;18;19;20;21}}
void main(void)
{
unsigned char stolbik;
unsigned char stroka;
unsigned char temp2;

PORTB=0x07;
DDRB=0xFF;

PORTD=0x7F;
DDRD=0x00;

TCCR1A=0x00;
TCCR1B=0x0A;
TCNT1H=0x00;
TCNT1L=0x00;
ICR1H=0x00;
ICR1L=0x00;
OCR1AH=0x00;
OCR1AL=0x00;
OCR1BH=0x00;
OCR1BL=0x00;

GIMSK=0x00;
MCUCR=0x00;

TIMSK=0x00;

ACSR=0x80;
DIDR=0x00;

while (1)
{for (stolbik=0; stolbik<2; stolbik++) \\цикл сканирования столбцов
{PORTB=temp[stolbik]; \\присвоение нуля определенному выводу порта B
if (PINB!=temp[stolbik]) \\проверить на изменение в трех младших битах порта B
{ temp2=PORTD; \\присвоение переменной значение порта D
for (stroka=0; stroka<7; stroka++) \\цикл сканирования строк
{ if ((temp2&0x01)==0) goto m1; \\проверка младшего бита переменной на наличие нуля
temp2=temp2>>1;} \\сдвиг содержимого переменной к младшему биту
}
}

}

Изображение


Вложения:
схема подключения.PNG [38.18 KiB]
Скачиваний: 1337
Вернуться наверх
 
 Заголовок сообщения: Re: Электронный баян
СообщениеДобавлено: Чт мар 17, 2016 11:26:16 
Говорящий с текстолитом
Аватар пользователя

Карма: 10
Рейтинг сообщений: 16
Зарегистрирован: Сб фев 18, 2012 15:42:29
Сообщений: 1644
Откуда: Курск
Рейтинг сообщения: 0
возникли трудности с 16 битным таймером. нужно поставить его так что бы он работал на СТС с пред делителем на 8. коэффициенты подсчитаю сам. фьюзы поставлю на 4 мгц от внешнего кварца. коэффициенты я уже кстати подсчитал. таймер нужно настроить правильным образом.


такое ощущение что я тут остался наедине с собой :facepalm:


Вернуться наверх
 
 Заголовок сообщения: Re: Электронный баян
СообщениеДобавлено: Пт фев 14, 2020 01:18:25 
Вымогатель припоя

Карма: 3
Рейтинг сообщений: 21
Зарегистрирован: Чт янв 07, 2010 16:58:11
Сообщений: 584
Рейтинг сообщения: 0
что-то затихло всё, кончилось ничем.
Я вот пытаюсь изобрести подобное, только более игрушечное.
Могу написать под ардуину обзвон клавы +4-ёхголосную полифонию с атаками и затуханиями, даже с тембрами. Может быть и больше чем 4 ноты одновременно потянет.
Если надо больше чем 4, можно поставить 2 ардуины или какой-нибудь спецчип или вывести NIDI.
Для меня основная трудность это механика.
Дело даже не в том, чтобы изготовить, а в том, чтобы понять что и как.
Простые кнопки любые никакие не годятся, нужна определённая сила и глубина нажатия и размеры.
Может быть кто-то с этим может помочь ?

_________________
Изображение Большие часики на Arduino


Вернуться наверх
 
 Заголовок сообщения: Re: Электронный баян
СообщениеДобавлено: Вс фев 16, 2020 14:49:03 
Поставщик валерьянки для Кота
Аватар пользователя

Карма: 10
Рейтинг сообщений: 163
Зарегистрирован: Вс янв 09, 2011 16:51:39
Сообщений: 2349
Откуда: Санкт-Ленинград
Рейтинг сообщения: 3
b612 писал(а):
что-то затихло всё, кончилось ничем.
Обычное явление для толиковских тем. :)

Кстати, вот обновлённый материал по изготовлению миди-клавиатур.

_________________
ICQ нет, и, в ближайшее время, не будет.


Вернуться наверх
 
Показать сообщения за:  Сортировать по:  Вернуться наверх
Начать новую тему Ответить на тему  [ Сообщений: 476 ]     ... , , , , 24

Часовой пояс: UTC + 3 часа


Вы не можете начинать темы
Вы не можете отвечать на сообщения
Вы не можете редактировать свои сообщения
Вы не можете удалять свои сообщения
Вы не можете добавлять вложения

Найти:
Перейти:  


Powered by phpBB © 2000, 2002, 2005, 2007 phpBB Group
Русская поддержка phpBB
Extended by Karma MOD © 2007—2012 m157y
Extended by Topic Tags MOD © 2012 m157y