Например TDA7294

Форум РадиоКот • Просмотр темы - Управление шаровым краном.
Форум РадиоКот
Здесь можно немножко помяукать :)

Текущее время: Ср янв 07, 2026 09:17:06

Часовой пояс: UTC + 3 часа


ПРЯМО СЕЙЧАС:



Начать новую тему Ответить на тему  [ Сообщений: 40 ]  1,  
Автор Сообщение
Не в сети
 Заголовок сообщения: Управление шаровым краном.
СообщениеДобавлено: Вс июл 17, 2016 15:19:06 
Родился
Аватар пользователя

Зарегистрирован: Пн фев 29, 2016 09:36:26
Сообщений: 16
Рейтинг сообщения: 0
Добрый день, Коты! :)) Подскажите умную мысль. :)
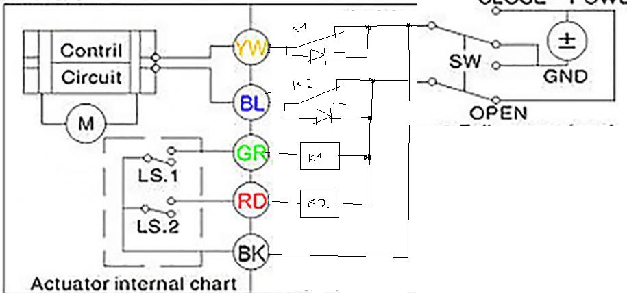
В наличии имеется сей девайс
Изображение
и схема подключения проводов (их всего 5).
Изображение
Из схемы видно, что при подаче питания 12 вольт, двигатель вращается в одну сторону, и открыв(закрыв) кран замыкает концевик, на который можно подключить лампочку или светодиод в качестве индикатора. При переводе переключателя в другое положение, двигатель начинает вращение в другую сторону, концевик размыкается, индикатор гаснет. Как видите, отключение двигателя происходит вручную.
Подскажите простенькую (с минимумом деталей) схемку подключения двигателя, где при срабатывании концевиков питание на двигатель отключается и включается при переводе переключателя в другое положение.

_________________
Не шалю, никого не трогаю, починяю примус.


Вернуться наверх
 
Не в сети
 Заголовок сообщения: Re: Управление шаровым краном.
СообщениеДобавлено: Вс июл 17, 2016 15:57:03 
Друг Кота
Аватар пользователя

Карма: 197
Рейтинг сообщений: 8604
Зарегистрирован: Пн ноя 30, 2009 03:00:01
Сообщений: 43206
Откуда: Нерезиновая
Рейтинг сообщения: 0
issergey писал(а):
Подскажите простенькую (с минимумом деталей) схемку подключения двигателя, где при срабатывании концевиков питание на двигатель отключается и включается при переводе переключателя в другое положение.
Жаль, что концевики на замыкание.. Если бы они были на размыкание, то для "простейшей схемы" хватило бы двух диодов, а так- ещё нужно два реле.. Но катушки реле будут под напряжением..


Вернуться наверх
 
Не в сети
 Заголовок сообщения: Re: Управление шаровым краном.
СообщениеДобавлено: Вс июл 17, 2016 16:08:42 
Друг Кота
Аватар пользователя

Карма: 142
Рейтинг сообщений: 5961
Зарегистрирован: Чт авг 09, 2012 01:09:39
Сообщений: 6642
Откуда: Ливны
Рейтинг сообщения: 0
Можно так примерно. :roll:
Изображение
В исходном состоянии реле обесточены, срабатывают только во время открытия/закрытия. Но схема уже "несколько сложнее". :)

_________________
Большой опыт, порой, не даёт находить/видеть нам простые и очевидные решения. :(
Всегда с уважением, Александр.


Вернуться наверх
 
Не в сети
 Заголовок сообщения: Re: Управление шаровым краном.
СообщениеДобавлено: Вс июл 17, 2016 18:32:52 
Родился
Аватар пользователя

Зарегистрирован: Пн фев 29, 2016 09:36:26
Сообщений: 16
Рейтинг сообщения: 0
АлександрЛ писал(а):
а так- ещё нужно два реле.. Но катушки реле будут под напряжением..

А схему в студию можно? :)

_________________
Не шалю, никого не трогаю, починяю примус.


Вернуться наверх
 
Эиком - электронные компоненты и радиодетали
Не в сети
 Заголовок сообщения: Re: Управление шаровым краном.
СообщениеДобавлено: Вс июл 17, 2016 19:15:55 
Друг Кота
Аватар пользователя

Карма: 59
Рейтинг сообщений: 2218
Зарегистрирован: Чт янв 26, 2012 16:44:29
Сообщений: 19599
Откуда: Таксимо
Рейтинг сообщения: 0
Вложение:
шаровый с диодом.jpg [50.46 KiB]
Скачиваний: 1924
если концевики можно переделать на размыкание, то с диодами самый простой вариант

_________________
Мои поставщики запчастей с отличной репутацией
texnomag.ru
radioremont.com
pl-1.org
4ip.info
elitan.ru


Вернуться наверх
 
Не в сети
 Заголовок сообщения: Re: Управление шаровым краном.
СообщениеДобавлено: Вс июл 17, 2016 19:29:25 
Друг Кота
Аватар пользователя

Карма: 197
Рейтинг сообщений: 8604
Зарегистрирован: Пн ноя 30, 2009 03:00:01
Сообщений: 43206
Откуда: Нерезиновая
Рейтинг сообщения: 0
issergey писал(а):
схему в студию можно?

vlasovzloy писал(а):
если концевики можно переделать на размыкание, то с диодами простой вариант

А вот, если нельзя, то через концевики подключаются катушки реле, а к тем контактам реле, которые размыкаются при срабатывании концевиков- подключаются диоды..

А схему сначала нарисовать можно, она только в голове- "знаю, что можно сделать".. :)))


Вернуться наверх
 
Не в сети
 Заголовок сообщения: Re: Управление шаровым краном.
СообщениеДобавлено: Вс июл 17, 2016 21:14:35 
Родился
Аватар пользователя

Зарегистрирован: Пн фев 29, 2016 09:36:26
Сообщений: 16
Рейтинг сообщения: 0
АлександрЛ писал(а):
А схему сначала нарисовать можно, она только в голове- "знаю, что можно сделать".. :)))

Нам бы схемку, аль чертеж - мы б затеяли вертеж... :))
У самого в голове тоже крутится, что сделать можно. И, вроде бы ничего сложного, а не получается. Вот и приходится на форум писать, может кто чего подскажет. :)

_________________
Не шалю, никого не трогаю, починяю примус.


Вернуться наверх
 
Не в сети
 Заголовок сообщения: Re: Управление шаровым краном.
СообщениеДобавлено: Вс июл 17, 2016 22:53:06 
Друг Кота
Аватар пользователя

Карма: 59
Рейтинг сообщений: 2218
Зарегистрирован: Чт янв 26, 2012 16:44:29
Сообщений: 19599
Откуда: Таксимо
Рейтинг сообщения: 0
Вложение:
шаровый.JPG [42.68 KiB]
Скачиваний: 843

_________________
Мои поставщики запчастей с отличной репутацией
texnomag.ru
radioremont.com
pl-1.org
4ip.info
elitan.ru


Вернуться наверх
 
Не в сети
 Заголовок сообщения: Re: Управление шаровым краном.
СообщениеДобавлено: Пн июл 18, 2016 03:05:18 
Друг Кота
Аватар пользователя

Карма: 197
Рейтинг сообщений: 8604
Зарегистрирован: Пн ноя 30, 2009 03:00:01
Сообщений: 43206
Откуда: Нерезиновая
Рейтинг сообщения: 0
Ну, да, в общем так. Только питание на реле я бы взял немного из другого места..
Вложение:
Шаровой кран.JPG [51.43 KiB]
Скачиваний: 967

Хотя, если тумблер управления будет не на два положения, а на три- (ON - OFF - ON) то схема от vlasovzloy даже лучше- тогда при установки тумблера в нейтральное положение схема не будет потреблять энергию..
В общем- не принципиально..

зы.. vlasovzloy - в вашей схеме надо, либо реле, либо контакты реле поменять местами- иначе обесточивания мотора не произойдёт..


Вернуться наверх
 
Не в сети
 Заголовок сообщения: Re: Управление шаровым краном.
СообщениеДобавлено: Вт июл 19, 2016 10:42:49 
Поставщик валерьянки для Кота
Аватар пользователя

Карма: 40
Рейтинг сообщений: 779
Зарегистрирован: Чт дек 12, 2013 11:18:14
Сообщений: 2141
Откуда: Украина, Черновцы
Рейтинг сообщения: 0
В приводах с сетевым питанием моторчика при достижении крайних точек моторчик сам отключается -- там есть внутренние концевики. Т.е я подал напряжение только на выводы мотора, привод поехал. Доехал до крайнего положения и сам вырубился.
А отдельно выведенные концевички -- для индикации или автоматики. Проверь, может в твоем варианте так-же.


Вернуться наверх
 
Не в сети
 Заголовок сообщения: Re: Управление шаровым краном.
СообщениеДобавлено: Вт июл 19, 2016 14:49:20 
Опытный кот

Карма: 4
Рейтинг сообщений: 81
Зарегистрирован: Пн апр 11, 2011 10:08:52
Сообщений: 844
Рейтинг сообщения: 0
А сколько времени длится движение моторчика?
Если моторчиком будет управлять человек, то может нет смысла городить схему - достаточно двух кнопок?


Вернуться наверх
 
Не в сети
 Заголовок сообщения: Re: Управление шаровым краном.
СообщениеДобавлено: Ср июл 20, 2016 08:07:26 
Поставщик валерьянки для Кота
Аватар пользователя

Карма: 40
Рейтинг сообщений: 779
Зарегистрирован: Чт дек 12, 2013 11:18:14
Сообщений: 2141
Откуда: Украина, Черновцы
Рейтинг сообщения: 0
Они разные бывают. От 60 до 200 секунд на проход от края до края.


Вернуться наверх
 
Не в сети
 Заголовок сообщения: Re: Управление шаровым краном.
СообщениеДобавлено: Ср июл 20, 2016 09:53:42 
Грызет канифоль

Карма: 4
Рейтинг сообщений: 39
Зарегистрирован: Чт апр 04, 2013 20:44:39
Сообщений: 255
Откуда: Вологда
Рейтинг сообщения: 0
Если надо только открыть/закрыть, то поставить электромагнитный клапан и не париться. :)


Вернуться наверх
 
Не в сети
 Заголовок сообщения: Re: Управление шаровым краном.
СообщениеДобавлено: Ср июл 20, 2016 12:55:40 
Грызет канифоль

Карма: 3
Рейтинг сообщений: 11
Зарегистрирован: Вт янв 01, 2013 15:42:37
Сообщений: 265
Рейтинг сообщения: 0
В словах Hand-Maker есть смысл. Скорее всего у двигателя свои концевые.

_________________
Не ошибается лишь тот - кто ничего не делает.


Вернуться наверх
 
Не в сети
 Заголовок сообщения: Re: Управление шаровым краном.
СообщениеДобавлено: Ср июл 20, 2016 21:25:09 
Грызет канифоль
Аватар пользователя

Карма: 10
Рейтинг сообщений: 106
Зарегистрирован: Пт ноя 15, 2013 20:58:23
Сообщений: 281
Рейтинг сообщения: 0
Hand-Maker писал(а):
Они разные бывают. От 60 до 200 секунд ...
Конкретно этот (маде ин Чина) с первого поста - пятисекундный на 90 градусов. Про концевики Вы правы - внутри. На схеме из первого поста китайцы сие обозвали contril circuit. Не знаю уж у кого они его "сконтрили" (догадываюсь, впрочем, что у немецкого Danfoss), но даже в аглицком умудрились грамматическую ошибку посадить. Вот здесь на Муське препарируют евойного брата близнеца, только без контрольных концевиков (двухпроводного). Ну а вот это он в китайском магазине HSH-Flo и с той же ошибкой в слове control. Дерьмо, одним словом, а не девайс - сконтрить умудрились, а качество... Единственное преимущество - цена по сравнению с фирменными аналогами.


Вернуться наверх
 
Не в сети
 Заголовок сообщения: Re: Управление шаровым краном.
СообщениеДобавлено: Чт июл 21, 2016 21:46:51 
Родился
Аватар пользователя

Зарегистрирован: Пн фев 29, 2016 09:36:26
Сообщений: 16
Рейтинг сообщения: 0
-=Vovka=- писал(а):
А сколько времени длится движение моторчика?
Если моторчиком будет управлять человек, то может нет смысла городить схему - достаточно двух кнопок?

Движение моторчика зависит от подаваемого напряжения. При подаче 2,5в – 25 секунд, при номинальных 12в – 3 секунды.
Для включения (смены полярности) будет использоваться переключатель, как на приведенной схеме. Поэтому и нужна выключалка самого двигателя. В одну сторону клацнул – двигатель отработал и остановился. Клацнул клавишу обратно – двигатель отрабатывает в другую сторону. :)

_________________
Не шалю, никого не трогаю, починяю примус.


Вернуться наверх
 
Не в сети
 Заголовок сообщения: Re: Управление шаровым краном.
СообщениеДобавлено: Чт июл 21, 2016 21:49:48 
Родился
Аватар пользователя

Зарегистрирован: Пн фев 29, 2016 09:36:26
Сообщений: 16
Рейтинг сообщения: 0
mihelson писал(а):
Если надо только открыть/закрыть, то поставить электромагнитный клапан и не париться. :)

Дело в том, что в данном девайсе имеется один вход и два выхода, которые направляют поток то в одну, то в другую сторону. При использовании электромагнитных клапанов понадобится два клапана. А это уже другие деньги. К тому же один из клапанов будет постоянно включен. :)

_________________
Не шалю, никого не трогаю, починяю примус.


Вернуться наверх
 
Не в сети
 Заголовок сообщения: Re: Управление шаровым краном.
СообщениеДобавлено: Чт июл 21, 2016 22:18:57 
Родился
Аватар пользователя

Зарегистрирован: Пн фев 29, 2016 09:36:26
Сообщений: 16
Рейтинг сообщения: 0
Hand-Maker писал(а):
Проверь, может в твоем варианте так-же.

Походу нет в самом двигателе никаких внутренних концевиков. :(
Гонял со снятой крышкой. Когда механизм в сборе, то дойдя до конечной точки в одну или другую сторону двигатель действительно останавливается, но, скорее всего, не по причине срабатывания концевиков, а потому, что сам механизм не дает ему возможности вращаться, уперевшись в крайние точки. Если же снять одну звездочку механизма, то двигатель может вращаться бесконечно хоть в одну, хоть в другую сторону. Получается, что двигатель постоянно находится под напряжением, поэтому и думаю, как сделать, чтобы он отключался. :)

_________________
Не шалю, никого не трогаю, починяю примус.


Вернуться наверх
 
Не в сети
 Заголовок сообщения: Re: Управление шаровым краном.
СообщениеДобавлено: Пт июл 22, 2016 03:33:33 
Друг Кота
Аватар пользователя

Карма: 197
Рейтинг сообщений: 8604
Зарегистрирован: Пн ноя 30, 2009 03:00:01
Сообщений: 43206
Откуда: Нерезиновая
Рейтинг сообщения: 0
issergey писал(а):
Hand-Maker писал(а):
Проверь, может в твоем варианте так-же.

Походу нет в самом двигателе никаких внутренних концевиков. :(
Гонял со снятой крышкой.................... и думаю, как сделать, чтобы он отключался. :)

Ну, так выложите фотки вашего привода "изнутри", может, туда концевики можно встроить- на размыкание,- тогда схему с такими концевиками нарисовали одной из первых- с диодами..


Вернуться наверх
 
Не в сети
 Заголовок сообщения: Re: Управление шаровым краном.
СообщениеДобавлено: Пт июл 22, 2016 07:35:50 
Родился
Аватар пользователя

Зарегистрирован: Пн фев 29, 2016 09:36:26
Сообщений: 16
Рейтинг сообщения: 0
АлександрЛ писал(а):
Жаль, что концевики на замыкание.. Если бы они были на размыкание...
... выложите фотки вашего привода "изнутри", может, туда концевики можно встроить- на размыкание

vlasovzloy писал(а):
если концевики можно переделать на размыкание

Разобрал привод почти полностью. :)
Механизм в сборе:
Изображение
Со снятым механизмом:
Изображение
В качестве концевика использован обыкновенный микрик. В принципе, перепаяв провода, или, добавив ещё два провода, можно заставить работать концевики на размыкание. :)

_________________
Не шалю, никого не трогаю, починяю примус.


Вернуться наверх
 
Показать сообщения за:  Сортировать по:  Вернуться наверх
Начать новую тему Ответить на тему  [ Сообщений: 40 ]  1,  

Часовой пояс: UTC + 3 часа


Кто сейчас на форуме

Сейчас этот форум просматривают: нет зарегистрированных пользователей и гости: 19


Вы не можете начинать темы
Вы не можете отвечать на сообщения
Вы не можете редактировать свои сообщения
Вы не можете удалять свои сообщения
Вы не можете добавлять вложения

Найти:
Перейти:  


Powered by phpBB © 2000, 2002, 2005, 2007 phpBB Group
Русская поддержка phpBB
Extended by Karma MOD © 2007—2012 m157y
Extended by Topic Tags MOD © 2012 m157y