Повышение точности измерения температуры мультиметром MY-64.
Лирическое вступление.Через пару недель исполнится 10 лет, как я пользуюсь двумя такими приборами (один – на работе, второй - дома), и всё это время функция измерения температуры в них не выдерживает никакой критики. Ограничусь такой констатацией, чтобы удержаться в рамках литературной лексики.
Почти каждый год предпринимались попытки поправить дело, но получалось только хуже. Тому есть несколько причин.
Первая – отсутствие у меня чёткого представления о методике проведения подобных работ. Знакомые метрологи только плечами пожимали – «а что тут сложного, подаёшь на вход устройства напряжение, соответствующее нужной калибровочной температуре и подстроечником выставляешь требуемые цифирки на дисплее. ВСЁ!».
Ага, щас, если бы. Попробовал, конечно. Стало гораздо хуже. Как смог, вернул обратно, откалибровал 100 в кипятке и смирился с враньём на 10…12 градусов в области комнатных температур.
Вторая – несоответствие схемы, скачанной из сети, реальному прибору. При этом все подстроечники под своими позиционными обозначениями присутствуют на плате, но это ничего не значит.
Третья – как выяснилось, схема компенсации холодного спая в этом приборе рассчитана НЕВЕРНО (похоже, разработчик, как и я, не имел чёткого понимания в данной области), и БЕЗ ДОРАБОТКИ НЕ СПОСОБНА ПРАВИЛЬНО РАБОТАТЬ В ПРИНЦИПЕ. Во всяком случае, так обстоят дела в двух моих экземплярах. Вполне возможно, что за 10 лет производитель исправил недочёты и теперь точность измерения температуры MY-64 достигла ±1°С, как в результате данной доработки, а не унылых ±5°С в диапазоне от -20 до 0 °С и ±7°С в диапазоне от 0 до 400 °С, указанных в паспорте. Доступа к более свежим экземплярам у меня нет.
Всё изменилось совсем недавно, когда случайно присмотрелся к схеме компенсации на LM235 и комментариям в её даташите на стр.10 Fig.28.
Самое время не слишком глубоко погрузиться в
Теоретические дебри.

Рис.1.
Если совсем кратко – термопара генерирует разность потенциалов, пропорциональную АБСОЛЮТНОЙ температуре спая, т.е. начиная с -273,15 °С (ноль Кельвин). На каждый градус нагрева выше абсолютного нуля термопара типа К вырабатывает 40,8 мкВ, т.е. в тающем снеге она выдаёт 40,8*273,15=11,14мВ (в таблице указано 11,17 мВ, возможно, при расчёте было использовано больше знаков коэффициента Зеебека).
Таким образом, напряжение на R4 смещает нуль на выходе к нулевой температуре по шкале Цельсия.
Напряжение на R3 – это и есть собственно компенсирующее напряжение, которое тоже должно изменяться на величину коэффициента Зеебека, но зависеть от температуры контактов мультиметра, к которым подключена вилка термопары. Фактически это второй термометр, расположенный внутри прибора. LM335 является датчиком температуры с коэффициентом преобразования 10 мВ. А нам надо 40,8 мкВ/°С. Для получения этого введён делитель 200к/0,816к (R3=816 Ом для термопары типа К).
Посчитаем:
10мВ/0,0408мВ=245,1 – во столько раз надо уменьшить сигнал с LM335.
(200+0,816)/0,816=246,1 - а делитель с указанными номиналами уменьшает во столько раз – и здесь ошибка. Должно быть R3=819 Ом. Ну да ладно, мы же не собираемся эту схему собирать.
Спойлер
В MY-64 LMx35 работать всё равно не будет, т.к. стабильное напряжение там всего около 3 Вольт (2,94 и 2,96 В в имеющихся экземплярах). Делим его на 10 мВ и получаем 300-273=27°С как максимально возможный выход с LMx35. А что будет падать на обязательном балластном резисторе или генераторе тока?Теперь пора провести
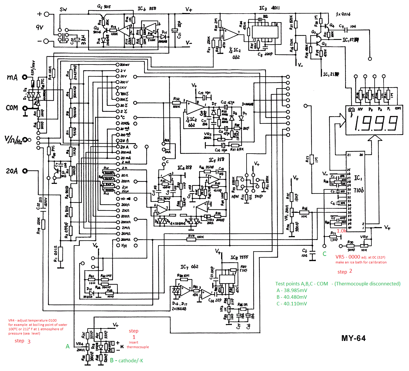
Анализ схемы MY-64 и расчёт компонентов.
Как упоминалось, схема, скачанная с популярного ресурса, изобилует неточностями и здесь приводиться не будет. Вместо неё посмотрим вот на это:

Рис.2.
R65,VR4,R66 подключаются поворотным переключателем только при измерении температуры и предназначены для установки опорного напряжения АЦП. Вся шкала 1000 °С, соответственно опорное напряжение должно быть 40,8 мВ.
R77 и R76 (в схеме из сети они ошибочно пронумерованы как R70 и R71) представляют собой узел сдвига нуля, аналогичный таковому на рис.1 (R4 с обвязкой). Исходно установлен R76=1,3к , его надо ЗАМЕНИТЬ на любой в диапазоне 1,6…2к, желательно использовать 1% 0806. VR0 необходим для последующей регулировки. Вообще все вновь вводимые в схему компоненты обозначены нулевыми порядковыми номерами. Помимо VR0 добавлены R0 и R00.
R67,VD13,R68 как раз и составляют тот самый узел компенсации холодного спая, который рассчитан неправильно. Для лучшего понимания можно нарисовать его в ином варианте, поменяв местами R67 и VD13, на принцип действия это не повлияет.
Итак, с диода имеем 2мВ/°С, а требуется 40,8 мкВ/°С. Оставим R68 как есть и рассчитаем делитель:
2мВ/0,0408мВ=49; (R67+560)/560=49; R67=560*49-560=26880 Ом.
Вот какое сопротивление должен иметь R67 для корректной работы узла компенсации. А у нас 33000 Ом. Расчёт показывает, что проблема решается подключением в параллель к R67 сопротивления в 145 кОм. Из наличия были выбраны 1%-ные 113к+34к=147к (без подбора).
Ура, нас ожидают финальные операции:
Монтаж, калибровка, проверка.
Составим план работ по шагам. Они указаны на рис.2 цифрами в кружочках. Вплоть до шага 4 термопару НЕ ПОДКЛЮЧАЕМ.
1. Переводим поворотный переключатель MY-64 в режим измерения температуры, и НЕ ВКЛЮЧАЯ извлекаем плату из корпуса. Выясняем расположение актуальных компонентов. Фото ниже вам поможет.
Включаем MY-64, подключаем внешний вольтметр к ползунку VR4 и измеряем опорное напряжение относительно клеммы COM платы. При необходимости подстраиваем VR4 для получения 40,8 мВ.
2. Выключаем плату и подпаиваем дополнительные резисторы R0 и R00 к R67 (я подпаял без затей, «домиком», см. фото).

3. Отворачиваем 4 черных самореза крепления дисплея (запомните усилие, чтобы при сборке не сорвать резьбу в пластмассе) и осторожно снимаем ЖКИ. Резинок и контактов не касаемся и бережём их от загрязнения! Отпаиваем R76=1,3к, впаиваем на его место резистор из указанного выше диапазона (1,6…2к), на те же контактные площадки подпаиваем выводы VR0. Он должен быть малогабаритным, иначе верхняя крышка не закроется.

Возвращаем дисплей на место.
Оставим плату минут на 5 для выравнивания температуры и включаем её. Рядом должен стоять термометр, показывающий температуру рядом с платой. Вращением VR0 выставляем показания на дисплее, равные показаниям комнатного термометра.

4. Подключаем термопару. Плату помещаем в нижнюю половину корпуса. Располагаем поблизости ёмкость с кипящей водой (для поддержания кипения очень удобны компактные китайские кипятильники для путешественников). Между платой и ёмкостью размещаем экран для защиты платы от нагрева инфракрасным излучением. Подойдет кусок картона, поставленный вертикально.
Погружаем горячий спай термопары в бурлящую часть кипятка, но не ближе сантиметра от нагретой части собственно кипятильника. Также избегаем спокойных участков воды, т.к. градиент там – будь здоров.
Проверяем, что дисплей показывает ровно 100, при необходимости чуть-чуть подстраиваем VR4.

Окончательно собираем прибор.
Далее проверки.
Убираем кипяток, выжидаем пару минут для стабилизации температуры и зажимаем горячий спай между пальцев – показания должны составлять 36 или 37.

Отключаем термопару (в мокром виде она занижает показания на несколько градусов) и убеждаемся, что комнатная температура отображается верно.
Для особо сомневающихся могу предложить поместить выключенный MY-64 без термопары вместе с хорошим комнатным термометром в холодильник минут на 10…20 (а по мере приближения зимы просто вынести на холод). По истечении этого времени, не перемещая, включить MY-64 и сравнить показания с термометром.

Наслаждаемся результатом
P.S. Не исключено, что подобные доработки могут помочь и для других моделей мультиметров.
P.P.S. Всё вышеизложенное является описанием работ, выполненных автором на своих приборах. Желающие повторить должны осознавать, что действуют на свой страх и риск. Автор не даёт никаких гарантий.
На десерт несколько фоток в хорошем разрешении со снятым дисплеем. Вдруг понадобится кому...


