Например TDA7294

Форум РадиоКот • Просмотр темы - УКВ приемник средней сложности.
Форум РадиоКот
Здесь можно немножко помяукать :)

Текущее время: Вт янв 27, 2026 04:58:44

Часовой пояс: UTC + 3 часа


ПРЯМО СЕЙЧАС:



Начать новую тему Ответить на тему  [ Сообщений: 613 ]     ... , , , 18, , , ...  
Автор Сообщение
Не в сети
 Заголовок сообщения: Re: УКВ приемник средней сложности.
СообщениеДобавлено: Пт мар 09, 2018 20:15:16 
Друг Кота
Аватар пользователя

Карма: 57
Рейтинг сообщений: 371
Зарегистрирован: Ср май 04, 2016 23:18:38
Сообщений: 5998
Рейтинг сообщения: 0
Потом дернуло меня вставить феррит в выходной контур и ... станция зазвучала по взрослому. Перестроился с ферритом на первую станция - тоже хорошо идет. С выходным контуром что-то не так. Подмотать витков?
Под выходным контуром следует понимать L2?
Вообще-то L2C3 надо перестраивать вместе с L1C1.
Но, поскольку КПЕ двухсекционный, то лучше перестраивать L2, а входной контур настроить на середину диапазона, так делали в старых блоках УКВ. Наверное, чтобы настройка УВЧ не зависела от антенны?
Поскольку L2 не на "земле" - можно применить тот же приём, что и с гетеродином: верхний вывод C3 на "землю", и рядом конденсатор порядка 4700 пФ на верхний вывод L2.

_________________
Ваше открытие опровергает науку? Нет, это наука опровергает ваш бред.
Истина никогда не бывает посередине. Ведь середина на стороне того, кто больше лжёт.
Не стыдно писать в МЯЯЯУ! - стыдно вести себя не как порядочный Радио Кот. :)


Последний раз редактировалось murzistor Сб мар 10, 2018 14:55:30, всего редактировалось 1 раз.

Вернуться наверх
 
Не в сети
 Заголовок сообщения: Re: УКВ приемник средней сложности.
СообщениеДобавлено: Сб мар 10, 2018 10:06:43 
Собутыльник Кота
Аватар пользователя

Карма: 14
Рейтинг сообщений: 121
Зарегистрирован: Сб май 21, 2016 11:04:52
Сообщений: 2977
Откуда: Беларусь
Рейтинг сообщения: 0
продублирую схему. для потомков, что бы кто читать будет после нас ориентировались. если спустя 50 лет ее делают, значит и дальше будут
делать

Изображение

Добавлено after 20 minutes 4 seconds:
Цитата:
Вообще-то L2C3 надо перестраивать вместе с L1C1.

любая дальнейшая модернизация этой схеме приводит в итоги этот приемник к "правильному"
1. перестраиваем 2 контура с помощью КПЕ
2. перестраиваем 3 контура варикапами
3. ...

Цитата:
верхний вывод C2 на "землю",


тут я не понял у с2 выводы левый и правый. Верхнего нет. Может ошибка?

Вот у меня получается что приемник берет только сильные станции, фактически он берет тоже самое что и Меридиан 302 на к 174ха10. Чувствительность - 200мкв
Дальние станции (50км) практически на слышны, только если диполь подключить.

Что если вместо гт346 с ку -7 в УВЧ подберу транизистор с большим коэф усиления?


Вернуться наверх
 
Не в сети
 Заголовок сообщения: Re: УКВ приемник средней сложности.
СообщениеДобавлено: Сб мар 10, 2018 12:04:40 
Собутыльник Кота
Аватар пользователя

Карма: 47
Рейтинг сообщений: 911
Зарегистрирован: Ср дек 04, 2013 14:37:35
Сообщений: 2879
Откуда: Санкт Петербург
Рейтинг сообщения: 0
olegue,

Напишите, пожалуйста, год и номер журнала Радио, откуда Вы взяли кусок статьи со схемой приёмника.
Заранее благодарю.

_________________
С уважением, ВикторС.


Вернуться наверх
 
Не в сети
 Заголовок сообщения: Re: УКВ приемник средней сложности.
СообщениеДобавлено: Сб мар 10, 2018 13:42:39 
Собутыльник Кота
Аватар пользователя

Карма: 14
Рейтинг сообщений: 121
Зарегистрирован: Сб май 21, 2016 11:04:52
Сообщений: 2977
Откуда: Беларусь
Рейтинг сообщения: 0
http://radiowiki.ru/index.php?title=%D0 ... vu&page=65

Схема из журнала Радио 1968 №2 стр. 59

кроме этого куска больше по поводу этого приемника там ничего нет
только если поднять первоисточник, журнал Радиотехника 1967 №5

Добавлено after 18 minutes 42 seconds:
но это не болгарский "Радио и телевизия". В №5 за 1967 такой схемы в нем нет.

Добавлено after 31 minute 22 seconds:
можно попробовать поискать в венгерской доменной зоне
magazin Rádiótechnika 1967.
но у меня ничего не нашлось


Вернуться наверх
 
Эиком - электронные компоненты и радиодетали
Не в сети
 Заголовок сообщения: Re: УКВ приемник средней сложности.
СообщениеДобавлено: Сб мар 10, 2018 14:43:31 
Друг Кота

Карма: -1
Рейтинг сообщений: 86
Зарегистрирован: Вт мар 13, 2012 12:16:13
Сообщений: 8915
Откуда: .ru
Рейтинг сообщения: 0
продублирую схему. для потомков, что бы кто читать будет после нас ориентировались.

эта схема кочует уже много лет.. по всем книжкам... видел в "справочник радиолюбителя".

в инете есть куча примеров...
https://www.youtube.com/watch?v=1UjcNzUbwK0
https://www.youtube.com/watch?v=uuEvEt4fGng
...
и т.д.
если спустя 50 лет ее делают, значит и дальше будут делать

пока живо аналоговое FM вещание)) скоро и его не будет. ))


Вернуться наверх
 
Не в сети
 Заголовок сообщения: Re: УКВ приемник средней сложности.
СообщениеДобавлено: Сб мар 10, 2018 14:56:56 
Друг Кота
Аватар пользователя

Карма: 57
Рейтинг сообщений: 371
Зарегистрирован: Ср май 04, 2016 23:18:38
Сообщений: 5998
Рейтинг сообщения: 0
тут я не понял у с2 выводы левый и правый. Верхнего нет. Может ошибка?
Ошибка. Конденсатор C3. Поправил.

_________________
Ваше открытие опровергает науку? Нет, это наука опровергает ваш бред.
Истина никогда не бывает посередине. Ведь середина на стороне того, кто больше лжёт.
Не стыдно писать в МЯЯЯУ! - стыдно вести себя не как порядочный Радио Кот. :)


Вернуться наверх
 
Не в сети
 Заголовок сообщения: Re: УКВ приемник средней сложности.
СообщениеДобавлено: Сб мар 10, 2018 15:05:19 
Друг Кота
Аватар пользователя

Карма: 107
Рейтинг сообщений: 3313
Зарегистрирован: Сб фев 11, 2017 15:59:13
Сообщений: 14877
Откуда: 57 RUS
Рейтинг сообщения: 0
olegue писал(а):
любая дальнейшая модернизация этой схеме приводит в итоги этот приемник к "правильному"
1. перестраиваем 2 контура с помощью КПЕ
2. перестраиваем 3 контура варикапами

Это приёмник судя по году публикации схемы:
olegue писал(а):
Схема из журнала Радио 1968 №2 стр. 59

видимо разрабатывался как радиоточка для настройки на одну УКВ радиостанцию, вот поэтому элементы настройки - подстроечные конденсаторы. К тому же раньше в СССР на УКВ вещали в эфире всего 2 радиостанции, Всесоюзное радио да Маяк.

_________________
НАРОДОВЛАСТИЕ а не кланово-олигархическая дерьмократия!!!
Цифровому рабству, навязываемому цифровым олигархатом - НЕТ!


Вернуться наверх
 
Не в сети
 Заголовок сообщения: Re: УКВ приемник средней сложности.
СообщениеДобавлено: Сб мар 10, 2018 15:26:39 
Собутыльник Кота
Аватар пользователя

Карма: 14
Рейтинг сообщений: 121
Зарегистрирован: Сб май 21, 2016 11:04:52
Сообщений: 2977
Откуда: Беларусь
Рейтинг сообщения: 0
Цитата:


это не куча - это один и тот же человек. Который собирал здесь
http://www.cqham.ru/forum/showthread.ph ... C%EE%F9%FC


Вернуться наверх
 
Не в сети
 Заголовок сообщения: Re: УКВ приемник средней сложности.
СообщениеДобавлено: Вс мар 11, 2018 18:58:58 
Собутыльник Кота
Аватар пользователя

Карма: 14
Рейтинг сообщений: 121
Зарегистрирован: Сб май 21, 2016 11:04:52
Сообщений: 2977
Откуда: Беларусь
Рейтинг сообщения: 0
принял практический все фМ станции (включая дальние) это схему. С трудом, но принял. Но из-за присутствия зеркалки она уже поднадоела немножко. Одна и та же станция и там и сям. Хочется чего -то большего.

Добавлено after 2 minutes 45 seconds:
феррит включенные в выходной контур УВЧ сделал невозможное


Вернуться наверх
 
Не в сети
 Заголовок сообщения: Re: УКВ приемник средней сложности.
СообщениеДобавлено: Вс мар 11, 2018 19:37:22 
Собутыльник Кота
Аватар пользователя

Карма: 47
Рейтинг сообщений: 911
Зарегистрирован: Ср дек 04, 2013 14:37:35
Сообщений: 2879
Откуда: Санкт Петербург
Рейтинг сообщения: 1
Olegue,
C боковыми каналами приёма хорошо бороться высокой ПЧ и керамическими фильтрами, как в TE5711 сделано, а чтобы частота настройки не плыла - использовать синтезатор частоты на LM7001J. Это классика УКВ приёмников той самой, средней, сложности. Известный спец по процессорам и ПО, Тимофей Носов, наделал множество вариантов управления этой парой ИС на микроконтроллерах PIC с разной функциональной насыщенностью и работоспособностью.
Наш коллега Odesaha, эти схемы управления упростил, оптимизировал по удобству управления и перевёл на ATTiny 2313. :idea:
Его отчёт о проделанной работе начинается в середине этой страницы:
viewtopic.php?p=1876476
Можно попробовать собрать такой приёмник - будет уже устройство, для которого и корпус сделать можно, и в приличной компании слушать. :solder:

Изображение

_________________
С уважением, ВикторС.


Вернуться наверх
 
Не в сети
 Заголовок сообщения: Re: УКВ приемник средней сложности.
СообщениеДобавлено: Вс мар 11, 2018 21:10:21 
Друг Кота
Аватар пользователя

Карма: 107
Рейтинг сообщений: 3313
Зарегистрирован: Сб фев 11, 2017 15:59:13
Сообщений: 14877
Откуда: 57 RUS
Рейтинг сообщения: 0
olegue писал(а):
Но из-за присутствия зеркалки она уже поднадоела немножко.

Я уже писал, попробуй собери супергетеродин из блока ПЧ телевизора или на основе микросборки УПЧЗ-1 или УПЧЗ-2 от телевизора с ПЧ 6,5 МГц ;)

_________________
НАРОДОВЛАСТИЕ а не кланово-олигархическая дерьмократия!!!
Цифровому рабству, навязываемому цифровым олигархатом - НЕТ!


Вернуться наверх
 
Не в сети
 Заголовок сообщения: Re: УКВ приемник средней сложности.
СообщениеДобавлено: Вс мар 11, 2018 21:31:30 
Собутыльник Кота
Аватар пользователя

Карма: 14
Рейтинг сообщений: 121
Зарегистрирован: Сб май 21, 2016 11:04:52
Сообщений: 2977
Откуда: Беларусь
Рейтинг сообщения: 0
Цитата:
Я уже писал, попробуй собери супергетеродин из блока ПЧ телевизора или на основе микросборки УПЧЗ-1 или УПЧЗ-2 от телевизора с ПЧ 6,5 МГц


не было упчз у меня. Но сейчас вернусь к этой теме.


ВикторС писал(а):
C боковыми каналами приёма хорошо бороться высокой ПЧ и керамическими фильтрами, как в TE5711 сделано, а чтобы частота настройки не плыла - использовать синтезатор частоты на LM7001J. Это классика УКВ приёмников той самой, средней, сложности. Известный спец по процессорам и ПО, Тимофей Носов, наделал множество вариантов управления этой парой ИС на микроконтроллерах PIC с разной функциональной насыщенностью и работоспособностью.


хорошая тема, а то что на Тиньку переделали, так вообще отлично, решает все проблемы с деталями и прошивкой. Пики шить я пока не научился.

Еще такой вопрос. Сделал УНЧ под мой приемник. От ноута УНЧ играет отлично. Никаких искажений. К приемнику подключаю нормально работает только на маленькой громкости. Как только даю громкость сразу идет писк свист и так далее. Что на так?


Вернуться наверх
 
Не в сети
 Заголовок сообщения: Re: УКВ приемник средней сложности.
СообщениеДобавлено: Вс мар 11, 2018 21:46:43 
Собутыльник Кота
Аватар пользователя

Карма: 47
Рейтинг сообщений: 911
Зарегистрирован: Ср дек 04, 2013 14:37:35
Сообщений: 2879
Откуда: Санкт Петербург
Рейтинг сообщения: 0
Я делал УКВ приёмник на К174ПС1 и УПЧЗ-2 в начале девяностых. Работал он хорошо и был прост в наладке. Если не запариваться про зеркальные каналы. А если запариваться, то Частота приёма зеркального канала в УКВ РП с ПЧ 6,5МГц и частотой гетеродина выше частоты главного канала, будет выше всего на 13 МГц, и с таким небольшим разносом главного и зеркального каналов, простой входной контур уже не справится. Нужно пару настраиваемых контуров в УРЧ ставить, а это уже не средней сложности приёмник получится, ИМХО.

Олег,
Возможно у Вас нет согласования по входному и выходному сопротивлению усилителя и источника. Дайте ссылку на те схемы, которые у Вас реально собраны. Похоже, некоторые детали придётся добавить.

_________________
С уважением, ВикторС.


Вернуться наверх
 
Не в сети
 Заголовок сообщения: Re: УКВ приемник средней сложности.
СообщениеДобавлено: Вс мар 11, 2018 22:01:05 
Друг Кота
Аватар пользователя

Карма: 123
Рейтинг сообщений: 7959
Зарегистрирован: Сб сен 13, 2014 16:27:32
Сообщений: 39199
Откуда: СпиртоГонск созвездия Омега
Рейтинг сообщения: 0
на самом деле ФСС неперестраиваемый там впоне прокатывал на верхнем УКВ с автогеном на самой пс1 даже в пасиве симеитричном входе ПС1
можно даже варикап вести и ФАПЧ забачать с УПЧЗ-1м я проверял-работало а в упчз2 точность дискриминатора похуже -не знаю справится ли хотя дкмаю да если 121варик поставить

_________________
ZМудрость(Опыт и выдержка) приходит с годами.
Все Ваши беды и проблемы, от недостатка знаний.
Умный и у дурака научится, а дураку и ..
Алберт Ейнштейн не поможет и ВВП не спасет.и МЧС опаздает


Вернуться наверх
 
Не в сети
 Заголовок сообщения: Re: УКВ приемник средней сложности.
СообщениеДобавлено: Вс мар 11, 2018 22:03:01 
Друг Кота
Аватар пользователя

Карма: 107
Рейтинг сообщений: 3313
Зарегистрирован: Сб фев 11, 2017 15:59:13
Сообщений: 14877
Откуда: 57 RUS
Рейтинг сообщения: 0
olegue писал(а):
Как только даю громкость сразу идет писк свист и так далее. Что на так?

Возбуждается УНЧ, возможно по питанию, если нет развязки питания высокачастотной части приёмника и УНЧ, чем питаешь? Прпробуй развязать питание, запитав высокачастотную часть через диод и электролит.

_________________
НАРОДОВЛАСТИЕ а не кланово-олигархическая дерьмократия!!!
Цифровому рабству, навязываемому цифровым олигархатом - НЕТ!


Вернуться наверх
 
Не в сети
 Заголовок сообщения: Re: УКВ приемник средней сложности.
СообщениеДобавлено: Вс мар 11, 2018 22:05:11 
Друг Кота
Аватар пользователя

Карма: 123
Рейтинг сообщений: 7959
Зарегистрирован: Сб сен 13, 2014 16:27:32
Сообщений: 39199
Откуда: СпиртоГонск созвездия Омега
Рейтинг сообщения: 0
банки надо жирные ставить в питало а ВЧ часть через LC филтр питать

_________________
ZМудрость(Опыт и выдержка) приходит с годами.
Все Ваши беды и проблемы, от недостатка знаний.
Умный и у дурака научится, а дураку и ..
Алберт Ейнштейн не поможет и ВВП не спасет.и МЧС опаздает


Вернуться наверх
 
Не в сети
 Заголовок сообщения: Re: УКВ приемник средней сложности.
СообщениеДобавлено: Вс мар 11, 2018 22:44:20 
Собутыльник Кота
Аватар пользователя

Карма: 14
Рейтинг сообщений: 121
Зарегистрирован: Сб май 21, 2016 11:04:52
Сообщений: 2977
Откуда: Беларусь
Рейтинг сообщения: 0
Цитата:
ло а ВЧ часть через LC филтр питать


Цитата:
часть через диод и электролит.



rc фильтры знаю а про эти в первый раз слышу.

Цитата:
Олег,
Возможно у Вас нет согласования по входному и выходному сопротивлению усилителя и источника. Дайте ссылку на те схемы, которые у Вас реально собраны. Похоже, некоторые детали придётся добавить.


попробую нарисовать что я там накрутил


Вернуться наверх
 
Не в сети
 Заголовок сообщения: Re: УКВ приемник средней сложности.
СообщениеДобавлено: Вс мар 11, 2018 22:49:13 
Собутыльник Кота
Аватар пользователя

Карма: 47
Рейтинг сообщений: 911
Зарегистрирован: Ср дек 04, 2013 14:37:35
Сообщений: 2879
Откуда: Санкт Петербург
Рейтинг сообщения: 0
Олег, нарисуйте хоть карандашом на бумаге, для экономии времени, только аккуратно. ;-)

_________________
С уважением, ВикторС.


Вернуться наверх
 
Не в сети
 Заголовок сообщения: Re: УКВ приемник средней сложности.
СообщениеДобавлено: Пн мар 12, 2018 19:53:14 
Собутыльник Кота
Аватар пользователя

Карма: 14
Рейтинг сообщений: 121
Зарегистрирован: Сб май 21, 2016 11:04:52
Сообщений: 2977
Откуда: Беларусь
Рейтинг сообщения: 0
хреново, когда делаешь то чего не понимаешь или (и) не понимаешь того, что делаешь.
схему буду рисовать. И хочу подписать все детали которые я реально поставил.

Добавлено after 5 hours 15 minutes 43 seconds:
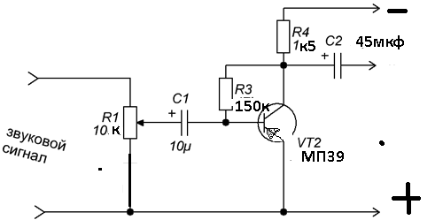
ну вот начало схемы, ВЧ часть с моими деталями
СпойлерИзображение


далее идет вот такой предварительный усилитель

СпойлерИзображение


далее идет УНЧ с перевернутым питанием

СпойлерИзображение


плюсы и минусы соответственно всех схем соеденины в месте

отдельно Предварительный и Оконечный работают хорошо от ноута громкость хорошая без искажений.

вместе с приемником работает только на малой громкости, слабых станций совсем не слышно.
А вот если на выход подключить наушники от плейера то на небольшой громости можно все услышать.

Добавлено after 5 hours 1 minute 52 seconds:
я кстати подключил такой же усилитель от отдельного источника питания и тот же результат. Т.е наверно не в питании дело. Возможно проблема в том, что сигнал на выходе приемника очень маломощный.

Добавлено after 45 seconds:
т.е на большой громкости пищит свистит идет какой-то возбуд


Вернуться наверх
 
Не в сети
 Заголовок сообщения: Re: УКВ приемник средней сложности.
СообщениеДобавлено: Пн мар 12, 2018 20:47:32 
Мудрый кот
Аватар пользователя

Карма: 35
Рейтинг сообщений: 279
Зарегистрирован: Сб июл 30, 2011 08:40:10
Сообщений: 1713
Откуда: Россия
Рейтинг сообщения: 3
я кстати подключил такой же усилитель от отдельного источника питания и тот же результат.
т.е на большой громкости пищит свистит идет какой-то возбуд
Читайте этот пост написанный в данной же теме неделю назад.
viewtopic.php?p=3322583#p3322583
Вам еще про это не нужно забывать.
Хотя все равно вспомните когда соберете приемник и включите его...
...
Также в этом случае есть опасность в том, что при подключении УНЧ возникнет самовозбуждение приемника.
и т.д. по тексту.


Вернуться наверх
 
Показать сообщения за:  Сортировать по:  Вернуться наверх
Начать новую тему Ответить на тему  [ Сообщений: 613 ]     ... , , , 18, , , ...  

Часовой пояс: UTC + 3 часа


Кто сейчас на форуме

Сейчас этот форум просматривают: нет зарегистрированных пользователей и гости: 14


Вы не можете начинать темы
Вы не можете отвечать на сообщения
Вы не можете редактировать свои сообщения
Вы не можете удалять свои сообщения
Вы не можете добавлять вложения

Найти:
Перейти:  


Powered by phpBB © 2000, 2002, 2005, 2007 phpBB Group
Русская поддержка phpBB
Extended by Karma MOD © 2007—2012 m157y
Extended by Topic Tags MOD © 2012 m157y