Например TDA7294

Форум РадиоКот • Просмотр темы - Первичные кварцевые часы
Форум РадиоКот
Здесь можно немножко помяукать :)

Текущее время: Вт мар 03, 2026 02:41:30

Часовой пояс: UTC + 3 часа


ПРЯМО СЕЙЧАС:



Начать новую тему Ответить на тему  [ Сообщений: 9 ] 
Автор Сообщение
 Заголовок сообщения: Первичные кварцевые часы
СообщениеДобавлено: Пн май 13, 2024 21:25:25 
Родился

Зарегистрирован: Пн дек 23, 2019 15:57:50
Сообщений: 15
Рейтинг сообщения: 0
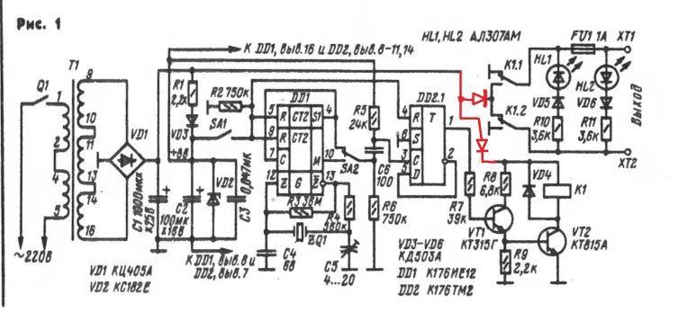
Здравствуйте! Первичные кварцевые часы собраны в соответствии со схемой в журнале "Радио" N10, 1985 г., стр. 44.
Собранная схема запустилась с пол-пинка без нагрузки (т.е. без подключения к ней часов), как в ускоренном, так и нормальном режиме. Но, с подключением нагрузки - шаговый двигатель вторичных часов на 24В, реле R1 перестало срабатывать. Соответственно и лампы HL1 и HL2 не переключаются. Причем, чисто на слух слышно, что реле пытается сработать, но не до замыкания его контактов.
Если снять нагрузку, дождаться срабатывания реле R1 и потом снова подключить нагрузку, то двигатель передвинет стрелку часов на 1 минуту вперед.
Если на шаговый двигатель подавать знакопеременное постоянное напряжение 24В от независимого источника, то он нормально передвигает стрелку часов на 1 минуту вперед.
Путем коммутации первичных обмоток трансформатора поднимал постоянное напряжение до 30В. Эффект тот же.
Трансформатор использовал тот же, что и в схеме.
Экспериментально менял его на другой трансформатор той же марки. Без изменений.
Может кто, что подскажет. Никак не могу решить указанную проблему.


Вернуться наверх
 
 Заголовок сообщения: Re: Первичные кварцевые часы
СообщениеДобавлено: Пн май 13, 2024 21:46:00 
Открыл глаза

Зарегистрирован: Пт май 10, 2024 15:37:23
Сообщений: 58
Рейтинг сообщения: 0
вы питание на контакты реле взяли со входного большого конденсатора или где попало на самой плате ??? (попробовать запитать линию часов от другого независимого выпрямителя или бп)
похоже, что помеха от линии часов сбивает триггер....кроме того, вы про выводы второго триггера ничего не написали, а на схеме его нет вообще...
------
и выкладывать схему к вопросу - это ваша обязанность, а не посылать всех искать, чтобы посмотреть "о чём вы"...


Вернуться наверх
 
 Заголовок сообщения: Re: Первичные кварцевые часы
СообщениеДобавлено: Пн май 13, 2024 22:13:56 
Нашел транзистор. Понюхал.
Аватар пользователя

Карма: 6
Рейтинг сообщений: 57
Зарегистрирован: Вс мар 18, 2018 22:12:38
Сообщений: 189
Рейтинг сообщения: 0
kos-moiseev, mongoose на счет схемы на 100% прав - это вам нужно а не нам искать где то схему, вы проявляете элементарное неуважение.
по теме поэкспериментируйте с резисторами R7 и R8 в сторону уменьшения
какое напряжение при отключенном и при подключенном ШД, на какое напряжение реле К1?

_________________
все гениальное просто. чем проще - тем надежнее


Вернуться наверх
 
 Заголовок сообщения: Re: Первичные кварцевые часы
СообщениеДобавлено: Вт май 14, 2024 12:36:41 
Родился

Зарегистрирован: Пн дек 23, 2019 15:57:50
Сообщений: 15
Рейтинг сообщения: 0
Здравствуйте, прошу прощение за то, что не выложил схему. Никого не хотел обидеть или оскорбить. Схему прилагаю.

Изображение

mongoose писал(а):
вы питание на контакты реле взяли со входного большого конденсатора или где попало на самой плате ??? (попробовать запитать линию часов от другого независимого выпрямителя или бп)
похоже, что помеха от линии часов сбивает триггер....кроме того, вы про выводы второго триггера ничего не написали, а на схеме его нет вообще...
------
и выкладывать схему к вопросу - это ваша обязанность, а не посылать всех искать, чтобы посмотреть "о чём вы"...


1. Питание контактов реле K1, самой обмотки реле и шагового двигателя берется от одной общей цепи с конденсатором С1 1000 мкф x 25В после мостика выпрямителя.
2. Второй триггер микросхемы К176ТМ2 не задействован и в работе не участвует.
3. Думаю, что дело не в сбое в работе триггера К176ТМ2, имеющего стабилизированное питание 9В. В момент кратковременного замыкания контактов реле К1 в обмотке шагового двигателя возникает ЭДС самоиндукции, ток которой направлен встречному току через обмотку К1, т.к. цепь питания у них общая. Напряжение питания падает реле падает и оно отпускает.
Все это происходит в процессе кратковременного замыкания реле К1.
4. Сделать независимый источник питания обмотки реле К1 - это превратить блок первичных часов величиной с небольшой чемодан. Надо попытаться найти более щадящие способы решения проблемы.

v1ct0r писал(а):
kos-moiseev, mongoose на счет схемы на 100% прав - это вам нужно а не нам искать где то схему, вы проявляете элементарное неуважение.
по теме поэкспериментируйте с резисторами R7 и R8 в сторону уменьшения
какое напряжение при отключенном и при подключенном ШД, на какое напряжение реле К1?


1. Поскольку схема отлично работает без нагрузки, можно сделать вывод, что сопротивление R7 и R8 подобраны правильно.
Все дело во взаимном влиянии индуктивных цепей обмотки шагового двигателя и обмотки реле К1, имеющих общую цепь питания, в период переходного процесса при кратковременном замыкании контактов реле К1.
2. Напряжение на обмотке реле К1 25В.
Используется реле РЭС-9 пасп. .....201 с напряжением срабатывания 17В и рабочим напряжением обмотки 23-32В.
3. Напряжение питания схемы при подключенном и отключенном ШД остается неизменным - 25В.


Последний раз редактировалось kos-moiseev Вт май 14, 2024 12:51:41, всего редактировалось 1 раз.

Вернуться наверх
 
Эиком - электронные компоненты и радиодетали
 Заголовок сообщения: Re: Первичные кварцевые часы
СообщениеДобавлено: Вт май 14, 2024 12:51:39 
Открыл глаза

Зарегистрирован: Пт май 10, 2024 15:37:23
Сообщений: 58
Рейтинг сообщения: 0
kos-moiseev писал(а):
4. Сделать независимый источник питания обмотки реле К1

у вас реле с микросхемами работает нормально, предлагалось для проверки доп. источник питания самих часов
mongoose писал(а):
попробовать запитать линию часов от другого независимого выпрямителя или бп

-------
второй триггер не участвует в работе - абсолютно пустая фраза: во-первых, это видят все маломальски разбирающиеся, а, во-вторых, незадействованные входы КМОП НЕ ДОЛЖНЫ болтаться в невесомости (это азы)
---------
+ вариант
Изображение
и, по-моему, странно, что часы стоят под током (обычно импульс до 2 сек и меньше)........


Вернуться наверх
 
 Заголовок сообщения: Re: Первичные кварцевые часы
СообщениеДобавлено: Вт май 14, 2024 14:50:18 
Нашел транзистор. Понюхал.
Аватар пользователя

Карма: 6
Рейтинг сообщений: 57
Зарегистрирован: Вс мар 18, 2018 22:12:38
Сообщений: 189
Рейтинг сообщения: 0
v1ct0r писал(а):
1. Поскольку схема отлично работает без нагрузки, можно сделать вывод, что сопротивление R7 и R8 подобраны правильно.
Все дело во взаимном влиянии индуктивных цепей обмотки шагового двигателя и обмотки реле К1, имеющих общую цепь питания, в период переходного процесса при кратковременном замыкании контактов реле К1.

не факт, но допустим
тогда сделайте так
Вложение:
Безымянный.jpg [55.69 KiB]
Скачиваний: 103


Добавлено after 27 minutes 47 seconds:
не факт, но допустим
тогда сделайте так

а еще лучше так
т.о. вы полностью исключите влияние индуктивности ШД на схему, если же это не поможет, то придется все таки "поиграться" с резисторами R7 и R8
Вложение:
Безымянный.jpg [54.3 KiB]
Скачиваний: 93

_________________
все гениальное просто. чем проще - тем надежнее


Вернуться наверх
 
 Заголовок сообщения: Re: Первичные кварцевые часы
СообщениеДобавлено: Вт май 14, 2024 18:00:34 
Родился

Зарегистрирован: Пн дек 23, 2019 15:57:50
Сообщений: 15
Рейтинг сообщения: 0
v1ct0r писал(а):
v1ct0r писал(а):
1. Поскольку схема отлично работает без нагрузки, можно сделать вывод, что сопротивление R7 и R8 подобраны правильно.
Все дело во взаимном влиянии индуктивных цепей обмотки шагового двигателя и обмотки реле К1, имеющих общую цепь питания, в период переходного процесса при кратковременном замыкании контактов реле К1.

не факт, но допустим
тогда сделайте так
Вложение:
Безымянный.jpg


Добавлено after 27 minutes 47 seconds:
не факт, но допустим
тогда сделайте так

а еще лучше так
т.о. вы полностью исключите влияние индуктивности ШД на схему, если же это не поможет, то придется все таки "поиграться" с резисторами R7 и R8
Вложение:
Безымянный.jpg



Добрый день! Огромное спасибо! Ваше предложение по исключению влияния ЭДС самоиндукции ШД на величину напряжения срабатывания реле К1 с помощью диодных развязок очень убедительно. Результаты сообщу, но не очень быстро. Сложность с разборкой устройства, скомпаннованного очень плотно.


Вернуться наверх
 
 Заголовок сообщения: Re: Первичные кварцевые часы
СообщениеДобавлено: Ср май 15, 2024 08:23:13 
Друг Кота

Карма: 67
Рейтинг сообщений: 1032
Зарегистрирован: Пт мар 07, 2008 06:54:43
Сообщений: 4408
Откуда: Ижевск
Рейтинг сообщения: 0
Кондесаторы 0,1мкФ прямо на лапы питания микросхем могут крепко помочь.


Вернуться наверх
 
 Заголовок сообщения: Re: Первичные кварцевые часы
СообщениеДобавлено: Чт май 16, 2024 12:11:50 
Родился

Зарегистрирован: Пн дек 23, 2019 15:57:50
Сообщений: 15
Рейтинг сообщения: 1
Добрый день! Спасибо всем за помощь! Проблема решена.

v1ct0r, Вашу идею, безусловно рабочую, диодных развязок обмотки реле и ШД, не проверил. Хотя уверен, что все бы получилось.
Проблема решилась установкой керамического конденсатора 0,15 мкф параллельно обмотке ШД.


Вернуться наверх
 
Показать сообщения за:  Сортировать по:  Вернуться наверх
Начать новую тему Ответить на тему  [ Сообщений: 9 ] 

Часовой пояс: UTC + 3 часа


Вы не можете начинать темы
Вы не можете отвечать на сообщения
Вы не можете редактировать свои сообщения
Вы не можете удалять свои сообщения
Вы не можете добавлять вложения

Найти:
Перейти:  


Powered by phpBB © 2000, 2002, 2005, 2007 phpBB Group
Русская поддержка phpBB
Extended by Karma MOD © 2007—2012 m157y
Extended by Topic Tags MOD © 2012 m157y