Например TDA7294

Форум РадиоКот • Просмотр темы - вторая жизнь Ф5147ПИ
Форум РадиоКот
Здесь можно немножко помяукать :)

Текущее время: Вс янв 25, 2026 09:44:26

Часовой пояс: UTC + 3 часа


ПРЯМО СЕЙЧАС:



Начать новую тему Ответить на тему  [ Сообщений: 32 ]    , 2
Автор Сообщение
Не в сети
 Заголовок сообщения: Re: вторая жизнь Ф5147ПИ
СообщениеДобавлено: Ср май 22, 2024 06:17:44 
Друг Кота

Карма: 66
Рейтинг сообщений: 1023
Зарегистрирован: Пт мар 07, 2008 06:54:43
Сообщений: 4387
Откуда: Ижевск
Рейтинг сообщения: 0
Это шутка ардуинщиков. :)
Было предложение
mickbell писал(а):
В разрыв каждой цепи от выхода ДШ до катода ГРИ ставится высоковольтный маломощный транзистор NPN: эмиттером к выходу ДШ, коллектором к катоду ГРИ, базу через последовательный резистор подключить к плюсу питания ДШ. Номинал резистора несколько килоомов.
которое позволяет избавиться от ИД1. Например viewtopic.php?p=919883#p919883 Если выходов ардуино не хватит можно напрячь программиста на чарлиплексинг viewtopic.php?f=3&t=192979&p=4565059#p4565059
В качестве анодных ключей применить типовую схему


Вернуться наверх
 
Не в сети
 Заголовок сообщения: Re: вторая жизнь Ф5147ПИ
СообщениеДобавлено: Пт май 24, 2024 21:29:35 
Прорезались зубы

Зарегистрирован: Пт янв 15, 2016 20:28:42
Сообщений: 211
Рейтинг сообщения: 0
akl писал(а):
Это шутка ардуинщиков. :)
Было предложение
mickbell писал(а):
В разрыв каждой цепи от выхода ДШ до катода ГРИ ставится высоковольтный маломощный транзистор NPN: эмиттером к выходу ДШ, коллектором к катоду ГРИ, базу через последовательный резистор подключить к плюсу питания ДШ. Номинал резистора несколько килоомов.
которое позволяет избавиться от ИД1. Например viewtopic.php?p=919883#p919883 Если выходов ардуино не хватит можно напрячь программиста на чарлиплексинг viewtopic.php?f=3&t=192979&p=4565059#p4565059
В качестве анодных ключей применить типовую схему

я так понял ваше предложение сводится к переводу систему на динамическую индикацию, а саму ИД1 заменить на 10 транзисторов. понимаете, я в своё время собрал штуки 3 часосв на газоразрядных лампах, мануал брал с сайта "лоботрясы", так вот там была всё таже динамическая индикация на к155ид1 и они работают по сей день. т.е. как я понимаю в работе дешефратора в режиме динамической индикации проблем нет, а вот в режиме статики что-то идет не по плану и всё идёт прахом. выход тут очевиден перевести всё на динамическую индикацию и одну ид1)))

значит транзисторы Q11-Q18 MPSA42 действительно не той структуры, нагунлил что есть так называем комплементарный транзистор к MPSA42, называется MPSA92. хотел его поменять, но потом поймал одного доцента Електроника он пояснил что я не смогу открыть транзистор с напряжением 180в на эммитрере если на базе всего 5в)))) по этой причине используется схема с картинки))) и сигнал (5в) сначало открывает транзистор MPSA42, который уже в свою очередь открывает MPSA92 который подаёт 180в на анод. теперь только остаётся уточнить номиналы сопротивлений.
плюс был найден косяк, в транзисторах 19 и 20 перепутаны местами эммитер и коллектор....


Вложения:
qnvRM-329x235.png [8.36 KiB]
Скачиваний: 54
Вернуться наверх
 
Не в сети
 Заголовок сообщения: Re: вторая жизнь Ф5147ПИ
СообщениеДобавлено: Пн май 27, 2024 03:41:45 
Друг Кота

Карма: 66
Рейтинг сообщений: 1023
Зарегистрирован: Пт мар 07, 2008 06:54:43
Сообщений: 4387
Откуда: Ижевск
Рейтинг сообщения: 0
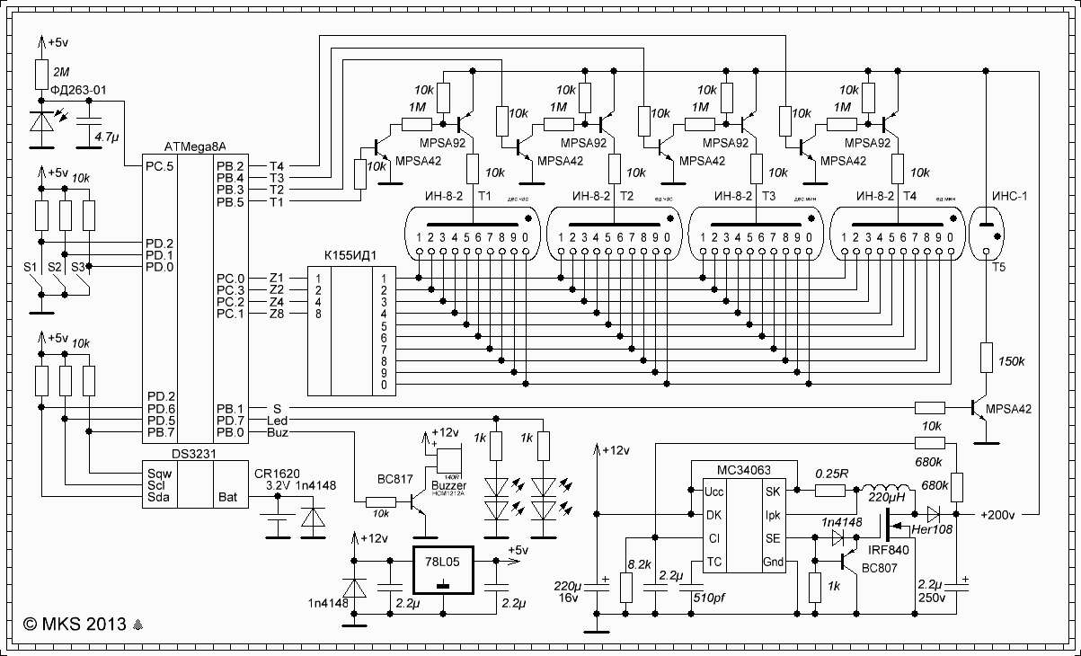
:facepalm: Сгорят оба транзистора. Анодные ключи собираются по типовой схеме.


Вложения:
MKS2013.jpg [112 KiB]
Скачиваний: 65
Вернуться наверх
 
Не в сети
 Заголовок сообщения: Re: вторая жизнь Ф5147ПИ
СообщениеДобавлено: Пн май 27, 2024 20:48:28 
Прорезались зубы

Зарегистрирован: Пт янв 15, 2016 20:28:42
Сообщений: 211
Рейтинг сообщения: 0
спасибо за ваше замечание, мне тут уже пояснили что в такой типовой схеме между коллектором MPSA42 и базой MPSA92 должен стоять реостат который будет на себе рассеивать напряжение открытия транзистора, оказывается даже есть расчетная работа для студентов, где они в зависимости от силы тока расчитывают номинал этого резистора :)) :)) :))
в общем возьму номиналы с вашего примера.
и тут появился вопрос, в вашем примере между коллектором MPSA92 и анодом лампы есть реостат. его ж обычно ставт при статической индикации, при динамической - нет. или как?


Вернуться наверх
 
Эиком - электронные компоненты и радиодетали
Не в сети
 Заголовок сообщения: Re: вторая жизнь Ф5147ПИ
СообщениеДобавлено: Вт май 28, 2024 05:39:10 
Друг Кота

Карма: 66
Рейтинг сообщений: 1023
Зарегистрирован: Пт мар 07, 2008 06:54:43
Сообщений: 4387
Откуда: Ижевск
Рейтинг сообщения: 0
Назначение этого резистора - преобразовать источник напряжения в плохонький, но генератор тока. И режим индикации особой роли не играет. Номинал этого резистора будет меняться от скважности. Для статики он будет максимальным, для динамики - снижаться в зависимости от скважности. Нельзя забывать о таком параметре как средний ток.


Вернуться наверх
 
Не в сети
 Заголовок сообщения: Re: вторая жизнь Ф5147ПИ
СообщениеДобавлено: Вс июл 21, 2024 21:17:04 
Прорезались зубы

Зарегистрирован: Пт янв 15, 2016 20:28:42
Сообщений: 211
Рейтинг сообщения: 0
итак, время идет проект движется... двигался пока я опять не оказался в тупике. значит я закончил моделирование печатной платы, нашел людей которые её сделают с шелкографией и всем подряд, начал заниматься модернизацией кода и тут , как бы это так мягче сказать... есть проблемка.

важным моментом работы МК есть счёт импульсов отоптической линейки, и производительность вычислений зависит от загружености МК, т.е. для нашей программы максимальная скорость перемещения ползунка по оптической линейки составила порядка 30 мм/с, что для наших задач вполне достаточно.
теперь в рабочем коде изменится принцип подачи сигнала на газоразрядные лампы, напомню что раньше работал принцип статической индикации и на каждой лампе стоял высоковольтный дешифратор который управляляся через pcf. для смены одного значения МК должен был отправить на последовательный порт всего-лишь 4 байта в двоичном коде, даже если поменять все цифры то соответственно нужно будет 8*4=32, при этом частота обновления составляла аж 2 Гц!!!!, т.е. максимум процессор МК каджую секунду грузился на отправку 64 байт....
теперь мы изминили принцип работы ламп на динамическую индикацию, и теперь у нас есть одна pcf котрая управляет 8 анодами на каждой лампе (естествена через обвязку транзисторов), а вторая pcf управляет дешифратором и теперь что бы зажечь один символ нужно отправить 4 байта на дешифратор и 8 байт для управления анодом соответствующей лампы. и так нужно делать за цикл для всех 8 ламп, т.е.(8+4)*8=96 байт, казалось бы, 96 байт, чуток больше чем было, но для динамической индикации минимальная частота обновления должна быть 60 Гц, а лучше 120!!!!! 96*60=5760 б/с.....и тут как бы, постоянная работа заберет все вычислительные мощности МК и для счета импульсов с линейки останется малова-то....

какие я вижу выходы из ситуации:
1. замена Atmega 328 (с частотой 16 мГц) на что-то более мощное
2. допилить статическую индикацию (что бы не горели дешифраторы)

что скажете? как тут лучше поступить???

п.с. может ди быть причиной выхода из строя к155 низкое (148 В) напряжение питания???


Вернуться наверх
 
Не в сети
 Заголовок сообщения: Re: вторая жизнь Ф5147ПИ
СообщениеДобавлено: Ср июл 24, 2024 06:09:17 
Друг Кота

Карма: 66
Рейтинг сообщений: 1023
Зарегистрирован: Пт мар 07, 2008 06:54:43
Сообщений: 4387
Откуда: Ижевск
Рейтинг сообщения: 0
Приветствую.
dreadfull писал(а):
...может ди быть причиной выхода из строя к155 низкое (148 В) напряжение питания???
Может, если при коммутации катодов при включенном анодном есть состояние >9. Т.е. программа должна снять анодное напряжение выключением всех анодных ключей -> выдержать паузу -> выдать код следующего символа -> включить соответствующий анодный ключ.
dreadfull писал(а):
замена Atmega 328 (с частотой 16 мГц) на что-то более мощное
Обработка каждого перепада энкодера ЛИР-19А ATmega168 занимает <40 тактов. Преобразование значения двоичного счетчика в BCD в фоновом режиме. Диаграмма управления индикацией по прерыванию таймера...


Вернуться наверх
 
Не в сети
 Заголовок сообщения: Re: вторая жизнь Ф5147ПИ
СообщениеДобавлено: Сб июл 27, 2024 18:52:56 
Прорезались зубы

Зарегистрирован: Пт янв 15, 2016 20:28:42
Сообщений: 211
Рейтинг сообщения: 0
Может, если при коммутации катодов при включенном анодном есть состояние >9. Т.е. программа должна снять анодное напряжение выключением всех анодных ключей -> выдержать паузу -> выдать код следующего символа -> включить соответствующий анодный ключ.

не совсем понимаю что такое "состояние >9".
дело в том что палта с динамической индикацией ущу даже не готова, и схема не собрана даже на макетке. напряжение 148в у нас на старой плате со статической индикацией, на которой массово горят к155ид1... может причина в низком напряжении????? :shock:

Добавлено after 9 hours 6 minutes 43 seconds:
кстати, модет есть смысл поменять к155ид1 на 74141? кто-то работал с импортным аналогом? она понадежнее или такая де привередливая?


Вернуться наверх
 
Не в сети
 Заголовок сообщения: Re: вторая жизнь Ф5147ПИ
СообщениеДобавлено: Сб июл 27, 2024 19:17:23 
Сверлит текстолит когтями
Аватар пользователя

Карма: 6
Рейтинг сообщений: 220
Зарегистрирован: Пн ноя 08, 2021 13:12:57
Сообщений: 1193
Откуда: 58С 58В
Рейтинг сообщения: 0
dreadfull, ---массово горят к155ид1..---
Выходом 155ид1 управлять в.в. транзистором , включенным по схеме ОБ.
Базы подключить к +5 В через резисторы 10 кОм . :dont_know:

_________________
Свежий взгляд из прошлого тысячелетия.


Вернуться наверх
 
Не в сети
 Заголовок сообщения: Re: вторая жизнь Ф5147ПИ
СообщениеДобавлено: Сб июл 27, 2024 19:25:54 
Прорезались зубы

Зарегистрирован: Пт янв 15, 2016 20:28:42
Сообщений: 211
Рейтинг сообщения: 0
80 транзисторов.... ну блин...


Вернуться наверх
 
Не в сети
 Заголовок сообщения: Re: вторая жизнь Ф5147ПИ
СообщениеДобавлено: Пн июл 29, 2024 06:36:12 
Друг Кота

Карма: 66
Рейтинг сообщений: 1023
Зарегистрирован: Пт мар 07, 2008 06:54:43
Сообщений: 4387
Откуда: Ижевск
Рейтинг сообщения: 0
не совсем понимаю что такое "состояние >9".

Вложение:
155ИД1.PNG [100.62 KiB]
Скачиваний: 39
Дешифратор ИД1 имеет логическую структуру с различными временами задержки входы-выходы. Поэтому, при дешифрации на выходах, хоть и кратковременно, но присутствуют запрещенные состояния (на рисунке выделено красным)...


Вернуться наверх
 
Не в сети
 Заголовок сообщения: Re: вторая жизнь Ф5147ПИ
СообщениеДобавлено: Пн июл 29, 2024 18:09:37 
Сверлит текстолит когтями
Аватар пользователя

Карма: 6
Рейтинг сообщений: 220
Зарегистрирован: Пн ноя 08, 2021 13:12:57
Сообщений: 1193
Откуда: 58С 58В
Рейтинг сообщения: 0
80 транзисторов.... ну блин...
SMD транзисторы поверх прорези в печатной дорожке, резисторы SMD навесным монтажом , соединить проводком типа ПЭВ и на +5.
За неделю управиться можно. :solder: 8)

_________________
Свежий взгляд из прошлого тысячелетия.


Вернуться наверх
 
Показать сообщения за:  Сортировать по:  Вернуться наверх
Начать новую тему Ответить на тему  [ Сообщений: 32 ]    , 2

Часовой пояс: UTC + 3 часа


Кто сейчас на форуме

Сейчас этот форум просматривают: нет зарегистрированных пользователей и гости: 21


Вы не можете начинать темы
Вы не можете отвечать на сообщения
Вы не можете редактировать свои сообщения
Вы не можете удалять свои сообщения
Вы не можете добавлять вложения

Найти:
Перейти:  


Powered by phpBB © 2000, 2002, 2005, 2007 phpBB Group
Русская поддержка phpBB
Extended by Karma MOD © 2007—2012 m157y
Extended by Topic Tags MOD © 2012 m157y