Например TDA7294

Форум РадиоКот • Просмотр темы - Цифровая паяльная станция (от михи-псков)
Форум РадиоКот
Здесь можно немножко помяукать :)

Текущее время: Сб фев 21, 2026 08:26:43

Часовой пояс: UTC + 3 часа


ПРЯМО СЕЙЧАС:



Начать новую тему Ответить на тему  [ Сообщений: 10601 ]     ... , , , 116, , , ...  
Автор Сообщение
Не в сети
 Заголовок сообщения: Re: Цифровая паяльная станция (от михи-псков)
СообщениеДобавлено: Вт май 11, 2010 15:15:30 
Встал на лапы

Зарегистрирован: Сб фев 28, 2009 19:55:33
Сообщений: 87
Рейтинг сообщения: 0
Denis85 писал(а):
У меня когда ОУ отрубился случайно, паяльник так раскалился ППЦ до красна. А на индикаторе было 80гр. Так вот, если есть желание можете подумать как сделать защиту... тоже самое может произойти при плохом контакте термопары или выход ее из строя.

Дык при обрыве или плохом контакте термопары на индикторе и будет Err, а как еще она может выйти из строя? :roll:
Если ОУ случайно отрубится (например выпадет из панельки :)) ) тут канеш сложнее.
А паяльник докрасна раскалить нефик делать и при всем исправном :)))
У меня получилось, несколько страниц назад фотку выкладывал. Оказалось зря я его поставил в подставку (типа такой: http://shop.siriust.ru/product_info.php ... hatocsjs41, внутри глухая металлическая трубка). Потом прочитал в инструкции вот к этому: http://shop.siriust.ru/product_info.php ... s_id/10859 паяльнику (не дословно) "не нагревайте паяльник когда жало направлено вниз", что я и сделал. Правда непонятно как тогда паять, направляя жало вверх? :))

Buno писал(а):
( мне нужна эта станция для работы и хотелбы чтобы онаработала очень долго!)

для работы лучче купи, проще и быстрее...


Вернуться наверх
 
Не в сети
 Заголовок сообщения: Re: Цифровая паяльная станция (от михи-псков)
СообщениеДобавлено: Вт май 11, 2010 21:12:17 
Опытный кот
Аватар пользователя

Карма: 1
Рейтинг сообщений: 2
Зарегистрирован: Пт мар 06, 2009 18:22:23
Сообщений: 702
Рейтинг сообщения: 0
Denis85 писал(а):
Так вот, если есть желание можете подумать как сделать защиту...

Термопредохранитель в паяльник поставить, или биметалл. регулятор температуры от утюга. :wink:


Вернуться наверх
 
Не в сети
 Заголовок сообщения: Re: Цифровая паяльная станция (от михи-псков)
СообщениеДобавлено: Ср май 12, 2010 18:43:21 
Вымогатель припоя
Аватар пользователя

Карма: 4
Рейтинг сообщений: 102
Зарегистрирован: Чт фев 19, 2009 23:41:27
Сообщений: 615
Откуда: Беларусь, Барановичи
Рейтинг сообщения: 0
Вот собранная мной паяльная станция для друга + блок питания ( не пропадать же обмотке питания питающую мотор фена когда фен не используется :)) )

Изображение

Самодельная подставка под паяльник из нержавейки и куска алюминиевой шины.

Изображение

Изображение

Изготовленная подставка для фена с холодной сварки + магниты.

Коротко:


На нёс первый слой (полукруг) на фен обмотанный полиэтиленом и дал высохнуть потом сделал каркас из медной проволоки и картона, облепил всё 2 слоем, тем самым вывел переднюю, заднюю и боковые стенки, дал высохнуть, потом осторожно снял с Термофена, термофен держиться в подставке за счёт выемки которую видно на 1 и 2 рисунке.

После в пустоту были заложены магниты + крепёжные стойки и всё это было залито эпоксидной смолой (можно и сваркой залепить). Для желающих повторить возьмите пластилин и попробуйте, фен предварительно обмотайте чем не будь, типа полиэтилена, фторопласта и т.д. Ну и остаётся только покрасить.

ИзображениеИзображениеИзображениеИзображение

Заводская подставка для сравнения

Изображение
Изображениеjpg[/img][/url]
http://forum.easyelectronics.ru/viewtopic.php?f=12&t=2356

Изготовленная подставка для фена с холодной сварки + магниты.

Коротко:


На нёс первый слой (полукруг) на фен обмотанный полиэтиленом и дал высохнуть потом сделал каркас из медной проволоки и картона, облепил всё 2 слоем, тем самым вывел переднюю, заднюю и боковые стенки, дал высохнуть, потом осторожно снял с Термофена, термофен держиться в подставке за счёт выемки которую видно на 1 и 2 рисунке.

После в пустоту были заложены магниты + крепёжные стойки и всё это было залито эпоксидной смолой (можно и сваркой залепить). Для желающих повторить возьмите пластилин и попробуйте, фен предварительно обмотайте чем не будь, типа полиэтилена, фторопласта и т.д. Ну и остаётся только покрасить.

_________________
FAQ по паяльной станции "от михи-псков" и доработке Lykey 702/852D+,схемы,платы, прошивки


Последний раз редактировалось Spruts80 Сб дек 24, 2011 14:43:33, всего редактировалось 3 раз(а).

Вернуться наверх
 
Не в сети
 Заголовок сообщения: Re: Цифровая паяльная станция (от михи-псков)
СообщениеДобавлено: Пт май 14, 2010 14:37:53 
Открыл глаза
Аватар пользователя

Зарегистрирован: Вс янв 11, 2009 17:48:43
Сообщений: 50
Откуда: Украина
Рейтинг сообщения: 0
Доброго времени суток!
Такой вопрос, а ни кто не пробовал использовать эту схему для инфракрасного преднагревателя плат ??
По идее должен работать, вот только думаю еще оптопару поставить ту которая отслеживает переход через ноль.


Вернуться наверх
 
Эиком - электронные компоненты и радиодетали
Не в сети
 Заголовок сообщения: Re: Цифровая паяльная станция (от михи-псков)
СообщениеДобавлено: Пт май 14, 2010 14:54:18 
Мудрый кот
Аватар пользователя

Карма: 1
Рейтинг сообщений: 7
Зарегистрирован: Ср апр 23, 2008 17:44:56
Сообщений: 1708
Откуда: Россия, г. Нижний Новгород
Рейтинг сообщения: 0
Frank писал(а):
вот только думаю еще оптопару поставить ту которая отслеживает переход через ноль.

зачем?

_________________
абажаю мой KIA CEED Изображение
Пресекать нарушения закона мой долг и обязанность как гражданина моей страны


Вернуться наверх
 
Не в сети
 Заголовок сообщения: Re: Цифровая паяльная станция (от михи-псков)
СообщениеДобавлено: Пт май 14, 2010 17:12:17 
Вымогатель припоя
Аватар пользователя

Карма: 4
Рейтинг сообщений: 102
Зарегистрирован: Чт фев 19, 2009 23:41:27
Сообщений: 615
Откуда: Беларусь, Барановичи
Рейтинг сообщения: 0
Frank писал(а):
Доброго времени суток!
Такой вопрос, а ни кто не пробовал использовать эту схему для инфракрасного преднагревателя плат ??
По идее должен работать, вот только думаю еще оптопару поставить ту которая отслеживает переход через ноль.


Moc 3041 уже содержит данный узел, на сколько я знаю уже использовали данную схему (канал паяльника) для инфракрасного подогревателя плат.

_________________
FAQ по паяльной станции "от михи-псков" и доработке Lykey 702/852D+,схемы,платы, прошивки


Вернуться наверх
 
Не в сети
 Заголовок сообщения: Re: Цифровая паяльная станция (от михи-псков)
СообщениеДобавлено: Пт май 14, 2010 17:37:32 
Опытный кот
Аватар пользователя

Карма: 14
Рейтинг сообщений: 434
Зарегистрирован: Ср янв 30, 2008 22:28:09
Сообщений: 884
Откуда: Украина Харьковская обл.
Рейтинг сообщения: 0
Я использовал....совместно с кварцевым ИК нагревателем...силовуха MOC+BT...вроде нормально с последней прошивкой...скоро будут фото...работаю над корпусом :))
ЗЫ А вообще кварцевые ИК нагреватели жесть....при тесте разгонял температуру до 700 грд...но это конечно бред для нижнего...внутри коруса, желательно ставить кулер и использовать базальтовые платины для поглощения тепла в корпусе...иначе у меги крыша сьедет :)))


Вернуться наверх
 
Не в сети
 Заголовок сообщения: Re: Цифровая паяльная станция (от михи-псков)
СообщениеДобавлено: Пт май 14, 2010 18:15:24 
Открыл глаза
Аватар пользователя

Зарегистрирован: Вс янв 11, 2009 17:48:43
Сообщений: 50
Откуда: Украина
Рейтинг сообщения: 0
sema писал(а):
Frank писал(а):
вот только думаю еще оптопару поставить ту которая отслеживает переход через ноль.

зачем?


Ну по идее помех меньше будет.
Nimnul писал(а):
Я использовал....совместно с кварцевым ИК нагревателем...силовуха MOC+BT...вроде нормально с последней прошивкой...скоро будут фото...работаю над корпусом :))
ЗЫ А вообще кварцевые ИК нагреватели жесть....при тесте разгонял температуру до 700 грд...но это конечно бред для нижнего...внутри коруса, желательно ставить кулер и использовать базальтовые платины для поглощения тепла в корпусе...иначе у меги крыша сьедет :)))


Спс за ответ! тоже хочу собрать уже давно, сначала искал пид регулятор но потом остановлися вот на этой схеме.
Только я не кварцевых трубках хочу попробовать а на линейных галогенках две последовательно 4-ре штуки, основное применение для ремонта моб. телефонов.
Думаю управляющй блок отдельно от термостола делать.


Вернуться наверх
 
Не в сети
 Заголовок сообщения: Re: Цифровая паяльная станция (от михи-псков)
СообщениеДобавлено: Пт май 14, 2010 18:38:37 
Мудрый кот
Аватар пользователя

Карма: 1
Рейтинг сообщений: 7
Зарегистрирован: Ср апр 23, 2008 17:44:56
Сообщений: 1708
Откуда: Россия, г. Нижний Новгород
Рейтинг сообщения: 0
помех будет меньше. но работать будет только если частота ШИМ будет порядка нескольких герц или даже ниже. давно уже не вникал в эту ветку, если в последних версиях прошивок это так - то это имеет смысл.

_________________
абажаю мой KIA CEED Изображение
Пресекать нарушения закона мой долг и обязанность как гражданина моей страны


Вернуться наверх
 
Не в сети
 Заголовок сообщения: Re: Цифровая паяльная станция (от михи-псков)
СообщениеДобавлено: Сб май 15, 2010 23:43:29 
Открыл глаза

Карма: 5
Рейтинг сообщений: 30
Зарегистрирован: Чт сен 24, 2009 18:28:40
Сообщений: 76
Откуда: severomorsk
Рейтинг сообщения: 0
Собирал на линейных галогенках подогрев,не понравилось то,что лампы мигают при
выходе схемы на требуемую температуру.
Если увеличить частоту шима,то будет думаю нормально.


Вернуться наверх
 
Не в сети
 Заголовок сообщения: Re: Цифровая паяльная станция (от михи-псков)
СообщениеДобавлено: Вс май 16, 2010 00:25:01 
Опытный кот
Аватар пользователя

Карма: 1
Рейтинг сообщений: 2
Зарегистрирован: Пт мар 06, 2009 18:22:23
Сообщений: 702
Рейтинг сообщения: 0
lsv884 писал(а):
Собирал на линейных галогенках подогрев,не понравилось то,что лампы мигают при
выходе схемы на требуемую температуру.
Если увеличить частоту шима,то будет думаю нормально.

То ещё хуже будет. Чтоб небыло моргания- поможет только фазовое управление симистором. В станции из раздела "Микроконтроллеры и ПЛИС" оно самое.


Вернуться наверх
 
Не в сети
 Заголовок сообщения: Re: Цифровая паяльная станция (от михи-псков)
СообщениеДобавлено: Пн май 17, 2010 15:35:27 
Родился

Зарегистрирован: Пт май 07, 2010 11:56:12
Сообщений: 18
Рейтинг сообщения: 0
Вот моя версия паяльной станции. Паяльник с керам. нагревателем 24 В фирмы ERSA с встроенной термопарой.
Особенность паяльника в керамическом нагревательном элементе - в холодном состоянии его сопротивление менее 2 Ом, а в нагретом более 12 Ом. Поэтому при включении паяльника он потребляет ток более 10 А. Зато паяльник выходит на рабочую температуру после включения за несколько секунд.
Для достижения высокой точности поддержания температуры в схеме регулятора использована ШИМ. Для комутации тока в паяльник применено электронное реле с опторазвязкой и комутаций в бестоковую паузу типа S 202 SE2.
Схема http://vgorev.narod.ru/r_page/m_constr/ ... power1.gif

Изображение
Монтаж
http://vgorev.narod.ru/r_page/m_constr/ ... ow_b_b.jpg


Вернуться наверх
 
Не в сети
 Заголовок сообщения: Re: Цифровая паяльная станция (от михи-псков)
СообщениеДобавлено: Вт май 18, 2010 09:27:53 
Нашел транзистор. Понюхал.

Карма: 4
Рейтинг сообщений: 20
Зарегистрирован: Пн сен 07, 2009 14:32:04
Сообщений: 187
Откуда: N. Tagil
Рейтинг сообщения: 0
VladGor10 писал(а):
....Поэтому при включении паяльника он потребляет ток более 10 А. ...

Что-то уж больно многовато!

_________________
Доброго времени суток всем!
Не надо мне ВЫ-кать!


Вернуться наверх
 
Не в сети
 Заголовок сообщения: Re: Цифровая паяльная станция (от михи-псков)
СообщениеДобавлено: Вт май 18, 2010 16:27:47 
Родился

Зарегистрирован: Пт май 07, 2010 11:56:12
Сообщений: 18
Рейтинг сообщения: 0
DJINO писал(а):
Что-то уж больно многовато!

Точно так же, как включаете лампу на 24 В, сопротивление холодной чуть ли не в 10 раз ниже, бросок тока. Такой ток 10 А на паяльнике длится 0,2 сек.


Вернуться наверх
 
Не в сети
 Заголовок сообщения: Re: Цифровая паяльная станция (от михи-псков)
СообщениеДобавлено: Вт май 18, 2010 22:28:31 
Первый раз сказал Мяу!

Зарегистрирован: Пт окт 02, 2009 19:59:35
Сообщений: 27
Рейтинг сообщения: 0
Здравствуйте всем, сделал термофен по схеме

http://www.radiokot.ru/forum/download/file.php?id=32139

теперь вопрос по прошивке (у меня ОА) , заливал как положено вот эту Luk702_fan_SE-2.rar (57стр) но немогу настроить температуру подстроечником LM, т.к. ниже 40 с копейками не опускаеться даже если уменьшить сопротивление 62к
там же на 57стр есть LUK702_sir_timer.rar - вообще выдает Err
и еще скачет +-5 С это разводка плохая? вроде встечал эту проблему уже...хотел уточнить.


Вернуться наверх
 
Не в сети
 Заголовок сообщения: Re: Цифровая паяльная станция (от михи-псков)
СообщениеДобавлено: Ср май 19, 2010 00:11:07 
Опытный кот
Аватар пользователя

Карма: 1
Рейтинг сообщений: 2
Зарегистрирован: Пт мар 06, 2009 18:22:23
Сообщений: 702
Рейтинг сообщения: 0
LUK702_sir_timer.rar - не для фена вообще, a для паяльной части "Lukey702".
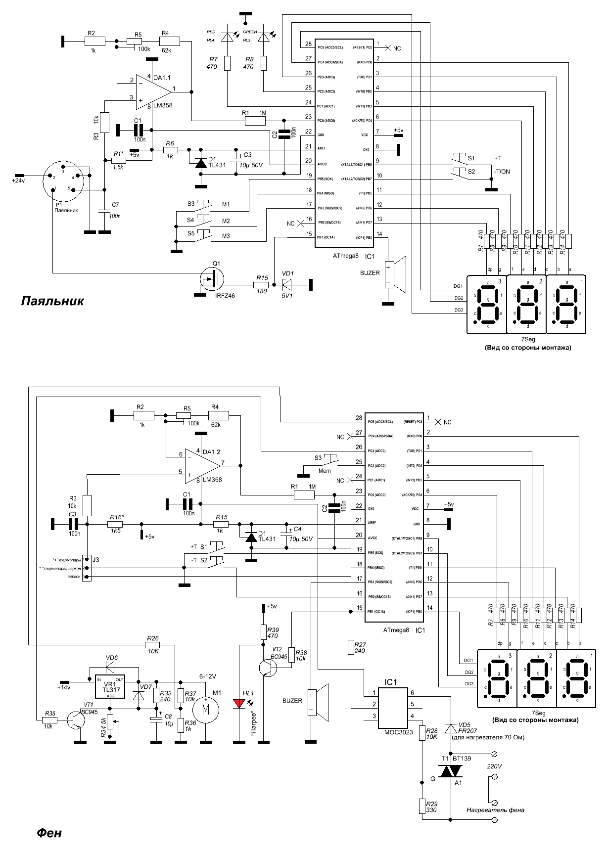
Чтоб опустилась ниже 40° с копейками, надо увеличивать "R16* 1к5". Им устанавливаешь нижнюю температуру, затем подстроечником- верхнюю.


Вернуться наверх
 
Не в сети
 Заголовок сообщения: Re: Цифровая паяльная станция (от михи-псков)
СообщениеДобавлено: Ср май 19, 2010 06:56:06 
Первый раз сказал Мяу!

Зарегистрирован: Пт окт 02, 2009 19:59:35
Сообщений: 27
Рейтинг сообщения: 0
Volly писал(а):
LUK702_sir_timer.rar - не для фена вообще, a для паяльной части "Lukey702".
Чтоб опустилась ниже 40° с копейками, надо увеличивать "R16* 1к5". Им устанавливаешь нижнюю температуру, затем подстроечником- верхнюю.


спасибо, буду пробывать, а по поводу скачков +-5С...


Вернуться наверх
 
Не в сети
 Заголовок сообщения: Re: Цифровая паяльная станция (от михи-псков)
СообщениеДобавлено: Вт май 25, 2010 06:31:25 
Открыл глаза

Зарегистрирован: Чт апр 29, 2010 16:52:28
Сообщений: 66
Рейтинг сообщения: 0
Добрый день! У паяльной станции новой Luke702, гудит транс, разобрал вроде прикручен нормально, может есть у кого нибуть мысли по этому поводу. Может эпоксидкой залить или как?


Вернуться наверх
 
Не в сети
 Заголовок сообщения: Re: Цифровая паяльная станция (от михи-псков)
СообщениеДобавлено: Вт май 25, 2010 08:41:04 
Опытный кот
Аватар пользователя

Карма: 14
Рейтинг сообщений: 434
Зарегистрирован: Ср янв 30, 2008 22:28:09
Сообщений: 884
Откуда: Украина Харьковская обл.
Рейтинг сообщения: 0
Нужно пропитать трансформаторные пластины лаком.


Вернуться наверх
 
Не в сети
 Заголовок сообщения: Re: Цифровая паяльная станция (от михи-псков)
СообщениеДобавлено: Вт май 25, 2010 17:07:40 
Вымогатель припоя
Аватар пользователя

Карма: 4
Рейтинг сообщений: 102
Зарегистрирован: Чт фев 19, 2009 23:41:27
Сообщений: 615
Откуда: Беларусь, Барановичи
Рейтинг сообщения: 0
konan38 писал(а):
Добрый день! У паяльной станции новой Luke702, гудит транс, разобрал вроде прикручен нормально, может есть у кого нибуть мысли по этому поводу. Может эпоксидкой залить или как?

Он прикручен саморезами к пластмассе :)) , стяните железо шпильками и пропитайте железо лаком, высушите и пользуйтесь.

_________________
FAQ по паяльной станции "от михи-псков" и доработке Lykey 702/852D+,схемы,платы, прошивки


Вернуться наверх
 
Показать сообщения за:  Сортировать по:  Вернуться наверх
Начать новую тему Ответить на тему  [ Сообщений: 10601 ]     ... , , , 116, , , ...  

Часовой пояс: UTC + 3 часа


Кто сейчас на форуме

Сейчас этот форум просматривают: netcat62 и гости: 64


Вы не можете начинать темы
Вы не можете отвечать на сообщения
Вы не можете редактировать свои сообщения
Вы не можете удалять свои сообщения
Вы не можете добавлять вложения

Найти:
Перейти:  


Powered by phpBB © 2000, 2002, 2005, 2007 phpBB Group
Русская поддержка phpBB
Extended by Karma MOD © 2007—2012 m157y
Extended by Topic Tags MOD © 2012 m157y