Например TDA7294

Форум РадиоКот • Просмотр темы - Альтернатива лампочки в генераторе НЧ
Форум РадиоКот
Здесь можно немножко помяукать :)

Текущее время: Сб янв 10, 2026 00:54:26

Часовой пояс: UTC + 3 часа


ПРЯМО СЕЙЧАС:



Начать новую тему Ответить на тему  [ Сообщений: 253 ]     ... , , , 12,  
Автор Сообщение
Не в сети
 Заголовок сообщения: Re: Альтернатива лампочки в генераторе НЧ
СообщениеДобавлено: Сб окт 04, 2025 13:19:17 
Это не хвост, это антенна

Карма: 20
Рейтинг сообщений: 444
Зарегистрирован: Пн июн 12, 2017 13:29:46
Сообщений: 1438
Рейтинг сообщения: 0
Муркиз
Лыко-мочало, начинай сначала. Кругами ходим. Всю необходимую информацию для работы вопрошающий получил пару страниц тому назад.


Вернуться наверх
 
Не в сети
 Заголовок сообщения: Re: Альтернатива лампочки в генераторе НЧ
СообщениеДобавлено: Сб окт 04, 2025 14:39:16 
Друг Кота
Аватар пользователя

Карма: 197
Рейтинг сообщений: 8604
Зарегистрирован: Пн ноя 30, 2009 03:00:01
Сообщений: 43225
Откуда: Нерезиновая
Рейтинг сообщения: 0
Муркиз писал(а):
И схема эта рабочая, и даже очень хорошо рабочая, это давно проверено, вот вам пример реально работающей конструкции:

А вы не могли бы пальчиком показать вот на этой схеме:
СпойлерИзображение

тот участок схемы, который соответствует вот этой схеме:
СпойлерИзображение

И как в "исходной" схеме подключён полевой транзистор?


Вложения:
гнч-2хТмост1.jpg [77.07 KiB]
Скачиваний: 454
JFET-1.JPG [156.94 KiB]
Скачиваний: 451
Вернуться наверх
 
Не в сети
 Заголовок сообщения: Re: Альтернатива лампочки в генераторе НЧ
СообщениеДобавлено: Сб окт 04, 2025 16:42:58 
Друг Кота
Аватар пользователя

Карма: 107
Рейтинг сообщений: 3809
Зарегистрирован: Пн фев 09, 2009 22:19:49
Сообщений: 24506
Откуда: Когда-то был прекрасный город для людей
Рейтинг сообщения: 0
Вам надо, чтобы схемы под копирку совпадали ? и то, что принцип регулирования совпадает, недостаточно ?


Вернуться наверх
 
Не в сети
 Заголовок сообщения: Re: Альтернатива лампочки в генераторе НЧ
СообщениеДобавлено: Сб окт 04, 2025 16:59:14 
Прорезались зубы
Аватар пользователя

Карма: -2
Рейтинг сообщений: 3
Зарегистрирован: Пт фев 17, 2017 20:53:01
Сообщений: 243
Рейтинг сообщения: 0
АлександрЛ писал(а):
зы А вы уверены в том, что, на этой схеме:
Изображение
Правильно показан P- канальный JFET?

АлександрЛ, конечно, p-канальный JFET изображён правильно:
Изображение
А первоначальная схема, которая содержала этот вариант АРУ - рабочая, я её собрал, проверил, работает. Но эта схема использует мост Вина. Поэтому всё правильно тут изображено. Не работает АРУ только в схеме генератора на упрощенном двойном Т-мосте.

Asmodey, про подбор разных транзисторов понятно, но ничем не доказано. Транзистор здесь как управляемое сопротивление - больше напряжение на затворе -> больше сопротивление перехода сток-исток -> меньше усиление обратной связи ОУ и наоборот. Когда есть ведро транзисторов одной марки и ещё мешок другой, то за вечерок можно подобрать такой, но какая гарантия, что это принесёт результат? И, если я не ошибаюсь, вы говорили, что вы решили проблему с работой АРУ подбором транзисторов для генератора именно на мосте Вина, а у меня - другой случай, мы не обсуждаем генератор на мосте Вина. Его я тоже собирал и там все запустилось успешно, и с разными транзисторами. Теперь стоит задача сделать это же на упрощенном двойном Т-мосте в качестве фильтра обратной связи.
Asmodey писал(а):
пусть ТС возьмет кучу транзисторов и перебирает их до получения результата

Желательно не просто подобрать подходящий, а понимать по какому критерию тот или иной транзистор подходит, а какой и почему не подходит - это важнее, так же, как и понимание того, какие требования к положительной обратной связи предьявляются для надёжной генерации и настройке транзистора АРУ для обеспечения уверенного контроля и регулировки усиления по напряжению. Вот об этом здесь пока никто и ничего дельного не сказал: только какие-то отличные от рассматриваемой фрагменты схем, отсылки на конструкции генераторов альтерантивной конструкции, намёки на неправильный подбор и подключение деталей, не хватает только предложений просто пойти и купить готовый аппарат и не заморачиваться :shock: .

Муркиз, в опубликованной вами схеме из 70-х я не понял, куда нужно обратить внимание и как это применить у себя. Принцип - не понятен. Тут проще было бы указать применительно к моей схеме, что и куда нужно подключить, что доработать. Если сможете, дорисуйте в моей схеме или просто опишите хотя бы словами, что в моей реализации неправильно, как надо и как это будет работать.


Вернуться наверх
 
Эиком - электронные компоненты и радиодетали
Не в сети
 Заголовок сообщения: Re: Альтернатива лампочки в генераторе НЧ
СообщениеДобавлено: Сб окт 04, 2025 17:15:53 
Держит паяльник хвостом

Карма: 2
Рейтинг сообщений: 111
Зарегистрирован: Пт ноя 22, 2024 14:08:43
Сообщений: 901
Рейтинг сообщения: 3
вам подсказали, что с увеличением сигнала на выходе сопротивление полевика должно уменьшаться, КТ306 на синьке решает эту задачу....
в исходной статье тоже написано, что лампочка ставится в последовательное плечо делителя, а не вместо терморезистора....


Вернуться наверх
 
Не в сети
 Заголовок сообщения: Re: Альтернатива лампочки в генераторе НЧ
СообщениеДобавлено: Сб окт 04, 2025 18:48:21 
Друг Кота
Аватар пользователя

Карма: 107
Рейтинг сообщений: 3809
Зарегистрирован: Пн фев 09, 2009 22:19:49
Сообщений: 24506
Откуда: Когда-то был прекрасный город для людей
Рейтинг сообщения: 0
И ещё в рот положить и проглотить ? Анонсировать себя как разработчика схемы и не разобраться в работе шести деталей ?

Возможности чертить схемы у меня сейчас нет, я сейчас " в поле", обьяснений, которые тут уже дало несколько человек, по-моему, даже избыточно, разжевано уже вполне достаточно.


Вернуться наверх
 
Не в сети
 Заголовок сообщения: Re: Альтернатива лампочки в генераторе НЧ
СообщениеДобавлено: Сб окт 04, 2025 19:39:43 
Прорезались зубы
Аватар пользователя

Карма: -2
Рейтинг сообщений: 3
Зарегистрирован: Пт фев 17, 2017 20:53:01
Сообщений: 243
Рейтинг сообщения: 0
Муркиз писал(а):
не разобраться в работе шести деталей ?

ну если вы умнее всех нас и всё прекрасно знаете, слушаем вас внимательно: наверное вы наверняка понимаете где заключается ошибка, способны дать развёрнутый и понятный ответ, основанный на хорошем знании теории и практической подкованности, который будет интересен не только мне, но и всем, кто что-то полезное берет из этой темы. Заняты - не вопрос, подожду, никто никого не обязывает что-то делать вопреки своей занятости, всё исключительно по возможности.
Муркиз писал(а):
обьяснений, которые тут уже дало несколько человек, по-моему, даже избыточно, разжевано

Самые "разжеванные" сообщения в этой теме были даны исключительно мной. Остальное - какие-то мелкие отрывки, догадки, схемы нарисованные
Муркиз писал(а):
" в поле"

левой пяткой, на которых почти ничего не видно и не понятно и ни одного чёткого и развёрнутого ответа никем дано не было. Но это не проблема, а, скорее, ожидаемый закономерный результат.
Ответы в стиле "вот смотри" где-то там, что-то там, было давно, уже не помню, что-то получилось, что-то нет, но то был мост Вина, подбирал не думая из ведра деталей на авось сработает, схема проверенная, работала с Т-мостом, которого тут нет, но он там есть, какая связь с мостом - просто сам догадывайся, и т.д. и т.п., а ТС - сам виноват, раз не понимает очевидного - выглядят как-то, очень мягко говоря, странно. Ну не знаешь, так и скажи. Это значете, как называется? "Советики" на отвали :dont_know:
Муркиз писал(а):
обьяснений ... уже вполне достаточно

Муркиз, ну вот каких? Пройдёмся по последним 3-м страницам:

Asmodey писал(а):
Именно с мостом Вина. Как-то получалось нормально работающая схема, но раза 2 или 3 потерпел фиаско

Согласен, всё хорошо, но с мостом Вина.
Asmodey писал(а):
Вообще без понятия

Динозавр писал(а):
схему засекретили

:hunger:
АлександрЛ писал(а):
ссылка ведёт? На порносайт?

oldbulb писал(а):
предлагал внимательно рассмотреть схему Г3-112.

Рассмотрел, почитал техническое описание, понял, что указанный на схеме генератора стабилизатор на полевом транзисторе выполняет задачу стабилизации (удержание) уровня амплитуды выходного сигнала не смотря на отклонения сетевого напряжения. А меня интересует именно реализация управления усилением ОУ на полевом транзисторе для компенсации затуханий, вызванных работой моста. Да и схема того генератора вроде бы как использует не двойной Т-мост, т.е. Не мой случай. Но если я что-то проглядел, то поправьте.
Динозавр писал(а):
VT1 должен открываться при увеличении Uвых.
Можно MOSFET

Уже прокомментировал это: если при повышении уровня выходного сигнала MOSFET, находящийся в нижнем плече делителя, будет открываться, сопротивление нижней ветви делителя будет уменьшаться, а усиление будет увеличиваться, что прямо противоположно. Если MOSFET перенести в верхнее плечо делителя, то при уменьшении его сопротивления усиление будет также уменьшаться. Но это полностью соответствует работе, которую выполняет JFET, как элемент нижнего плеча делителя. В чём логика менять тип транзистора?
oldbulb писал(а):
Нет, это просто стабилизация амплитуды в зависимости от любых факторов, в том числе от фазы Луны.

:hunger:
Муркиз писал(а):
вот вам пример реально работающей конструкции:

и
oldbulb писал(а):
Странный рисуночек, однако не соответствует обсуждаемой схеме

oldbulb писал(а):
Кругами ходим. Всю необходимую информацию для работы вопрошающий получил пару страниц тому назад.

Вот сверху выдержка всей необходимой информации, верно? :tea: Понятно.


Вернуться наверх
 
Не в сети
 Заголовок сообщения: Re: Альтернатива лампочки в генераторе НЧ
СообщениеДобавлено: Сб окт 04, 2025 19:59:00 
Друг Кота
Аватар пользователя

Карма: 107
Рейтинг сообщений: 3809
Зарегистрирован: Пн фев 09, 2009 22:19:49
Сообщений: 24506
Откуда: Когда-то был прекрасный город для людей
Рейтинг сообщения: 0
Цитата:
Рассмотрел, почитал техническое описание, понял, что указанный на схеме генератора стабилизатор на полевом транзисторе выполняет задачу стабилизации (удержание) уровня амплитуды выходного сигнала не смотря на отклонения сетевого напряжения. А меня интересует именно реализация управления усилением ОУ на полевом транзисторе для компенсации затуханий, вызванных работой моста.


Не имеет смысла любые объяснения, пока будет использоваться такой подход к работе генератора. Посылка ложная, и это не раз объяснялось.

Но только все наталкиваются на возражения по форме обложки, а содержание игнорировалось.

Вот и сейчас, что выше написано - что изменилось ? Заблуждения как были, так и остались под соусом - я так хочу ! Хочешь - ну и ладно. Хоти сколько хочешь, а нас не буди....


Вернуться наверх
 
Не в сети
 Заголовок сообщения: Re: Альтернатива лампочки в генераторе НЧ
СообщениеДобавлено: Сб окт 04, 2025 20:17:39 
Сверлит текстолит когтями
Аватар пользователя

Карма: 6
Рейтинг сообщений: 219
Зарегистрирован: Пн ноя 08, 2021 13:12:57
Сообщений: 1186
Откуда: 58С 58В
Рейтинг сообщения: 3
Igor84, ---Уже прокомментировал это: если при повышении уровня выходного сигнала MOSFET, находящийся в нижнем плече делителя, будет открываться, сопротивление нижней ветви делителя будет уменьшаться, а усиление будет увеличиваться---
Это делитель ПОС. Усиление будет Уменьшаться. :wink:

_________________
Свежий взгляд из прошлого тысячелетия.


Вернуться наверх
 
Не в сети
 Заголовок сообщения: Re: Альтернатива лампочки в генераторе НЧ
СообщениеДобавлено: Пн окт 06, 2025 00:23:32 
Прорезались зубы
Аватар пользователя

Карма: -2
Рейтинг сообщений: 3
Зарегистрирован: Пт фев 17, 2017 20:53:01
Сообщений: 243
Рейтинг сообщения: 0
Динозавр писал(а):
Это делитель ПОС

Спасибо! Теперь понятно.

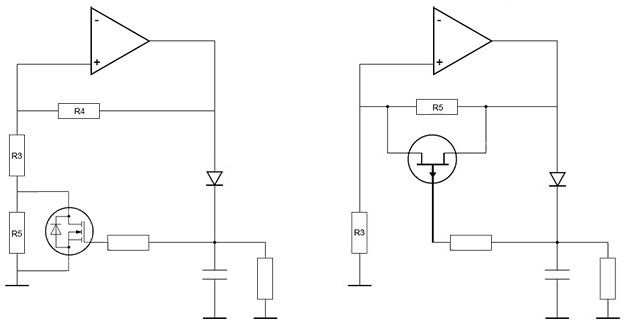
Динозавр, скажите, пожалуйста, а какой из этих двух вариантов включения транзисторов сюда будет правильнее, какой неправильный и почему:
* первая схема - с MOSFET
* вторая схема - с JFET

Изображение

Также интересует как каждый вариант будет влиять на значение нелинейных искажений (к сожалению, нет возможности экспериментально самостоятельно проверить это)?
И по какому критерию нужно подбирать MOSFET?


Вернуться наверх
 
Не в сети
 Заголовок сообщения: Re: Альтернатива лампочки в генераторе НЧ
СообщениеДобавлено: Пн окт 06, 2025 20:32:11 
Сверлит текстолит когтями
Аватар пользователя

Карма: 6
Рейтинг сообщений: 219
Зарегистрирован: Пн ноя 08, 2021 13:12:57
Сообщений: 1186
Откуда: 58С 58В
Рейтинг сообщения: 0
Igor84,
1. n-канальный MOSFET открывается + на затворе, диод надо перевернуть.
2.К затвору приложено Пульсирующее напряжение с диода, искажения будут видны осциллографом
(если удастся запустить).
Если есть интерес к схемотехнике (в наше время редкий) то не торопясь, на досуге почитать, (возможно повторно).
Авторы Хейц и Хоровиц , это практическое дополнение к популярной Х и Х.
---(к сожалению, нет возможности экспериментально самостоятельно проверить это)?---
Стоит освоить МС 12 (на мой вкус, и лучше англ.), есть справка на английском, книги на русском ,
можно узнать много подробностей о работе схем (иногда очень неожиданных).
https://sunduk.radiokot.ru/view/?id=1652891641

_________________
Свежий взгляд из прошлого тысячелетия.


Вернуться наверх
 
Не в сети
 Заголовок сообщения: Re: Альтернатива лампочки в генераторе НЧ
СообщениеДобавлено: Пн окт 06, 2025 23:48:24 
Прорезались зубы
Аватар пользователя

Карма: -2
Рейтинг сообщений: 3
Зарегистрирован: Пт фев 17, 2017 20:53:01
Сообщений: 243
Рейтинг сообщения: 0
Динозавр писал(а):
если удастся запустить

Поставил MOSFET, диод развернул, АРУ запустилась. При изменении питания на лету амплитуда стоит на месте.
Пока решил проверить на частоте 100 кГц, ОУ позволяет. Номиналы моста, как и на опубликованной схеме, сдвоенный потенциометр - в минимальное сопротивление. Заявлено, да и по формуле должно быть 100 кГц.

В реальности на выходе нормальный синус, но частота 93 кГц, в то же время, как на инвертирующем входе ровно 100 кГц, но сигнал немного искаженный:

Изображение

Динозавр, почему на выходе не 100 кГц и искаженный сигнал на инвертирующем входе? Как должно быть?


Вернуться наверх
 
Не в сети
 Заголовок сообщения: Re: Альтернатива лампочки в генераторе НЧ
СообщениеДобавлено: Вт окт 07, 2025 00:41:38 
Друг Кота
Аватар пользователя

Карма: 197
Рейтинг сообщений: 8604
Зарегистрирован: Пн ноя 30, 2009 03:00:01
Сообщений: 43225
Откуда: Нерезиновая
Рейтинг сообщения: 0
А вы одновременно измеряли "вход" и "выход", или переставляли щупы осциллографа? Просто, если вы переставляли щупы, то, 1 мегаом и несколько пикофарад входного сопротивления и входной ёмкости осциллографа, могли внести изменение частоты, а, заодно и искажение формы сигнала.


Вернуться наверх
 
Не в сети
 Заголовок сообщения: Re: Альтернатива лампочки в генераторе НЧ
СообщениеДобавлено: Вт окт 07, 2025 13:17:23 
Прорезались зубы
Аватар пользователя

Карма: -2
Рейтинг сообщений: 3
Зарегистрирован: Пт фев 17, 2017 20:53:01
Сообщений: 243
Рейтинг сообщения: 0
АлександрЛ, да, вы правы, скорее всего ёмкость щупа и сопротивление осциллографа даёт искажения. Осциллограф одноканальный, поэтому измерения выполняю переставляя щуп.
На 1/10 на инв. входе сигнал выравнивается и частота уже почти такая же, как и на выходе.

Но не понятно, почему при этих конденсаторах моста в 1000 пФ и 2500 пФ частота должна быть по формуле чуть выше 100 кГц, а на деле не превышает 93 кГц? Считаю так: f0=1/(2ПR√C1*С2). Номиналы подбирал максимально приближенными к заявленным. Может эта неточность - результат "упрощенной" реализации моста в отличии от его полного варианта?

И ещё, кстати, заметил, что если включить осциллограф между выходом ОУ и неинв. входом (на 1/10), то там тоже виден синус той же частоты, что и на выходе, но его генерация как бы плывёт по волне, как будто она модулирована другой частотой. Думаю, может это те же наводки или паразитное влияние с щупа осциллографа или какой-то дисбаланс в схеме или даже неустойчивость работы АРУ.

Доп.: В положении 1/10 на неинв. входе отн. земли тоже "плывёт", в положении 1/1 - стоит.

Также проверил на схемке на мосту Вина, там тоже при щупе 1/10 на выходе ОУ отн. земли общая генерация "плывёт по волне", в положении 1/1 - стоит. :dont_know:


Вернуться наверх
 
Не в сети
 Заголовок сообщения: Re: Альтернатива лампочки в генераторе НЧ
СообщениеДобавлено: Вт окт 07, 2025 20:08:58 
Сверлит текстолит когтями
Аватар пользователя

Карма: 6
Рейтинг сообщений: 219
Зарегистрирован: Пн ноя 08, 2021 13:12:57
Сообщений: 1186
Откуда: 58С 58В
Рейтинг сообщения: 0
Igor84, ---сдвоенный потенциометр - в минимальное сопротивление---
Формула не учитывает влияние вЫходного сопротивления ОУ, нагрузка менее 2 кОм критична. :dont_know:
Погрешность формулы 7% вполне "техническая", дальше наладка.
---генерация как бы плывёт по волне,---
Если генератор и осциллограф питаются от сети 50 Гц, то через паразитные ёмкости блоков питания и крокодил щупа
протекает Ток 50 Гц, создающий на R и L экрана щупа и в точке подключения крокодила к генератору
падение напряжения, которое "изгибает сигнал (но не модулирует)".
---Доп.: В положении 1/10 на неинв. входе отн. земли тоже "плывёт", в положении 1/1 - стоит.---
На щуп 1/10 (10 МОм) сильнее Электрические наводки через ёмкость оператора. :dont_know:

_________________
Свежий взгляд из прошлого тысячелетия.


Вернуться наверх
 
Не в сети
 Заголовок сообщения: Re: Альтернатива лампочки в генераторе НЧ
СообщениеДобавлено: Вт окт 21, 2025 19:04:02 
Прорезались зубы
Аватар пользователя

Карма: -2
Рейтинг сообщений: 3
Зарегистрирован: Пт фев 17, 2017 20:53:01
Сообщений: 243
Рейтинг сообщения: 0
Динозавр писал(а):
Формула не учитывает влияние вЫходного сопротивления ОУ

Возможно. Но, а как же объяснить то, что в генераторе на мосту Вина при расчёте номиналов в результате на практике при использовании того же самого операционного усилителя получаем частоту практически равную вычисленной по формуле? А здесь - аж 7%. Я не гонюсь за идеальной точностью простенького генератора, просто интересно разобраться.
Динозавр писал(а):
Если генератор и осциллограф питаются от сети 50 Гц

И генератор и осциллограф питаются от персональных аккумуляторов.

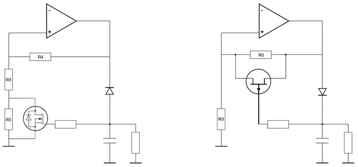
Возвращаясь к двум вариантам АРУ - на n-канальном mosfet в нижнем плече делителя и p-канальном jfet в верхнем плече делителя:

СпойлерИзображение

получилось заставить работать АРУ только на мосфете (первый вариант), а со вторым вариантом на JFET пока не удаётся запустить АРУ, сигнал на выходе все время в клиппинге по питанию, не смотря на подбор резисторов в большую или меньшую сторону.

Также провёл несколько сравнительных измерений на примере упрощенного двойного Т-моста и моста Вина. Для регулировки частоты добавил в схему сдвоенный потенциометр (корпус подключен к общей земле). Снял осциллограммы в диапазоне от 10 кГц до 100 кГц. Аналогичную работу провел поставив вместо одного сдвоенного потенциометра пару подстрочников с предварительно установленным одинаковым сопротивлением, чтобы исключить влияние неодинаковости сопротивлений сдвоенного потенциометра.

В общем, по результатам вижу, что в генераторе на Т-мосте на частоте 10 кГц значение pkpk = 4,88 В, а чем выше частота, тем оно меньше, т.о. на частоте 90 кГц pkpk = 3,88 В.
При использовании двух отдельных подстроечников с предварительно установленным одинаковым значением сопротивления вместо сдвоенного потенциометра наблюдается, что в диапазоне 10-100 кГц значение pkpk, соответственно, составляет 4,76...4,56 В.
Стоит также отметить, что во всём наблюдаемом диапазоне частот и в случае со сдвоенным потенциометром и с двумя одинаковыми подстроечниками видно, что верхняя полуволна немного завалена вправо, т.е. время нарастания немного больше времени спада. На глаз это даже особо не заметно, но когда я добавил программно сгенерированную идеальную синусоиду поверх полученного сигнала, то разница видна хорошо:

СпойлерИзображение


Результаты для генератора на мосту Вина отличаются: в диапазоне 10 кГц...100 кГц в обеих случаях значение pkpk равно 2,2...2,16 В.
Сравнивая с идеальным синусом здесь тоже наблюдается незначительное отклонение, но не на всех частотах диапазона и небольшое:

СпойлерИзображение


Отсюда вопросы:
1. Почему не получается запустить АРУ при использовании JFET в верхнем плече делителя? Ведь при росте напряжения на выходе ОУ, благодаря детектору, JFET начинает закрываться, что увеличивает сопротивление верхнего плеча делителя, и , соответственно, ослабляет усиление. Т.е., казалось бы то, что надо.
1. По Т-мосту - правильно ли я понимаю, что уменьшение значения pkpk с ростом частоты это проблема mosfet? Если да, то как его подбирать, на какой параметр обращать внимание?
2. А с чем связан завал сигнала? На Т-мосте он больше, на мосту Вина практически не заметен. Это говорит о большом проценте нелинейных искажений? Или банальная наводка на щуп осциллографа?


Вернуться наверх
 
Не в сети
 Заголовок сообщения: Re: Альтернатива лампочки в генераторе НЧ
СообщениеДобавлено: Вт окт 21, 2025 19:35:14 
Друг Кота
Аватар пользователя

Карма: 107
Рейтинг сообщений: 3809
Зарегистрирован: Пн фев 09, 2009 22:19:49
Сообщений: 24506
Откуда: Когда-то был прекрасный город для людей
Рейтинг сообщения: 0
На осциллограммах когда-нибудь появятся разметка по осям ?

Какие там амплитудные напряжения, догадаетесь сами ?


Вернуться наверх
 
Не в сети
 Заголовок сообщения: Re: Альтернатива лампочки в генераторе НЧ
СообщениеДобавлено: Вт окт 21, 2025 19:57:35 
Прорезались зубы
Аватар пользователя

Карма: -2
Рейтинг сообщений: 3
Зарегистрирован: Пт фев 17, 2017 20:53:01
Сообщений: 243
Рейтинг сообщения: 0
Муркиз, I - 1В / 10 us на клетку
II - 500 мВ / 5 us на клетку

А вообще, значение размаха указано для диапазона наблюдаемых частот, несложно определить амплитуду.
Ну, а осциллограммы демонстрируют искажение формы генерируемого сигнала в сравнении с идеальным синусом. Здесь разметка значения особо не имеет.


Вернуться наверх
 
Не в сети
 Заголовок сообщения: Re: Альтернатива лампочки в генераторе НЧ
СообщениеДобавлено: Вт окт 21, 2025 20:18:02 
Сверлит текстолит когтями
Аватар пользователя

Карма: 6
Рейтинг сообщений: 219
Зарегистрирован: Пн ноя 08, 2021 13:12:57
Сообщений: 1186
Откуда: 58С 58В
Рейтинг сообщения: 0
Igor84, ---с предварительно установленным одинаковым значением сопротивления вместо сдвоенного потенциометра наблюдается, что в диапазоне 10-100 кГц значение pkpk, соответственно, составляет 4,76...4,56 В.---
---По Т-мосту - правильно ли я понимаю, что уменьшение значения pkpk с ростом частоты это проблема mosfet?---??
Проблема МOSFETа - чётные гармоники "завал вершины", пилообразность.
Обычно с затворов полевых транзисторов на сток и исток включают одинаковые высокоомные резисторы для снижения этих гармоник.

_________________
Свежий взгляд из прошлого тысячелетия.


Вернуться наверх
 
Не в сети
 Заголовок сообщения: Re: Альтернатива лампочки в генераторе НЧ
СообщениеДобавлено: Вт окт 21, 2025 20:33:58 
Друг Кота
Аватар пользователя

Карма: 107
Рейтинг сообщений: 3809
Зарегистрирован: Пн фев 09, 2009 22:19:49
Сообщений: 24506
Откуда: Когда-то был прекрасный город для людей
Рейтинг сообщения: 0
Почему? Да потому, что обратную связь надо менять по переменному току, не затрагиваю рабочий режим ОУ по постоянному току...
Борцы с конденсаторами...


Вернуться наверх
 
Показать сообщения за:  Сортировать по:  Вернуться наверх
Начать новую тему Ответить на тему  [ Сообщений: 253 ]     ... , , , 12,  

Часовой пояс: UTC + 3 часа


Кто сейчас на форуме

Сейчас этот форум просматривают: нет зарегистрированных пользователей и гости: 28


Вы не можете начинать темы
Вы не можете отвечать на сообщения
Вы не можете редактировать свои сообщения
Вы не можете удалять свои сообщения
Вы не можете добавлять вложения

Найти:
Перейти:  


Powered by phpBB © 2000, 2002, 2005, 2007 phpBB Group
Русская поддержка phpBB
Extended by Karma MOD © 2007—2012 m157y
Extended by Topic Tags MOD © 2012 m157y