Например TDA7294

Форум РадиоКот • Просмотр темы - Подскажите схемку ключа с задержкой
Форум РадиоКот
Здесь можно немножко помяукать :)

Текущее время: Сб фев 07, 2026 18:36:05

Часовой пояс: UTC + 3 часа


ПРЯМО СЕЙЧАС:



Начать новую тему Ответить на тему  [ Сообщений: 693 ]  1, , , , ...  
Автор Сообщение
Не в сети
 Заголовок сообщения: Подскажите схемку ключа с задержкой
СообщениеДобавлено: Пт сен 15, 2006 07:30:15 
Родился

Зарегистрирован: Пт сен 15, 2006 07:17:14
Сообщений: 3
Откуда: г.Барнаул
Рейтинг сообщения: 0
ЗАДАЧА ТАКОВА:
ДАНО: +12 ВОЛЬТ - ПРЕРЫВАЕТСЯ ТУМБЛЕРОМ
ЗЕМЛЯ - НИ ЧЕМ НЕ ПРЕРЫВАЕТСЯ, ЕСТЬ ПОСТОЯННО.
ЗАДАЧА:
ДОБИТЬСЯ ЧТОБЫ ПРИ ПОЯВЛЕНИИ +12 ВОЛЬТ, ПРИМЕРНО ЧЕРЕЗ МИНУТУ КОНТАКТЫ РЕЛЕ ЗАМКНУЛИСЬ.

Щас бы пришел Ржавый и начал бы материться, но его нет, так что материться буду я. Ну зачем создавать тему в 4 разных форумах. Какой в этом великий смысл? Быстрее все равно никто не ответит. Перенес тему примерно в соответсвующий форум. Alexey_B


Вернуться наверх
 
 Заголовок сообщения:
СообщениеДобавлено: Пт сен 15, 2006 07:57:05 
555 таймер тебе поможет


Вернуться наверх
   
 
Не в сети
 Заголовок сообщения:
СообщениеДобавлено: Пт сен 15, 2006 08:49:36 
Прорезались зубы

Зарегистрирован: Пн сен 04, 2006 00:16:07
Сообщений: 207
Рейтинг сообщения: 0
Ещё проще -- полевик и RC цепочка.


Вернуться наверх
 
Не в сети
 Заголовок сообщения:
СообщениеДобавлено: Пт сен 15, 2006 09:01:29 
Нашел транзистор. Понюхал.
Аватар пользователя

Зарегистрирован: Чт янв 12, 2006 00:17:30
Сообщений: 186
Откуда: Новосибирск, ИФП СО РАН
Рейтинг сообщения: 0
Anonymous писал(а):
555 таймер тебе поможет


Действительно поможет. Идем Сюда. Схема №6, заменяем HL1 на твое реле, ток которого не должен превыщать 10-15 мА, или сколько там способен выдать таймер(NE555D способна выдать или поглотить до 200 мА). И счастье есть. Если нет увенренного замыкания то подбираем резистор R2. И все.


Вернуться наверх
 
Эиком - электронные компоненты и радиодетали
Не в сети
 Заголовок сообщения:
СообщениеДобавлено: Пт сен 15, 2006 20:07:23 
Родился

Зарегистрирован: Пт сен 15, 2006 07:17:14
Сообщений: 3
Откуда: г.Барнаул
Рейтинг сообщения: 0
а если без таймера 555, его у нас в магазинах радиодеталей (а их мало) нету в наличии, надо ждать около недели. а работать все даложно уже в 8 утра понедельника...


Вернуться наверх
 
Не в сети
 Заголовок сообщения:
СообщениеДобавлено: Пт сен 15, 2006 21:47:45 
Админ
Аватар пользователя

Карма: 109
Рейтинг сообщений: 458
Зарегистрирован: Вт авг 23, 2005 15:23:25
Сообщений: 10815
Откуда: Москва
Рейтинг сообщения: 0
Медали: 1
Получил миской по аватаре (1)
Раз:
http://www.masterkit.ru/main/set.php?num=438
Два:
http://images.yandex.ru/yandpage?&q=311 ... pe%3Dimage
И три:
http://www.masterkit.ru/main/set.php?num=1021 - оттуда можно выдрать схему задержки включения...

_________________
А вот футболки кому? Кружки, значки!
Мысли Пачкают Мозги


Вернуться наверх
 
Не в сети
 Заголовок сообщения:
СообщениеДобавлено: Сб сен 16, 2006 08:00:40 
Родился

Зарегистрирован: Пт сен 15, 2006 07:17:14
Сообщений: 3
Откуда: г.Барнаул
Рейтинг сообщения: 0
И три:
http://www.masterkit.ru/main/set.php?num=1021 - оттуда можно выдрать схему задержки включения...

а какова логика подбора резисторов и конденсаторов? в смысле какой емкости и каким сопротивлением это все доложно быть? боюсь метод проб и ошибок будет долгим...


Вернуться наверх
 
Не в сети
 Заголовок сообщения:
СообщениеДобавлено: Сб сен 16, 2006 10:40:12 
Прорезались зубы

Зарегистрирован: Пн сен 04, 2006 00:16:07
Сообщений: 207
Рейтинг сообщения: 0
Тау (секунд) = R (Ом) * С (Фарад)


Вернуться наверх
 
Не в сети
 Заголовок сообщения: Подскажите схемку ключа с задержкой
СообщениеДобавлено: Пн июн 21, 2010 12:42:19 
Первый раз сказал Мяу!

Зарегистрирован: Пн июн 21, 2010 11:54:22
Сообщений: 25
Рейтинг сообщения: 0
Доброго дня, уважаемые форумчане!

Подскажите пожалуйста, как собрать такую вот схемку: при подаче напряжения питания (25V) оно появляется на выходе схемы с задержкой на 1 секунду и через ещё 1 секунду пропадает и больше не появляется до следующего отключения/включения питания:

^
|
|.....____
|.....i.....i
|.....i.....i
0---------------------->
......1c..2c

Всё должно быть предельно просто с минимумом элементов. Наверное это должен быть какой-то триггер с задержкой, или что-то подобное, я что-то совсем запутался :cry:

Спасибо заранее! :)


Вернуться наверх
 
Не в сети
 Заголовок сообщения: Re: Подскажите схемку ключа с задержкой включения
СообщениеДобавлено: Пн июн 21, 2010 12:51:48 
Друг Кота
Аватар пользователя

Карма: 31
Рейтинг сообщений: 129
Зарегистрирован: Вт мар 02, 2010 17:05:19
Сообщений: 4446
Откуда: Белоруссия, Минск
Рейтинг сообщения: 0
Решается элементарно, но нет полного условия задания. На выходе: логика, реле ......
точность 1с ;2с; какая? От этого зависит сложность схемы.

_________________
Всё можно наладить,если вертеть в руках достаточно долго!


Вернуться наверх
 
Не в сети
 Заголовок сообщения: Re: Подскажите схемку ключа с задержкой включения
СообщениеДобавлено: Вт июн 22, 2010 13:20:59 
Первый раз сказал Мяу!

Зарегистрирован: Пн июн 21, 2010 11:54:22
Сообщений: 25
Рейтинг сообщения: 0
... имеется устройство, которое втыкается в розетку, а затем запускается микровыключателем вручную. Хотелось бы запускать это устройство в автоматическом режиме, т.е. сразу при втыке в розетку. Постановка перемычки вместо микрика ничего не даёт - схема запускается только если его нажимают уже после того, как воткнули в розетку. Более того, если микрик нажать и подержать более 2 секунд, устройство переходит в другой режим.

Поэтому появилась идея повесить маленькую схемку параллельно микрику. То есть эта схемка будет шунтировать микрик на секунду, и не сразу, а где-то через секунду после появления питания. Вот, завернул

Точность наверное важна не более чем 50%, т.е. секунда-полторы, но не более двух. Скорее всего RC цепочка какая-нибудь с триггером... Подбором ёмкости можно было бы подобрать время задержек.

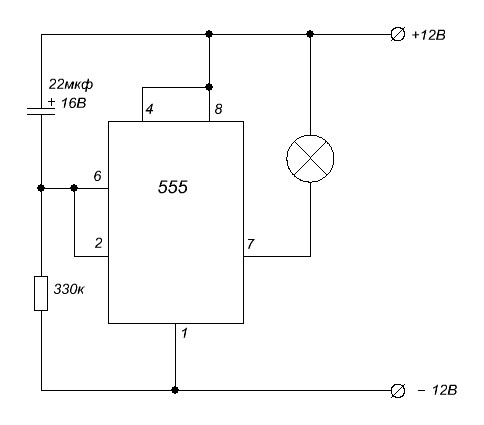
Нашёл что-то подобное на таймере 555 (схема на картинке), однако она включается сразу и на 5 секунд, а как сделать, чтобы через секунду и на одну секунду?

И как лучше всего реализовать шунтирование кнопки?


Вложения:
555.JPG [17.05 KiB]
Скачиваний: 3615
Вернуться наверх
 
Не в сети
 Заголовок сообщения: Re: Подскажите схемку ключа с задержкой включения
СообщениеДобавлено: Вт июн 22, 2010 14:25:39 
Друг Кота
Аватар пользователя

Карма: 44
Рейтинг сообщений: 605
Зарегистрирован: Вс мар 04, 2007 11:39:00
Сообщений: 4470
Откуда: Ukraine, Kyiv
Рейтинг сообщения: 0
Этот таймер задает начальную задержку. Задним фронтом его выходного импульса запускается второй таймер, который и формирует нужный выходной импульс. Длительность обоих импульсов рассчитывается по формулам из даташита (стр. 7, рис.3).

_________________
Выслушай и противную сторону, даже если она и противна


Вернуться наверх
 
Не в сети
 Заголовок сообщения: Re: Подскажите схемку ключа с задержкой включения
СообщениеДобавлено: Вт июн 22, 2010 17:53:56 
Первый раз сказал Мяу!

Зарегистрирован: Пн июн 21, 2010 11:54:22
Сообщений: 25
Рейтинг сообщения: 0
Уважаемый друг кота!

Спасибо Вам за пояснения, я всё понял :) На самом деле проще всего поставить одновибратор с задержкой, как я понял, его можно построить на 555 таймере. Вот, я тут подкорректировал под свои нужды. Посмотрите пожалуйста на схемку, будет ли такая работать или что-то нужно подкорректировать, особенно номиналы? А что посоветуете поставить в качестве оптопары?


Вложения:
shema.JPG [21.96 KiB]
Скачиваний: 3806
Вернуться наверх
 
Не в сети
 Заголовок сообщения: Re: Подскажите схемку ключа с задержкой включения
СообщениеДобавлено: Вт июн 22, 2010 18:00:46 
Вымогатель припоя
Аватар пользователя

Зарегистрирован: Пн ноя 24, 2008 09:31:09
Сообщений: 514
Рейтинг сообщения: 0
Медали: 1
Получил миской по аватаре (1)
Доктор Борменталь писал(а):
Уважаемый друг кота!

Спасибо Вам за пояснения, я всё понял :) На самом деле проще всего поставить одновибратор с задержкой, как я понял, его можно построить на 555 таймере. Вот, я тут подкорректировал под свои нужды. Посмотрите пожалуйста на схемку, будет ли такая работать или что-то нужно подкорректировать, особенно номиналы? А что посоветуете поставить в качестве оптопары?
Зачем мегаомы ставить, там и килоомы пойдут

_________________
Энергия ядерного взрыва равна примерно 22030000000ккал
что примерно соответствует 4,3 тысяч тонн копченой колбасы.
День рождения 11.02.1995


Вернуться наверх
 
Не в сети
 Заголовок сообщения: Re: Подскажите схемку ключа с задержкой включения
СообщениеДобавлено: Вт июн 22, 2010 18:09:08 
Первый раз сказал Мяу!

Зарегистрирован: Пн июн 21, 2010 11:54:22
Сообщений: 25
Рейтинг сообщения: 0
Bond писал(а):
Зачем мегаомы ставить, там и килоомы пойдут


там на моей схеме источник питания слабенький, не хотелось бы его нагружать, а с мегаомами вроде как меньше будет кушать? Или так не будет работать?


Вернуться наверх
 
Не в сети
 Заголовок сообщения: Re: Подскажите схемку ключа с задержкой включения
СообщениеДобавлено: Вт июн 22, 2010 18:29:08 
Друг Кота
Аватар пользователя

Карма: 44
Рейтинг сообщений: 605
Зарегистрирован: Вс мар 04, 2007 11:39:00
Сообщений: 4470
Откуда: Ukraine, Kyiv
Рейтинг сообщения: 0
Уважаемый Доктор Борменталь, как-то странно Вы смотрите на опубликованные выше советы. Вернее, совершенно не смотрите. Ваша схема работать не будет. С1 и R1 надо поменять местами. Тогда она заработает, но не так, как Вы хотите. При включении питания низкое напряжение на 2-м выводе (за счет С1) запустит её сразу же. А Вам нужно с задержкой. Приведенный на рисунке узел формирует задержку, а выходной импульс надо формировать вторым похожим заторможенным мультивибратором (= ждущим мультивибратором, одновибратором). Это первое.

Второе. Ток потребления самой микросхемы от номиналов времязадающих резисторов не зависит. При 12 В она "кушает" примерно 10 мА. Поэтому рекомендовал бы обратить внимание на К561АГ3 - два ждущих КМОП-мультивибратора в одном 14-выводном корпусе. Ток потребления - микроамперы.

Третье. Резистивный оптрон не подойдет. У него слишком большое сопротивление. Нужен транзисторный. При этом обязательно нужно поставить токоограничительный резистор для светодиода оптрона, чтобы ограничить ток на нужном (по даташиту) уровне (примерно 5...15 мА, в зависимости от типа оптрона). Можно обойтись и обычным транзисторным ключом. Тогда он будет коротить Вашу кнопку на общий минус (если это допустимо).

Четвертое. +24 В для питания таймера - слишком много. Он выдерживает не более 18 В, да и то становится слишком "прожорливым" по току потребления.


Вложения:
Таймер.GIF [7.38 KiB]
Скачиваний: 3551

_________________
Выслушай и противную сторону, даже если она и противна
Вернуться наверх
 
Не в сети
 Заголовок сообщения: Re: Подскажите схемку ключа с задержкой включения
СообщениеДобавлено: Вт июн 22, 2010 19:27:29 
Первый раз сказал Мяу!

Зарегистрирован: Пн июн 21, 2010 11:54:22
Сообщений: 25
Рейтинг сообщения: 0
Уважаемый falkonist, спасибо Вам за дельные советы!

Просто мне подумалось, что первоначальную задержку можно сделать за счёт R1 и C1, то есть в момент включения на 2-м выводе появляется напряжение питания, затем C1 заряжается и напряжение на 2-м выводе падает до нужного для запуска триггера. Я тут в чём-то неправ?

По поводу оптрона - спасибо! Об этом я как то и не подумал :(

А по питанию таймера - достаточно ли поставить резистор чтобы его запитать от 24 вольт?


Вернуться наверх
 
Не в сети
 Заголовок сообщения: Re: Подскажите схемку ключа с задержкой включения
СообщениеДобавлено: Вт июн 22, 2010 20:49:57 
Друг Кота
Аватар пользователя

Карма: 44
Рейтинг сообщений: 605
Зарегистрирован: Вс мар 04, 2007 11:39:00
Сообщений: 4470
Откуда: Ukraine, Kyiv
Рейтинг сообщения: 0
Доктор Борменталь писал(а):
...мне подумалось, что первоначальную задержку можно сделать за счёт R1 и C1, то есть в момент включения на 2-м выводе появляется напряжение питания, затем C1 заряжается и напряжение на 2-м выводе падает до нужного для запуска триггера. Я тут в чём-то неправ?
Уважаемый Доктор Борменталь, низкий уровень на 2-м выводе (инверсный set) никогда не даст отработать 6-му (reset), поскольку "внутри" схемы стоит банальный RS-триггер, не имеющий входа С.
Цитата:
А по питанию таймера - достаточно ли поставить резистор чтобы его запитать от 24 вольт?
Теоретически можно, но практически - нет, т.к. падение напряжения на нем будет зависеть от тока потребления. Либо застабилизировать параметрически стабилитроном после резистора, либо, что лучше, применить 3-выводный маломощный стабилизатор (78L09...78L12).

P.S. Мне очень импонирует, что Вы стараетесь спроектировать сабж самостоятельно! Такому человеку приятно помогать. В отличие от тупых "Дай-Даек". А опыт - дело наживное...

_________________
Выслушай и противную сторону, даже если она и противна


Вернуться наверх
 
Не в сети
 Заголовок сообщения: Re: Подскажите схемку ключа с задержкой включения
СообщениеДобавлено: Вт июн 22, 2010 23:00:23 
Первый раз сказал Мяу!

Зарегистрирован: Пн июн 21, 2010 11:54:22
Сообщений: 25
Рейтинг сообщения: 0
Ну... "спроектировать" - это громко сказано, всё-таки не ядерный реактор :)

А вобщем, конечно стараюсь, просто очень нужна такая схемка! К тому же, силюсь понять, как это всё работает...

И всё-таки, если вернуться к моей первой схеме, немного недопонял, почему же она не будет запускаться? Я тут нашёл популярное описание 555, там сказано, что таймер запускается низким уровнем на выводе 2 (по моей схеме после заряда C1 там появляется низкий уровень), а затем его "не волнует" состояние вывода 2. Что же касается вывода 6, так это threshold а не reset. И вот когда на этом threshold-е появляется высокий уровень (в схеме после заряда C2), таймер останавливается, перебрасывая выход 3 на низкий уровень. Где ж тут собака порылась? Или, быть может, я недопонимаю логику работы таймера? Может он запускается импульсом, скачком с высокого на низкий и снова на высокий уровень, т.е. требует снова наличия высокого уровня на 2 выводе? Я бы, конечно, сам попробовал собрать и посмотреть, но на данный момент нет доступа к радиодеталям :(

Просьба не бить сильно ногами :) Кстати, спасибо за Вашу схему! У меня поначалу тоже была мысль поставить два отдельно взятых одновибратора, просто хочется всё упростить до минимума.


Вернуться наверх
 
Не в сети
 Заголовок сообщения: Re: Подскажите схемку ключа с задержкой включения
СообщениеДобавлено: Ср июн 23, 2010 08:52:46 
Друг Кота
Аватар пользователя

Карма: 44
Рейтинг сообщений: 605
Зарегистрирован: Вс мар 04, 2007 11:39:00
Сообщений: 4470
Откуда: Ukraine, Kyiv
Рейтинг сообщения: 0
Доктор Борменталь писал(а):
...силюсь понять, как это всё работает...
Вот именно это и импонирует!
Цитата:
...если вернуться к моей первой схеме, немного недопонял, почему же она не будет запускаться? Я тут нашёл популярное описание 555, там сказано, что таймер запускается низким уровнем на выводе 2 (по моей схеме после заряда C1 там появляется низкий уровень), а затем его "не волнует" состояние вывода 2. И вот когда на threshold-е появляется высокий уровень (в схеме после заряда C2), таймер останавливается, перебрасывая выход 3 на низкий уровень. Где ж тут собака порылась?
"Собака порылась" в логике работы триггера, подключенного к выходам компараторов.
Изображение
Если на входе TRIG (2-й вывод) постоянно присутствует нулевой уровень, то на входе S триггера присутствует "единица" ("нижний" компаратор - инвертирующий), которая не даст триггеру переключиться при поступлении высокого уровня на вход TSRESHOLD - 6-й вывод - (соответственно, "единицы" на вход R, т.к. "верхний" компаратор - неинвертирующий).

При "нормальной" работе таймера, когда 2-й и 6-й выводы соединены, "единица" на входе S сменяется "нулем", когда напряжение на входе TRIG начинает повышаться.

Но "задачка" интересная - я сейчас подумкаю, нельзя ли будет обойтись одним таймером с небольшой транзисторной обвязкой.

_________________
Выслушай и противную сторону, даже если она и противна


Вернуться наверх
 
Показать сообщения за:  Сортировать по:  Вернуться наверх
Начать новую тему Ответить на тему  [ Сообщений: 693 ]  1, , , , ...  

Часовой пояс: UTC + 3 часа


Кто сейчас на форуме

Сейчас этот форум просматривают: нет зарегистрированных пользователей и гости: 20


Вы не можете начинать темы
Вы не можете отвечать на сообщения
Вы не можете редактировать свои сообщения
Вы не можете удалять свои сообщения
Вы не можете добавлять вложения

Найти:
Перейти:  


Powered by phpBB © 2000, 2002, 2005, 2007 phpBB Group
Русская поддержка phpBB
Extended by Karma MOD © 2007—2012 m157y
Extended by Topic Tags MOD © 2012 m157y