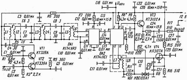
вот нарыл такой тюнер фотки ниже над его выводами надписи BU, VAGC, BS, BV, BT, AFC, BM, IF
хотелось бы сделать чтото вроде этого по диапазону
http://p-45.narod.ru/index.html
только ни каких примочек и сканирования-настройка частоты многооборотным резистором
подскажите как реализовать


