Детекторный приемник.
Re: Детекторный Приемник
Привет! Вот вариант УКВ
Я пробовал делать из пивных банок, получалось, в компе в архивах, поищу схему, описание того который делал, а это нашёл ссылку http://www.radiomaster.ru/shemi/fm/cav.php
Я пробовал делать из пивных банок, получалось, в компе в архивах, поищу схему, описание того который делал, а это нашёл ссылку http://www.radiomaster.ru/shemi/fm/cav.php
- Реклама
Re: Детекторный Приемник
В каждом городе больше десятка (я предпологаю) УКВ ФМ станций, смело можно делать!
Re: Детекторный Приемник
Не все же живут в городах! У нас вот на УКВ - ловится только пять станций, три из них транслируют "Радио-нестоИт", для дедов и озабоченных слишком хорошим состоянием здоровья, ибо большую часть времени на этом радио идёт реклама разнообразных, в основном, старческих, болезней, и две - "Маяк"... Причём, расстояние до них 50 - 70 км... Какие, нафиг, детекторы!..
В былые годы километрах в двухстах была мощная средневолновая радиостанция, но их позакрывали во времена перестройки... Ах, да - церковь запустила свою программу на FM... Но, если эти программы слушать слишком часто, крышняк поедет не хуже, чем от первой программы...
В былые годы километрах в двухстах была мощная средневолновая радиостанция, но их позакрывали во времена перестройки... Ах, да - церковь запустила свою программу на FM... Но, если эти программы слушать слишком часто, крышняк поедет не хуже, чем от первой программы...
Re: Детекторный Приемник
Да, это всё понятно, но есть желающие собрать детекторный приемник, вот, пожалуйста, схемы, или мне за них собрать? Или обстановку проанализировать, какие там у вас радиостанции? Свой первый детекторный приёмник я собрал в 58 году прошлого века... Так что вы сами напрягите свои мозги, чтобы разобраться стоит собирать детекторный приёмник в вашей местности или нет!
Re: Детекторный Приемник
У меня вопрос. Если двуполупериодный детекторный приемник реально лучше, почему его редко собирают?
- Реклама
Re: Детекторный Приемник
А "синхронный детекторный" ещё лучше... 
- alekseykolesnik
- Собутыльник Кота
- Сообщения: 2500
- Зарегистрирован: Пн мар 09, 2009 16:22:50
- Откуда: Украина, Донецкая обл., г. Торез
Re: Детекторный Приемник
Собрал такой вчера, только там еще шунтирующий кондер для наушников, наушники взял не высокоомные, ьо ли 20 то ли40 ом (там в ни х внутри фольга и железяка с дырками), а он не заработал, в на ушниках ни шума, нифига!Ёрш писал(а):Мой первый и единственный приёмник был детекторным. Собран на куске фанеры. Там был диод Д9, самодельная многосекционая катушка намотанная виток к витку на бумажной гильзе и телефон типа ТОН. + переменный кондёр для настройки на станцию.
Земля - батарея отопления, антенна - медный 3 метровый провод натянутый под потолков. Станции ловило очень даже.
- Invisible-Shadow
- Потрогал лапой паяльник
- Сообщения: 338
- Зарегистрирован: Чт май 06, 2010 18:06:47
- Откуда: Киев
Re: Детекторный Приемник
Так в том-то и дело, что нужно брать высокоомные наушники, с низкоомными детекторный приемник без дополнительного УНЧ никаких звуков выдавать не будет.alekseykolesnik писал(а):наушники взял не высокоомные, ьо ли 20 то ли40 ом (там в ни х внутри фольга и железяка с дырками), а он не заработал, в на ушниках ни шума, нифига!
- Redrik Shuhart
- Друг Кота
- Сообщения: 3641
- Зарегистрирован: Пт апр 03, 2009 22:12:58
- Откуда: Из Украины, Кировоградская облась,
Re: Детекторный Приемник
Высокоомные уши- от 1 кОма и выше =) лучше склепайте УНЧ на транзисторе и делов то.
Re: Детекторный Приемник
Я свой единственный детекторный приёмник подключал на микрофонный вход магнитофона. Приём был. Но это было давно. Сейчас достаточно мощных радиостанций поблизости нет, так что на детектор ловить нечего... 
- alekseykolesnik
- Собутыльник Кота
- Сообщения: 2500
- Зарегистрирован: Пн мар 09, 2009 16:22:50
- Откуда: Украина, Донецкая обл., г. Торез
Re: Детекторный приемник.
Почему может не работать детекторный приёмник, спаянно правильно, детали все исправные! Наушники высокоомные тон-1 2200Ом!
Правда заземление-это я , антенна-кусок провода, а в телефонах нифига не слышно!
Правда заземление-это я , антенна-кусок провода, а в телефонах нифига не слышно!
- aen
- Модератор
- Сообщения: 11940
- Зарегистрирован: Пт апр 28, 2006 15:26:07
- Откуда: Россия.
- Контактная информация:
Re: Детекторный приемник.
Все как у меня было в 60-х годах прошлого столетия.alekseykolesnik писал(а): антенна-кусок провода, а в телефонах нифига не слышно!
Антенна кусок провода длиной 30 метров на высоте примерно 10 метров. Первое, что я принял был "Голос Америки" в диапазоне КВ.
Конденсатор в контуре я не поставил, а настройка была с методом раздвигания катушки. Она из двух половинок была.
- alekseykolesnik
- Собутыльник Кота
- Сообщения: 2500
- Зарегистрирован: Пн мар 09, 2009 16:22:50
- Откуда: Украина, Донецкая обл., г. Торез
Re: Детекторный приемник.
Ничего, больше не посоветуете, там мож какой-нить УЧ но только чтоб приёмник был с автономным питанием! или антенну и землю чем-нить заменить!?

Антенна, катушка и все, что с этим связано
Хочу собрать свой первый детекторный приемник.
У меня несколько вопросов:
1) Мне нужна антенна. Абсолютно не представляю какую именно мне надо купить и продаются ли они. Какой антенной пользовались Вы, когда начинали собирать свои первые приборы?
2) В книге написано, что катушки надо самому мотать медным проводом. К сожалению последнего у меня нет. Продаются ли катушки индуктивности разных номиналов и чем они отличаются от дросселей?
3) Где можно взять ферритовый стержень?
4) Для воспроизведения звука требуется высокоомный динамик. С каким вопросом мне обращаться к продавцу, какие его основные характеристики?
Перенес сюда.
Тему с начала почитайте.
aen
У меня несколько вопросов:
1) Мне нужна антенна. Абсолютно не представляю какую именно мне надо купить и продаются ли они. Какой антенной пользовались Вы, когда начинали собирать свои первые приборы?
2) В книге написано, что катушки надо самому мотать медным проводом. К сожалению последнего у меня нет. Продаются ли катушки индуктивности разных номиналов и чем они отличаются от дросселей?
3) Где можно взять ферритовый стержень?
4) Для воспроизведения звука требуется высокоомный динамик. С каким вопросом мне обращаться к продавцу, какие его основные характеристики?
Перенес сюда.
Тему с начала почитайте.
aen
- aen
- Модератор
- Сообщения: 11940
- Зарегистрирован: Пт апр 28, 2006 15:26:07
- Откуда: Россия.
- Контактная информация:
Re: Детекторный приемник.
Здесь по ссылке читайте с начала. Там и про антенну написано и про заземление.
http://rf.atnn.ru/url/_url.html
Дальше и про детекторный приемник написано.
Детекторный приемник можно сделать и для УКВ. Тогда антенна будет меньше.
https://www.rlocman.ru/shem/schematics.html?di=44975
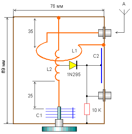
Детекторный приемник на диапазон 100-200 МГц
Схема приемника, приведенная на рис.1, использует настраиваемую линию в корпусе, спаянном из меди или фольгированног стеклотекстолита.

Катушка L2 содержит 4 витка посеребренного провода. Внутренний диаметр катушки - 12 мм, длина намотки - 12 мм. Отвод сделан от середины. Катушка L1 выполенна в виде одного витка поверх L2. Конденсатор C2 сделан из медной пластинки размером 25х50 мм с тефлоновой прокладкой толщиной 0,125 мм. Можно применить обычный опорный ВЧ конденсатор. Приемник полезен при настройке СВЧ аппаратуры как волномер.
Или вот.
http://ua4cgr.narod.ru/2009/uhf_reciver.html
Здесь Вы можете увидеть конструкцияю
одного из опытных образцов, которые я построил для диапазона 150 - 250 MHz


Можно еще здесь посмотреть.
http://www.chipinfo.ru/literature/radio ... 54-56.html
И здесь.
http://dedclub.blogspot.ru/2013/09/fm.html
И здесь.
http://solomonsmusic.net/FM_CrystalRadio.html
В качестве наушника можно такое попробовать.
http://pro-radio.ru/air/3829-28/
http://rf.atnn.ru/url/_url.html
Дальше и про детекторный приемник написано.
Детекторный приемник можно сделать и для УКВ. Тогда антенна будет меньше.
https://www.rlocman.ru/shem/schematics.html?di=44975
Детекторный приемник на диапазон 100-200 МГц
Схема приемника, приведенная на рис.1, использует настраиваемую линию в корпусе, спаянном из меди или фольгированног стеклотекстолита.
Катушка L2 содержит 4 витка посеребренного провода. Внутренний диаметр катушки - 12 мм, длина намотки - 12 мм. Отвод сделан от середины. Катушка L1 выполенна в виде одного витка поверх L2. Конденсатор C2 сделан из медной пластинки размером 25х50 мм с тефлоновой прокладкой толщиной 0,125 мм. Можно применить обычный опорный ВЧ конденсатор. Приемник полезен при настройке СВЧ аппаратуры как волномер.
Или вот.
http://ua4cgr.narod.ru/2009/uhf_reciver.html
Здесь Вы можете увидеть конструкцияю
одного из опытных образцов, которые я построил для диапазона 150 - 250 MHz


Можно еще здесь посмотреть.
http://www.chipinfo.ru/literature/radio ... 54-56.html
И здесь.
http://dedclub.blogspot.ru/2013/09/fm.html
И здесь.
http://solomonsmusic.net/FM_CrystalRadio.html
В качестве наушника можно такое попробовать.
http://pro-radio.ru/air/3829-28/
- Вложения
-
- 4.gif
- (7.49 КБ) 1036 скачиваний
Re: Детекторный приемник.
Собрал детекторный приемник для фиксированной частоты по этой схеме:

Слышу только шум и треск, но когда я касаюсь пальцем точки, обозначенной на схеме красным светом, четко слышу радиостанцию. Почему?

Слышу только шум и треск, но когда я касаюсь пальцем точки, обозначенной на схеме красным светом, четко слышу радиостанцию. Почему?
- aen
- Модератор
- Сообщения: 11940
- Зарегистрирован: Пт апр 28, 2006 15:26:07
- Откуда: Россия.
- Контактная информация:
Re: Детекторный приемник.
Схему детекторного приемника мы знаем.
Лучше напишите сколько метров у Вас антенна, какое заземление и наушники?
Антенну наверное пару метров сделали.

И если приемник с фиксированной частотой, то как Вы на станцию будете настраиваться?
Лучше напишите сколько метров у Вас антенна, какое заземление и наушники?
Антенну наверное пару метров сделали.
И если приемник с фиксированной частотой, то как Вы на станцию будете настраиваться?
- Вложения
-
- 1.JPG
- (19.8 КБ) 4271 скачивание
Re: Детекторный приемник.
Для демонстрации и последующей коллективной сборки (технический кружок) ищу отработанную схему УКВ детекторного приёмника. Пробовал http://electronic.vladbazar.com/radiope ... EA%E8.html но к сожалению не заработал.
Re: Детекторный приемник.
Проверяйте ссылки перед отправкой сообщения...
Если хотите, чтобы жизнь улыбалась вам, подарите ей своё хорошее настроение
- aen
- Модератор
- Сообщения: 11940
- Зарегистрирован: Пт апр 28, 2006 15:26:07
- Откуда: Россия.
- Контактная информация:
Re: Детекторный приемник.
Это что ли?
http://electronic.vladbazar.com/radiope ... EA%E8.html
Тогда пишите какой диод поставили, какие наушники и как далеко расположен передатчик.
http://electronic.vladbazar.com/radiope ... EA%E8.html
Тогда пишите какой диод поставили, какие наушники и как далеко расположен передатчик.


