Например TDA7294

Форум РадиоКот • Просмотр темы - ну когда же из этого будет секундомер.
Форум РадиоКот
Здесь можно немножко помяукать :)

Текущее время: Сб фев 21, 2026 15:17:34

Часовой пояс: UTC + 3 часа


ПРЯМО СЕЙЧАС:



Начать новую тему Ответить на тему  [ Сообщений: 253 ]    , , , , 5, , , ...  
Автор Сообщение
Не в сети
 Заголовок сообщения: Re: ну когда же из этого будет секундомер.
СообщениеДобавлено: Вт фев 22, 2011 15:37:32 
Первый раз сказал Мяу!

Зарегистрирован: Пн фев 23, 2009 16:46:13
Сообщений: 24
Откуда: Харьков
Рейтинг сообщения: 0
Coviraylhik писал(а):
Схема работает просто как часы, на кнопку старт стоп не реагирует

а, понятно.

akl мне выкладывал вариант, в котором работает старт-стоп. я думал это он и есть.


Вернуться наверх
 
Не в сети
 Заголовок сообщения: Re: ну когда же из этого будет секундомер.
СообщениеДобавлено: Вт фев 22, 2011 16:09:54 
Мучитель микросхем
Аватар пользователя

Карма: -8
Рейтинг сообщений: 1
Зарегистрирован: Чт июн 03, 2010 23:06:12
Сообщений: 420
Рейтинг сообщения: 0
Так теперь заработало правильно, идет прямой счёт, Управляется кнопкой S2 старт стоп,только не горят точки между чч.мм.сс, акl а можно сделать раздельное управление старт стоп двумя кнопками (Тут конечно многие ищут чтобы поменьше кнопок , а мне наоборот :cry: хочу эту схему пристроить к другой, как показометр, и вручную не прийдётся нажимать)
Чуть неудобное длительное нажатие на кнопку S2 , можно ли уменьшить период нажатия (наверное сильная защита от антидребезга)
steaml писал(а):
akl мне выкладывал вариант, в котором работает старт-стоп. я думал это он и есть.

Это нормально что одна схема , а функции разные, респект акl


Вернуться наверх
 
Не в сети
 Заголовок сообщения: Re: ну когда же из этого будет секундомер.
СообщениеДобавлено: Чт фев 24, 2011 17:54:17 
Мучитель микросхем
Аватар пользователя

Карма: -8
Рейтинг сообщений: 1
Зарегистрирован: Чт июн 03, 2010 23:06:12
Сообщений: 420
Рейтинг сообщения: 0
akl писал(а):
Попробуйте то,что ниже. Задействовал кнопку "СТАРТ/СТОП". Другие кнопки пока не отключал.

Протестировал полностью, и с точностью норма, спасибо akl качественый девайс , заказал индикаторы с которыми мне будет удобней собрать устройство и буду собирать на постояной плате.
Еще вопрос, каким комплектом программ комплимируется файл (SW_FULL.asm Assembler source file) вот как здесь описано http://www.radiokot.ru/start/mcu_fpga/avr/02/, это должно подойти?


Вернуться наверх
 
Не в сети
 Заголовок сообщения: Re: ну когда же из этого будет секундомер.
СообщениеДобавлено: Чт фев 24, 2011 18:01:28 
Друг Кота

Карма: 66
Рейтинг сообщений: 1025
Зарегистрирован: Пт мар 07, 2008 06:54:43
Сообщений: 4400
Откуда: Ижевск
Рейтинг сообщения: 0
Здравствуйте. Попробуйте то, ниже. Ввел раздельное управление "СТАРТ"-PB7 и "СТОП"-PB6. Схема в архиве.
Работа мыслится такая
-после подачи питания или нажатия "СБРОС" секундомер остановлен, разделители не горят, возможна независимая предустановка показаний кнопками "ЧАСЫ", "МИНУТЫ".
-нажатие кнопки "СТАРТ" поджигает разделители и начинается счет
-нажатие кнопки "СТОП" гасит разделители, счет останавливается.
Не нравится
-не очень точное (погрешность 30 тиков) формирование секундного интервала при нажатии кнопки "СТАРТ" (после отпускания кнопки секунда формируется точно).
Вложение:
STOPWATCH_FULL_03.rar


Вернуться наверх
 
Эиком - электронные компоненты и радиодетали
Не в сети
 Заголовок сообщения: Re: ну когда же из этого будет секундомер.
СообщениеДобавлено: Чт фев 24, 2011 18:45:41 
Мучитель микросхем
Аватар пользователя

Карма: -8
Рейтинг сообщений: 1
Зарегистрирован: Чт июн 03, 2010 23:06:12
Сообщений: 420
Рейтинг сообщения: 0
Здраствуйте akl.
Сейчас работает раздельное управление "СТАРТ"и "СТОП" также как и прежде можно использовать этот девайс как часы. А вот точки может сделать так, после нажатия "СТАРТ" точка мигает после ЧЧ. после ММ. горит постоянно.
Нажимаем "СТОП" две точки после ЧЧ. и после ММ. горят постоянно, Мне кажется так лучше будет "удобочитаемость"

_________________
Некакого перимирия, Некаких мирных шагов навстречу и периговоров.


Вернуться наверх
 
Не в сети
 Заголовок сообщения: Re: ну когда же из этого будет секундомер.
СообщениеДобавлено: Чт фев 24, 2011 22:45:08 
Мучитель микросхем
Аватар пользователя

Карма: -8
Рейтинг сообщений: 1
Зарегистрирован: Чт июн 03, 2010 23:06:12
Сообщений: 420
Рейтинг сообщения: 0
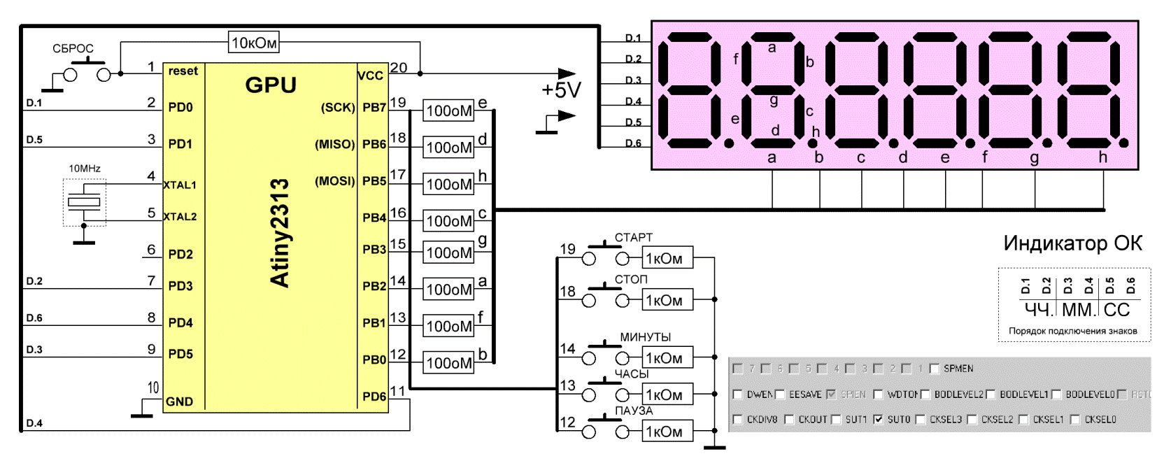
Схемку немного подрисовал, чтобы не путаться при разводке платы. Индикаторы ОК
Изображение


Вложения:
Часы секунд.GIF [128.62 KiB]
Скачиваний: 1816


Последний раз редактировалось Coviraylhik Пт фев 25, 2011 10:30:55, всего редактировалось 1 раз.
Вернуться наверх
 
Не в сети
 Заголовок сообщения: Re: ну когда же из этого будет секундомер.
СообщениеДобавлено: Пт фев 25, 2011 07:32:18 
Друг Кота

Карма: 66
Рейтинг сообщений: 1025
Зарегистрирован: Пт мар 07, 2008 06:54:43
Сообщений: 4400
Откуда: Ижевск
Рейтинг сообщения: 0
Здравствуйте. Кварц включен оригинально. Хочу попросить о проведении эксперимента, а именно
- установить кварц без конденсаторов, но соединив корпус с 10 лапой tiny2313, fuse SUT1,0 = 11
- запустить на продолжительный промежуток времени с отсечкой начала и конца и записью показаний схемы в эти моменты
- по полученным данным узнать действительную частоту генерации системы кварц-контроллер, откорректировать программу
Думаю, в Ваших интересах получить действительно часы, а не ходики :cry: с гордым названием - кварцевые. :oops:

Касательно мыргающих точек. Я не сторонник дополнительных раздражителей при полноразмерной индикации. Мне больше нравится решение steaml в виде пространственного раздела часов, минут и секунд.


Вернуться наверх
 
Не в сети
 Заголовок сообщения: Re: ну когда же из этого будет секундомер.
СообщениеДобавлено: Пт фев 25, 2011 10:52:36 
Мучитель микросхем
Аватар пользователя

Карма: -8
Рейтинг сообщений: 1
Зарегистрирован: Чт июн 03, 2010 23:06:12
Сообщений: 420
Рейтинг сообщения: 0
Во вложении схемы свою ашипку исправил,
Сейчас установил кварц без конденсаторов, соединив корпус кварц с 10 выводом tiny2313,
(только кварц пока используется с длинными ножками ,ну в том виде как и был куплен, ведь схема у меня пока на монтажке, (если это имеет значение))
(fuse SUT1,0 = 11-????) посмотрите во вложеной схеме, как я выставил.
Сейчас сделал старт (даже фото старт, чтобы обьяснять не на "пальцах" :) )
Изображение
Дальше снятие показаний будет значительно позже.


Вложения:
Старт00.jpg [28.08 KiB]
Скачиваний: 7920


Последний раз редактировалось Coviraylhik Пт фев 25, 2011 11:27:17, всего редактировалось 1 раз.
Вернуться наверх
 
Не в сети
 Заголовок сообщения: Re: ну когда же из этого будет секундомер.
СообщениеДобавлено: Пт фев 25, 2011 11:16:41 
Мучитель микросхем
Аватар пользователя

Карма: -8
Рейтинг сообщений: 1
Зарегистрирован: Чт июн 03, 2010 23:06:12
Сообщений: 420
Рейтинг сообщения: 0
akl писал(а):
......Касательно мыргающих точек. Я не сторонник дополнительных раздражителей при полноразмерной индикации. Мне больше нравится решение steaml в виде пространственного раздела часов, минут и секунд.

Понимаю сколько людей столько мнений, но всё же.....
Если раздражают точки их всегда можно убрать не подключив вывод h, а вот зажечь там где надо.... :dont_know:
Вариант №1
Coviraylhik писал(а):
после нажатия "СТАРТ" точка мигает после ЧЧ. после ММ. горит постоянно.Нажимаем "СТОП" две точки после ЧЧ. и после ММ. горят постоянно,

Вариант №2
после нажатия "СТАРТ" точка после ЧЧ. и после ММ. горит постоянно.Нажимаем "СТОП" две точки после ЧЧ. и после ММ. мигают.
Все таки в точках немало информации о состоянии схемы,
Сделал ещё фото кажется разница проявляется
Изображение


Вложения:
Старт00 005.jpg [23.8 KiB]
Скачиваний: 4467
Старт00 003.jpg [71.38 KiB]
Скачиваний: 757


Последний раз редактировалось Coviraylhik Пт фев 25, 2011 13:05:51, всего редактировалось 1 раз.
Вернуться наверх
 
Не в сети
 Заголовок сообщения: Re: ну когда же из этого будет секундомер.
СообщениеДобавлено: Пт фев 25, 2011 11:35:26 
Друг Кота

Карма: 66
Рейтинг сообщений: 1025
Зарегистрирован: Пт мар 07, 2008 06:54:43
Сообщений: 4400
Откуда: Ижевск
Рейтинг сообщения: 0
Coviraylhik писал(а):
Еще вопрос, каким комплектом программ комплимируется файл (SW_FULL.asm Assembler source file) вот как здесь описано http://www.radiokot.ru/start/mcu_fpga/avr/02/, это должно подойти?
Пользуюсь AVR STUDIO 3.21 https://sunduk.radiokot.ru/loadfile/?load_id=1288662280 Примерная картинка симуляции работы программы sw_full в архиве
Иногда, по быстрому, использую пакетный файл .bat, но он требует создание в папке вызова наличие avrasm32.exe и соответствующий .def
Вложение:
STOPWATCH_FULL_04.rar

По приведенной картинке состояния fuse-бит понятно, что для Вашего программатора желательно снять галку с SUT0, чтобы
начинать работу с максимальным временем стабилизации частоты генерации.


Вернуться наверх
 
Не в сети
 Заголовок сообщения: Re: ну когда же из этого будет секундомер.
СообщениеДобавлено: Пт фев 25, 2011 13:44:21 
Мучитель микросхем
Аватар пользователя

Карма: -8
Рейтинг сообщений: 1
Зарегистрирован: Чт июн 03, 2010 23:06:12
Сообщений: 420
Рейтинг сообщения: 0
Значит моём программаторе все галки снять, вообще то для работы с кварцем всегда вытавляю так, (а тут я не понял в таком формате SUT1,0 = 11)
Так что сейчас с такими фьюзами, замеры промежутка времени показаний схемы, не актуальны ( фото обновил)
Изменить фьюзы и еще засечь. (И что с этим, может влиять на результат, "кварц пока используется с длинными ножками")?
А так же хочу добавить, что сейчас провожу замер промежутка времени, на индувидуальном варианте ( далее будут другие МК , кварцы....) думаю что такой вариантИзображение,
коректировки с доп. конденсаторами не избежать (хе-хе, многие радиолюбители и я в том числе, не любят таких усложнений схемы :lol: шутка)


Вложения:
кВ.jpg [6.21 KiB]
Скачиваний: 4233
Вернуться наверх
 
Не в сети
 Заголовок сообщения: Re: ну когда же из этого будет секундомер.
СообщениеДобавлено: Пт фев 25, 2011 16:54:33 
Мучитель микросхем
Аватар пользователя

Карма: -8
Рейтинг сообщений: 1
Зарегистрирован: Чт июн 03, 2010 23:06:12
Сообщений: 420
Рейтинг сообщения: 0
Вот зафиксировано за 6 часов работы, что тут получилось, разность около 8 сек, спешат.
Изображение
Изображение
Это при условиях ,что кварц без конденсаторов, корпус кварца подключен на общий минус.
fuse-бит только одна галка стояла на SUT0.

_________________
Некакого перимирия, Некаких мирных шагов навстречу и периговоров.


Вернуться наверх
 
Не в сети
 Заголовок сообщения: Re: ну когда же из этого будет секундомер.
СообщениеДобавлено: Сб фев 26, 2011 08:11:51 
Друг Кота

Карма: 66
Рейтинг сообщений: 1025
Зарегистрирован: Пт мар 07, 2008 06:54:43
Сообщений: 4400
Откуда: Ижевск
Рейтинг сообщения: 0
Здравствуйте. По моим расчетам частота генерации составляет 10'003'823Гц. Скорректировал программу


Вернуться наверх
 
Не в сети
 Заголовок сообщения: Re: ну когда же из этого будет секундомер.
СообщениеДобавлено: Сб фев 26, 2011 16:37:30 
Мучитель микросхем
Аватар пользователя

Карма: -8
Рейтинг сообщений: 1
Зарегистрирован: Чт июн 03, 2010 23:06:12
Сообщений: 420
Рейтинг сообщения: 0
Здраствуйте. Сейчас засек время с прошивкой STOPWATCH_FULL_05.rar , фьюзы в пони прог все галки сняты, точки 2 и 4 мигают во время счёта.
Вот результат за 6 часов, явных расхождений пока не видно,
Изображение
.
Изображение
сегодня постараюсь показать здесь более длительный результат, счёт продолжается.
Так что секудомер этот меня в принципе , уже устраивает еще со сборки STOPWATCH_FULL_03, Остаётся тут только комбинация с точками.
akl скажите можно в этом проэкте сделать варианты включения точек с коментариями в исходнике? Тогда такие простые вопросы не будут отвлекать от более насущных,( мне по прежнему ближе вариант после нажатия "СТАРТ" точка мигает после ЧЧ. после ММ. горит постоянно.Далее нажимаем "СТОП" две точки после ЧЧ. и после ММ. горят постоянно)
Хотя конечно схема с такими функциями не имеет большого спроса , судя по этой теме, за два года реально сделано применение у двух человек.
А я вижу в этой схеме ценность, и возможности творчества с ней раширяются, например даже с прошивкой CLOCK_FULL. в которой включается счет с подачей питания тоже есть смысл и можно найти применение.
Так что, если сделать возможность готовых изменений в исходнике, тут хочется сказать, схема навека , но этого не будет, уже давно всем ясно, что надолго ничего не бывает.
И так, в общем, спасибо!


Вложения:
Замер интервала 006.jpg [27.95 KiB]
Скачиваний: 4041
Замер интервала 003.jpg [16.45 KiB]
Скачиваний: 4426


Последний раз редактировалось Coviraylhik Ср мар 02, 2011 14:37:40, всего редактировалось 1 раз.
Вернуться наверх
 
Не в сети
 Заголовок сообщения: Re: ну когда же из этого будет секундомер.
СообщениеДобавлено: Вс фев 27, 2011 08:36:32 
Друг Кота

Карма: 66
Рейтинг сообщений: 1025
Зарегистрирован: Пт мар 07, 2008 06:54:43
Сообщений: 4400
Откуда: Ижевск
Рейтинг сообщения: 0
Coviraylhik писал(а):
...скажите можно в этом проекте сделать варианты включения точек с комментариями в исходнике? ... мне по прежнему ближе вариант после нажатия "СТАРТ" точка мигает после ЧЧ. после ММ. горит постоянно.Далее нажимаем "СТОП" две точки после ЧЧ. и после ММ. горят постоянно...

Посмотрите исходник ниже. Добавил комментариев и, вроде, сделал поджиг точек для Вас
Вложение:
STOPWATCH_FULL_07.rar


Вернуться наверх
 
Не в сети
 Заголовок сообщения: Re: ну когда же из этого будет секундомер.
СообщениеДобавлено: Вс фев 27, 2011 09:54:02 
Мучитель микросхем
Аватар пользователя

Карма: -8
Рейтинг сообщений: 1
Зарегистрирован: Чт июн 03, 2010 23:06:12
Сообщений: 420
Рейтинг сообщения: 0
Вот, посмотрите результат точности хода часов
фото в момент старта
Изображение
фото через 23 часа 15 мин.
Изображение
Вот это да, если бы так каждый доктор лечил, как akl!!!
Да схемка сделана клас, во первых 2 в 1 часы и секундомер
Второе отображение в полном формате часы, минуты, секунды
Третье управляющие кнопок задействованы к общему проводу, что позволит встраивать и адаптировать схему к другим устройствам.Тут по схеме видно, удачное решение с подключением кнопок.
Как видно по фото и с точность хода все в порядке.
А также на данный момент, еще и остался свободный порт МК , что позволит в дальнейшем модернизировать часики, использовав его для энергосбережения (отключение дисплея при резервном питании) или отработки на какое либо событие.
Да в прошивке STOPWATCH_FULL_07.rar точки как я и думал.
akl меня например, этот девайс полностью устраивает. Спасибо !


Вложения:
Замер интервала 023.jpg [31.76 KiB]
Скачиваний: 4572

_________________
Некакого перимирия, Некаких мирных шагов навстречу и периговоров.
Вернуться наверх
 
Не в сети
 Заголовок сообщения: Re: ну когда же из этого будет секундомер.
СообщениеДобавлено: Пн фев 28, 2011 14:15:04 
Мучитель микросхем
Аватар пользователя

Карма: -8
Рейтинг сообщений: 1
Зарегистрирован: Чт июн 03, 2010 23:06:12
Сообщений: 420
Рейтинг сообщения: 0
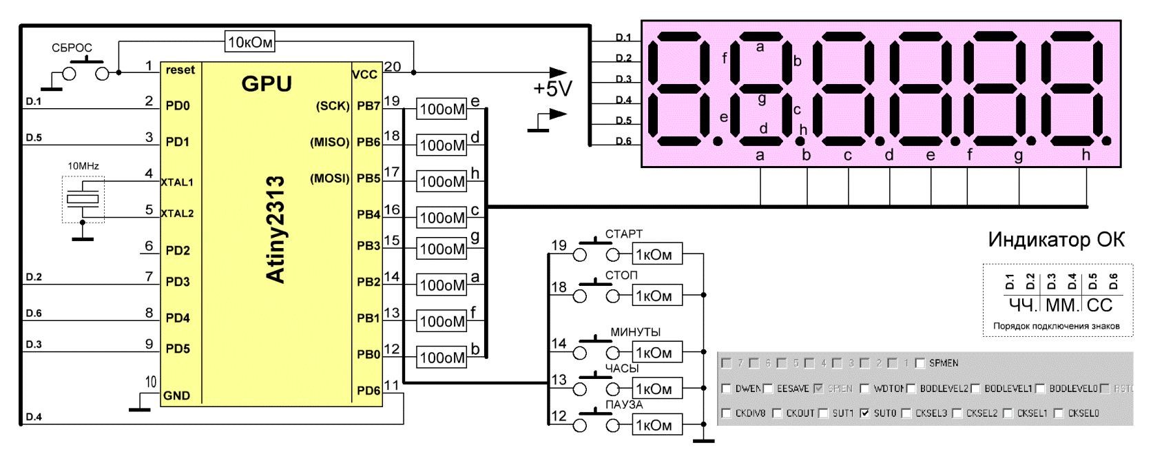
Вот , как итог проделаной работы , благодаря akl , такое получилось устройство часы-секундомер
Изображение
Схема
Изображение
Плата
Изображение
Изображение
Изображение

Прошивка STOPWATCH_FULL_07.rar и STOPWATCH_FULL_05.rar


Вернуться наверх
 
Не в сети
 Заголовок сообщения: Re: ну когда же из этого будет секундомер.
СообщениеДобавлено: Сб фев 16, 2013 22:45:38 
Первый раз сказал Мяу!
Аватар пользователя

Зарегистрирован: Чт янв 17, 2013 16:40:33
Сообщений: 25
Откуда: Киев
Рейтинг сообщения: 0
Кто в курсе подскажите пожалуйста как правильно подключить к этим часам индикаторы KW1-1801CSB?

Есть еще одна проблема, у нас часто свет пропадает, иногда по 6 - 8 раз в день, мне тут подарили микросхемку DS1307N которая в таких случаях продолжает отсчитывать время и его снова не надо настраивать когда появляется электричество, но к сожалению не я даже представляю можно ли DS1307N использовать в этих часах и как ее подключить.


Вернуться наверх
 
Не в сети
 Заголовок сообщения: Re: ну когда же из этого будет секундомер.
СообщениеДобавлено: Вс фев 17, 2013 04:19:19 
Друг Кота

Карма: 66
Рейтинг сообщений: 1025
Зарегистрирован: Пт мар 07, 2008 06:54:43
Сообщений: 4400
Откуда: Ижевск
Рейтинг сообщения: 0
Вам, скорее, сюда. Или прямо сюда.


Вернуться наверх
 
Не в сети
 Заголовок сообщения: Re: ну когда же из этого будет секундомер.
СообщениеДобавлено: Вс фев 17, 2013 13:02:25 
Первый раз сказал Мяу!
Аватар пользователя

Зарегистрирован: Чт янв 17, 2013 16:40:33
Сообщений: 25
Откуда: Киев
Рейтинг сообщения: 0
akl писал(а):
Вам, скорее, сюда. Или прямо сюда.


спасибо конечно, но по первой ссылке нет защиты от пропажи электричества, обе модели не отображают секунды, только часы и минуты, для программиста может и копеечный вопрос, я к сожалению в этом не разбираюсь, мне казалось, что проще в эту модель добавить DS1307N.

по поводу подключения индикаторов, хотелось бы подключить именно правильно а не как попало, надеюсь моя самоделка будет работать долго. страшно не люблю переделывать.


Вернуться наверх
 
Показать сообщения за:  Сортировать по:  Вернуться наверх
Начать новую тему Ответить на тему  [ Сообщений: 253 ]    , , , , 5, , , ...  

Часовой пояс: UTC + 3 часа


Кто сейчас на форуме

Сейчас этот форум просматривают: нет зарегистрированных пользователей и гости: 90


Вы не можете начинать темы
Вы не можете отвечать на сообщения
Вы не можете редактировать свои сообщения
Вы не можете удалять свои сообщения
Вы не можете добавлять вложения

Найти:
Перейти:  


Powered by phpBB © 2000, 2002, 2005, 2007 phpBB Group
Русская поддержка phpBB
Extended by Karma MOD © 2007—2012 m157y
Extended by Topic Tags MOD © 2012 m157y