Например TDA7294

Форум РадиоКот • Просмотр темы - Цифровая паяльная станция (от михи-псков)
Форум РадиоКот
Здесь можно немножко помяукать :)

Текущее время: Пт фев 06, 2026 17:29:30

Часовой пояс: UTC + 3 часа


ПРЯМО СЕЙЧАС:



Начать новую тему Ответить на тему  [ Сообщений: 10601 ]     ... , , , 181, , , ...  
Автор Сообщение
Не в сети
 Заголовок сообщения: Re: Цифровая паяльная станция (от михи-псков)
СообщениеДобавлено: Сб апр 16, 2011 16:30:20 
Встал на лапы
Аватар пользователя

Зарегистрирован: Пн сен 14, 2009 17:45:11
Сообщений: 120
Откуда: РОССИЯ г.Киров
Рейтинг сообщения: 0
Понял.


Вернуться наверх
 
Не в сети
 Заголовок сообщения: Re: Цифровая паяльная станция (от михи-псков)
СообщениеДобавлено: Сб апр 16, 2011 22:25:06 
Вымогатель припоя
Аватар пользователя

Карма: 4
Рейтинг сообщений: 102
Зарегистрирован: Чт фев 19, 2009 23:41:27
Сообщений: 615
Откуда: Беларусь, Барановичи
Рейтинг сообщения: 0
fox_ писал(а):
Всем котам доброго дня, наконец все закончил довел до ума, если кому то надо могу скинуть печатки по фену паяльнику и блоку питания, вместе с фотками получившегося чуда.
Сейчас прикручиваю реле по управлению феном, дабы отключался только при остывании до 50 гр. Когда эту плату доработаю, могу скинуть и ее.

Скидывай сюда в тем печатку и всё остальное, прикреплю ссылку в FAQ. а вось пригодиться другим котам :)


tim11ka писал(а):
а у моей станции прозвонка показала что все цело , но паяльник не работает при этом температура на индикаторе зашкаливает до 500-547 и разных показателей градусов при его отсоединение на индикаторе показывает "---" и ещё трансформатор что то малость нагревается , причина так и не понятна ещё

так же пики стоят, все на них пока что грешу


Операционник цел? Моет разъём на паяльник не пропаян (вечная беда китайцев) Отключи нагреватель и глянь сколько градусов он па кажет.

_________________
FAQ по паяльной станции "от михи-псков" и доработке Lykey 702/852D+,схемы,платы, прошивки


Вернуться наверх
 
Не в сети
 Заголовок сообщения: Re: Цифровая паяльная станция (от михи-псков)
СообщениеДобавлено: Сб апр 16, 2011 22:56:04 
Нашел транзистор. Понюхал.

Зарегистрирован: Пт дек 18, 2009 16:40:11
Сообщений: 153
Откуда: Красноярск
Рейтинг сообщения: 0
Всем привет! За веткой слежу с начала ее появления, еще очень давно (почти 1.5 года назад) здесь задавал вопросы и примерно год назад решился все же собирать эту станцию (уже по обновленной схеме) :) Затем из-за проблем с Платаном (который прислал мне не тот паяльник) сборка станции отложилась еще на полгода. Вот и полгода назад наконец-то собрал станцию по 2-му варианту схемы (подробнее - тут). Собирал один канал только на паяльник, фен не нужен мне.

Собственно, о результатах. Все заработало сразу, температура во время стабилизации "градусов" несколько секунд прыгает +/-1, затем останавливается на месте. Проблема возникла со стабилизатором -- большой радиатор на L7805 ставить было негде, поэтому пришлось на проводах цеплять импульсный стаб без радиатора с небольшим навесом (хотя печатка для L7805). Паяльник у меня SL-ICMC (Solomon). Время разогрева примерно пара минут (до примерно 350-400 град). БП использую внешний -- испульсник от ноутбука 18,5В.

Печатку разводить свою меня заставило отсутствие в магазинах Меги8 в DIP корпусе (поэтому Мега - TQFP, а все остальное выводное) и размеры моего корпуса, куда планируется все это засунуть -- примерно 200x100x20мм.
Вообще, думал, доделаю корпус и выложу сюда свою печатку, но до корпуса дело пока не дошло и пока не до него сейчас :) Поэтому выкладываю сейчас свою печатку (см. вложения).

Изменения в моей печатке:
1. ну во-первых МК, как уже говорил выше, в корпусе TQFP, а остальные компоненты выводные; прошивка МК может происходить прямо на плате, но 1 проводок точно подпаивать придется (площадку для этого небольшую вывел, но мне эта площадка показалась маловатой -- не легко подпаяться)
2. резистор R4 (см. схему) составлен из двух -- это было сделано или из-за того, что на 1 МОм не нашел, или из-за того, что подстроечник не нашел нужного номинала.
3. LM285 используется обычный трехногий - lm285z
4. где-то на всякий случай добавлены места для дополнительной керамики 0.1uF
5. индикатор и кнопки цепляются через шлейф

Вроде все, ничего не забыл :)

Ну и, конечно, СПАСИБО всем котам, которые учавствовали в создании, модернизации, тестировании, сборе информации этой ПС.


Вложения:
DSC00227.JPG [117.66 KiB]
Скачиваний: 3154
DSC00225.JPG [104.39 KiB]
Скачиваний: 2870
DSC00224.JPG [95.64 KiB]
Скачиваний: 2301
DSC00223.JPG [91.18 KiB]
Скачиваний: 2543
Комментарий к файлу: Печатка (Sprint Layout 5)
печатка-SL5.zip [39.98 KiB]
Скачиваний: 1908
Вернуться наверх
 
Не в сети
 Заголовок сообщения: Re: Цифровая паяльная станция (от михи-псков)
СообщениеДобавлено: Сб апр 23, 2011 08:33:36 
Встал на лапы
Аватар пользователя

Зарегистрирован: Сб окт 09, 2010 22:18:34
Сообщений: 104
Откуда: Ялта
Рейтинг сообщения: 0
fox_ писал(а):
Всем котам доброго дня, наконец все закончил довел до ума, если кому то надо могу скинуть печатки по фену паяльнику и блоку питания, вместе с фотками получившегося чуда.
Сейчас прикручиваю реле по управлению феном, дабы отключался только при остывании до 50 гр. Когда эту плату доработаю, могу скинуть и ее.



скинь, пожалуйста, печатки)


Вернуться наверх
 
Эиком - электронные компоненты и радиодетали
Не в сети
 Заголовок сообщения: Re: Цифровая паяльная станция (от михи-псков)
СообщениеДобавлено: Вт апр 26, 2011 12:59:40 
Родился

Зарегистрирован: Вт апр 26, 2011 12:32:53
Сообщений: 1
Рейтинг сообщения: 0
Собрался сделать такую станцию. Подскажите, какой лучше купить паяльник. Выбор из двух вариантов
от станции GORDAK-936
от станции LUKEY 702/902


Вернуться наверх
 
Не в сети
 Заголовок сообщения: Re: Цифровая паяльная станция (от михи-псков)
СообщениеДобавлено: Ср апр 27, 2011 10:56:03 
Первый раз сказал Мяу!

Зарегистрирован: Вс фев 22, 2009 21:50:24
Сообщений: 31
Рейтинг сообщения: 0
Здравствуйте! В паяльнике lukey да и в других думаю тоже, нагреватель не доходит до дна жала. Решается довольно просто - шарик от подшипника 3,5-4 мм.


Вернуться наверх
 
Не в сети
 Заголовок сообщения: Re: Цифровая паяльная станция (от михи-псков)
СообщениеДобавлено: Ср апр 27, 2011 14:52:10 
Родился

Зарегистрирован: Вт апр 26, 2011 16:43:01
Сообщений: 2
Рейтинг сообщения: 0
Здравствуйте. Я тоже собрал станцию по 2-му варианту, для термопинцета ZD- 409 (24V).
Процессор я купил ATmega 8A-PU, индикатор с общим анодом BA56-12GWA.
Всё работает, только индикатор мерцает с низкой частотой. При проверки осциллографом
видно что импульсы на катоды индикатора поступают 0,3 ms. Может у кого нибудь встречалось?


Вернуться наверх
 
Не в сети
 Заголовок сообщения: Re: Цифровая паяльная станция (от михи-псков)
СообщениеДобавлено: Ср апр 27, 2011 15:37:22 
Встал на лапы
Аватар пользователя

Зарегистрирован: Пт янв 08, 2010 21:50:59
Сообщений: 103
Рейтинг сообщения: 0
_Alexandr писал(а):
Здравствуйте. Я тоже собрал станцию по 2-му варианту, для термопинцета ZD- 409 (24V).
Процессор я купил ATmega 8A-PU, индикатор с общим анодом BA56-12GWA.
Всё работает, только индикатор мерцает с низкой частотой. При проверки осциллографом
видно что импульсы на катоды индикатора поступают 0,3 ms. Может у кого нибудь встречалось?

90% что неправельная установка фьюзов

_________________
Изображение


Вернуться наверх
 
Не в сети
 Заголовок сообщения: Re: Цифровая паяльная станция (от михи-псков)
СообщениеДобавлено: Ср апр 27, 2011 16:34:16 
Встал на лапы
Аватар пользователя

Зарегистрирован: Пн сен 14, 2009 17:45:11
Сообщений: 120
Откуда: РОССИЯ г.Киров
Рейтинг сообщения: 0
Цитата:
Здравствуйте! В паяльнике lukey да и в других думаю тоже, нагреватель не доходит до дна жала. Решается довольно просто - шарик от подшипника 3,5-4 мм.

У всех по разному бывает. У кого 2мм, у кого 4мм, у меня вот 5-6мм(нагреватель HAKKO). Обрезал втулку, обрезал и завальцевал внешний кожух. Уж лучше так, чем с шариком и тепловой инерцией(ИМХО). Тем более при замене жала всеравно ничего переделывать не надо.


Вернуться наверх
 
Не в сети
 Заголовок сообщения: Re: Цифровая паяльная станция (от михи-псков)
СообщениеДобавлено: Ср апр 27, 2011 16:51:58 
Родился

Зарегистрирован: Вт апр 26, 2011 16:43:01
Сообщений: 2
Рейтинг сообщения: 0
Действительно фьюзы были неправильные. Я прошивал программатором ChipProg+,
а в нём конфигурация фьюзов программируется отдельно. Спасибо.


Вернуться наверх
 
Не в сети
 Заголовок сообщения: Re: Цифровая паяльная станция (от михи-псков)
СообщениеДобавлено: Ср апр 27, 2011 17:35:07 
Вымогатель припоя
Аватар пользователя

Карма: 4
Рейтинг сообщений: 102
Зарегистрирован: Чт фев 19, 2009 23:41:27
Сообщений: 615
Откуда: Беларусь, Барановичи
Рейтинг сообщения: 0
_Alexandr писал(а):
Действительно фьюзы были неправильные. Я прошивал программатором ChipProg+,
а в нём конфигурация фьюзов программируется отдельно. Спасибо.

Скриншот установки битов на данном программаторе/программе можете сделать для коллекции в FAQ?

_________________
FAQ по паяльной станции "от михи-псков" и доработке Lykey 702/852D+,схемы,платы, прошивки


Вернуться наверх
 
Не в сети
 Заголовок сообщения: Re: Цифровая паяльная станция (от михи-псков)
СообщениеДобавлено: Чт апр 28, 2011 19:51:35 
Открыл глаза
Аватар пользователя

Зарегистрирован: Пт апр 23, 2010 13:04:48
Сообщений: 69
Откуда: г.Киев
Рейтинг сообщения: 0
Есть собранная по варианту №1 схема паяльной станции и фена. Изначально в схеме был использован паяльний с термопарой, но был заменен нагревательный элемент на керамический с терморезистором, переделка схемы измерения с подтяжкой горячего конца терморезистора с помощью 1,5 кОм к 5в обеспечила работоспособность паяльника с нелинейной характеристикой. То есть если при 200 градусах индицируемое на станции значение соответствовало измеренному с помощью мультимеира с термопарой, то при 250 уже была ошибка. При 300 градусах, ошибка увеличивалась. После переделки схемы в соответствии с вариантом http://www.radiokot.ru/forum/download/file.php?id=30216 станция заработала как надо!

Но вот попал в руки прекрасный паяльник Goot RX-70GAS с керамическим нагревателем от паяльной станции GOOT RX-711AS, но у него один конец теморезистора сделан общим с одним концом нагревательного элемента.
Вопрос к общественности, можно ли модифицировав схему как в приведенном фрагменте обеспечить работоспасобность станции с данным паяльником?


Вложения:
Комментарий к файлу: Фрагмент схемы №1 с внесенными изменениями
variant.GIF [30.82 KiB]
Скачиваний: 1569
Вернуться наверх
 
Не в сети
 Заголовок сообщения: Re: Цифровая паяльная станция (от михи-псков)
СообщениеДобавлено: Чт апр 28, 2011 23:22:26 
Друг Кота
Аватар пользователя

Карма: 18
Рейтинг сообщений: 1121
Зарегистрирован: Пт ноя 27, 2009 18:12:27
Сообщений: 4625
Откуда: Черкассы, UA
Рейтинг сообщения: 0
loki_amorf писал(а):
Вопрос к общественности, можно ли модифицировав схему как в приведенном фрагменте обеспечить работоспасобность станции с данным паяльником?

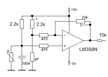
Так не получится - это истоковый повторитель, на паяльник будет попадать примерно 5 В. Если хочется коммутировать + питания, надо либо применить P-канальный полевик (соответственно проинвертировав сигнал управления), либо пляски с бубном с использованием дополнительного источника питания для управления N-канальным полевиком. Напряжение на затворе должно быть больше примерно на 10 вольт, чем на истоке.
Примерно как на рисунке.
Изображение
В интернете есть и более изощренные схемы :)

Возможно проще будет "вывернуть" терморезистор, поменяв прямой и инверсный входы ОУ и подключив общий вывод паяльника не к массе, а к + источника. Могут возникнуть проблемы с точностью и стабильностью измерений. Тут надо подумать, а лучше смоделировать...

_________________
Изображение

В мире нет вредных веществ, в мире есть вредные количества © Д.И.Менделеев
Когда на форуме переходят на "Вы", в реальной жизни уже давно бьют морду © автор неизвестен.


Вернуться наверх
 
Не в сети
 Заголовок сообщения: Re: Цифровая паяльная станция (от михи-псков)
СообщениеДобавлено: Пт апр 29, 2011 09:26:45 
Открыл глаза
Аватар пользователя

Зарегистрирован: Пт апр 23, 2010 13:04:48
Сообщений: 69
Откуда: г.Киев
Рейтинг сообщения: 0
mr_kot писал(а):
loki_amorf писал(а):
Вопрос к общественности, можно ли модифицировав схему как в приведенном фрагменте обеспечить работоспасобность станции с данным паяльником?

Так не получится - это истоковый повторитель, на паяльник будет попадать примерно 5 В. Если хочется коммутировать + питания, надо либо применить P-канальный полевик (соответственно проинвертировав сигнал управления)..


Вот этот вариант мне будет наиболее приемлем.

Подскажите пожалуйста, если так можно выразиться, комплиментарную пару IRFZ44.

IRF4905 подойдет? Или IRF5305?

Вообще по каким параметрам транзистора стоит ориентироваться для поиска Р-канального аналога?

Может симистор применить? 8)

Нашел в сети:
Цитата:
...К сожалению, P-транзисторы хуже по параметрам чем их пары.....
(с) pro-radio.ru


Вернуться наверх
 
Не в сети
 Заголовок сообщения: Re: Цифровая паяльная станция (от михи-псков)
СообщениеДобавлено: Пт апр 29, 2011 20:32:43 
Друг Кота
Аватар пользователя

Карма: 18
Рейтинг сообщений: 1121
Зарегистрирован: Пт ноя 27, 2009 18:12:27
Сообщений: 4625
Откуда: Черкассы, UA
Рейтинг сообщения: 0
loki_amorf писал(а):
Вообще по каким параметрам транзистора стоит ориентироваться для поиска Р-канального аналога?

Напряжение сток-исток: не менее 40 В, сопротивление канала в открытом состоянии: чем меньше - тем лучше, Logic Level управление. Ну и ток, естественно, Ампер 5 или около этого.

loki_amorf писал(а):
Может симистор применить? 8)

Придется править прошивку - частота ШИМ высокая для симистора. Или же брать прошивку, заточенную под симистор - такие вроде есть.

loki_amorf писал(а):
Нашел в сети:
Цитата:
...К сожалению, P-транзисторы хуже по параметрам чем их пары.....
(с) pro-radio.ru

Как ни прискорбно, но это правда.

_________________
Изображение

В мире нет вредных веществ, в мире есть вредные количества © Д.И.Менделеев
Когда на форуме переходят на "Вы", в реальной жизни уже давно бьют морду © автор неизвестен.


Вернуться наверх
 
Не в сети
 Заголовок сообщения: Re: Цифровая паяльная станция (от михи-псков)
СообщениеДобавлено: Пт апр 29, 2011 21:56:52 
Открыл глаза
Аватар пользователя

Зарегистрирован: Пт апр 23, 2010 13:04:48
Сообщений: 69
Откуда: г.Киев
Рейтинг сообщения: 0
mr_kot писал(а):
loki_amorf писал(а):
Вообще по каким параметрам транзистора стоит ориентироваться для поиска Р-канального аналога?

Напряжение сток-исток: не менее 40 В, сопротивление канала в открытом состоянии: чем меньше - тем лучше, Logic Level управление. Ну и ток, естественно, Ампер 5 или около этого.



Пролейте свет на наименование параметров у производителей:

Напряжение сток-исток-VBRDSS (V)?
сопротивление канала в открытом состоянии - RDS(on) Max 10V (mOhms)?
Ну и ток, естественно, Ампер 5 или около этого - ID @ TC = 25C (A) & ID @ TC = 100C (A)? ( при разной температуре???)


Вернуться наверх
 
Не в сети
 Заголовок сообщения: Re: Цифровая паяльная станция (от михи-псков)
СообщениеДобавлено: Пт апр 29, 2011 22:19:53 
Друг Кота
Аватар пользователя

Карма: 18
Рейтинг сообщений: 1121
Зарегистрирован: Пт ноя 27, 2009 18:12:27
Сообщений: 4625
Откуда: Черкассы, UA
Рейтинг сообщения: 0
Да, все правильно.
У International Rectifier вот так:

Изображение
Кстати, этот можно попробовать. Правда он не Logic Level - работать будет, но, возможно, будет сильнее греться.

_________________
Изображение

В мире нет вредных веществ, в мире есть вредные количества © Д.И.Менделеев
Когда на форуме переходят на "Вы", в реальной жизни уже давно бьют морду © автор неизвестен.


Вернуться наверх
 
Не в сети
 Заголовок сообщения: Re: Цифровая паяльная станция (от михи-псков)
СообщениеДобавлено: Сб апр 30, 2011 10:06:05 
Опытный кот
Аватар пользователя

Карма: 1
Рейтинг сообщений: 2
Зарегистрирован: Пт мар 06, 2009 18:22:23
Сообщений: 702
Рейтинг сообщения: 0
mr_kot писал(а):
Придется править прошивку - частота ШИМ высокая для симистора. Или же брать прошивку, заточенную под симистор - такие вроде есть.

С симистором работает.
loki_amorf, можно сделать типа этого:


Вернуться наверх
 
Не в сети
 Заголовок сообщения: Re: Цифровая паяльная станция (от михи-псков)
СообщениеДобавлено: Сб апр 30, 2011 14:35:44 
Открыл глаза
Аватар пользователя

Зарегистрирован: Пт апр 23, 2010 13:04:48
Сообщений: 69
Откуда: г.Киев
Рейтинг сообщения: 0
Volly писал(а):
mr_kot писал(а):
Придется править прошивку - частота ШИМ высокая для симистора. Или же брать прошивку, заточенную под симистор - такие вроде есть.

С симистором работает.
loki_amorf, можно сделать типа этого:


Подскажите, а ничего страшного что у меня терморезистор сообщается с нагревательным элементом, соответственно в измерительную часть через общий провод возможно проникновение 50гц переменки. Может предварительно выпрямить напряжение, подаваемое с трансформатора на нагревательный элемент?


Вернуться наверх
 
Не в сети
 Заголовок сообщения: Re: Цифровая паяльная станция (от михи-псков)
СообщениеДобавлено: Сб апр 30, 2011 18:33:53 
Опытный кот
Аватар пользователя

Карма: 1
Рейтинг сообщений: 2
Зарегистрирован: Пт мар 06, 2009 18:22:23
Сообщений: 702
Рейтинг сообщения: 0
loki_amorf писал(а):
...соответственно в измерительную часть через общий провод возможно проникновение 50гц переменки.

Каким образом оно туда проникнет? -Ничего выпрямлять не надо. На 7805 конечно лучше подавать напр. поменьше, с отдельной обмотки или с отвода.


Вернуться наверх
 
Показать сообщения за:  Сортировать по:  Вернуться наверх
Начать новую тему Ответить на тему  [ Сообщений: 10601 ]     ... , , , 181, , , ...  

Часовой пояс: UTC + 3 часа


Кто сейчас на форуме

Сейчас этот форум просматривают: Bing [Bot] и гости: 74


Вы не можете начинать темы
Вы не можете отвечать на сообщения
Вы не можете редактировать свои сообщения
Вы не можете удалять свои сообщения
Вы не можете добавлять вложения

Найти:
Перейти:  


Powered by phpBB © 2000, 2002, 2005, 2007 phpBB Group
Русская поддержка phpBB
Extended by Karma MOD © 2007—2012 m157y
Extended by Topic Tags MOD © 2012 m157y