Например TDA7294

Форум РадиоКот • Просмотр темы - Рыбаки, ау!
Форум РадиоКот
Здесь можно немножко помяукать :)

Текущее время: Чт янв 22, 2026 06:39:58

Часовой пояс: UTC + 3 часа


ПРЯМО СЕЙЧАС:



Начать новую тему Ответить на тему  [ Сообщений: 398 ]     ... , , , 6, , , ...  
Автор Сообщение
Не в сети
 Заголовок сообщения: Re: Рыбаки, ау!
СообщениеДобавлено: Вт апр 12, 2011 18:10:55 
Встал на лапы
Аватар пользователя

Карма: 1
Рейтинг сообщений: 0
Зарегистрирован: Ср дек 29, 2010 17:30:34
Сообщений: 130
Рейтинг сообщения: 0
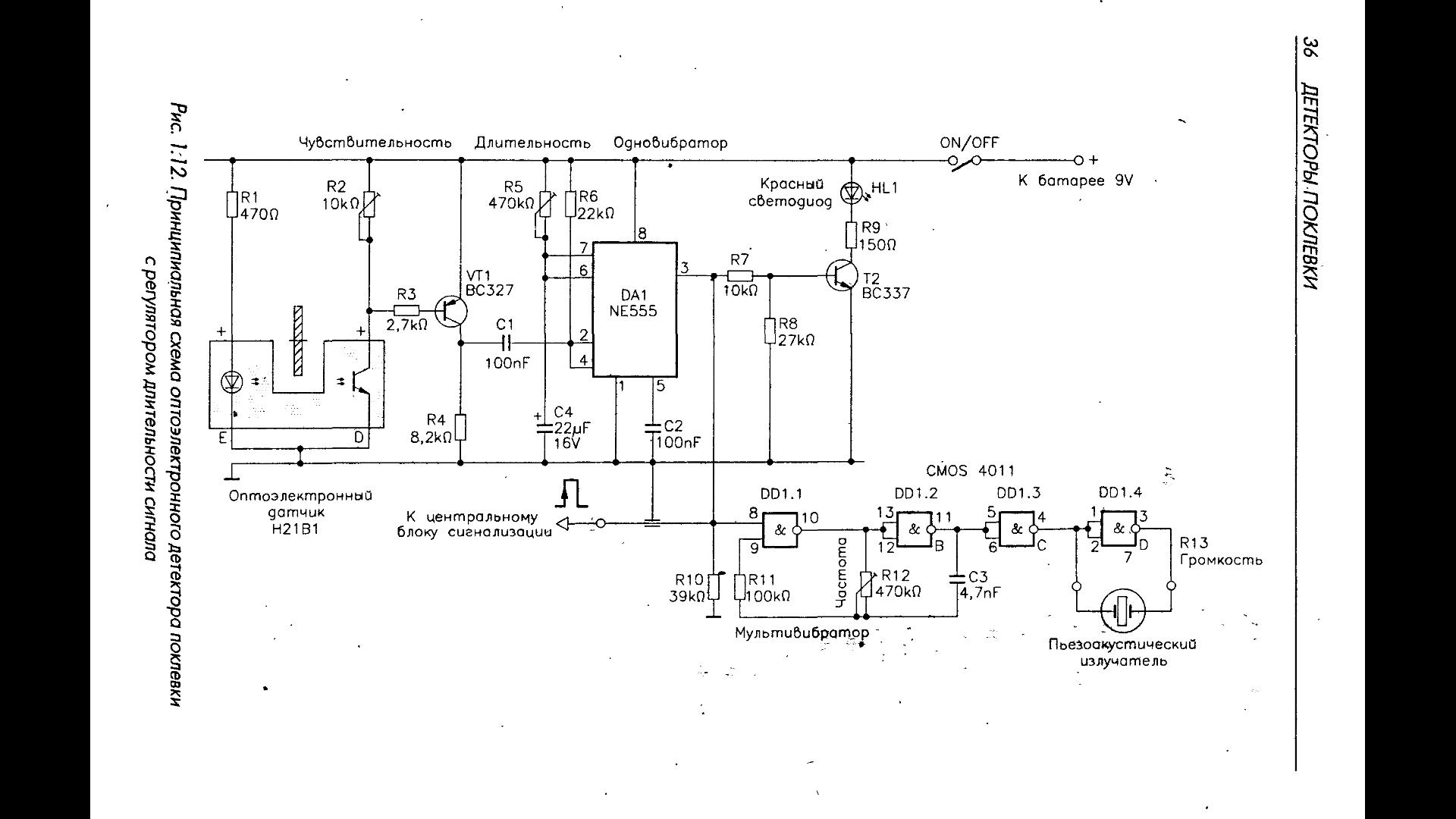
Еще одна модернизация.
Сигнализатор потребляет с моим постоянножрущим датчиком 0.66ма Без учета радиомодуля.
Сигнализатор работает на увесьмеренной частоте.
Добавил возможность формирования пилот-сигнала.
Добавил возможность построения практически любой схемы сигнализации
Увеличилась чувствительность по датчику вдвое.
Пейджер не менялся.

Подробности в readme.doc и коментариях в программе.


Вложения:
Комментарий к файлу: Новая версия сигнализатора поклевки с пейджером
SIGNALIZATOR.rar [202.83 KiB]
Скачиваний: 363
Вернуться наверх
 
Не в сети
 Заголовок сообщения: Re: Рыбаки, ау!
СообщениеДобавлено: Пт апр 22, 2011 17:58:05 
Встал на лапы
Аватар пользователя

Карма: 1
Рейтинг сообщений: 0
Зарегистрирован: Ср дек 29, 2010 17:30:34
Сообщений: 130
Рейтинг сообщения: 0
Еще одна модернизированная версия.
Модификация в основном коснулась формирования сигнала для радиоканала. Возможностей его отладки.
Теперь оно как "пластилин" Можно слепить на любой придирчивый вкус.
Смотрите readme.doc и коментарии в программе.


Вложения:
SIGNALIZATOR202.rar [203.83 KiB]
Скачиваний: 330
Вернуться наверх
 
Не в сети
 Заголовок сообщения: Re: Рыбаки, ау!
СообщениеДобавлено: Сб апр 23, 2011 22:52:46 
Потрогал лапой паяльник
Аватар пользователя

Зарегистрирован: Пн мар 16, 2009 23:35:42
Сообщений: 383
Откуда: Украина Новоднестровск
Рейтинг сообщения: 0
А светики правильно нарисованы ? Меня смущяет что они катодом к +

_________________
Всем известно что любая микросхема работает на дыме, и если волшебный дым из неё вышел то она перестает работать.


Вернуться наверх
 
Не в сети
 Заголовок сообщения: Re: Рыбаки, ау!
СообщениеДобавлено: Сб апр 23, 2011 23:55:31 
Потрогал лапой паяльник
Аватар пользователя

Зарегистрирован: Пн мар 16, 2009 23:35:42
Сообщений: 383
Откуда: Украина Новоднестровск
Рейтинг сообщения: 0
А если на 27 МГц передавать, работать будет ?

_________________
Всем известно что любая микросхема работает на дыме, и если волшебный дым из неё вышел то она перестает работать.


Вернуться наверх
 
Эиком - электронные компоненты и радиодетали
Не в сети
 Заголовок сообщения: Re: Рыбаки, ау!
СообщениеДобавлено: Вт апр 26, 2011 10:37:56 
Встал на лапы
Аватар пользователя

Карма: 1
Рейтинг сообщений: 0
Зарегистрирован: Ср дек 29, 2010 17:30:34
Сообщений: 130
Рейтинг сообщения: 0
nibiluk писал(а):
А светики правильно нарисованы ? Меня смущяет что они катодом к +

Нет не правильно. Это ошибка. Переверните.
Насчет 27 - какая разница, на какой частоте будете передавать?
Я просто не представляю себе антенну на 27МГЦ, которую можно запихнуть в сигнализатор.
А внешняя - одно неудобство.


Вернуться наверх
 
Не в сети
 Заголовок сообщения: Re: Рыбаки, ау!
СообщениеДобавлено: Ср апр 27, 2011 09:59:04 
Встал на лапы
Аватар пользователя

Карма: 1
Рейтинг сообщений: 0
Зарегистрирован: Ср дек 29, 2010 17:30:34
Сообщений: 130
Рейтинг сообщения: 0
Исправил схему подключения светодиодов.
Добавил ключик no_radio.


Вложения:
Комментарий к файлу: Сигнализатор поклевки с пейджером
SIGNALIZATOR202.rar [179.34 KiB]
Скачиваний: 375
Вернуться наверх
 
Не в сети
 Заголовок сообщения: Re: Рыбаки, ау!
СообщениеДобавлено: Вс май 15, 2011 22:10:10 
Потрогал лапой паяльник
Аватар пользователя

Зарегистрирован: Пн мар 16, 2009 23:35:42
Сообщений: 383
Откуда: Украина Новоднестровск
Рейтинг сообщения: 0
Спаял девайс по последней схеме, смущает что диоды постоянно светят, тухнут только когда r8 убираю. В чем причина ?

_________________
Всем известно что любая микросхема работает на дыме, и если волшебный дым из неё вышел то она перестает работать.


Вернуться наверх
 
Не в сети
 Заголовок сообщения: Re: Рыбаки, ау!
СообщениеДобавлено: Пн май 16, 2011 12:56:43 
Встал на лапы
Аватар пользователя

Карма: 1
Рейтинг сообщений: 0
Зарегистрирован: Ср дек 29, 2010 17:30:34
Сообщений: 130
Рейтинг сообщения: 0
Я уже не помню, как скомпилен исходник, который в архиве.
Слишком много там настроек.
Если можете, скомпильте с #define newdesign
Возможно, newdesign был закоментирован.
Если не сможете, скажите куда, я скомпилю под Ваши нужды с теми #define, которые Вам нужны, и вышлю.
Но их там столько, что лучше самому научиться строить "под себя".

Кстати, очень рекомендую в качестве датчика использовать готовые 4-выводные датчики от мышей.
Только на днях с ними экспериментировал. Потребление датчика померять не удалось!
Зато уверенно реагирует на проворот колеса, при питании светодиода всего 360 микроампер!
И это при включенном верхнем люминесцентном освещении. Перестает реагировать только когда направить на него
свет от настольной лампы накаливания.
И никаких дополнительных деталей. У датчика два вывода- питание и два выхода.
Сохранял работоспособность где-то до 2 вольт.
На фото черный-датчик прозрачный-светодиод.
Изображение


Вложения:
16-05-11_1552_cr.jpg [30.52 KiB]
Скачиваний: 1663
Вернуться наверх
 
Не в сети
 Заголовок сообщения: Re: Рыбаки, ау!
СообщениеДобавлено: Пн май 16, 2011 21:09:10 
Потрогал лапой паяльник
Аватар пользователя

Зарегистрирован: Пн мар 16, 2009 23:35:42
Сообщений: 383
Откуда: Украина Новоднестровск
Рейтинг сообщения: 0
В СИ полный 0, вряд ли я чего накомпилирую, мне радио пока не надо, но в дальнейшем кто знает. Охота чтоб диоды правильно светили.

_________________
Всем известно что любая микросхема работает на дыме, и если волшебный дым из неё вышел то она перестает работать.


Вернуться наверх
 
Не в сети
 Заголовок сообщения: Re: Рыбаки, ау!
СообщениеДобавлено: Вт май 17, 2011 09:57:06 
Встал на лапы
Аватар пользователя

Карма: 1
Рейтинг сообщений: 0
Зарегистрирован: Ср дек 29, 2010 17:30:34
Сообщений: 130
Рейтинг сообщения: 0
В таком случае, влейте вот эту прошивку.
Здесь скомпилено с определениями
#define newdesign
#define no_radio
Вложение:
Комментарий к файлу: Без радио. Управление светодиодами по отдельной линии.
ryba.rar [688 байт]
Скачиваний: 273


Вам для этого С знать не понадобится. Все уже за Вас сделано.
Вам только нужно будет закоментировать-раскоментировать некоторые определения,
(Выбрать нужный режим раьоты сигнализатора)
И по желанию подобрать некоторые константы типа дительность сигнала, чувствительность...
И нажать кнопочку - скомпилить.
Если не понравилось, поменять и снова скомпалить...


Вернуться наверх
 
Не в сети
 Заголовок сообщения: Re: Рыбаки, ау!
СообщениеДобавлено: Чт май 26, 2011 14:39:28 
Встал на лапы
Аватар пользователя

Зарегистрирован: Пн фев 07, 2011 17:50:41
Сообщений: 103
Рейтинг сообщения: 0
доброго времени суток! меня мучает вопрос: чем можна заменить валы от мышки? и что за свето излучатили и свето приёмники и где их добыть?


Вложения:
Сигнализатор поклёвки.rar [85.13 KiB]
Скачиваний: 284
Вернуться наверх
 
Не в сети
 Заголовок сообщения: Re: Рыбаки, ау!
СообщениеДобавлено: Чт май 26, 2011 17:48:24 
Потрогал лапой паяльник
Аватар пользователя

Зарегистрирован: Пн мар 16, 2009 23:35:42
Сообщений: 383
Откуда: Украина Новоднестровск
Рейтинг сообщения: 0
Ну можно поставить оптопару из принтера, или ИК светодиод скажем с пульта, и ИК фотоприемник с телевизора. Вал не важно какой на него насадить кружок из пластмассы в котором нарезать щели, но при этом скорее всего чуйка упадет. Так что лучше раздобыть мышку, и на 2 сигнализатора хватит.

_________________
Всем известно что любая микросхема работает на дыме, и если волшебный дым из неё вышел то она перестает работать.


Последний раз редактировалось nibiluk Пн май 30, 2011 17:03:22, всего редактировалось 1 раз.

Вернуться наверх
 
Не в сети
 Заголовок сообщения: Re: Рыбаки, ау!
СообщениеДобавлено: Чт май 26, 2011 20:06:22 
Встал на лапы
Аватар пользователя

Зарегистрирован: Пн фев 07, 2011 17:50:41
Сообщений: 103
Рейтинг сообщения: 0
спосибо за подсказку! :beer: с мышками у меня туго только оптка! пойду куросить старый принтер! :))


Вернуться наверх
 
Не в сети
 Заголовок сообщения: Re: Рыбаки, ау!
СообщениеДобавлено: Чт май 26, 2011 21:05:32 
Встал на лапы
Аватар пользователя

Зарегистрирован: Пн фев 07, 2011 17:50:41
Сообщений: 103
Рейтинг сообщения: 0
еще вопрос: вместо кт503 какой транзистор можно поставить? кт 630д или кт817г подайдёт?


Вернуться наверх
 
Не в сети
 Заголовок сообщения: Re: Рыбаки, ау!
СообщениеДобавлено: Чт май 26, 2011 21:14:51 
Потрогал лапой паяльник
Аватар пользователя

Зарегистрирован: Пн мар 16, 2009 23:35:42
Сообщений: 383
Откуда: Украина Новоднестровск
Рейтинг сообщения: 0
Я ставил кт3102, пока работает. Делал по последней схеме.

_________________
Всем известно что любая микросхема работает на дыме, и если волшебный дым из неё вышел то она перестает работать.


Вернуться наверх
 
Не в сети
 Заголовок сообщения: Re: Рыбаки, ау!
СообщениеДобавлено: Пт май 27, 2011 10:49:42 
Встал на лапы
Аватар пользователя

Зарегистрирован: Пн фев 07, 2011 17:50:41
Сообщений: 103
Рейтинг сообщения: 0
Вопрос по этой схеме: а у вас рисунка печатной платы не осталось?


Вложения:
Детектор поклёвки.JPG [154.83 KiB]
Скачиваний: 805
Вернуться наверх
 
Не в сети
 Заголовок сообщения: Re: Рыбаки, ау!
СообщениеДобавлено: Пт май 27, 2011 12:38:41 
Потрогал лапой паяльник
Аватар пользователя

Зарегистрирован: Пн мар 16, 2009 23:35:42
Сообщений: 383
Откуда: Украина Новоднестровск
Рейтинг сообщения: 0
Эту схему я делал на макетке, печатку не разводил. Но я бы советовал делать на тиньке.

_________________
Всем известно что любая микросхема работает на дыме, и если волшебный дым из неё вышел то она перестает работать.


Вернуться наверх
 
Не в сети
 Заголовок сообщения: Re: Рыбаки, ау!
СообщениеДобавлено: Пт май 27, 2011 13:08:34 
Встал на лапы
Аватар пользователя

Зарегистрирован: Пн фев 07, 2011 17:50:41
Сообщений: 103
Рейтинг сообщения: 0
севодня бегал по магазинам тиньки нету должны привезти толико в есп корпусе!


Вернуться наверх
 
Не в сети
 Заголовок сообщения: Re: Рыбаки, ау!
СообщениеДобавлено: Пт май 27, 2011 13:30:18 
Потрогал лапой паяльник
Аватар пользователя

Зарегистрирован: Пн мар 16, 2009 23:35:42
Сообщений: 383
Откуда: Украина Новоднестровск
Рейтинг сообщения: 0
Че за корпус такой ? если smd то это не проблема, вот плата.


Вложения:
Сигнализатор TINY13.rar [13.76 KiB]
Скачиваний: 350

_________________
Всем известно что любая микросхема работает на дыме, и если волшебный дым из неё вышел то она перестает работать.
Вернуться наверх
 
Не в сети
 Заголовок сообщения: Re: Рыбаки, ау!
СообщениеДобавлено: Пт май 27, 2011 14:37:51 
Встал на лапы
Аватар пользователя

Зарегистрирован: Пн фев 07, 2011 17:50:41
Сообщений: 103
Рейтинг сообщения: 0
спасибо будем ждать когдапридёт! :)


Вернуться наверх
 
Показать сообщения за:  Сортировать по:  Вернуться наверх
Начать новую тему Ответить на тему  [ Сообщений: 398 ]     ... , , , 6, , , ...  

Часовой пояс: UTC + 3 часа


Кто сейчас на форуме

Сейчас этот форум просматривают: нет зарегистрированных пользователей и гости: 22


Вы не можете начинать темы
Вы не можете отвечать на сообщения
Вы не можете редактировать свои сообщения
Вы не можете удалять свои сообщения
Вы не можете добавлять вложения

Найти:
Перейти:  


Powered by phpBB © 2000, 2002, 2005, 2007 phpBB Group
Русская поддержка phpBB
Extended by Karma MOD © 2007—2012 m157y
Extended by Topic Tags MOD © 2012 m157y