Например TDA7294

Форум РадиоКот • Просмотр темы - Модернизация фонарика жучка
Форум РадиоКот
Здесь можно немножко помяукать :)

Текущее время: Чт фев 12, 2026 21:24:12

Часовой пояс: UTC + 3 часа


ПРЯМО СЕЙЧАС:



Начать новую тему Ответить на тему  [ Сообщений: 38 ]  1,  
Автор Сообщение
Не в сети
 Заголовок сообщения: Модернизация фонарика жучка
СообщениеДобавлено: Сб авг 27, 2011 02:39:05 
Вымогатель припоя
Аватар пользователя

Зарегистрирован: Чт янв 15, 2009 18:57:12
Сообщений: 581
Рейтинг сообщения: 0
Давно лежит у меня такой девайс:
Вложение:
Комментарий к файлу: Советский жучок
3385056[1].jpg [72.53 KiB]
Скачиваний: 3559

Лампочка давно сгорела, а новую искать даже не хочется - жрет много, светит мало, рука устает быстро.
Но генератор у него довольно мощный, а конструкция неубиваемая:
Корпус из толстой пластмассы, мощная рама, тяжелый маховик, наборный массивный статор, хорошие обмотки, а их концы даже не спаяны, а сварены(!).
Зверь машина. Выбрасывать жалко.

Решено было ему как-нибудь вместо лампочки поставить диоды.
В уме давно зреет примерно такая схема - выпрямитель, зарядка, аккумулятор, диод. Мечты, мечты :))
Примерные параметры генератора - напряжение 9-12В без нагрузки, ток КЗ 0,3А.

А недавно купил попробовать его китайского брата:
Вложение:
Комментарий к файлу: Китайский жучок
Фонарик жучок 2 лампы.jpg [62.29 KiB]
Скачиваний: 3289

Конструкция хлипкая, обмотки на соплях, провод слишком тонкий, концы просто скручены. Маховик маленький и пластмассовый - инерции никакой. Подшипники пластиковые.
В общем из говна и палок собрали. Но по сравнению с советским - красивый, легкий и неплохо светит - головка содержит 2 светодиода с линзами.
Мощность генератора настолько велика, что не может обеспечить энергией даже один диодик :))
А светит, т.к. стоит обманка - в головку встроены батарейки :))
Переключатель подрубает диоды к батарейкам или к катушке.
Короче безделушка, 80% конструкции - бесполезный балласт.

Поигрался, поигрался, и понял - головка нормальная, можно поставить к советскому - пущай пока светит.

Дело было вечером, деталей под рукой не было. Только паяльник. Но загорелось пересадить головку сейчас, и все. Делать что-то надо :))
Поковырял старую материнку на предмет деталей - что нашел, из того и собрал.

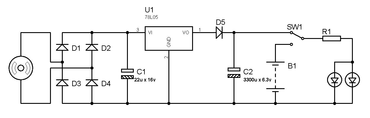
А нашел из пригодного: кренка на 5В 0.1А, кондер 22мкф*16в, кондер 3300мкф*6.3в, 5 диодов Шоттки.
Этого оказалось достаточно - тоже из говна и палок делаем, получается :))
Плюс немного проводов, головка с китайского фонаря, там же переключатель и резистор на 20-30ом.

Места в нашем жучке, прямо скажу, не густо. 3-4 кубика, не больше. Так что с аккумуляторами я перегнул палку - некуда засунуть, если только микроаккумуляторы брать. Но под рукой их, естественно, не было.

Оптику сделал такую:
Вынул родной отражатель, патрон. Но рамку и стекло оставил.
От китайского - только головка, с батарейками, но без линз. Села как влитая.

Схема получилась такая:
Вложение:
Комментарий к файлу: Схема
zhuk.png [3.42 KiB]
Скачиваний: 4422

Переключатель со слоем изоленты крепко сел в дырку, оставшуюся от ручки фокусировки.
После снова замерил параметры, уже после диодного моста - ток КЗ оказался аж 0.45А, а напруга всего 8.5В
Странно, но не важно - работает же.

Что получил:
Неубиваемая конструкция, бОльшая яркость, легче крутить. При желании можно перейти на батарейное питание - щелкнуть переключателем и все.
Не так уж и много, по сравнению с тем, что хотел. Но и немало.

Минусы:
Забил большим кондером и навесным монтажом все свободное место. Диоды довольно быстро тухнут, но еще несколько минут после этого тлеют. Нужно что-то более емкое, и преобразователь 1В->4В для питания диодов, чтоб досуха выжимал кондеры и батарейки. А лучше всего - нормальный аккумулятор.
Наверное, надо было сделать наоборот: побольше первый кондер, и поменьше второй. Но в наличии из 16-ти вольтных были только кондеры на 330мкф - мало, по энергии выходит аж тройной проигрыш, по сравнению с 5-ти вольтными, а места только на один большой кондер хватало.

В будущем можно переделать на SMD по-нормальному.
В уме уже зреет схема: Кренку выбросить, перейти на DC-DC. Поставить какой-нить миниатюрный литиевый аккумулятор, зарядку для него. Поставить мощный диод и регулятор тока к нему - генератор раскачает до 1.5-2Вт. И на всякий пожарный влепить миниUSB и преобразователь на 5В. А может и MK - для управления энергораспределением, опросом кнопок и индикации уровня зарядки.
Мечты-мечты. Но с другой стороны - кто знает... Может быть когда-нибудь... :))

_________________
Изображение


Вернуться наверх
 
Не в сети
 Заголовок сообщения: Re: Модернизация фонарика жучка
СообщениеДобавлено: Сб авг 27, 2011 13:13:50 
Поставщик валерьянки для Кота
Аватар пользователя

Карма: 3
Рейтинг сообщений: 0
Зарегистрирован: Ср дек 03, 2008 21:00:19
Сообщений: 2409
Рейтинг сообщения: 0
Мб стоит сделать упор на конденсаторе накопительном погуще --мерцаний при вращении генератора не будет

_________________
(\_(\
(=' :') радиоКотЭ
(,('')('')


Вернуться наверх
 
Не в сети
 Заголовок сообщения: Re: Модернизация фонарика жучка
СообщениеДобавлено: Сб авг 27, 2011 13:33:18 
Опытный кот
Аватар пользователя

Карма: 3
Рейтинг сообщений: 13
Зарегистрирован: Сб фев 27, 2010 21:45:37
Сообщений: 785
Откуда: Ростов-на-Дону
Рейтинг сообщения: 0
У меня такой жук китайский за 50 руб за два месяца развалился, хотя почти не пользовался. Выкинул - на жалко.

Конечно, кренка и резисторы только мощность жрут. Хорошие "трёхваттные" светодиодные драйверы имеют КПД 90 процентов и выше. Жрать от 10 вольт будут 0.3-0.4А, т.е. ручку будет нажимать легко. А три ватта сфокусированного света это очень немало.

Те два синюшных светодиода из фонарика - достаточное барахло. Их не разогнать на три ватта. Лучше поставить честный трёхваттник (теплого оттенка!) с рефлектором. Будет выгодно отличаться от массы синюшных китайских налобников.

Аккумуляторы особо не зарядить руками. Надоедает быстро.
Вместо аккумуляторов наверное стоит посмотреть ионисторы. Заряжаются быстро, можно предусмотреть режим слабого свечения светодиода (током, допустим, 10 мА) при отсутствии вращения генератора на остаточном заряде ионистора (через резистор с диодом). Допустим, 1Ф ионистор заряженный до 4 вольт, может в идеале пропитать 10 мА в течение 4 минут. На самом деле, из-за ненулевого напряжения светодиода, конечно, выйдет меньше, но начальный порядок величины позволяет подумать в этом направлении.

Диодики моста ставьте Шоттки. Ещё вольт выиграете.

_________________
Сделать хотел грозу, а получил КоЗу


Вернуться наверх
 
Не в сети
 Заголовок сообщения: Re: Модернизация фонарика жучка
СообщениеДобавлено: Сб авг 27, 2011 13:51:08 
Мудрый кот
Аватар пользователя

Карма: 6
Рейтинг сообщений: 12
Зарегистрирован: Пт июл 08, 2011 14:06:26
Сообщений: 1772
Откуда: DC
Рейтинг сообщения: 0
Идея здравая, но реализация не очень. Схема не айс - 7805 стоит выкинуть, т.к. часть мощности теряется на ней, и вместо неё поставить светодиодный драйвер. Светодиоды включить последовательно, или поставить к каждому свой резистор/драйвер, включение, как на схеме не рекомендуется. Перед стабилизатором конденсатор слишком маленький, может глючить.

В общем, стоит убрать с1, на его место поставить конденсатор с емкостью с2 на нужное напряжение, 7805 заменить на светодиодный драйвер, светодиоды включить последовательно. Как-то так.

_________________
Дежурный экзорцист


Вернуться наверх
 
Эиком - электронные компоненты и радиодетали
Не в сети
 Заголовок сообщения: Re: Модернизация фонарика жучка
СообщениеДобавлено: Сб авг 27, 2011 14:21:15 
Опытный кот
Аватар пользователя

Карма: 3
Рейтинг сообщений: 13
Зарегистрирован: Сб фев 27, 2010 21:45:37
Сообщений: 785
Откуда: Ростов-на-Дону
Рейтинг сообщения: 0
Для начала соберите мостик из Шоттки с электролитом примерно 1000 мкф x 16В посмотрите, какой ток можно снять с него при постоянном напряжении 8-9 вольт.

450-600 мА - можно будет питать 3 Вт светодиод
250-450 мА - можно запитать 2 Вт
меньше 250 - стоит рассчитывать на одноваттник

Навскидку, видится вот такая схема
Цитата:
Изображение


Ионистор подзаряжается током не менее 20 мА через D5 и R1. ZD1 ограничивает напряжение на ионисторе, так как они очень быстро деградируют при превышении и даже длительном действии номинального напряжения. Здесь я взял запас 0.5 В.
Через резистор R2 светодиод светит от ионистора при снятии питания. Драйвер обычно обратно в себя ток не тянет. Если бы тянул, можно было бы поставить диодик Шоттки на выходе драйвера (свой ток он всё равно наболтает).
Расчётное время приемлиемого свечения на одной фараде - примерно 2 минуты. И дальше тоже будет светить, яркость будет долго плавно спадать.

Как правило, у схем импульсных светодиодных драйверов либо есть одни общий провод для питания и нагрузки , либо в его разрыв включен токоизмерительный резистор малого номинала (меньше 1 ома). Но, возможно, это будет "плюсовой" провод, тогда схему придётся перевернуть.

Ток драйвера подбирается исходя из измеренной мощности генератора. Обычно он задаётся на плате драйвера тем самым токоизмерительным резистором. 350 мА это характерный ток для 1 Вт светодиода. 750 - для 3 Вт.
Плата самого маленького высокочастотного драйвера, по цене примерно 150 руб, очень компактная, буквально 1.5x2 см при высоте 5 мм. Но ему нужно от 8 вольт питания. Возможно, имеет смысл включить выпрямитель по схеме удвоителя - заодно будет выигрыш ещё полвольта на двух диодах, а импульсник свою мощность возьмёт всё равно.

KaRaTeL писал(а):
Идея здравая, но реализация не очень. Схема не айс - 7805 стоит выкинуть, т.к. часть мощности теряется на ней, и вместо неё поставить светодиодный драйвер. Светодиоды включить последовательно, или поставить к каждому свой резистор/драйвер, включение, как на схеме не рекомендуется. Перед стабилизатором конденсатор слишком маленький, может глючить.

В общем, стоит убрать с1, на его место поставить конденсатор с емкостью с2 на нужное напряжение, 7805 заменить на светодиодный драйвер, светодиоды включить последовательно. Как-то так.


Уже. до меня написали :)) ИМХО, те 20 миллиамперные светодиоды вообще оставлять не стоит, если уж делать нормально, то их тоже менять на что-нибудь подходящее.

_________________
Сделать хотел грозу, а получил КоЗу


Вернуться наверх
 
Не в сети
 Заголовок сообщения: Re: Модернизация фонарика жучка
СообщениеДобавлено: Сб авг 27, 2011 18:48:47 
Вымогатель припоя
Аватар пользователя

Зарегистрирован: Чт янв 15, 2009 18:57:12
Сообщений: 581
Рейтинг сообщения: 0
Мужики, я все понимаю. Реализация - из того, что было под рукой :))
Надо было с чего-то начать, а то так бы и валялся этот фонарик.
В мосте стоят шоттки. Там везде шоттки - других не было :))
Кренка - да, жрет мощность. Но больше нечем было уменьшить напряжение. Лучше ее убрать, а вместо нее поставить токоограничительный резистор. Хотя нет - больших высоковольтных кондеров не было под рукой.

Диоды и так не мигают.
Включение диодов и сами диоды - единый блок, с китайского фонаря. Конечно в будущем надо заменить нормальным диодом.

Аккумулятор может и долго заряжать, но нужен. Сейчас стоят батарейки - удобно. Когда делать нечего - зарядил. Когда понадобился бесшумный свет - подключил.

3300мкф питают диоды целых 2 минуты на остаточном заряде, так что ионистор долго должен подсвечивать диоды.

Доступного обьема всего 3-4 кубика. Если батарейки свинтить +2. Нормальная диод добавит еще пару кубиков. Немного. Отсюда и буду плясать.

Но сначала нужно все как следует продумать - чтоб работало и влезало.

Например зарядка аккумулятора. Можно вручную, можно через USB, когда есть возможность.
Если есть вход USB, почему бы не сделать его и выходом, если будет место?
Раз есть внешние разьемы, значит надо все обмерить и хорошо закрепить плату.
Вручную 2 часа не покрутишь. Значит нужен буфер - заряжаем буфер, он заряжает аккумулятор. Потом опять заряжаем буфер.
Некоторые виды аккумуляторов можно зарядить быстрее большим током - для ручного режима самое то.
Буфер должен быть как можно больше - так что это ионистор. Этот же буфер в других режимах питает диоды.
Отдельные части схемы жрут энергию впустую. Так что их следует отрубать от буфера и аккумулятора, если не нужны. Для этого сгодятся полевики или куча переключателей.
Полевики меньше. Но для них нужно 5В, как и для USB.
Итого: 9В с генератора, 3-4В аккумулятор, 5В USB и полевики. Я же говорил - целая бортсеть :)) Если поместиться.
Для управления полевиками нужны логические микросхемы. Наиболее маленькая и умная - контроллер.
Раз есть контроллер, значит можно обеспечить автоматику. Можно контролировать уровень заряда и разряда. Можно сделать пару кнопок и небольшое меню, для изменения режимов работы. Можно гибко управлять подключением разных кусков схемы к буферу и аккумулятору.
Чтоб диоды светили дольше, между буфером и ними нужен преобразователь напряжения - чтоб в любом случае держалось вольта 3-4 на диодах.
Также нужно регулировать их яркость, а значит и время работы - контроллер может обеспечить ШИМ, должно хватить.
А вот теперь все это нужно прикинуть, оптимизировать и засунуть в маленький обьем :))

Вот такие наполеоновские планы. Просто заняться нечем, наверное :))

_________________
Изображение


Вернуться наверх
 
Не в сети
 Заголовок сообщения: Re: Модернизация фонарика жучка
СообщениеДобавлено: Пн дек 02, 2019 19:12:06 
Друг Кота
Аватар пользователя

Карма: 95
Рейтинг сообщений: 2429
Зарегистрирован: Пт май 18, 2007 22:56:58
Сообщений: 26671
Рейтинг сообщения: 0
Тоже есть желание сделать фонарик хороший надежный из СССР.
Но с электрикой все понятно, а вот с самим генератором сложнее.
Примерные параметры генератора - напряжение 9-12В без нагрузки, ток КЗ 0,3А.

У меня на холостую выдает всего 3 вольта, если охренеть как дергать то 4-5 вольт вхолостую это вообще теоретический предел.
При нагрузке на резистор 10 Ом, напряжение 1,35 вольт и ток 135 мА = 0,182 Вт. Это вообще ни о чем, лампочку еле наколяет - не светит. Со светодиодом конечно будет лучше, но все-равно этого мало.

Я думаю что магнит размагнитился.
Магнитит он слабо, по сравнению с современными неодимовыми магнитами конечно вообще ни в какое сравнение.
Магнит там круглый с отверстием посередине, который надет на вращающийся маховик. А по обе стороны от него небольшие сердечники с катушками.

Если катушки закоротить, то генератор так-же легко продолжает вращаться, без заметного сопротивления. Явно ведь магниты слабы?

Как думаете на счет магнита, можно ли его заменить на современные неодимовые? Такой точно вряд-ли возможно найти. Может быть взять несколько мелких и приклеить их по кругу, тем самым даже увеличив количество плюсов? Можно ли так?

Магнит устроен так: через каждые 90 градусов то притягивает, то оттягивает (если другим магнитом пробовать). Т.е. в двух местах притягивает, и в двух отталкивает. Если пробовать железкой то притягивает два раза за 1 оборот. По идее надо 4 магнитика разными плюсами по очереди приклеить?

_________________
Не променяю медь на ржавую несгорайку!


Вернуться наверх
 
Не в сети
 Заголовок сообщения: Re: Модернизация фонарика жучка
СообщениеДобавлено: Пн дек 02, 2019 19:50:28 
Друг Кота
Аватар пользователя

Карма: 107
Рейтинг сообщений: 3321
Зарегистрирован: Сб фев 11, 2017 15:59:13
Сообщений: 14911
Откуда: 57 RUS
Рейтинг сообщения: 4
Upgrader писал(а):
Я думаю что магнит размагнитился.

Правильно думаете, помнится у меня так-же от времени размагнииился магнит на старинной веллодинамки, там он был не ферритовый (керамический), а какой-то "железяшный", не помню как точно такой тип магнитов называется, ещё на старых динамиках такой был.
Upgrader писал(а):
Как думаете на счет магнита, можно ли его заменить на современные неодимовые?

Можно, нужно соблюсти колличество полюсов.
Upgrader писал(а):
Такой точно вряд-ли возможно найти. Может быть взять несколько мелких и приклеить их по кругу, тем самым даже увеличив количество плюсов? Можно ли так?

Можно, но работать не будет. Помню поставил в старинную велодинамку, о которой писал выше, магнит от современной, оказался с иным колличеством полюсов, в итоге куй на руль, а не напряжение.
В итоге нашёл магнит с нужным колличеством полюсов от какойто советской динамки более позднего года выпуска.
Upgrader писал(а):
Магнит устроен так: через каждые 90 градусов то притягивает, то оттягивает (если другим магнитом пробовать). Т.е. в двух местах притягивает, и в двух отталкивает. Если пробовать железкой то притягивает два раза за 1 оборот. По идее надо 4 магнитика разными плюсами по очереди приклеить?

Типа того.
Изображение

_________________
НАРОДОВЛАСТИЕ а не кланово-олигархическая дерьмократия!!!
Цифровому рабству, навязываемому цифровым олигархатом - НЕТ!


Последний раз редактировалось gsmart Пн дек 02, 2019 19:53:41, всего редактировалось 1 раз.

Вернуться наверх
 
Не в сети
 Заголовок сообщения: Re: Модернизация фонарика жучка
СообщениеДобавлено: Пн дек 02, 2019 19:53:34 
Друг Кота
Аватар пользователя

Карма: 95
Рейтинг сообщений: 2429
Зарегистрирован: Пт май 18, 2007 22:56:58
Сообщений: 26671
Рейтинг сообщения: 0
Можно, но работать не будет. Помню поставил в старинную велодинамку, о которой писал выше, магнит от современной, оказался с иным колличеством полюсов, в итоге куй на руль, а не напряжение.
:shock: Странно. А почему же так?
Как бы по идее если есть меняющиеся полюса туда-сюда, то вроде должен работать.
И чем больше полюсов, тем меньше требуемая скорость вращения. :dont_know:
Может плюса были направлены как-нибудь там не в той плоскости?


Так интересно было бы поэкспериментировать с магнитиками, но штатный магнит можно разломать при попытке снять, тогда уже назад не вернешь. По этому ищу информацию, может кто уже делал.

_________________
Не променяю медь на ржавую несгорайку!


Вернуться наверх
 
Не в сети
 Заголовок сообщения: Re: Модернизация фонарика жучка
СообщениеДобавлено: Пн дек 02, 2019 20:34:41 
Друг Кота
Аватар пользователя

Карма: 107
Рейтинг сообщений: 3321
Зарегистрирован: Сб фев 11, 2017 15:59:13
Сообщений: 14911
Откуда: 57 RUS
Рейтинг сообщения: 4
Upgrader писал(а):
но штатный магнит можно разломать при попытке снять, тогда уже назад не вернешь.

У меня где-то валяется магнит от "жучка" со снятой родной осью.

Добавлено after 36 minutes 50 seconds:
Вот, нашёл ротор от жучка с самодельной осью, помню мне в детстве отдали в хлам расколотый (в карболитовом корпусе) "жучёк", и я из него пытался сделать маленький ветрячёк, родную ось выбил поставил другую, длинную, кстате магнит размагничен в хлам:
Изображение

_________________
НАРОДОВЛАСТИЕ а не кланово-олигархическая дерьмократия!!!
Цифровому рабству, навязываемому цифровым олигархатом - НЕТ!


Вернуться наверх
 
Не в сети
 Заголовок сообщения: Re: Модернизация фонарика жучка
СообщениеДобавлено: Пн дек 02, 2019 22:13:19 
Друг Кота
Аватар пользователя

Карма: 95
Рейтинг сообщений: 2429
Зарегистрирован: Пт май 18, 2007 22:56:58
Сообщений: 26671
Рейтинг сообщения: 0
кстате магнит размагничен в хлам
Вот и подтверждение. :beer:
Блин, вот бы заменить на мощные - мощность бы выросла в разы и работать будет лучше нового. Там обмотка реально мощная, из приличной проволоки.
Осталось понять, на что заменить магнит.

_________________
Не променяю медь на ржавую несгорайку!


Вернуться наверх
 
Не в сети
 Заголовок сообщения: Re: Модернизация фонарика жучка
СообщениеДобавлено: Пн дек 02, 2019 22:58:55 
Друг Кота
Аватар пользователя

Карма: 107
Рейтинг сообщений: 3321
Зарегистрирован: Сб фев 11, 2017 15:59:13
Сообщений: 14911
Откуда: 57 RUS
Рейтинг сообщения: 0
Upgrader писал(а):
Вот и подтверждение.

Нашёл как называется данный тип магнитов - кобальтовый (альнико, англ.Alnico - сплав Al-Ni-Co-Fe)
Upgrader писал(а):
Осталось понять, на что заменить магнит.

Для теста демонтировать стоковый магнит с маховика, и приклеить к маховику 4 прямоугольных ферритовых или неодимовых магнита.
При положительном результате сделать форму-ободок, и финишно залить магниты эпоксидкой.
Как вариант - выточить из люмития диск по размерам заводского магнита, просверлить с торцов 4 отверстия, и вклеить в них круглые магниты, ну и насадить на ось.

_________________
НАРОДОВЛАСТИЕ а не кланово-олигархическая дерьмократия!!!
Цифровому рабству, навязываемому цифровым олигархатом - НЕТ!


Вернуться наверх
 
Не в сети
 Заголовок сообщения: Re: Модернизация фонарика жучка
СообщениеДобавлено: Пн дек 02, 2019 23:17:45 
Друг Кота
Аватар пользователя

Карма: 95
Рейтинг сообщений: 2429
Зарегистрирован: Пт май 18, 2007 22:56:58
Сообщений: 26671
Рейтинг сообщения: 0
gsmart писал(а):
Нашёл как называется данный тип магнитов - кобальтовый (альнико, англ.Alnico - сплав Al-Ni-Co-Fe)
Отлично.
Погуглил про них и судя по всему можно усилить намагниченность.
Цитата:
<< ... так чем всё закончилось? Удалось? И на сколько усилилась коерцетивная...??? >>

Я тут месяц назад ремонтировал динамик от радиолы "Фестиваль". Этому динамику, наверное, было лет 35...

Там кобальтовый магнит. Измерил я индукцию в зазоре, оказалось 0,6 Тл. Потом намагнитил (решил, что не помешает) - и индукция увеличилась до 0,72 Тл.

Как видите, индукция увеличилась на 20%. Но это на кобальте. Аналогичные опыты на феррите давали прирост около 10%.

Попробовать что-ли взять мощный неодимовый магнит и намагнитить :idea: :)) 4 полюса сложно, но можно в принципе попасть.

gsmart писал(а):
Для теста демонтировать стоковый магнит с маховика, и приклеить к маховику 4 прямоугольных ферритовых или неодимовых магнита.
При положительном результате сделать форму-ободок, и финишно залить магниты эпоксидкой.
Как вариант - выточить из люмития диск по размерам заводского магнита, просверлить с торцов 4 отверстия, и вклеить в них круглые магниты, ну и насадить на ось.
Да, думаю закрепить их будет не проблема. Главное выбрать подходящие магниты и правильно их расположить. Тут сложности, потому что предполагаемые магниты лежат на aliexpress, а не у меня. :oops: :))) Но говорят в головках CD-DVD есть неплохие квадратные магнитики - попробую поискать.

_________________
Не променяю медь на ржавую несгорайку!


Вернуться наверх
 
Не в сети
 Заголовок сообщения: Re: Модернизация фонарика жучка
СообщениеДобавлено: Ср дек 04, 2019 20:40:55 
Вымогатель припоя

Карма: 2
Рейтинг сообщений: -13
Зарегистрирован: Чт авг 10, 2017 15:23:24
Сообщений: 690
Рейтинг сообщения: 0
Если учесть , что фонарик-жучок скорее резервное освещение
(это же не экспандер :))) )– нужно сделать как можно надежнее и проще.
Ребята, поменьше сложностей, делайте так, чтобы машина была доступна любому механику.
(Михаил Кошкин , создатель танка Т-34).

Поэтому микроконтроллеры тут лишние.
Лучше всего сделать светодиодную лампочку из светодиода (одного или несколько) и цоколя старой сгоревшей лампочки.
Выбрать наиболее качественные светодиоды.
Т.к КПД светодиодов больше чем у ламп накаливания – яркость скорее всего будет больше.
А Магнит намагнитить чем-нибудь.
Неодимовые магниты и круглые есть . (правда как выше писали – неодимовые магниты могут не подойти. ) Поэтому лучше намагнитить старый более мощным магнитом или электромагнитом.


Вернуться наверх
 
Не в сети
 Заголовок сообщения: Re: Модернизация фонарика жучка
СообщениеДобавлено: Ср дек 04, 2019 22:16:06 
Друг Кота
Аватар пользователя

Карма: 95
Рейтинг сообщений: 2429
Зарегистрирован: Пт май 18, 2007 22:56:58
Сообщений: 26671
Рейтинг сообщения: 0
нужно сделать как можно надежнее и проще.
Согласен.
Тут рулит вот такая схема, типа умножитель:
Изображение

Я ее уже проверил и убедился что это хорошо! Намного лучше чем без нее с одним диодным мостом.

Правда это не отменяет того факта что генератор нифига не выдает с тем старым магнитом необходимую мощность даже для светодиода.
Т.к КПД светодиодов больше чем у ламп накаливания – яркость скорее всего будет больше.
Не скорее всего, а будет раз в 9 лучше. 8)
1 Вт светодиод хватит за глаза вообще!
А Магнит намагнитить чем-нибудь.
Попробую. Но сомневаюсь что это очень сильно улучшит. Тем более что магнит не простой, а четырехполюсный (с намагничиванием перепендикулярном стандартному). Я смотрел видео известного автора, который показывает как из ферритового магнита сделать много полюсный тупо перемагничиванием неодимовым магнитом. Но мощность в итоге у него получается слабее чем у оригинала.

А если поставить неодимовые магниты все-таки, то они в разы мощнее. Это и привлекает :love:

Неодимовые магниты и круглые есть . (правда как выше писали – неодимовые магниты могут не подойти. )
Проблема в том что круглый магнит нужен четырехполюсный. Такие нахожу только для оптовой продажи и за большие деньги, штучно нигде не продают или за нереальные деньги.
По этому очевидно что правильнее всего использовать сборку из маленьких неодимовых магнитиков. А уж они какие там круглые или квадратные не столь важно.

_________________
Не променяю медь на ржавую несгорайку!


Вернуться наверх
 
Не в сети
 Заголовок сообщения: Re: Модернизация фонарика жучка
СообщениеДобавлено: Чт дек 05, 2019 00:15:10 
Друг Кота
Аватар пользователя

Карма: 123
Рейтинг сообщений: 7958
Зарегистрирован: Сб сен 13, 2014 16:27:32
Сообщений: 39197
Откуда: СпиртоГонск созвездия Омега
Рейтинг сообщения: 0
алнико легко намагничивается мошным полем важно певаысить коэрцетивную силу понадобится чугуневая накладка в форме полюсоф м ирлстая обмотка выдерживающая 100ню ампер

_________________
ZМудрость(Опыт и выдержка) приходит с годами.
Все Ваши беды и проблемы, от недостатка знаний.
Умный и у дурака научится, а дураку и ..
Алберт Ейнштейн не поможет и ВВП не спасет.и МЧС опаздает


Вернуться наверх
 
Не в сети
 Заголовок сообщения: Re: Модернизация фонарика жучка
СообщениеДобавлено: Чт дек 05, 2019 00:18:17 
Друг Кота
Аватар пользователя

Карма: 95
Рейтинг сообщений: 2429
Зарегистрирован: Пт май 18, 2007 22:56:58
Сообщений: 26671
Рейтинг сообщения: 0
чугуневая накладка в форме полюсоф м ирлстая обмотка выдерживающая 100ню ампер
У меня фантазии не хватает это представить :)))
Как 4 полюса сделать одной обмоткой?

_________________
Не променяю медь на ржавую несгорайку!


Вернуться наверх
 
Не в сети
 Заголовок сообщения: Re: Модернизация фонарика жучка
СообщениеДобавлено: Чт дек 05, 2019 01:20:24 
Друг Кота
Аватар пользователя

Карма: 123
Рейтинг сообщений: 7958
Зарегистрирован: Сб сен 13, 2014 16:27:32
Сообщений: 39197
Откуда: СпиртоГонск созвездия Омега
Рейтинг сообщения: 0
да хоть 20 китайцы знают..

_________________
ZМудрость(Опыт и выдержка) приходит с годами.
Все Ваши беды и проблемы, от недостатка знаний.
Умный и у дурака научится, а дураку и ..
Алберт Ейнштейн не поможет и ВВП не спасет.и МЧС опаздает


Вернуться наверх
 
Не в сети
 Заголовок сообщения: Re: Модернизация фонарика жучка
СообщениеДобавлено: Чт дек 05, 2019 05:23:36 
Модератор
Аватар пользователя

Карма: 159
Рейтинг сообщений: 4079
Зарегистрирован: Пт янв 23, 2009 19:20:05
Сообщений: 45617
Рейтинг сообщения: 0
Медали: 1
Получил миской по аватаре (1)
...Взять магнитопровод от электродвигателя советского ЭПУ, там как раз 4 полюса и диаметр близок к требуемому, катушки перемотать более толстым проводом с чередованием направления намотки... :) (если не подойдёт - придётся делать самодельный каркас аналогичной конструкции...)


Вернуться наверх
 
Не в сети
 Заголовок сообщения: Re: Модернизация фонарика жучка
СообщениеДобавлено: Чт дек 05, 2019 14:45:53 
Вымогатель припоя

Карма: 2
Рейтинг сообщений: -13
Зарегистрирован: Чт авг 10, 2017 15:23:24
Сообщений: 690
Рейтинг сообщения: 0
Вам сюда: https://radiokot.ru/forum/viewtopic.php?f=22&t=72576
Цитата:
А вернуть его магнитные свойства можно?

Есть такая очень старая книжка, зовётся - "В помощь радиолюбителю" выпуск 15 (1963-й год)

Статья "Электронная импульсная установка для намагничивания и размагничивания постоянных магнитов".

Схема простейшая, проверенная.




Неодимовые магниты видел в магазине продают и по 1 штуке .


Вернуться наверх
 
Показать сообщения за:  Сортировать по:  Вернуться наверх
Начать новую тему Ответить на тему  [ Сообщений: 38 ]  1,  

Часовой пояс: UTC + 3 часа


Кто сейчас на форуме

Сейчас этот форум просматривают: Thinnnfor, wladimir031054, Ян и гости: 45


Вы не можете начинать темы
Вы не можете отвечать на сообщения
Вы не можете редактировать свои сообщения
Вы не можете удалять свои сообщения
Вы не можете добавлять вложения

Найти:
Перейти:  


Powered by phpBB © 2000, 2002, 2005, 2007 phpBB Group
Русская поддержка phpBB
Extended by Karma MOD © 2007—2012 m157y
Extended by Topic Tags MOD © 2012 m157y