Например TDA7294

Форум РадиоКот • Просмотр темы - Импульсная зарядка для автоаккумуляторов (новодел)
Форум РадиоКот
Здесь можно немножко помяукать :)

Текущее время: Пн ноя 03, 2025 07:37:09

Часовой пояс: UTC + 3 часа


ПРЯМО СЕЙЧАС:



Начать новую тему Ответить на тему  [ Сообщений: 3592 ]     ... , , , 69, , , ...  
Автор Сообщение
Не в сети
 Заголовок сообщения: Re: Импульсная зарядка для автоаккумуляторов (новодел)
СообщениеДобавлено: Вс июн 15, 2014 15:43:21 
Открыл глаза

Зарегистрирован: Вт сен 22, 2009 00:12:50
Сообщений: 41
Откуда: BY, Minsk
Рейтинг сообщения: 0
Привет.

Есть вопросик по схеме зарядки.

Как она себя ведет, когда ШИМ остановлен?

Просто такая мысль в голову залезла. Мы имеем автозапуск при помощи резисторов смещения на базы ключевых транзисторов и доп. обмотки на разделительном трансформаторе. Вроде все обычно. Но как ведет себя схема , когда на выходе шим нет импульсов? Получается выходные транзисторы в микросхеме закрыты, транзисторы на раскачку разделительного трансформатора открыты, через две полуобмотки протекает постоянный ток, не давая войти этому трансформатору в автоколебательный режим. В этот момент на силовых транзисторах мы имеем картину, что за счет резисторов смещения мы имеем сквозной ток через оба транзистора, приводящий к их нагреву.
---
Возможен ли такой режим, например, без нагрузки?


Вернуться наверх
 
Не в сети
 Заголовок сообщения: Re: Импульсная зарядка для автоаккумуляторов (новодел)
СообщениеДобавлено: Вс июн 15, 2014 20:35:23 
Модератор
Аватар пользователя

Карма: 153
Рейтинг сообщений: 2926
Зарегистрирован: Сб авг 14, 2010 15:05:51
Сообщений: 18859
Откуда: г. Озерск, Челябинская обл.
Рейтинг сообщения: 0
Медали: 1
Лучший человек Форума 2017 (1)
в этой схеме такой режим невозможен. преобразователь с самозапуском - его остановить не возможно, даже если принудительно выключить контроллер.

_________________
Мудрость приходит вместе с импотенцией...
Когда на русском форуме переходят на Вы, в реальной жизни начинают бить морду.


Вернуться наверх
 
Не в сети
 Заголовок сообщения: Re: Импульсная зарядка для автоаккумуляторов (новодел)
СообщениеДобавлено: Вт июл 08, 2014 17:26:45 
Родился
Аватар пользователя

Зарегистрирован: Пт сен 21, 2012 09:05:37
Сообщений: 9
Откуда: Chelyabinsk
Рейтинг сообщения: 0
Добрый вечер!
Народ подскажите собрал данное з\у но оно не работает лампа вспыхивает и после горит слабым накалом на выходе 2,5 вольта транзисторы сильно греются где копать.


Вложения:
Зарядка_авто_С.lay [189.84 KiB]
Скачиваний: 709
Вернуться наверх
 
Не в сети
 Заголовок сообщения: Re: Импульсная зарядка для автоаккумуляторов (новодел)
СообщениеДобавлено: Вт июл 08, 2014 20:00:50 
Собутыльник Кота

Карма: 8
Рейтинг сообщений: 52
Зарегистрирован: Ср окт 06, 2010 14:30:35
Сообщений: 2767
Откуда: 100км от Москвы
Рейтинг сообщения: 0
В своей поделке :) Проверять номиналы элементов, их исправность, цоколевку, наличие "соплей" при пайке и т.д.
Что еще.... перечитать всю ветку еще раз :)

_________________
Не ценят люди никогда того, что им легко досталось.


Вернуться наверх
 
Эиком - электронные компоненты и радиодетали
Не в сети
 Заголовок сообщения: Re: Импульсная зарядка для автоаккумуляторов (новодел)
СообщениеДобавлено: Чт июл 10, 2014 18:50:47 
Открыл глаза

Карма: 1
Рейтинг сообщений: 3
Зарегистрирован: Ср апр 13, 2011 16:08:39
Сообщений: 56
Рейтинг сообщения: 0
вот и мое чудо техники, завелось с первого раза. Большое спасибо автору за девайс, и учасникам форума за модернизацию.

Изображение Изображение Изображение Изображение Изображение


Вернуться наверх
 
Не в сети
 Заголовок сообщения: Re: Импульсная зарядка для автоаккумуляторов (новодел)
СообщениеДобавлено: Чт июл 10, 2014 18:57:50 
Собутыльник Кота
Аватар пользователя

Карма: 113
Рейтинг сообщений: 1537
Зарегистрирован: Пт мар 18, 2011 14:30:20
Сообщений: 2993
Откуда: Lugansk ЛНР
Рейтинг сообщения: 0
Молодец!
Автоматику ещё не доделал или не получилось?


Вернуться наверх
 
Не в сети
 Заголовок сообщения: Re: Импульсная зарядка для автоаккумуляторов (новодел)
СообщениеДобавлено: Чт июл 10, 2014 22:23:58 
Открыл глаза

Карма: 1
Рейтинг сообщений: 3
Зарегистрирован: Ср апр 13, 2011 16:08:39
Сообщений: 56
Рейтинг сообщения: 2
с автоматикой чуток поморочился. пришлось в делителе покопаться. на родном номинале 2.2кОм срабатывало не так как нужно. нижний предел выставлялся 10 вольт, верхний 11.2. пришлось немного завысить сопротивление до 4.7 кОм. выставил теперь низ 11.5 верх 14.5. срабатывает четко. больше 190 ватт не нагружал еще, да и ненужно. (две лампочки 90ватт (45+50ватт) авто) за пол часа роботы девайса без охлаждения клацари (2sc3306(изначально стояли 2sc4242)) нагрелись градусов до 60. херу жарче намного, его раскалило почти до сотни(мокрый палец на радиатор, начинало уже пузырять). с обдувом карлсоном 0,45ампер (шумный зараза) проблем в етой печке нет. от себя добавлю, ето самая надежная схема ИИП которую я собирал. P.S. Блоки питания стандарта АТ проработали уже лет 20 точно, и в ремонт редко попадали в отличии их собратьев АТХ у которых вечная проблема с дежуркой.


Последний раз редактировалось djpower Чт июл 10, 2014 23:50:03, всего редактировалось 1 раз.

Вернуться наверх
 
Не в сети
 Заголовок сообщения: Re: Импульсная зарядка для автоаккумуляторов (новодел)
СообщениеДобавлено: Чт июл 10, 2014 23:48:15 
Открыл глаза

Карма: 1
Рейтинг сообщений: 3
Зарегистрирован: Ср апр 13, 2011 16:08:39
Сообщений: 56
Рейтинг сообщения: 0
кстати. КЗ етот девайс боиться или нет? по сути при КЗ он должен переходить в стабилизацию тока. У кого был опыт по етому вопросу??


Вернуться наверх
 
Не в сети
 Заголовок сообщения: Re: Импульсная зарядка для автоаккумуляторов (новодел)
СообщениеДобавлено: Пт июл 11, 2014 10:12:54 
Это не хвост, это антенна
Аватар пользователя

Зарегистрирован: Ср июн 09, 2010 16:44:54
Сообщений: 1335
Откуда: Пермь
Рейтинг сообщения: 0
djpower писал(а):
вот и мое чудо техники
Где нарыть такой выход ?
как эта штука называется, чтоб найти в магазе ?

_________________
Фото постройки прототипов


Вернуться наверх
 
Не в сети
 Заголовок сообщения: Re: Импульсная зарядка для автоаккумуляторов (новодел)
СообщениеДобавлено: Пт июл 11, 2014 11:59:36 
Открыл глаза

Карма: 1
Рейтинг сообщений: 3
Зарегистрирован: Ср апр 13, 2011 16:08:39
Сообщений: 56
Рейтинг сообщения: 0
вот ета штука в магазине http://www.nastmash.ru/catalog/detail.php?ID=317. я лично ее выдрал из китайского преобразователя 12-220. к ней подключался аккумулятор.


Вернуться наверх
 
Не в сети
 Заголовок сообщения: Re: Импульсная зарядка для автоаккумуляторов (новодел)
СообщениеДобавлено: Пт июл 11, 2014 18:25:05 
Собутыльник Кота

Карма: 8
Рейтинг сообщений: 52
Зарегистрирован: Ср окт 06, 2010 14:30:35
Сообщений: 2767
Откуда: 100км от Москвы
Рейтинг сообщения: 0
Цитата:
КЗ етот девайс боиться или нет?
Нет. :) Опыт был, причем интересный. Настраивал порог ограничения тока, подключая сопротивления, в параллель, постепенно уменьшая их номинал. В один момент не заметил, как устроил КЗ, не так соединив резисторы. Обнаружил, глядя на амперметр, что ток уж очень большой для выставленного сопротивления.

_________________
Не ценят люди никогда того, что им легко досталось.


Вернуться наверх
 
Не в сети
 Заголовок сообщения: Re: Импульсная зарядка для автоаккумуляторов (новодел)
СообщениеДобавлено: Ср июл 30, 2014 18:19:17 
Родился
Аватар пользователя

Зарегистрирован: Пн июн 16, 2014 23:10:17
Сообщений: 17
Рейтинг сообщения: 0
Прошу прощения, но кто нибудь подскажет есть ли данная схема с режимом десульфатации? :shock:


Вернуться наверх
 
Не в сети
 Заголовок сообщения: Re: Импульсная зарядка для автоаккумуляторов (новодел)
СообщениеДобавлено: Ср июл 30, 2014 20:20:44 
Друг Кота
Аватар пользователя

Карма: 18
Рейтинг сообщений: 1121
Зарегистрирован: Пт ноя 27, 2009 18:12:27
Сообщений: 4625
Откуда: Черкассы, UA
Рейтинг сообщения: 0
Вроде не было. А вообще то, сульфатированной батарее место в утиле. Не стоит оно ни времени, ни нервов.

_________________
Изображение

В мире нет вредных веществ, в мире есть вредные количества © Д.И.Менделеев
Когда на форуме переходят на "Вы", в реальной жизни уже давно бьют морду © автор неизвестен.


Вернуться наверх
 
Не в сети
 Заголовок сообщения: Re: Импульсная зарядка для автоаккумуляторов (новодел)
СообщениеДобавлено: Вт авг 05, 2014 20:24:02 
Родился

Зарегистрирован: Вт дек 31, 2013 10:51:06
Сообщений: 9
Рейтинг сообщения: 0
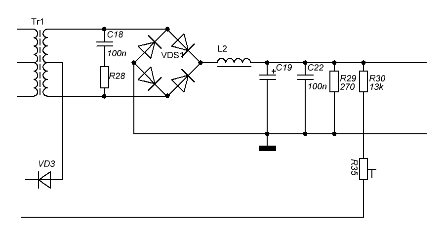
Ув. falkonist для переделки Вашей зарядки на 24в достаточно ли заменить VD15 на диодный мост и подкорректировать R30 Или я чего то еше упустил?


Вернуться наверх
 
Не в сети
 Заголовок сообщения: Re: Импульсная зарядка для автоаккумуляторов (новодел)
СообщениеДобавлено: Вт авг 05, 2014 20:38:41 
Друг Кота
Аватар пользователя

Карма: 44
Рейтинг сообщений: 601
Зарегистрирован: Вс мар 04, 2007 11:39:00
Сообщений: 4469
Откуда: Ukraine, Kyiv
Рейтинг сообщения: 0
Нужно еще будет изменить подключение цепи самопитания. Взять его надо будет с "косы".

_________________
Выслушай и противную сторону, даже если она и противна


Вернуться наверх
 
Не в сети
 Заголовок сообщения: Re: Импульсная зарядка для автоаккумуляторов (новодел)
СообщениеДобавлено: Вт авг 05, 2014 22:50:26 
Родился

Зарегистрирован: Вт дек 31, 2013 10:51:06
Сообщений: 9
Рейтинг сообщения: 0
Вроде так,? [img]url=http://img.radiokot.ru/files/93669/medium/estrjd9yc.GIF[/img]


Вложения:
24В.GIF [7.96 KiB]
Скачиваний: 1058
Вернуться наверх
 
Не в сети
 Заголовок сообщения: Re: Импульсная зарядка для автоаккумуляторов (новодел)
СообщениеДобавлено: Вт авг 05, 2014 23:01:25 
Друг Кота
Аватар пользователя

Карма: 44
Рейтинг сообщений: 601
Зарегистрирован: Вс мар 04, 2007 11:39:00
Сообщений: 4469
Откуда: Ukraine, Kyiv
Рейтинг сообщения: 0
Да, так.

_________________
Выслушай и противную сторону, даже если она и противна


Вернуться наверх
 
Не в сети
 Заголовок сообщения: Re: Импульсная зарядка для автоаккумуляторов (новодел)
СообщениеДобавлено: Чт авг 07, 2014 21:37:37 
Родился
Аватар пользователя

Зарегистрирован: Пн июн 16, 2014 23:10:17
Сообщений: 17
Рейтинг сообщения: 0
Может, кто нибудь подскажет можно ли данную схему приспособить к зарядке не только аккумуляторов на 12в но и на 6в, 1.2в ? Делать отводы с вторички трансформатора или как то по другому? В общем надеюсь на ответы :wink:


Вернуться наверх
 
Не в сети
 Заголовок сообщения: Re: Импульсная зарядка для автоаккумуляторов (новодел)
СообщениеДобавлено: Чт авг 07, 2014 21:54:31 
Друг Кота
Аватар пользователя

Карма: 44
Рейтинг сообщений: 601
Зарегистрирован: Вс мар 04, 2007 11:39:00
Сообщений: 4469
Откуда: Ukraine, Kyiv
Рейтинг сообщения: 0
Приспособить можно. Но зачем?

_________________
Выслушай и противную сторону, даже если она и противна


Вернуться наверх
 
Не в сети
 Заголовок сообщения: Re: Импульсная зарядка для автоаккумуляторов (новодел)
СообщениеДобавлено: Чт авг 07, 2014 21:58:30 
Родился
Аватар пользователя

Зарегистрирован: Пн июн 16, 2014 23:10:17
Сообщений: 17
Рейтинг сообщения: 0
Есть в эксплуатации два аккумулятора, один на 12в, другой- 6в. Я так понимаю что данное ЗУ полностью автоматическое вот и хочется его приспособить еще и к другим напряжениям.


Вернуться наверх
 
Показать сообщения за:  Сортировать по:  Вернуться наверх
Начать новую тему Ответить на тему  [ Сообщений: 3592 ]     ... , , , 69, , , ...  

Часовой пояс: UTC + 3 часа


Кто сейчас на форуме

Сейчас этот форум просматривают: нет зарегистрированных пользователей и гости: 59


Вы не можете начинать темы
Вы не можете отвечать на сообщения
Вы не можете редактировать свои сообщения
Вы не можете удалять свои сообщения
Вы не можете добавлять вложения

Найти:
Перейти:  


Powered by phpBB © 2000, 2002, 2005, 2007 phpBB Group
Русская поддержка phpBB
Extended by Karma MOD © 2007—2012 m157y
Extended by Topic Tags MOD © 2012 m157y