Например TDA7294

Форум РадиоКот • Просмотр темы - Все на десять. Усилить, задержать, передать, заглушить.
Форум РадиоКот
Здесь можно немножко помяукать :)

Текущее время: Сб дек 27, 2025 05:16:08

Часовой пояс: UTC + 3 часа


ПРЯМО СЕЙЧАС:



Начать новую тему Ответить на тему  [ Сообщений: 10 ] 
Автор Сообщение
Не в сети
 Заголовок сообщения: Все на десять. Усилить, задержать, передать, заглушить.
СообщениеДобавлено: Пн окт 21, 2019 14:26:47 
Собутыльник Кота
Аватар пользователя

Карма: 14
Рейтинг сообщений: 121
Зарегистрирован: Сб май 21, 2016 11:04:52
Сообщений: 2977
Откуда: Беларусь
Рейтинг сообщения: 0
Вот хотел бы вопросы задать по этой статье
https://radiokot.ru/circuit/analog/games/24/


Вернуться наверх
 
Не в сети
 Заголовок сообщения: Re: Все на десять. Усилить, задержать, передать, заглушить.
СообщениеДобавлено: Пн окт 21, 2019 15:33:54 
Открыл глаза
Аватар пользователя

Карма: 8
Рейтинг сообщений: 57
Зарегистрирован: Ср ноя 16, 2005 22:55:41
Сообщений: 66
Рейтинг сообщения: 0
Вопрос про входные-выходные сопротивления?
Допустим, это работа транзисторного каскада, входной и выходной сопротивление.
Несколько раз уже перечитывал на эту тему, в статье про "Все на десять Усилить, передать..."
В итого, что такое "сопротивление" понятно и падение напрояжения на нем - это понятно. Это граница моих знаний.
А как речь заходит про "входное" это самое сопротивление, или что еще хуже "выходное" , то тут все - тупик.

Что бы понять смысл, здесь еще можно почитать.
https://radiokot.ru/forum/viewtopic.php?f=21&t=28437

Добавлено after 25 minutes:
Добавлю еще, что не только схема включения транзистора, но и внешние обратные связи независимые от включения транзистора. С помощью их например можно сделать выходное сопротивление теоретически от бесконечности, в схеме стабилизатора тока например и теоретически нулевым, например в стабилизаторе напряжения до отрицательного, в генераторе например.
Так же обстоит дело и с входным сопротивлением.
Вот ниже наглядное пояснение того, как например ОС влияет на выходное сопротивление в данном случае стабилизатора напряжения.
Рассматривается стабилизатор напряжения, хотя для пояснения принципа это не важно.

----------
У стабилизатора регулирующий элемент по схеме с ОЭ, там выходное сопротивление будет порядка нескольких кило Ом и даже если коэффициент усиления будет 10000, то всё равно...
То, что Вы написали говорит только о том, что Вы не понимаете самых основ.
Вот тогда картинка.

Изображение

Ручкой переменного резистора величиной 1 килоом устанавливаем на вольтметре, а значит и на на нагрузке, напряжение 4 вольт.
Обратной связью в данном случае являются мои глаза, что смотрят на вольтметр и рука, которая крутит переменное сопротивление.
Если сопротивление нагрузки изменить, то соответственно изменится напряжение на выходе.
Я это глазами вижу и рукой подкручиваю переменный резистор. Это обратная связь.
Если я снова выставлю напряжение на вольтметре ровно 4 вольта, то это значит, что выходное сопротивление данной системы с обратной связью в качестве которой используются мои глаза и рука равно НУЛЮ.
И то, что регулирующий элемент в виде переменного сопротивления имеет величину далекую от НУЛЯ, все равно данная система имеет нулевое выходное сопротивление.

В вашем же случае нулевое даже и не нужно, т.е. устанавливать можно с погрешностью.

А например случай, когда при уменьшении сопротивления нагрузки выставлять "ручкой" на выходе напряжение не 4 вольта, а к примеру 4,05 вольта, то это значит у вас в данном случае будет не то что нулевое, а даже отрицательное выходное сопротивление.


Вернуться наверх
 
Не в сети
 Заголовок сообщения: Re: Все на десять. Усилить, задержать, передать, заглушить.
СообщениеДобавлено: Пн окт 21, 2019 20:11:33 
Собутыльник Кота
Аватар пользователя

Карма: 14
Рейтинг сообщений: 121
Зарегистрирован: Сб май 21, 2016 11:04:52
Сообщений: 2977
Откуда: Беларусь
Рейтинг сообщения: 0
Да, имеено этот вопрос. Написал заголовок, но потом отвлекли, позвали работу работать и только вечером увидель ответ на еще ненаписанный вопрос. Да не дает до сих пор спать входное и выходное сопростивление, счас читаю по ссылке пока. Спасибо.


Вернуться наверх
 
Не в сети
 Заголовок сообщения: Re: Все на десять. Усилить, задержать, передать, заглушить.
СообщениеДобавлено: Вт окт 22, 2019 08:23:00 
Собутыльник Кота
Аватар пользователя

Карма: 14
Рейтинг сообщений: 121
Зарегистрирован: Сб май 21, 2016 11:04:52
Сообщений: 2977
Откуда: Беларусь
Рейтинг сообщения: 0
Цитата:
Если я снова выставлю напряжение на вольтметре снова ровно 4 вольт, то это значит, что выходное сопротивление данной системы с обратной связью в качестве которой используются мои глаза и рука равно НУЛЮ.


почему с помощью "моя руки и глаза" напряжение удается поддерживать на определенном уровне я понимаю. А почему выходного сопротивление этой системы равно 0 не понимаю, чего то не хватает.


Вернуться наверх
 
Эиком - электронные компоненты и радиодетали
Не в сети
 Заголовок сообщения: Re: Все на десять. Усилить, задержать, передать, заглушить.
СообщениеДобавлено: Вт окт 22, 2019 13:25:37 
Открыл глаза
Аватар пользователя

Карма: 8
Рейтинг сообщений: 57
Зарегистрирован: Ср ноя 16, 2005 22:55:41
Сообщений: 66
Рейтинг сообщения: 0
почему выходного сопротивление этой системы равно 0 не понимаю, чего то не хватает.
Для примера берем стабилизатор напряжения 7805.
https://static.chipdip.ru/lib/164/DOC001164647.pdf
Исходя из даташта видим, что у стабилизатора выходное сопротивление равно 0,015 Ом
Собираем три схемы.
В первой на выход просто подключаем вольтметр. Известно, что у вольтметра сопротивление обычно сотни килоом.
Во второй схеме нагружаем стабилизатор на резистор 50 Ом.
В третьей нагружаем на 5 Ом и смотрим на показания вольтметра.

Изображение

Какое будет выходное сопротивление "теоретического стабилизатора 7805", если при подключении любой нагрузки, на ней будет всегда 5 вольт?


Вложения:
1.gif [24.45 KiB]
Скачиваний: 1101
Вернуться наверх
 
Не в сети
 Заголовок сообщения: Re: Все на десять. Усилить, задержать, передать, заглушить.
СообщениеДобавлено: Вт окт 22, 2019 19:07:29 
Друг Кота
Аватар пользователя

Карма: 107
Рейтинг сообщений: 3308
Зарегистрирован: Сб фев 11, 2017 15:59:13
Сообщений: 14812
Откуда: 57 RUS
Рейтинг сообщения: 0
Прочёл название темы, очень много думал...

_________________
НАРОДОВЛАСТИЕ а не дерьмократия!!!
Суверенным и независимым может считаться только то государство, против которого англосаксонские разносчики кланово-олигархической дерьмократии и еврогейских "ценностей" со своими пособниками ввели санкции!


Вернуться наверх
 
Не в сети
 Заголовок сообщения: Re: Все на десять. Усилить, задержать, передать, заглушить.
СообщениеДобавлено: Вт окт 22, 2019 21:33:10 
Собутыльник Кота
Аватар пользователя

Карма: 14
Рейтинг сообщений: 121
Зарегистрирован: Сб май 21, 2016 11:04:52
Сообщений: 2977
Откуда: Беларусь
Рейтинг сообщения: 0
Много думать вредно. Это тревожное состояние.

Добавлено after 5 minutes 23 seconds:
___, Теперь понял.

Я спаял усилитель

Изображение

дал на вход синус 1кгц, на выходе измерил вольтметром переменного напряжения и без нагрузки получил 1.4 вольта
Я поключил динамик на выход, сопротивлением 8 ом и измерил еще с нагрузкой, получил 0.4 вольта.
Я сделал вывод, что если с нагрузкой 8 ом сигнал упал больше чем в 2 раза, значит сопротивление нагрузки маловато и надо добавить (например подключить 2 таки динамика последовательно), а значит выходного сопротивление этого усилителя больше 8 ом. Так получается?

Добавлено after 3 minutes 15 seconds:
По сути, выходного сопротивление это мерило мощности, способность усилителя держать сигнал под нагрузкой. И Ваш пример с стабилизатором это подтверждает. Так получается?

Добавлено after 5 minutes 46 seconds:
___ писал(а):
Какое будет выходное сопротивление "теоретического стабилизатора 7805", если при подключении любой нагрузки, на ней будет всегда 5 вольт?


это получается мегаКрутой стабилизатор без внутреннего сопротивления.
А напряжение батарейки проседает потому что у нее есть внутренне сопротивление (выходное сопротивление), т.е батарейка - не идеальный источник.
Литий лучше металгидридных из-за меньшего внутреннего (выходного) сопротивления.

Надо подумать над этим всем. Кое-что кое как складывается уже.


Вернуться наверх
 
Не в сети
 Заголовок сообщения: Re: Все на десять. Усилить, задержать, передать, заглушить.
СообщениеДобавлено: Вт окт 22, 2019 23:35:01 
Открыл глаза
Аватар пользователя

Карма: 8
Рейтинг сообщений: 57
Зарегистрирован: Ср ноя 16, 2005 22:55:41
Сообщений: 66
Рейтинг сообщения: 0
сделал вывод, что если с нагрузкой 8 ом сигнал упал больше чем в 2 раза, значит сопротивление нагрузки маловато и надо добавить (например подключить 2 таки динамика последовательно), а значит выходного сопротивление этого усилителя больше 8 ом. Так получается?
Так.
В статье приведен пример подобного усилителя с обычным двухтактным эмиттерным повторителем на одном транзисторе в каждом плече и было измерено его выходное сопротивление. Оно получилось порядка 30 Ом.

Кстати в вашем усилителе можно убрать резисторы 3,3 Ом, что стоят в эмиттерах. Это снизит выходное сопротивление.
На практике, эти резисторы имеет смысл ставить при питании 12 вольт и выше, а при 9 вольт усилитель надежно работает и без этих резисторов..

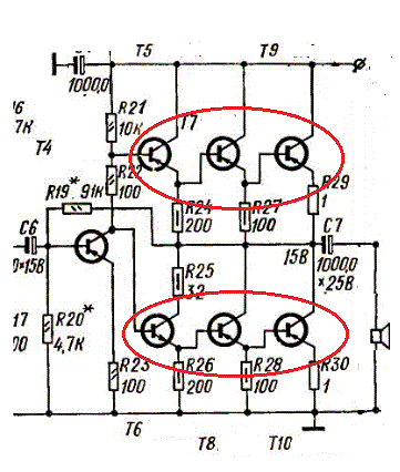
Для того, что бы снизить выходное сопротивление подобного усилителя, на выходе приходится ставить двухтактный эмиттерный повторитель на составных транзисторах.
Иногда в составном эмиттерном повторителе приходится ставить в каждом плече по два, а даже по три транзистора.

Изображение

Но входное-выходное сопротивление приходится учитывать не толко в мощных усилителях, а и в обычных усилителях напряжения.
Например требуется построить предварительный усилитель с большим коэффициентом усиления. Сразу понятно, что каскадов придется брать несколько.
Берем обычный каскад.

Изображение

Что бы повысить усиление данного каскада нужно увеличивать .
, это параллельное соединение резистора в коллекторе транзистора и входного сопротивления следующего каскада, поэтому нет смысла ставит резистор в коллекторе в десятки килоом, если такой же следующий каскад имеет входное сопротивление единицы килоом.
Выходом из этого будет после первого каскада поставить каскад с большим входным сопротивлением(эмиттерный повторитель), а потом уж ставить и еще один каскад усиления напряжения, как это сделано в микросхеме ba340(предусилитель низкой частоты)
http://radiostorage.net/3429-mikroskhem ... 5-15v.html

Изображение

В ней первый и третий транзистор - это усилители напряжения, а второй, между ними эмиттерный повторитель, что позволило в коллекторе первого транзистора поставит резистор 56 кОм и этим самым повысить усиление этого первого каскада.

Изображение

Можно конечно поставить просто три каскада с ОЭ, но такие схемы нестабильны.

Выше написанное относится к НЧ. В схемах ВЧ тоже часто приходится учитывать входные и выходные сопротивления каскадов, например при составлении схем резонансных усилителей с LC контурами, с кварцевыми и керамическими фильтрами, при работе на коаксиальный кабель, а также в усилителях мощности, когда из них требуется "выжать" большую мощность при максимуме КПД и соответственно согласовать его с антенной.

Эти общие вопросы не для форума. Слишком широкий вопрос и писать на эту тему можно бесконечно. На форуме имеет смысл обсуждать только конкретные схемы.


Вложения:
4.gif [3.24 KiB]
Скачиваний: 1111
3.gif [35.97 KiB]
Скачиваний: 1066
2 .GIF [5.76 KiB]
Скачиваний: 1067
1.gif [28.18 KiB]
Скачиваний: 1077
Вернуться наверх
 
Не в сети
 Заголовок сообщения: Re: Все на десять. Усилить, задержать, передать, заглушить.
СообщениеДобавлено: Ср окт 23, 2019 09:37:20 
Собутыльник Кота
Аватар пользователя

Карма: 14
Рейтинг сообщений: 121
Зарегистрирован: Сб май 21, 2016 11:04:52
Сообщений: 2977
Откуда: Беларусь
Рейтинг сообщения: 0
Изображение

Вы рассматривали в статье эту схему. Мне потребовался усилитель НЧ для ЧМ передатчика, с него через кондесантор сигнал пойдет на варикап.
решил переделать его, как показано на картинке, тут получается другой режим работы транзистора как я понял.
Решил посмотреть его на осцилографе.
Подал синус. С уровнями у меня проблема (клеток на экране нет), полэкрна осцилографа на делителе 10мв/клетка (40 мв от пика до пика-40/2/1.41), ну пускай 15-20 мв)
На выходе имею тот же уровень, но уже в делителе 1000мв/клетка, т.е усиление получилось в 100 раз (1.5-2 вольта)

Резистором в базе отрегулировал правильную и максимальную синусойду (получилось 375к) при этом установились режимы в коллекторе пол-питания (4вольта), в базе где-то 0.6В
Если больше 375 к то синусойда становиться чуть меньше, если меньше 375к, то синус кривиться.

Вашу схему из статьи пока не пробовал. но чем она лучше?

Добавлено after 1 hour 58 minutes 33 seconds:
нашел здесь ответ
http://digteh.ru/Sxemoteh/ShTrzKask/


Вернуться наверх
 
Не в сети
 Заголовок сообщения: Re: Все на десять. Усилить, задержать, передать, заглушить.
СообщениеДобавлено: Ср окт 23, 2019 15:14:50 
Открыл глаза
Аватар пользователя

Карма: 8
Рейтинг сообщений: 57
Зарегистрирован: Ср ноя 16, 2005 22:55:41
Сообщений: 66
Рейтинг сообщения: 0
нашел здесь ответ
http://digteh.ru/Sxemoteh/ShTrzKask/
Вы говорите о схеме включения транзистора с ОЭ и о принципах обеспечения рабочего режима транзистора при этом. Данные вопросы на форуме рассматриваются в этой теме.
https://radiokot.ru/forum/viewtopic.php?f=21&t=36751
Вашу схему из статьи пока не пробовал. но чем она лучше?
В данной теме рассматривается вопрос, как получить определенное усиление от схемы на транзисторах. Не просто усилить, а усилить в определенное количество раз. Например конкретно в 40 раз.
Для этого берем например эту схему.

Изображение

И подбором резистора R3 добиваемся нужного усиления в 40 раз.
Мне потребовался усилитель НЧ для ЧМ передатчика
О принципе построения схемы модулятора для узкополосной ЧМ радиостанции подробно написано здесь.
https://radiokot.ru/artfiles/6445/
Нет смысла повторяться еще и в данной теме. Нужно только найти время прочитать ту статью. При этом перейти также и по ссылкам, что там в статье даны.
Читать можно начиная со слов
Цитата:
Теперь переходим к передатчику.
Про подобные передатчики можно здесь почитать.
http://www.radiocxema.h1n.ru/2018/05/05 ... -мгц-с-чм/
В модуляторе по ссылке применен самый примитивный амплитудный ограничитель и ФНЧ. Лучше же делать передатчик, где в модуляторе применен фазовый ограничитель модулирующего сигнала. Про это можно здесь почитать.
https://radiokot.ru:443/start/analog/practice/10/
Сейчас сделаем передатчик по самой примитивной схеме вообще без всякого ограничителя, т.е. просто к нашему маячку на входе поставим микрофонный усилитель, а на выход усилитель мощности.
Сначала определимся, какой уровень модулирующего напряжение нужно будет подавать на варикап…
и т.д. по тексту.
Делать ЧМ модулятор без амплитудного ограничения, хотя бы простейшего в принципе можно, но не стоит.


Вернуться наверх
 
Показать сообщения за:  Сортировать по:  Вернуться наверх
Начать новую тему Ответить на тему  [ Сообщений: 10 ] 

Часовой пояс: UTC + 3 часа


Кто сейчас на форуме

Сейчас этот форум просматривают: нет зарегистрированных пользователей и гости: 45


Вы не можете начинать темы
Вы не можете отвечать на сообщения
Вы не можете редактировать свои сообщения
Вы не можете удалять свои сообщения
Вы не можете добавлять вложения

Найти:
Перейти:  


Powered by phpBB © 2000, 2002, 2005, 2007 phpBB Group
Русская поддержка phpBB
Extended by Karma MOD © 2007—2012 m157y
Extended by Topic Tags MOD © 2012 m157y