Например TDA7294

Форум РадиоКот • Просмотр темы - 595 + твердотелка работает но со странностями
Форум РадиоКот
Здесь можно немножко помяукать :)

Текущее время: Пн мар 16, 2026 01:04:18

Часовой пояс: UTC + 3 часа


ПРЯМО СЕЙЧАС:



Начать новую тему Ответить на тему  [ Сообщений: 32 ]  1,  
Автор Сообщение
 Заголовок сообщения: 595 + твердотелка работает но со странностями
СообщениеДобавлено: Вт сен 27, 2022 11:20:48 
Сверлит текстолит когтями
Аватар пользователя

Зарегистрирован: Пт авг 05, 2016 04:47:49
Сообщений: 1142
Рейтинг сообщения: 0
питание 3,3в
если к регистру напрямую подключить твердотелку она работает но на ней падает всего 2в вместо 3,3в
значит 1,3в падает в регистре
значит теоретически он недонца открыт выход
ток в нагрузке 3ма (если отдельно подать на твердотелку 3,3в то ток потребления 7ма что не критично для выхода 595)

подключаю вместо неё обычный светодиод с резюком всё норм потребление теже 3ма падение 3,3в

и так на всех шести твердотелках

595 холодная учитывая ток нагрузки вполне логично

быть недоткрытым выходом у 595 нет предпосылок же вроде бы ?


Вернуться наверх
 
 Заголовок сообщения: Re: 595 + твердотелка работает но со странностями
СообщениеДобавлено: Вт сен 27, 2022 12:03:14 
Сверлит текстолит когтями

Карма: 5
Рейтинг сообщений: 182
Зарегистрирован: Пн май 01, 2017 20:01:45
Сообщений: 1158
Рейтинг сообщения: 0
"595" ...
Потому, что надо применять микросхемы, в соответствии с их характеристиками.
И вместо 74HC595 поставить 74LVC595.


Вернуться наверх
 
 Заголовок сообщения: Re: 595 + твердотелка работает но со странностями
СообщениеДобавлено: Вт сен 27, 2022 12:21:47 
Сверлит текстолит когтями
Аватар пользователя

Зарегистрирован: Пт авг 05, 2016 04:47:49
Сообщений: 1142
Рейтинг сообщения: 0
редкая штука
да и корпус проблемный при разводке

тогда попробую лучше запитать от 5в но поставить три резисторных делителя на согласование от есп


Вернуться наверх
 
 Заголовок сообщения: Re: 595 + твердотелка работает но со странностями
СообщениеДобавлено: Вт сен 27, 2022 13:54:00 
Друг Кота
Аватар пользователя

Карма: 123
Рейтинг сообщений: 7959
Зарегистрирован: Сб сен 13, 2014 16:27:32
Сообщений: 39197
Откуда: СпиртоГонск созвездия Омега
Рейтинг сообщения: 0
ессли в SO-16 то вполне легкий корпус
авот TSSOP16 тока для фотометода! редкая?? ну ка сказать...
если 5в управлени доступно то зачем мучатьца

Добавлено after 2 minutes 55 seconds:
твердотелка я так понимаю апдтроновое реле? значит там светодиот стоит а резистор ему не нужен? мож ваш регистр играет ролю этого резистора

_________________
ZМудрость(Опыт и выдержка) приходит с годами.
Все Ваши беды и проблемы, от недостатка знаний.
Умный и у дурака научится, а дураку и ..
Алберт Ейнштейн не поможет и ВВП не спасет.и МЧС опаздает


Вернуться наверх
 
Эиком - электронные компоненты и радиодетали
 Заголовок сообщения: Re: 595 + твердотелка работает но со странностями
СообщениеДобавлено: Ср сен 28, 2022 09:36:40 
Сверлит текстолит когтями
Аватар пользователя

Зарегистрирован: Пт авг 05, 2016 04:47:49
Сообщений: 1142
Рейтинг сообщения: 0
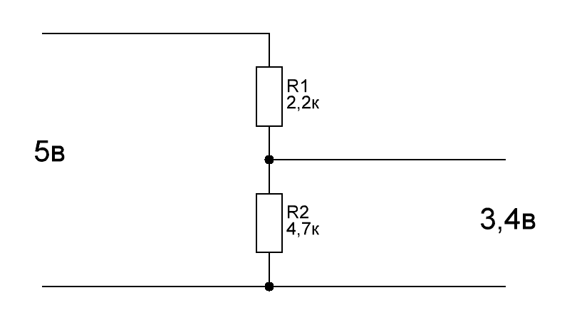
5в нужно согласовывать
нет там SSR-10DA там уже есть резистор притом явно с большим сопротивлением если питать от 3,3в то еле горит индикатор
при 2в не горит но приэтом реле срабатывает

а как согласовать сигнал от меньшего к большему через ризисторы ?
в обратку понятно там всё просто

Изображение


Вернуться наверх
 
 Заголовок сообщения: Re: 595 + твердотелка работает но со странностями
СообщениеДобавлено: Ср сен 28, 2022 09:41:35 
Друг Кота
Аватар пользователя

Карма: 96
Рейтинг сообщений: 1506
Зарегистрирован: Вт мар 16, 2010 22:02:27
Сообщений: 15520
Откуда: ДОНЕЦК
Рейтинг сообщения: 0
Стандартно для развязки цифровых мелкосхем ставится КТ316(КТ3102) или КТ361(КТ3107) /или чего посовременнее/ эмиттерным повторителем.
Вариантов схем полно, в том числе и для согласования с более высоким напряжением для питания нагрузки.
8)


Вернуться наверх
 
 Заголовок сообщения: Re: 595 + твердотелка работает но со странностями
СообщениеДобавлено: Ср сен 28, 2022 10:02:50 
Друг Кота
Аватар пользователя

Карма: 5
Рейтинг сообщений: 61
Зарегистрирован: Ср сен 30, 2020 16:51:47
Сообщений: 4644
Откуда: РФ
Рейтинг сообщения: 0
а как согласовать сигнал от меньшего к большему через ризисторы ?

Никак. Для согласования логических уровней применяются специальные схемы и даже специализированные микросхемы.


Вернуться наверх
 
 Заголовок сообщения: Re: 595 + твердотелка работает но со странностями
СообщениеДобавлено: Ср сен 28, 2022 10:18:57 
Сверлит текстолит когтями

Карма: 5
Рейтинг сообщений: 182
Зарегистрирован: Пн май 01, 2017 20:01:45
Сообщений: 1158
Рейтинг сообщения: 0
Поставьте на вЫходе ключ на bc847 с резистором в базе 10к. И оставьте всё на 3.3В.


Вернуться наверх
 
 Заголовок сообщения: Re: 595 + твердотелка работает но со странностями
СообщениеДобавлено: Ср сен 28, 2022 11:36:33 
Сверлит текстолит когтями
Аватар пользователя

Зарегистрирован: Пт авг 05, 2016 04:47:49
Сообщений: 1142
Рейтинг сообщения: 0
u37, не уже распаяно
места нету
тогда уж проше было 2803 на каждую микруху поставить а на них оптроны навешать
но как бы речь идёт о мизерных токах

в общем попробовал развязку тоже не помогает
Изображение

раскаляется быстро
значит дело не в уровнях сигнала
да и потом в поиске все схемы нарисованы что 595 подключается напрямую к есп но при этом она питается от 5в

и даже в таком виде питая её от 5в на выходе на твердотелке падает всеголишь 3в вместо 5в


Вернуться наверх
 
 Заголовок сообщения: Re: 595 + твердотелка работает но со странностями
СообщениеДобавлено: Ср сен 28, 2022 11:59:47 
Друг Кота
Аватар пользователя

Карма: 182
Рейтинг сообщений: 8343
Зарегистрирован: Пт фев 04, 2011 17:57:51
Сообщений: 20133
Откуда: Рыбинск
Рейтинг сообщения: 0
Медали: 1
Лучший человек Форума 2017 (1)
Даташит на реле есть, где английским по белому написано, что там должно падать именно 5В?


Вернуться наверх
 
 Заголовок сообщения: Re: 595 + твердотелка работает но со странностями
СообщениеДобавлено: Ср сен 28, 2022 12:09:49 
Сверлит текстолит когтями
Аватар пользователя

Зарегистрирован: Пт авг 05, 2016 04:47:49
Сообщений: 1142
Рейтинг сообщения: 0
я питаю её от 5в значит на выходе должно быть около 5в
в данном случае в ней теряется 2в
даже на дарлингтоне и то меньше падает у 2803 хотя и то что на них падает тоже много можно щитать

ладно видимо это особенность этой партии такая
придётся сверху колхозить улнки


Вернуться наверх
 
 Заголовок сообщения: Re: 595 + твердотелка работает но со странностями
СообщениеДобавлено: Ср сен 28, 2022 12:21:57 
Друг Кота
Аватар пользователя

Карма: 182
Рейтинг сообщений: 8343
Зарегистрирован: Пт фев 04, 2011 17:57:51
Сообщений: 20133
Откуда: Рыбинск
Рейтинг сообщения: 0
Медали: 1
Лучший человек Форума 2017 (1)
Если в реле ток не ограничивается, стоит тупо диод без резистора, то этот ток будет ограничиваться сопротивлением канала выходных ключей микросхемы. А в реле скорее всего используется два ИК диода последовательно, у них падение 1,2-1,3В.


Вернуться наверх
 
 Заголовок сообщения: Re: 595 + твердотелка работает но со странностями
СообщениеДобавлено: Ср сен 28, 2022 12:29:13 
Друг Кота
Аватар пользователя

Карма: 5
Рейтинг сообщений: 61
Зарегистрирован: Ср сен 30, 2020 16:51:47
Сообщений: 4644
Откуда: РФ
Рейтинг сообщения: 0
в реле скорее всего используется два ИК диода последовательно.

Тут дело тёмное, производители твёрдотельных реле не раскрывают, что они там используют, это можно только догадываться. Либо выбирать для схемы твёрдотельное реле по которому в даташите все параметры железно прописаны, что оно работает от 3,3 В.


Вернуться наверх
 
 Заголовок сообщения: Re: 595 + твердотелка работает но со странностями
СообщениеДобавлено: Ср сен 28, 2022 18:37:20 
Друг Кота
Аватар пользователя

Карма: 123
Рейтинг сообщений: 7959
Зарегистрирован: Сб сен 13, 2014 16:27:32
Сообщений: 39197
Откуда: СпиртоГонск созвездия Омега
Рейтинг сообщения: 0
скоре фсего реде на биполярках по выходу на нем много может падать 2в лехко...
есть рееле на встречных мосфетах у тек канал единицы ом обычно так что им пох...
про резистор в цепи диода уже писали
то что вопрос потрошкоф это мутный это таки да если там SSR-10 DA то это симисторное силовое реде а по входу даже не резистор-источник тока стоит вполне может быть что 3в ему мало хоть и заявлено 3-32в управа кстати для полного тока радиатор обязателен ок 100кв

_________________
ZМудрость(Опыт и выдержка) приходит с годами.
Все Ваши беды и проблемы, от недостатка знаний.
Умный и у дурака научится, а дураку и ..
Алберт Ейнштейн не поможет и ВВП не спасет.и МЧС опаздает


Вернуться наверх
 
 Заголовок сообщения: Re: 595 + твердотелка работает но со странностями
СообщениеДобавлено: Чт сен 29, 2022 10:52:04 
Сверлит текстолит когтями
Аватар пользователя

Зарегистрирован: Пт авг 05, 2016 04:47:49
Сообщений: 1142
Рейтинг сообщения: 0
купил hc595A
на выходе выдаёт 4,74в это что то ближе к правде падение в самой микрухе 0,28в куда нешло ещё
питается от 5,02
управление от 3,3
пока всё норм

кстати и старые тоже перестали греться но напруга на них так же на выходе 3в всего
прям магия какая то но скорее херня какая то творится


Вернуться наверх
 
 Заголовок сообщения: Re: 595 + твердотелка работает но со странностями
СообщениеДобавлено: Чт сен 29, 2022 11:05:57 
Друг Кота
Аватар пользователя

Карма: 5
Рейтинг сообщений: 61
Зарегистрирован: Ср сен 30, 2020 16:51:47
Сообщений: 4644
Откуда: РФ
Рейтинг сообщения: 0
падение в самой микрухе 0,28в

Это значит, что микросхема перегружена по выходу. Нужно применять 74AC595.


Вернуться наверх
 
 Заголовок сообщения: Re: 595 + твердотелка работает но со странностями
СообщениеДобавлено: Чт сен 29, 2022 11:56:35 
Сверлит текстолит когтями
Аватар пользователя

Зарегистрирован: Пт авг 05, 2016 04:47:49
Сообщений: 1142
Рейтинг сообщения: 0
она не перегружена это падение на переходе ключа полностью открытого
у неё ток по выходу 20ма максимум вроде и 70ма на все
я взял тока 8ма


Вернуться наверх
 
 Заголовок сообщения: Re: 595 + твердотелка работает но со странностями
СообщениеДобавлено: Чт сен 29, 2022 12:06:14 
Друг Кота
Аватар пользователя

Карма: 5
Рейтинг сообщений: 61
Зарегистрирован: Ср сен 30, 2020 16:51:47
Сообщений: 4644
Откуда: РФ
Рейтинг сообщения: 0
Di123,
Это можно проверить, перегружена или нет. Возьмите обычный резистор на 330 Ом, подключите его к выходу микросхемы, подайте на верхний вывод резистора 3,3 Вольта и измерьте падение напряжения на переходе ещё раз.


Вернуться наверх
 
 Заголовок сообщения: Re: 595 + твердотелка работает но со странностями
СообщениеДобавлено: Сб окт 01, 2022 10:38:49 
Сверлит текстолит когтями
Аватар пользователя

Зарегистрирован: Пт авг 05, 2016 04:47:49
Сообщений: 1142
Рейтинг сообщения: 0
сейчас стоит два выхода прямые а два инверсные у 595
подавая 1 на все 4 должно быть два работают а два нет и наоборот при 0

но на деле при 0 горят 3 из 4 + загорается 5 ещё откудато
а при 1 горят все 4 но через несколько сек гаснут инверсные хотя должны гаснуть сразуже

но если положить на выходы 595 палец то работает всё идеально :facepalm:


Вернуться наверх
 
 Заголовок сообщения: Re: 595 + твердотелка работает но со странностями
СообщениеДобавлено: Сб окт 01, 2022 10:51:53 
Друг Кота
Аватар пользователя

Карма: 96
Рейтинг сообщений: 1506
Зарегистрирован: Вт мар 16, 2010 22:02:27
Сообщений: 15520
Откуда: ДОНЕЦК
Рейтинг сообщения: 0
В такой ситуации надо и схему и монтаж устройства проверять (а возможно и программу).
Чудес не бывает.
8)


Вернуться наверх
 
Показать сообщения за:  Сортировать по:  Вернуться наверх
Начать новую тему Ответить на тему  [ Сообщений: 32 ]  1,  

Часовой пояс: UTC + 3 часа


Вы не можете начинать темы
Вы не можете отвечать на сообщения
Вы не можете редактировать свои сообщения
Вы не можете удалять свои сообщения
Вы не можете добавлять вложения

Найти:
Перейти:  


Powered by phpBB © 2000, 2002, 2005, 2007 phpBB Group
Русская поддержка phpBB
Extended by Karma MOD © 2007—2012 m157y
Extended by Topic Tags MOD © 2012 m157y