Например TDA7294

Форум РадиоКот • Просмотр темы - Приемник на КХА058
Форум РадиоКот
Здесь можно немножко помяукать :)

Текущее время: Сб янв 17, 2026 05:19:59

Часовой пояс: UTC + 3 часа


ПРЯМО СЕЙЧАС:



Начать новую тему Ответить на тему  [ Сообщений: 111 ]  1, , , , ,  
Автор Сообщение
Не в сети
 Заголовок сообщения: Приемник на КХА058
СообщениеДобавлено: Вт июн 03, 2008 00:05:34 
Первый раз сказал Мяу!

Зарегистрирован: Вс май 14, 2006 00:20:35
Сообщений: 33
Рейтинг сообщения: 0
Завалялась у меня сия микросхемка.Решил на ней приемничек спаять.После включения - только сильный шум в динамике.На станцию настроиться не могу.КПЕ - воздушный от укв блока( 2 секции в параллель, получается 8-30).Катушка - провод 0,8 диаметр 6 мм 6 витков.УНЧ - LM386
Пробовал увеличить емкость - подпаивал 10 пф и 22 пф параллельно кпе.Не помогло.Пробовал вводить сердечник из феррита и латуни и тоже безрезультатно (((
Что еще посмотреть можно?


Я бы сначала здесь посмотрел, а то в схемах в интернете слишком много разночтений.
http://www.diagram.com.ua/list/spr-294.shtml
aen


Вложения:
кха058.GIF [10.61 KiB]
Скачиваний: 2923
Вернуться наверх
 
Не в сети
 Заголовок сообщения:
СообщениеДобавлено: Вт июн 03, 2008 18:29:44 
Родился

Зарегистрирован: Вт июн 03, 2008 10:55:19
Сообщений: 1
Рейтинг сообщения: 0
А можно если это не трудно и возможно выложить фотку конструкции.


Вернуться наверх
 
Не в сети
 Заголовок сообщения:
СообщениеДобавлено: Ср июл 16, 2008 14:23:30 
Родился
Аватар пользователя

Зарегистрирован: Вт июл 15, 2008 13:35:16
Сообщений: 16
Откуда: Украина
Рейтинг сообщения: 0
Я уже несколько описывал версию приёмников и кха058 в теме
УКВ приемники с ФАПЧ
http://www.radiokot.ru/forum/viewtopic.php?t=8940

Настройка и работоспособность такая же как и в других вариантах.
(TDA7021)
Эта микросхема несколько похуже чем TDA7021, во первых, сбрка корпуса с микромонтажом поверхностно. Во вторых, параметры хуже по чувствительности и обязательно требуется антенный усилитель на входе.

_________________
Если распаять старый ламповый телик, то собранного припоя хватит на два новых телика и кучу новых схем)


Вернуться наверх
 
Не в сети
 Заголовок сообщения:
СообщениеДобавлено: Чт июл 17, 2008 11:14:52 
Потрогал лапой паяльник
Аватар пользователя

Зарегистрирован: Пн апр 14, 2008 19:57:20
Сообщений: 346
Рейтинг сообщения: 0
Тоже хотел сделать это приемник но засомнивался
Микруха эта у нас стоит 50р.
СТоит эта схема того???


Вернуться наверх
 
Эиком - электронные компоненты и радиодетали
Не в сети
 Заголовок сообщения:
СообщениеДобавлено: Чт июл 17, 2008 12:06:38 
Родился
Аватар пользователя

Зарегистрирован: Вт июл 15, 2008 13:35:16
Сообщений: 16
Откуда: Украина
Рейтинг сообщения: 0
Вобщето по моему мнению, даже по более лучшему качеству звука, то лучше собрать на CXA1238.

_________________
Если распаять старый ламповый телик, то собранного припоя хватит на два новых телика и кучу новых схем)


Вернуться наверх
 
Не в сети
 Заголовок сообщения: Re: Мелкие вопросы по радиотехнике
СообщениеДобавлено: Пт окт 14, 2011 23:42:19 
Сверлит текстолит когтями

Карма: 1
Рейтинг сообщений: -1
Зарегистрирован: Ср июн 22, 2011 21:14:17
Сообщений: 1158
Рейтинг сообщения: 0
Вот такой возник вопрос :
Какие номера выводов должны быть которые не обозначены (один знаю , кажись питание, а второй ? ) :

Изображение

:shock:

По моему тот что сверху - 18 вывод , а тот что снизу - 3 , не так ? :shock:




Перенес сюда.
aen


Последний раз редактировалось Vendein_RaZoR Пт окт 14, 2011 23:54:23, всего редактировалось 1 раз.

Вернуться наверх
 
Не в сети
 Заголовок сообщения: Re: Мелкие вопросы по радиотехнике
СообщениеДобавлено: Пт окт 14, 2011 23:53:43 
Мудрый кот
Аватар пользователя

Карма: 19
Рейтинг сообщений: 166
Зарегистрирован: Сб окт 10, 2009 17:16:58
Сообщений: 1732
Откуда: Россия.
Рейтинг сообщения: 0
Здесь смотри.
http://rf.atnn.ru/s4/spr-294.html


Вернуться наверх
 
Не в сети
 Заголовок сообщения: Re: Мелкие вопросы по радиотехнике
СообщениеДобавлено: Пт окт 14, 2011 23:54:50 
Сверлит текстолит когтями

Карма: 1
Рейтинг сообщений: -1
Зарегистрирован: Ср июн 22, 2011 21:14:17
Сообщений: 1158
Рейтинг сообщения: 0
Всё сообразил :)


Вернуться наверх
 
Не в сети
 Заголовок сообщения: Re: Мелкие вопросы по радиотехнике
СообщениеДобавлено: Сб окт 15, 2011 12:09:20 
Сверлит текстолит когтями

Карма: 1
Рейтинг сообщений: -1
Зарегистрирован: Ср июн 22, 2011 21:14:17
Сообщений: 1158
Рейтинг сообщения: 0
Вот , нарисовал схему приемника на КХА058 (выше) , ничего не напутал , не упустил надеюсь ? :shock:

Изображение


Вернуться наверх
 
Не в сети
 Заголовок сообщения: Re: Мелкие вопросы по радиотехнике
СообщениеДобавлено: Пн окт 17, 2011 00:44:10 
Сверлит текстолит когтями

Карма: 1
Рейтинг сообщений: -1
Зарегистрирован: Ср июн 22, 2011 21:14:17
Сообщений: 1158
Рейтинг сообщения: 0
Откуда начинается нумерация выводов микросхемы КХА058 ? :shock:


Сюда перенес, а здесь чуть выше Jemchug давал ссылку и там все нарисовано.

aen


Вернуться наверх
 
Не в сети
 Заголовок сообщения: Расчеты для приемника на КХА058
СообщениеДобавлено: Вт окт 18, 2011 13:10:59 
Сверлит текстолит когтями

Карма: 1
Рейтинг сообщений: -1
Зарегистрирован: Ср июн 22, 2011 21:14:17
Сообщений: 1158
Рейтинг сообщения: 0
Решил начать новую тему , так как в той никто мне чего то не отвечал :(
Ну вот , слушайте коты :)
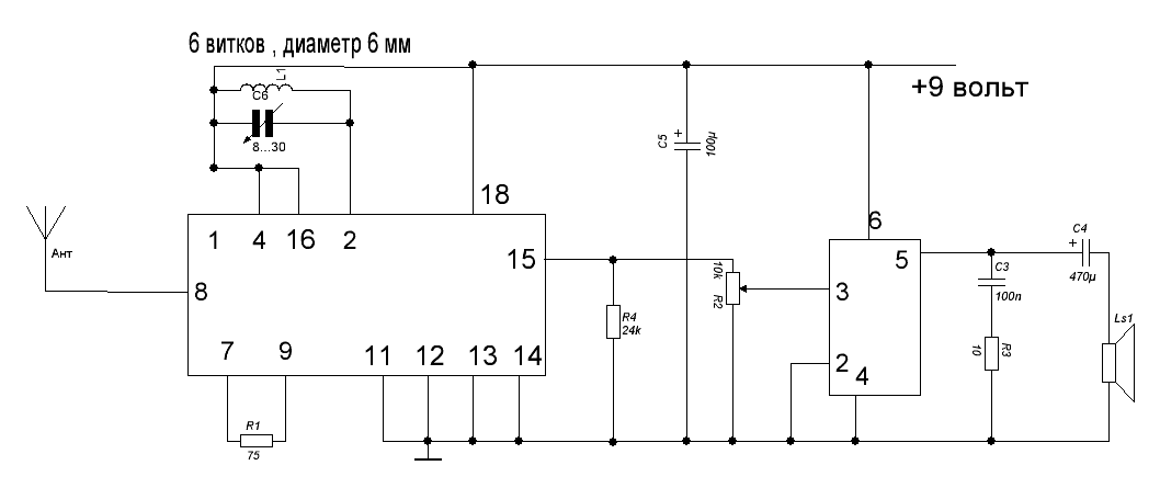
Есть приемник на микросхеме КХА058 , вот схема :
Изображение
Не могу никак разобраться с делителем , всмысле с ним то всё понятно , но вот дело в том что нет у меня резистора на 51 кОм , в магазине вероятно перепутали маркировку и засунули резюк на 5,1 кОм . Так вот , я решил поставить резитор меньшего сопротивления 47 кОм , соединять несколько "в воздухе" , чтоб достичь 51 кОма не хотелось , так как будет наверняка возможность встретить паразитные емкости да и плату переделывать не хочется :(
А все остальное вроде в норме , но из динамика всё равно доносится шипение , в диапазон 88-108 попасть не могу :( , а катушка намотана вродь правильно ... Так как же быть с делителем ? :shock:


Вернуться наверх
 
Не в сети
 Заголовок сообщения: Re: Приемник на КХА058
СообщениеДобавлено: Вт окт 18, 2011 13:35:59 
Модератор
Аватар пользователя

Карма: 158
Рейтинг сообщений: 1600
Зарегистрирован: Пт апр 28, 2006 15:26:07
Сообщений: 11940
Откуда: Россия.
Рейтинг сообщения: 0
Медали: 2
Мявтор 3-й степени (1) Лучший человек Форума 2017 (1)
Vendein_RaZoR писал(а):
Решил начать новую тему , так как в той никто мне чего то не отвечал :(
А не нужно новую. Перенес сюда.
Не отвечают потому что никому это не интересно, т.к. когда эта микросхема появилась, то достать её было трудно, а сейчас на ней при существующей новой элементной базе делать приемник и обсуждать его никому не интересно.
Отсюда и причина молчания в теме.
Не понимаю в чем проблема у Вас?. Если Вам интересно, то давно бы спаяли.
Единственно, что могу сказать, так это что приемник без входного контура, это полный изврат. Так китайцы делают для удешевления.
Вместо резистора 51 ком пойдет любой от 30 ком до 100 ком.
А принимать он будет только если передающая станция у Вас из окна видна. :)


Вернуться наверх
 
Не в сети
 Заголовок сообщения: Re: Приемник на КХА058
СообщениеДобавлено: Вт окт 18, 2011 14:20:28 
Сверлит текстолит когтями

Карма: 1
Рейтинг сообщений: -1
Зарегистрирован: Ср июн 22, 2011 21:14:17
Сообщений: 1158
Рейтинг сообщения: 0
Цитата:
А принимать он будет только если передающая станция у Вас из окна видна.

Это правда ?? :o :shock:
Всмысле он не принимает сигнал так как обычный УКВ приемник по городу ?? :shock:


Вернуться наверх
 
Не в сети
 Заголовок сообщения: Re: Приемник на КХА058
СообщениеДобавлено: Вт окт 18, 2011 21:22:33 
Модератор
Аватар пользователя

Карма: 46
Рейтинг сообщений: 236
Зарегистрирован: Чт окт 27, 2005 18:50:07
Сообщений: 11169
Откуда: из мест не столь отдалённых
Рейтинг сообщения: 0
Медали: 2
Получил миской по аватаре (1) Мявтор 3-й степени (1)
Да. Промежуточная частота усиления близка к 30 кГц, поэтому для селекции используются активные фильтры (отпадает нужда в моточных элементах). Поэтому практически нельзя получить качественный приём стересигнала.
Достоинство (и недостаток)- максимальная простота устройства.

Правильно указал АЕН, что обязательно нужно добавить входной контур, который повысит чувствительность и избирательность приёмника.


Вернуться наверх
 
Не в сети
 Заголовок сообщения: Re: Приемник на КХА058
СообщениеДобавлено: Ср окт 19, 2011 06:00:49 
Модератор
Аватар пользователя

Карма: 162
Рейтинг сообщений: 2441
Зарегистрирован: Пн июл 07, 2008 10:46:09
Сообщений: 10736
Откуда: Россия
Рейтинг сообщения: 0
Чувствительность этого приёмника должна получиться около 10 мкВ и её достаточно. чтобы принимать сигнал на значительных расстояниях. Вот только этот приёмник разрабатывался, когда УКВ диапазон не был так напичкан станциями и сейчас он будет нормально работать в местности, где станций немного.

_________________
Если хотите, чтобы жизнь улыбалась вам, подарите ей своё хорошее настроение


Вернуться наверх
 
Не в сети
 Заголовок сообщения: Re: Приемник на КХА058
СообщениеДобавлено: Чт окт 20, 2011 18:25:02 
Сверлит текстолит когтями

Карма: 1
Рейтинг сообщений: -1
Зарегистрирован: Ср июн 22, 2011 21:14:17
Сообщений: 1158
Рейтинг сообщения: 0
Ну что ж значит приёмник не для моей местности :(


Вернуться наверх
 
Не в сети
 Заголовок сообщения: Re: Приемник на КХА058
СообщениеДобавлено: Ср ноя 09, 2011 21:05:10 
Сверлит текстолит когтями

Карма: 1
Рейтинг сообщений: -1
Зарегистрирован: Ср июн 22, 2011 21:14:17
Сообщений: 1158
Рейтинг сообщения: 0
А нет ! :))
Заработал приемник однако , то есть поймал нашу Башкирскую (Уфимскую) станцию , хотя я живу за 300 км от Уфы :)
Порадовало :) Есть к чему прикрутить ещё чего-нибудь (УНЧ , цифровое управление и тд) :music:


Вернуться наверх
 
Не в сети
 Заголовок сообщения: Re: Приемник на КХА058
СообщениеДобавлено: Чт ноя 10, 2011 10:28:58 
Потрогал лапой паяльник
Аватар пользователя

Карма: 4
Рейтинг сообщений: 10
Зарегистрирован: Вс ноя 05, 2006 23:06:22
Сообщений: 311
Откуда: Нижегородская обл Красные Баки
Рейтинг сообщения: 0
Медали: 1
Мявтор 3-й степени (1)
Vendein_RaZoR писал(а):
А нет ! :))
Заработал приемник однако , то есть поймал нашу Башкирскую (Уфимскую) станцию , хотя я живу за 300 км от Уфы :)
Порадовало :) Есть к чему прикрутить ещё чего-нибудь (УНЧ , цифровое управление и тд) :music:

Осталось установить наружную антенну (3-х элементный волновой канал с антенным усилителем) и перейти на супергетеродинный приём с ПЧ 10,7МГц. Получаем классическую схему приёма дальних УКВ станций.

_________________
Нет недающих-есть плохо просящие.


Вернуться наверх
 
Не в сети
 Заголовок сообщения: Re: Приемник на КХА058
СообщениеДобавлено: Пт ноя 11, 2011 18:10:40 
Сверлит текстолит когтями

Карма: 1
Рейтинг сообщений: -1
Зарегистрирован: Ср июн 22, 2011 21:14:17
Сообщений: 1158
Рейтинг сообщения: 0
Цитата:
перейти на супергетеродинный приём с ПЧ 10,7МГц.

А что для этого надо ?
Что то сделать в контуре гетеродина , чтоб изменить выходную ПЧ на 10.7 МГц ?? :dont_know:


Вернуться наверх
 
Не в сети
 Заголовок сообщения: Re: Приемник на КХА058
СообщениеДобавлено: Пт ноя 11, 2011 18:19:32 
Друг Кота
Аватар пользователя

Карма: 64
Рейтинг сообщений: 1102
Зарегистрирован: Ср ноя 17, 2010 23:10:55
Сообщений: 5837
Откуда: Ижевск LO66NU
Рейтинг сообщения: 0
Шутка это! Для этого нужна соооовсем другая схема!

_________________
В начале жизнь мучает вопросами, в конце - ответами...


Вернуться наверх
 
Показать сообщения за:  Сортировать по:  Вернуться наверх
Начать новую тему Ответить на тему  [ Сообщений: 111 ]  1, , , , ,  

Часовой пояс: UTC + 3 часа


Кто сейчас на форуме

Сейчас этот форум просматривают: нет зарегистрированных пользователей и гости: 23


Вы не можете начинать темы
Вы не можете отвечать на сообщения
Вы не можете редактировать свои сообщения
Вы не можете удалять свои сообщения
Вы не можете добавлять вложения

Найти:
Перейти:  


Powered by phpBB © 2000, 2002, 2005, 2007 phpBB Group
Русская поддержка phpBB
Extended by Karma MOD © 2007—2012 m157y
Extended by Topic Tags MOD © 2012 m157y