Мелкие вопросы по теории

Здесь принимаются все самые невообразимые вопросы... Главное - не стесняйтесь. Поверьте, у нас поначалу вопросы были еще глупее :)
zenek
Встал на лапы
Сообщения: 116
Зарегистрирован: Ср апр 28, 2010 17:49:14

Re: Мелкие вопросы по теории

Сообщение zenek »

Подскажите, доделываю цветомузыку, необходимо сделать регулировку входного сигнала, сигнал берется с выхода звуковой платы. Сейчас сделано так: переменник, на один вывод сам сигнал, со среднего выходной сигнал, третий вывод на землю. Возник вопрос: какого номинала использовать резистор 1к или 10к, и с какой характеристикой линейной или логарифмической?
Аватара пользователя
pyzhman
Друг Кота
Сообщения: 7016
Зарегистрирован: Вс июл 12, 2009 19:15:29
Откуда: Ижевск
Контактная информация:

Re: Мелкие вопросы по теории

Сообщение pyzhman »

10k. Характеристика любая.
Docendo discimus
Аватара пользователя
Uklunok
Вымогатель припоя
Сообщения: 561
Зарегистрирован: Сб апр 03, 2010 10:12:41
Откуда: Хабаровск

Re: Мелкие вопросы по теории

Сообщение Uklunok »

Хочу прояснить некоторый вопросец. :))
Имеется источник питания 5В на 800мА пост. тока. Так же имеется 2-х позиционный переключатель (соответственно 3 контакта).
И так, К первому контакту подключаю GND от источника тока, ко второму - линию питания 5В, к третьему подключается схема, которую нужно запитать.
Теперь, когда замкнуты 2 и 3 контакты, то на схему подаётся питание - всё ОК. А когда я хочу прекратить подачу питания, то мне нужно замкнуть 1 и 2 контакты, т.е. GND и линию 5В.
А теперь вопрос: получается, что будет просто закорочены земля и питание, а ведь это не хорошо, источник питания может погореть?! А следовательно, мне нужно поставить резистор между контактами переключателя 1 и 2, верно?? :) . Если так, то на какой номинал поставить? :dont_know:
Аватара пользователя
МитяРа
Модератор
Сообщения: 11492
Зарегистрирован: Чт дек 11, 2008 14:52:26
Откуда: град Нижний

Re: Мелкие вопросы по теории

Сообщение МитяРа »

Uklunok писал(а):К первому контакту подключаю GND
GND вообще никуда не подключай..
[img]http://radiokot.ru/forum/download/file.php?id=93376[/img][i][color=#000080][size=85]Между людьми возникает напряжение, если у них разный потенциал...[/size][/color][/i]
Аватара пользователя
gfgeuf
Друг Кота
Сообщения: 3695
Зарегистрирован: Пн авг 29, 2011 10:35:30
Откуда: Україна Дикий Захід - Чортків - Джурин

Re: Мелкие вопросы по теории

Сообщение gfgeuf »

Uklunok писал(а):
А теперь вопрос: получается, что будет просто закорочены земля и питание, а ведь это не хорошо, источник питания может погореть?!:

это не то ,что нехорошо это полный КЗец :shock: (короткое замыкание)
любой выключатель служит для разрыва цепи но не для замыкания источника тока а то иногда этот выключатель при достаточно мощном источнике тока может просто испариться со свето-шумовыми эффектами (попробуйте проделать такое "выключение" с автомобильным аккумулятором).
сосед однажды таким образом установил выключатель на насос "МАЛЫШ" а потом удивлялся почему он (выключатель) выключает свет во всём доме... :)))
пути ТОКА неисповедимы.
Злословец есть самый лютый из диких зверей,
а льстец - самый опасный из ручных животных. (ДИОГЕН)
Аватара пользователя
Uklunok
Вымогатель припоя
Сообщения: 561
Зарегистрирован: Сб апр 03, 2010 10:12:41
Откуда: Хабаровск

Re: Мелкие вопросы по теории

Сообщение Uklunok »

Всё, понял как надо: 1 контакт в воздухе, на втором +5В, на третий линия питания для схемы :)) .
Аватара пользователя
ublhjnt
Друг Кота
Сообщения: 4446
Зарегистрирован: Вт мар 02, 2010 17:05:19
Откуда: Белоруссия, Минск

Re: Мелкие вопросы по теории

Сообщение ublhjnt »

Всё, понял как надо: 1 контакт в воздухе, на втором +5В, на третий линия питания для схемы

А начертить схему слабо?
Изображение
Всё можно наладить,если вертеть в руках достаточно долго!
smihan99
Электрический кот
Сообщения: 1031
Зарегистрирован: Вт фев 14, 2012 21:20:42
Откуда: Московское Царство.

Re: Мелкие вопросы по теории

Сообщение smihan99 »

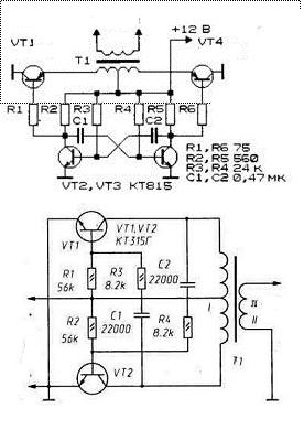
Мне подкинули схему зарядки конденсаторов, как вы думаете, рабочая?
Изображение
Кап, который правее всех - заряжаемый, и он на 45В.
Что скажете?
"Не спорьте с идиотами, не то вы опуститесь до их уровня и они задавят вас своим опытом." (с) Марк Твен
Аватара пользователя
Gudd-Head
Друг Кота
Сообщения: 20092
Зарегистрирован: Чт сен 18, 2008 12:27:21
Откуда: Столица Мира Санкт-Петербург

Re: Мелкие вопросы по теории

Сообщение Gudd-Head »

smihan99 писал(а):Что скажете?

:facepalm:
[ Всё дело не столько в вашей глупости, сколько в моей гениальности ] [ Правильно заданный вопрос содержит в себе половину ответа ]
Аватара пользователя
Котёнок.
Мудрый кот
Сообщения: 1713
Зарегистрирован: Сб июл 30, 2011 08:40:10
Откуда: Россия
Контактная информация:

Re: Мелкие вопросы по теории

Сообщение Котёнок. »

smihan99 писал(а):Мне подкинули схему...
Кинь её обратно и не забудь после этого руки вымыть. :)))
smihan99
Электрический кот
Сообщения: 1031
Зарегистрирован: Вт фев 14, 2012 21:20:42
Откуда: Московское Царство.

Re: Мелкие вопросы по теории

Сообщение smihan99 »

В чем дело? Что не так хоть? :cry:
Мне училка по физике ее дала...
"Не спорьте с идиотами, не то вы опуститесь до их уровня и они задавят вас своим опытом." (с) Марк Твен
Lander
Держит паяльник хвостом
Сообщения: 953
Зарегистрирован: Вт июн 22, 2010 08:11:42

Re: Мелкие вопросы по теории

Сообщение Lander »

Подскажите, как расчитать индуктивность катушки ?
В интернете столько формул, что глаза разбегаються и самое главное все формулы разные :shock:
smihan99
Электрический кот
Сообщения: 1031
Зарегистрирован: Вт фев 14, 2012 21:20:42
Откуда: Московское Царство.

Re: Мелкие вопросы по теории

Сообщение smihan99 »

Ога, а мне еще надо по индуктивности расчитать намоточные данные.
Ну так что с моей схемой то?
"Не спорьте с идиотами, не то вы опуститесь до их уровня и они задавят вас своим опытом." (с) Марк Твен
Аватара пользователя
Котёнок.
Мудрый кот
Сообщения: 1713
Зарегистрирован: Сб июл 30, 2011 08:40:10
Откуда: Россия
Контактная информация:

Re: Мелкие вопросы по теории

Сообщение Котёнок. »

smihan99 писал(а):Мне училка по физике ее дала...
Вот и верни ей эту схему обратно.
Скажи коты забраковали.

Изображение
Вложения
1.JPG
(21.92 КБ) 670 скачиваний
smihan99
Электрический кот
Сообщения: 1031
Зарегистрирован: Вт фев 14, 2012 21:20:42
Откуда: Московское Царство.

Re: Мелкие вопросы по теории

Сообщение smihan99 »

Понял, но она хотя бы рабочая или рванет при использовании? Мне просто это важно очень, она просто плохая или КЗ получится или кап рванет, что?
"Не спорьте с идиотами, не то вы опуститесь до их уровня и они задавят вас своим опытом." (с) Марк Твен
Аватара пользователя
Котёнок.
Мудрый кот
Сообщения: 1713
Зарегистрирован: Сб июл 30, 2011 08:40:10
Откуда: Россия
Контактная информация:

Re: Мелкие вопросы по теории

Сообщение Котёнок. »

Lander писал(а):Подскажите, как расчитать индуктивность катушки ?
Уже говорили.
Эту тему читай и там же пиши.
http://forum.radiokot.ru/viewtopic.php?p=313504#p313504
Аватара пользователя
ublhjnt
Друг Кота
Сообщения: 4446
Зарегистрирован: Вт мар 02, 2010 17:05:19
Откуда: Белоруссия, Минск

Re: Мелкие вопросы по теории

Сообщение ublhjnt »

Понял, но она хотя бы рабочая или рванет при использовании?

Рабочая, только бестолковая. Триод выходной может пробиться обратным напряжением.
Всё можно наладить,если вертеть в руках достаточно долго!
rustot
Поставщик валерьянки для Кота
Сообщения: 1929
Зарегистрирован: Пт окт 23, 2009 15:32:35
Откуда: Челябинск

Re: Мелкие вопросы по теории

Сообщение rustot »

Lander писал(а):Подскажите, как расчитать индуктивность катушки ?
В интернете столько формул, что глаза разбегаються и самое главное все формулы разные :shock:


если хочется из любопытства понять почему они все разные и все примерные - скачайте "Расчет индуктивностей" Калантаров/Цейтлин. слишком много параметров кроме числа витков и их размера влияют на индуктивность, в том числе частота.

огромную индуктивность можно получить если взять просто 1см прямого провода, без всяких витков, но очень-очень-очень тонкого :)

так что берите первую встретившуюся приблизительную формулу, мотайте, измеряйте, перематывайте. шансов с первого раза по расчетам намотать сколько нужно без измерений - никаких, если только вас не устраивает точность +-20%
rustot
Поставщик валерьянки для Кота
Сообщения: 1929
Зарегистрирован: Пт окт 23, 2009 15:32:35
Откуда: Челябинск

Re: Мелкие вопросы по теории

Сообщение rustot »

smihan99 писал(а):Мне подкинули схему зарядки конденсаторов, как вы думаете, рабочая?
Кап, который правее всех - заряжаемый, и он на 45В.
Что скажете?


обратноходовой преобразователь. единственный смысл делать его так - наверное с целью изучить обратноходовой преобразователь :)
Аватара пользователя
Gudd-Head
Друг Кота
Сообщения: 20092
Зарегистрирован: Чт сен 18, 2008 12:27:21
Откуда: Столица Мира Санкт-Петербург

Re: Мелкие вопросы по теории

Сообщение Gudd-Head »

rustot писал(а):единственный смысл делать его так - наверное с целью изучить обратноходовой преобразователь

И мультивибратор :)
[ Всё дело не столько в вашей глупости, сколько в моей гениальности ] [ Правильно заданный вопрос содержит в себе половину ответа ]
Ответить

Вернуться в «Теория»