Например TDA7294

Форум РадиоКот • Просмотр темы - Металлизация отверстий в домашних условиях
Форум РадиоКот
Здесь можно немножко помяукать :)

Текущее время: Сб апр 04, 2026 06:37:15

Часовой пояс: UTC + 3 часа


ПРЯМО СЕЙЧАС:



Начать новую тему Ответить на тему  [ Сообщений: 12952 ]     ... , , , 36, , , ...  
Автор Сообщение
 Заголовок сообщения: Re: Металлизация отверстий в домашних условиях
СообщениеДобавлено: Вт июн 26, 2012 13:25:07 
Вымогатель припоя
Аватар пользователя

Карма: 4
Рейтинг сообщений: 171
Зарегистрирован: Вт сен 23, 2008 19:36:10
Сообщений: 538
Откуда: Магнитогорск
Рейтинг сообщения: 0
tvmaster1975 писал(а):
psychos писал(а):
с углём и пер\водорода
Это же для очистки насыпается, потом фильтруется от угля. Кстати отлично фильтруется поролоном.

Предпочитаю женские капроновые чулки или колготки списанные в утиль из-за какой-нить мелочи :kill:

Поролон уксусом то разъедается =) {работаю на цементном заводе, там постоянно машину всякой хернёй поспает... а если ещё дождик придёт, то всё, могила}

в качестве фильтра нужно нечто капроновое или полиэтиленовое, а лучше всего использовать химические керамические фильтры, в нашей лаборатории такой зажали, мыши.


Вернуться наверх
 
 Заголовок сообщения: Re: Металлизация отверстий в домашних условиях
СообщениеДобавлено: Чт июн 28, 2012 10:10:30 
Друг Кота
Аватар пользователя

Карма: 55
Рейтинг сообщений: 1637
Зарегистрирован: Чт июн 09, 2011 17:17:47
Сообщений: 5725
Рейтинг сообщения: 0
Ребят кто дружит с химией.

Хочу купить Фосфорноватистокислый кальций (гипофосфит кальция).

Нахожу вот такие:
Кальций фосфорнокислый 1-х замещ.
Кальций фосфорнокислый 2-х замещ.
Кальций фосфорнокислый 3-х замещ.

Это одно и тоже, то есть подойдет для наших опытов?

Или нужно искать именно Фосфорноватистокислый кальций?

Дайте плз ссылку, где можно купить этот реактив через интернет. Искал не нашел.

xummag.ru тут нашел, но ни кто там не отвечает.


Вернуться наверх
 
 Заголовок сообщения: Re: Металлизация отверстий в домашних условиях
СообщениеДобавлено: Чт июн 28, 2012 10:50:46 
Вымогатель припоя
Аватар пользователя

Карма: 7
Рейтинг сообщений: -14
Зарегистрирован: Ср июн 06, 2012 10:09:34
Сообщений: 574
Откуда: Киев
Рейтинг сообщения: 0
Ruzik писал(а):
Ребят кто дружит с химией.

Хочу купить Фосфорноватистокислый кальций (гипофосфит кальция).

Нахожу вот такие:
Кальций фосфорнокислый 1-х замещ.
Кальций фосфорнокислый 2-х замещ.
Кальций фосфорнокислый 3-х замещ.

Это одно и тоже, то есть подойдет для наших опытов?


Я в химии, вобщем, чайник, но перечисленное выше это другие реактивы.

Цитата:
Или нужно искать именно Фосфорноватистокислый кальций?


Точно.

Цитата:
Дайте плз ссылку, где можно купить этот реактив через интернет. Искал не нашел.

xummag.ru тут нашел, но ни кто не отвечает.


Сорри, тут ничего не подскажу, другая страна.

_________________
Можно делать что угодно и как угодно. Особенно если не интересует результат.


Вернуться наверх
 
 Заголовок сообщения: Re: Металлизация отверстий в домашних условиях
СообщениеДобавлено: Чт июн 28, 2012 10:57:31 
Друг Кота
Аватар пользователя

Карма: 90
Рейтинг сообщений: 385
Зарегистрирован: Чт июн 24, 2010 22:59:35
Сообщений: 5717
Откуда: С-Петербург
Рейтинг сообщения: 0
Гипофосфит кальция = фосфорноватистокислый кальций = фосфинат кальция = Ca(PH2O2)

_________________
Печатные платы и детали для сборки здесь, здесь и здесь, часики


Вернуться наверх
 
Эиком - электронные компоненты и радиодетали
 Заголовок сообщения: Re: Металлизация отверстий в домашних условиях
СообщениеДобавлено: Чт июн 28, 2012 11:27:17 
Друг Кота
Аватар пользователя

Карма: 55
Рейтинг сообщений: 1637
Зарегистрирован: Чт июн 09, 2011 17:17:47
Сообщений: 5725
Рейтинг сообщения: 0
vlad465
Я понял что это реактив называется по разному, но не могу найти ни по одному из предложенный вами названий.
Это такой дефицит?

P.S. Место обитания указал.


Последний раз редактировалось Ruzik Чт июн 28, 2012 13:13:38, всего редактировалось 1 раз.

Вернуться наверх
 
 Заголовок сообщения: Re: Металлизация отверстий в домашних условиях
СообщениеДобавлено: Чт июн 28, 2012 11:41:06 
Друг Кота
Аватар пользователя

Карма: 18
Рейтинг сообщений: 1121
Зарегистрирован: Пт ноя 27, 2009 18:12:27
Сообщений: 4625
Откуда: Черкассы, UA
Рейтинг сообщения: 0
Ну, для начала в профиле надо бы место жительства указать...

_________________
Изображение

В мире нет вредных веществ, в мире есть вредные количества © Д.И.Менделеев
Когда на форуме переходят на "Вы", в реальной жизни уже давно бьют морду © автор неизвестен.


Вернуться наверх
 
 Заголовок сообщения: Re: Металлизация отверстий в домашних условиях
СообщениеДобавлено: Чт июн 28, 2012 13:16:55 
Друг Кота
Аватар пользователя

Карма: 90
Рейтинг сообщений: 385
Зарегистрирован: Чт июн 24, 2010 22:59:35
Сообщений: 5717
Откуда: С-Петербург
Рейтинг сообщения: 0
Ruzik писал(а):
Это такой дефицит?

Не такой уж и дефицит, но продают в основном мешками. :(
И, насколько мне известно, почтой реактивы не отправляют, только транспортными компаниями.

_________________
Печатные платы и детали для сборки здесь, здесь и здесь, часики


Вернуться наверх
 
 Заголовок сообщения: Re: Металлизация отверстий в домашних условиях
СообщениеДобавлено: Чт июн 28, 2012 19:28:20 
Друг Кота
Аватар пользователя

Карма: 55
Рейтинг сообщений: 1637
Зарегистрирован: Чт июн 09, 2011 17:17:47
Сообщений: 5725
Рейтинг сообщения: 0
Все, нашел :)) . Не поверите, 500 метров от дома :shock:. В понедельник поеду (пойду) забирать, по 0,4 кг продают.
Еще у них есть добавка Chemeta RV для блестящего сернокислого меднения.

Ткните носом на нормальный (правильный, проверенный) раствор для гальванического меднения с этой добавкой.
В наличии имеется электролит плотность 1,3, а везде пишут нужно 1,4 и больше.
В общем буду благодарен за рецепт раствора, может еще что то нужно докупить будет.
Тему прочитал всю, рецепты есть, но все как то не однозначно.

Этот раствор имеет право на жизнь? Не понятно сколько воды нужно. И что значит хлор ионы?. Нужно добавить хлор, белизну, NaCL, еще что то?

Изображение

Изображение
Медное покрытие, полученное из электролита с добавкой Chemeta RV-T, отличается высоким блеском (до 95 % по серебряному зеркалу), высокой выравнивающей способностью (не менее 80%) при толщине покрытия 20 μм.

Ну и естественно результат моих царапаний в этой теме. :)
Строго не пинайте, в химии почти ноль, в гальванике тоже (да наверно как многие из заходящих сюда), но этот рубеж хочу покорить. :)

Спасибо.


Вложения:
Комментарий к файлу: Технологические параметры
кадр_22.jpg [48.83 KiB]
Скачиваний: 4085
Комментарий к файлу: Состав электролита
кадр_21.jpg [48.94 KiB]
Скачиваний: 15867
Вернуться наверх
 
 Заголовок сообщения: Re: Металлизация отверстий в домашних условиях
СообщениеДобавлено: Пт июн 29, 2012 08:25:49 
Потрогал лапой паяльник

Зарегистрирован: Чт мар 11, 2010 16:16:19
Сообщений: 386
Откуда: Смоленская обл. Десногорск
Рейтинг сообщения: 0
этим раствором с этой добавкой и гальванирую.
п.с. пригодился накопленный опыт меднения - восстановил другу гальваникой токосъемные кольца на автомобильном генераторе за двое суток :beer:


Вернуться наверх
 
 Заголовок сообщения: Re: Металлизация отверстий в домашних условиях
СообщениеДобавлено: Пт июн 29, 2012 08:58:29 
Друг Кота
Аватар пользователя

Карма: 95
Рейтинг сообщений: 2207
Зарегистрирован: Ср янв 06, 2010 23:31:56
Сообщений: 3254
Откуда: Боровичи, Новг. обл.
Рейтинг сообщения: 0
Медали: 1
Лучший человек Форума 2017 (1)
Ruzik
Везет вам, все рядом с домом :))
Вчера привез из Москвы J-Kem J-Plate Cu-400, на следующей неделе буду пробовать. Посмотрим, есть ли смысл в добавках именно для печатных плат, или и обычной RV достаточно.

_________________
Прототипы печатных плат на заказ https://radiokot.ru/forum/viewtopic.php?f=54&t=122701


Вернуться наверх
 
 Заголовок сообщения: Re: Металлизация отверстий в домашних условиях
СообщениеДобавлено: Пт июн 29, 2012 22:06:11 
Это не хвост, это антенна

Карма: 7
Рейтинг сообщений: 105
Зарегистрирован: Пн ноя 23, 2009 00:50:23
Сообщений: 1413
Откуда: Crimea, Simferopol
Рейтинг сообщения: 0
sa-ta писал(а):
нашел сегодня блок импульсник 5В х 5А. подключил, пустил в электроды 1а - получил тот же осадок на заготовке.
..
у меня мыслей уже не осталось, почему так может происходить.


нашел немного интересную ссылку - http://www.galvantech.ru/index.php?opti ... &showall=1

там есть табличка с дефектами гальваники ...
под мое описание подходит это:

Рыхлый и губчатый слой меди и большое выделение водорода на катоде - Большой избыток серной кислоты при низкой концентрации медного купороса.

ну в общем это уже не важно, типа для статистики.

все никак не могу забрать с доставки химию, с этими национальными праздниками...

----------
update

все забрал. химия на руках.
встал вопрос об угле активированном.

есть БУ катриджи Барьер-4. но в них есть ионы серебра. на рынке есть уголь в фасовке по 1 кг. но тетка уверяет, что он тоже с ионами серебра...
есть вариант с таблетками из аптеки - но это как то не спортивно (90коп за 2.5 грамма). или его нужно чуть чуть?

как решить делему?
и еще, углем нужно обрабатывать и электроды и ванну или только сам раствор электролита?


Вернуться наверх
 
 Заголовок сообщения: Re: Металлизация отверстий в домашних условиях
СообщениеДобавлено: Сб июн 30, 2012 16:28:55 
Вымогатель припоя

Карма: 7
Рейтинг сообщений: 22
Зарегистрирован: Чт ноя 27, 2008 16:10:36
Сообщений: 504
Откуда: Пермь
Рейтинг сообщения: 0
Я таблетки сыпал. На 5 литров 2 упаковки. Потом это всё надо взболтать и дать отстояться 2-3 часа. Потом отфильтровать. Я воронку поролоном заткнул и так фильтровал.
Фильтровать только электролит. Ванна должна быть чистая.
Приехала добавка RV-T, добавил 15мл. После гальваники видно мою наглую рожу :D
Короче с хорошим электролитом никакой реверс не нужен...


Последний раз редактировалось tvmaster1975 Сб июн 30, 2012 16:30:19, всего редактировалось 1 раз.

Вернуться наверх
 
 Заголовок сообщения: Re: Металлизация отверстий в домашних условиях
СообщениеДобавлено: Сб июн 30, 2012 16:30:11 
Друг Кота
Аватар пользователя

Карма: 55
Рейтинг сообщений: 1637
Зарегистрирован: Чт июн 09, 2011 17:17:47
Сообщений: 5725
Рейтинг сообщения: 0
Решил попробовать, развел электролит (медный купорос, электролит и вода). Взял фольгированный текстолит, - на заготовку, + на медную пластину. Ток 0,5 ампера.
Получается вот такая бяка (до металлизации отверстий мне еще по ходу далеко :( ). Ни какая медь не оседает, а какой то рыхлый слой чего то цветом как медь и смывается водой.
Первый раз пробую поэтому спрашиваю, что не так? То есть хотел сначала с гальваникой разобраться, а уже потом гипосфитами заниматься. Я думаю у каждого первый раз так было?
Изображение


Вложения:
IMG_6341.JPG [68.45 KiB]
Скачиваний: 7389
Вернуться наверх
 
 Заголовок сообщения: Re: Металлизация отверстий в домашних условиях
СообщениеДобавлено: Сб июн 30, 2012 16:34:33 
Вымогатель припоя

Карма: 7
Рейтинг сообщений: 22
Зарегистрирован: Чт ноя 27, 2008 16:10:36
Сообщений: 504
Откуда: Пермь
Рейтинг сообщения: 0
Если всё делать по рецепту, с химически чистыми реактивами и на дист. воде, то такого быть не должно. У меня во всяком случае не было даже на воде из под крана.


Вернуться наверх
 
 Заголовок сообщения: Re: Металлизация отверстий в домашних условиях
СообщениеДобавлено: Сб июн 30, 2012 16:36:36 
Друг Кота
Аватар пользователя

Карма: 55
Рейтинг сообщений: 1637
Зарегистрирован: Чт июн 09, 2011 17:17:47
Сообщений: 5725
Рейтинг сообщения: 0
tvmaster1975
Напишите свой рецепт пожалуйста, сколько воды, какая плотность кислоты и так далее. То есть не как по книжке, а как сделано именно у вас.


Последний раз редактировалось Ruzik Сб июн 30, 2012 16:37:56, всего редактировалось 1 раз.

Вернуться наверх
 
 Заголовок сообщения: Re: Металлизация отверстий в домашних условиях
СообщениеДобавлено: Сб июн 30, 2012 16:37:40 
Это не хвост, это антенна

Карма: 7
Рейтинг сообщений: 105
Зарегистрирован: Пн ноя 23, 2009 00:50:23
Сообщений: 1413
Откуда: Crimea, Simferopol
Рейтинг сообщения: 0
Ruzik писал(а):
То есть хотел сначала с гальваникой разобраться, а уже потом гипосфитами заниматься. Я думаю у каждого первый раз так было?
Изображение


ну это прям как было у меня !!!

я доподлино не уверен, но похоже, что много кислоты. нужно досыпать купороса.
ну и посмотреть, какой рецепт был электролита - если все на глаз...


Вернуться наверх
 
 Заголовок сообщения: Re: Металлизация отверстий в домашних условиях
СообщениеДобавлено: Сб июн 30, 2012 16:40:28 
Друг Кота
Аватар пользователя

Карма: 55
Рейтинг сообщений: 1637
Зарегистрирован: Чт июн 09, 2011 17:17:47
Сообщений: 5725
Рейтинг сообщения: 0
Еще хотел спросить, все выкладывают фотки с готовым результатом, а сам грязный процесс как бы опускается. Вопрос.. когда вытаскиваем плату из электролита она выглядит такой же чистой как на фото, или на ней все таки есть налет. Спрашиваю для того, что бы знать к чему стремиться. :)

sa-ta
А как дозировать правильно, если в рецепте написано плотность кислоты 1,84, а у меня в наличии 1,28.. на глаз?


Вернуться наверх
 
 Заголовок сообщения: Re: Металлизация отверстий в домашних условиях
СообщениеДобавлено: Сб июн 30, 2012 16:53:24 
Вымогатель припоя

Карма: 7
Рейтинг сообщений: 22
Зарегистрирован: Чт ноя 27, 2008 16:10:36
Сообщений: 504
Откуда: Пермь
Рейтинг сообщения: 0
Ruzik писал(а):
tvmaster1975Напишите свой рецепт пожалуйста.
Честно говоря не помню уже, делал зимой ещё. Сегодня только блескообразующей добавки налил и всё.
Как-то так:
CuSO4- 230г
H2SO4- 70-80мл. (электролит 1,3)
Всё на литр. Моя ванна 5 литров.
Ruzik писал(а):
когда вытаскиваем плату из электролита она выглядит такой же чистой как на фото
Да, плата чистая.


Вернуться наверх
 
 Заголовок сообщения: Re: Металлизация отверстий в домашних условиях
СообщениеДобавлено: Сб июн 30, 2012 17:11:22 
Вымогатель припоя

Карма: 7
Рейтинг сообщений: 22
Зарегистрирован: Чт ноя 27, 2008 16:10:36
Сообщений: 504
Откуда: Пермь
Рейтинг сообщения: 0
Вот моя ванна.
Изображение


Вложения:
PICT2025.JPG [206.16 KiB]
Скачиваний: 756


Последний раз редактировалось tvmaster1975 Сб июн 30, 2012 17:15:23, всего редактировалось 1 раз.
Вернуться наверх
 
 Заголовок сообщения: Re: Металлизация отверстий в домашних условиях
СообщениеДобавлено: Сб июн 30, 2012 17:13:28 
Друг Кота
Аватар пользователя

Карма: 55
Рейтинг сообщений: 1637
Зарегистрирован: Чт июн 09, 2011 17:17:47
Сообщений: 5725
Рейтинг сообщения: 0
tvmaster1975
Рецепт буду пробовать. И еще бы увидеть плату с RV-T

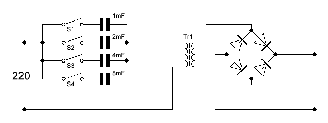
Блок питания хочу сделать такой. Вторичка 20..35 вольт (тут не важно). Ток будет регулироваться коммутацией конденсаторов по первичке. Конденсаторы МБГП на 400...600 вольт. Шаг регулировки от 1 до 15 мкф с шагом 1 мкф.
1 мкф соответствует току на вторичке 0,5 ампера, значит ток будет регулироваться от 0,5 до 7,5 ампера с шагом 0,5 ампер.

Сила тока будет зависеть от вашего трансформатора (это возможно, проверить больше не на чем, у меня автомобильный зарядный при 1 мкф выдает 1 ампер), достаточно подключить 1 мкф, замкнуть вторичку и посмотреть какой ток будет на ней. И дальше выбрать шаг регулировки тока.

Например у меня 1 мкф = 0,5 А

Коммутацией выключателей получаем:
замыкаем S1 = 1 мкф = 0,5 А
замыкаем S2 = 2 мкф = 1 А
замыкаем S1 и S2 = 3 мкф = 1,5 А
замыкаем S3 = 4 мкф = 2 А
замыкаем S1 и S3 = 5 мкф = 2,5 А
замыкаем S2 и S3 = 6 мкф = 3 А
замыкаем S1, S2 и S3 = 7 мкф = 3,5 А
замыкаем S4 = 8 мкф = 4 А
замыкаем S1 и S4 = 9 мкф = 4,5 А
замыкаем S2 и S4 = 10 мкф = 5 А
замыкаем...
И так далее, я думаю смысл понятен. В итоге получаем отличный стабилизатор тока, даже если замкнуть выводы вторички, ток не изменится, то есть если был 0,5 ампера, то при замыкании таким и останется. Кто что скажет?

Забыл дорисовать, параллельно каждому конденсатору нужно подсоединить резисторы 0,5 Вт по 1 мОм для их разрядки.
И еще.. без нагрузки в сеть не включать, иначе первичка трансформатора будет резонировать и может перегореть.

Изображение


Вложения:
БП.GIF [3.59 KiB]
Скачиваний: 3945


Последний раз редактировалось Ruzik Вс июл 01, 2012 09:42:06, всего редактировалось 7 раз(а).
Вернуться наверх
 
Показать сообщения за:  Сортировать по:  Вернуться наверх
Начать новую тему Ответить на тему  [ Сообщений: 12952 ]     ... , , , 36, , , ...  

Часовой пояс: UTC + 3 часа


Вы не можете начинать темы
Вы не можете отвечать на сообщения
Вы не можете редактировать свои сообщения
Вы не можете удалять свои сообщения
Вы не можете добавлять вложения

Найти:
Перейти:  


Powered by phpBB © 2000, 2002, 2005, 2007 phpBB Group
Русская поддержка phpBB
Extended by Karma MOD © 2007—2012 m157y
Extended by Topic Tags MOD © 2012 m157y