Например TDA7294

Форум РадиоКот • Просмотр темы - Почти детекторный приемник.
Форум РадиоКот
Здесь можно немножко помяукать :)

Текущее время: Пт окт 03, 2025 04:47:17

Часовой пояс: UTC + 3 часа


ПРЯМО СЕЙЧАС:



Начать новую тему Ответить на тему  [ Сообщений: 383 ]    , , , 4, , , ...  
Автор Сообщение
Не в сети
 Заголовок сообщения: Re: Почти детекторный приемник.
СообщениеДобавлено: Вт июн 26, 2012 16:43:20 
Открыл глаза
Аватар пользователя

Зарегистрирован: Вт июн 26, 2012 11:24:05
Сообщений: 58
Откуда: Украина
Рейтинг сообщения: 0
да да! а станция далеко не за окошком !

_________________
«без КТ – ни туды и ни сюды». ))))


Вернуться наверх
 
Не в сети
 Заголовок сообщения: Re: Почти детекторный приемник.
СообщениеДобавлено: Вт июн 26, 2012 16:44:57 
Вечно гонимый

Карма: -18
Рейтинг сообщений: -182
Зарегистрирован: Пт дек 30, 2011 17:55:52
Сообщений: 6083
Откуда: Севастополь - Орел
Рейтинг сообщения: 0
далеко - понятие растяжимое... для муравьёв и метр далеко :o

_________________
"Да, человек смертен, но это было бы еще полбеды.
Плохо то, что он иногда внезапно смертен, вот в чем фокус!" (Воланд)


Изображение


Вернуться наверх
 
Не в сети
 Заголовок сообщения: Re: Почти детекторный приемник.
СообщениеДобавлено: Вт июн 26, 2012 16:58:51 
Друг Кота
Аватар пользователя

Карма: 72
Рейтинг сообщений: 1153
Зарегистрирован: Чт ноя 20, 2008 04:20:48
Сообщений: 8063
Откуда: КурскЪ
Рейтинг сообщения: 0
Електро Кот писал(а):
да да! а станция далеко не за окошком !

СВ вещательная станция находится близко от дома?? :shock:
Изображение
Изображение
Режим его работы устанавливается изменением сопротивления резистора R1 до получения максимума громкости принимаемой радиостанции.
Наиболее простая конструкция представляет каркасы из пластмассы или картона диаметром 20 мм и длиной 40 мм, на которых проводом ПЭЛ 0,15...0,25 намотано 80 витков для СВ (L1) и 310 витков для ДВ (L2).
Наушники высокоомные, с сопротивлением катушек 1200 Ом или 2200 Ом.
Изображение
Горизонтальная часть антенны обычно делается из специального бронзового канатика, если его нет, то можно использовать любой провод диаметром 1,5...4 мм. Материал провода особого значения не имеет.

_________________
Принимаю вас 595+40db на уровне шумов на кухонный приёмник,антенна наружка-магнитная катушка..работает "Акация",вот такая информация.Роман.73!!!
"50 КСВ 075", UA3112SWL
Изображение


Вернуться наверх
 
Не в сети
 Заголовок сообщения: Re: Почти детекторный приемник.
СообщениеДобавлено: Вт июн 26, 2012 17:25:12 
Держит паяльник хвостом
Аватар пользователя

Карма: -1
Рейтинг сообщений: 120
Зарегистрирован: Пт май 20, 2011 10:14:14
Сообщений: 945
Откуда: Киев
Рейтинг сообщения: 0
Я уже раз советовал, повторюсь.
Купи, возьми взаймы у знакомого, тестер - мультиметр. самый дешевый китайский где-то 3 уе, полкило самой поганой колбасы.
Не зная, какие там режимы - трудно понять, в чем причина - транзистор дохлый, монтаж неправильный, номинал резистора не тот, кто ж его знает. Конденсаторы правильные стоят? на фото номиналов не видно.


Вернуться наверх
 
Не в сети
 Заголовок сообщения: Re: Почти детекторный приемник.
СообщениеДобавлено: Чт июн 28, 2012 18:24:00 
Открыл глаза
Аватар пользователя

Зарегистрирован: Вт июн 26, 2012 11:24:05
Сообщений: 58
Откуда: Украина
Рейтинг сообщения: 0
Можно заменить диод д311 на д20 или д 9в?


Вложения:
1.JPG [19.83 KiB]
Скачиваний: 1235

_________________
«без КТ – ни туды и ни сюды». ))))
Вернуться наверх
 
Не в сети
 Заголовок сообщения: Re: Почти детекторный приемник.
СообщениеДобавлено: Чт июн 28, 2012 18:26:33 
Модератор
Аватар пользователя

Карма: 158
Рейтинг сообщений: 1600
Зарегистрирован: Пт апр 28, 2006 15:26:07
Сообщений: 11940
Откуда: Россия.
Рейтинг сообщения: 0
Медали: 2
Мявтор 3-й степени (1) Лучший человек Форума 2017 (1)
Здесь можно, но я писал, что именно эта схема с антенной длиной 4 метра у меня работала плохо.
Вот на первой странице писал.
aen писал(а):
Приемник по этой схеме с моей антенной в 4 метра работал плохо. Станции принимались очень тихо. Хотя на входе и стоял эмиттерный повторитель, но все равно контур сильно нагружался и тогда я его выбросил и поставил истоковый повторитель на полевом транзисторе сразу после колебательного контура перед детектором и приемник стал нормально принимать даже зарубежные станции. Антенну пришлось подключить через конденсатор. Почему то прием с ним чище.
Я же выложил все схемы с которыми экспериментировал.
Неужели у Вас нет никакого полевого транзистора. Там очень многие подойдут.


Вернуться наверх
 
Не в сети
 Заголовок сообщения: Re: Почти детекторный приемник.
СообщениеДобавлено: Чт июн 28, 2012 21:17:23 
Открыл глаза
Аватар пользователя

Зарегистрирован: Вт июн 26, 2012 11:24:05
Сообщений: 58
Откуда: Украина
Рейтинг сообщения: 0
Есть, у меня деталей не так много особенно резисторов и конденсаторов ! И ещё можно ли заменить конденсатор в усилители НЧ 2 мкф на 5? просто другого нет :oops: :dont_know:

_________________
«без КТ – ни туды и ни сюды». ))))


Вернуться наверх
 
Не в сети
 Заголовок сообщения: Re: Почти детекторный приемник.
СообщениеДобавлено: Чт июн 28, 2012 21:31:22 
Модератор
Аватар пользователя

Карма: 158
Рейтинг сообщений: 1600
Зарегистрирован: Пт апр 28, 2006 15:26:07
Сообщений: 11940
Откуда: Россия.
Рейтинг сообщения: 0
Медали: 2
Мявтор 3-й степени (1) Лучший человек Форума 2017 (1)
В данной схеме все конденсаторы в большую сторону можно увеличивать.
Резисторы тоже можно увеличивать, но не более чем на 30%
R7 подбирать как написано в статье.
А полевой транзистор постарайтесь найти. Это главное в этой схеме после катушки.


Вернуться наверх
 
Не в сети
 Заголовок сообщения: Re: Почти детекторный приемник.
СообщениеДобавлено: Чт июн 28, 2012 21:58:51 
Открыл глаза
Аватар пользователя

Зарегистрирован: Вт июн 26, 2012 11:24:05
Сообщений: 58
Откуда: Украина
Рейтинг сообщения: 0
Спасибо!
:)

_________________
«без КТ – ни туды и ни сюды». ))))


Вернуться наверх
 
Не в сети
 Заголовок сообщения: Re: Почти детекторный приемник.
СообщениеДобавлено: Пт июн 29, 2012 18:40:57 
Открыл глаза
Аватар пользователя

Зарегистрирован: Вт июн 26, 2012 11:24:05
Сообщений: 58
Откуда: Украина
Рейтинг сообщения: 0
aen, скинь пожалуйста фото своего приёмника )

_________________
«без КТ – ни туды и ни сюды». ))))


Вернуться наверх
 
Не в сети
 Заголовок сообщения: Re: Почти детекторный приемник.
СообщениеДобавлено: Пт июн 29, 2012 23:31:07 
Модератор
Аватар пользователя

Карма: 158
Рейтинг сообщений: 1600
Зарегистрирован: Пт апр 28, 2006 15:26:07
Сообщений: 11940
Откуда: Россия.
Рейтинг сообщения: 0
Медали: 2
Мявтор 3-й степени (1) Лучший человек Форума 2017 (1)
В личку написал.
Опоздали немного. Того приемника давно уже нет. Мне же он не нужен был. Я просто взял макетку и начал экспериментировать. Когда все отладил, послушал его и распаял.
Просто детали потребовались для других экспериментов.
На макетке я паяю очень просто. Беру кусок полистирола и нагревая выводы деталей паяльником вплавляю их по месту в полистирол. Детали на плате держаться очень жестко.
Если нужно заменить какую то деталь, то при отпаивании она нагревается и нормально извлекается, а на её место припаиваю другую.
Печатки мне как то ни к чему. Тем более, что при отладке приходится много раз перепаивать и много раз менять схему.
Я не призываю делать тоже так же, но принцип примерно такой.

Изображение

Вот например экспериментировал с приемником сверхрегенератором для простенькой радиостанции на 27 мгц и монтажка тоже по такому же принципу. Там видны транзисторы КТ315.

Изображение

Если Вы паяете на печатках, то здесь она простая. Рисуйте прямо по схеме и выкладывайте сюда. Если что не так, то мы Вас поправим. Только выкладывайте лучше в формате JPG или PNG или GIF
А мне как уже сказал печатки ни к чему. Моя цель только проверить работоспособность.


Вернуться наверх
 
Не в сети
 Заголовок сообщения: Re: Почти детекторный приемник.
СообщениеДобавлено: Сб июн 30, 2012 22:39:36 
Открыл глаза

Зарегистрирован: Сб май 12, 2012 01:24:31
Сообщений: 46
Рейтинг сообщения: 0
Товарищи ходил я к одному человеку он 50 лет электроникой занимается он немного изменил схему и припаял катушку на феритовом стержне и сказал мне что спаяет исправленный вариант схемы на платке с размером ногтя большого пальца. Если кому не будь потребуется я немного позже попытаюсь но не обещаю вылажыть исправленную схему приёмника на форум


Вернуться наверх
 
Не в сети
 Заголовок сообщения:
СообщениеДобавлено: Сб июл 07, 2012 21:58:49 
Модератор
Аватар пользователя

Карма: 158
Рейтинг сообщений: 1600
Зарегистрирован: Пт апр 28, 2006 15:26:07
Сообщений: 11940
Откуда: Россия.
Рейтинг сообщения: 0
Медали: 2
Мявтор 3-й степени (1) Лучший человек Форума 2017 (1)
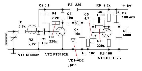
И наконец последний из серии простых приемников.
Делался из условия
1. Что без применения литцендрата и ферритового стержня
2. Но что бы параметры приемника не уступали приемнику с ферритовой антенной намотанной литцендратом и он обладал приемлемой избирательностью.
3. При этом приемник должен работать без наружной антенны.

Катушек опять перепробовал несколько, но остановился на катушке диаметром 11 см намотанной монтажным проводом. Изоляция не знаю какая. Похожа на фторопластовую. Главное, что изоляция толстая и имеет малые потери на ВЧ, т.к. вытащил из кабеля по которому передавались импульсные сигналы с частотой порядка 1 МГц.
Из за того, что изоляция толстая, намотка получилась как бы с шагом, что тоже способствует повышению добротности катушки.
В качестве каркаса взял пластмассовую банку не знаю от чего.
Размер катушки тоже играет большую роль. Для повышения добротности её диаметр дрлжен быть большой, а длина намотки составляла 0,8 – 1 от диаметра катушки.

Изображение

При сравнении добротности оказалось, что она даже немного превосходит катушку намотанную литцендратом на ферритовом стержне.
Схему взял примитивную. Первый каскад истоковый повторитель, как и в предыдущих схемах. Правда на сей раз приемник возбуждался и в цепь затвора пришлось поставить резистор.
Дальше УВЧ на транзисторе КТ3102Б. Вместо транзисторов КТ3102 можно поставить КТ315Б или КТ315Г.
Дальше детектор и УНЧ.

Изображение

УНЧ лучше взять какой ни будь интегральный. У меня под рукой не было и я поставил на германиевых транзисторах. Динамик 8 ом.
Вся его настройка заключается в подборе R11. В точке «А» нужно выставить половину питания.
R8 подбирать так, что бы на полной громкости мощной станции не было искажений от перегрузки УНЧ.

Изображение

Приемник без наружной антенны принимает примерно так же, как и выше рассмотренные с антенной длиной 4 метра.При работе приемник возбуждался в некоторых частях диапазона. Самовозбужение удалось сбить конденсатором С8
Почему этот конденсатор так повлиял на устойчивость, я и сам до конца не понял.

Проверял как обычно на макетке. КПЕ от какого то польского приемника. Можно поставить любой.

Изображение

На этом эксперименты с простейшими приемниками закончил.
По моему мнению причина неудач многих собиравших простейшие приемники в том, что ставили катушки малых размеров и само собой из за этого с малой добротностью.
Конечно если есть литцендрат и ферритовый стержень, то не стоит «заморачиваться» с такими большими катушками, хотя если литцендрата и ферритового стержня нет, то деваться некуда. Приемник с маленькими катушками хотя и работает, но избирательности у него на средних волнах получается совершенно недостаточная, да и чувствительность тоже.

Схемы более совершенных приемников средних волн можно посмотреть в этой теме.
http://www.radiokot.ru/forum/viewtopic. ... 0%B8%D0%BD


Вложения:
1.jpg [16.47 KiB]
Скачиваний: 1065
1.JPG [14.33 KiB]
Скачиваний: 10024
222.JPG [16.55 KiB]
Скачиваний: 62073
111.JPG [28.57 KiB]
Скачиваний: 16725
3.JPG [14.48 KiB]
Скачиваний: 11856
Вернуться наверх
 
Не в сети
 Заголовок сообщения: Re: Почти детекторный приемник.
СообщениеДобавлено: Вс июл 15, 2012 03:52:38 
Грызет канифоль

Карма: 2
Рейтинг сообщений: 3
Зарегистрирован: Чт мар 15, 2012 21:05:25
Сообщений: 271
Рейтинг сообщения: 0
Собираюсь покупать детали для реализации того варианта, в котором эмиттерный повторитель стоит после детектора.

Проблема только с диодом Д311 - в наличии на складах я его на нашёл, а под заказ есть минимальная сумма.
Каким диодом можно его заменить? Подойдёт ли, например, такой: http://www.voltmaster.ru/cgi-bin/qwery.pl?id=55188&group=401?

_________________
When in deadly danger, when beset by doubt, run in little circles, wave your arms and shout.


Вернуться наверх
 
Не в сети
 Заголовок сообщения: Re: Почти детекторный приемник.
СообщениеДобавлено: Вс июл 15, 2012 08:55:57 
Грызет канифоль
Аватар пользователя

Карма: 1
Рейтинг сообщений: 29
Зарегистрирован: Чт июл 12, 2012 20:09:16
Сообщений: 251
Рейтинг сообщения: 0
Нет, конечно. Ето же кремниевый выпрямительный, для блоков питания. У него чувствительность тупая - 0.5В. Нужен - ГЕРМАНИЕВЫЙ, у него - 0.2В. Вместо Д311 пойдут любые другие германиевые - Д310, Д20, Д18, Д9, Д2, Д1, ДГ-Ц, и т.п. Из зарубежных - АА143, АА119, АА... и т.д. Не хуже работают диоды Шоттки, чутье у них, как у германиевых - ВАТ85, ВАТ54 и пр. Если совсем "вилы" с Gе-диодами - делаете суперчувствительный Поляковский детектор на транзисторе и диодe КД522 (лучше зарубежные 1N4148). У него чувствительность раз в 10 выше, чем у самого отборного Gе-диода. Аеn выше описывал такой вариант схемы.

aen писал(а):
Потом решил поставить другой детектор описанный В.Т. Поляковым как детектор малых сигналов.

Изображение

Здесь он на транзисторе VТ2. С этим детектором приемник стал перегружаться и стал принимать даже без антенны, но лучше работал с антенной длиной 50 см, но все равно в данный приемник нужно вводить АРУ, т.к. при приеме сильных станций идет перегрузка, но АРУ усложнит схему и на «почти детекторный приемник» это уже будет непохоже, хотя при случае нужно будет попробовать этим заняться. Чувствительность конечно у детектора очень хорошая.



Такой вариант детектора, возможно, придется подключать даже напрямую к контуру, т.к. у него оч большая чувствительность и он перегружается. Т.е. часть с полевым транзистором попросту отбросить. Но тогда будет немного хуже селективность приёмника, т.к. сопротивление у каскада на биполярном транзисторе значительно ниже, чем у каскада на полевом, и контур будет сильнее нагружаться. Хотя и это лечится введением катушки связи, но тогда снимаемый сигнал с контура меньше. Короче, - ищите диоды )))))) Шучу. Поляковский детектор - нормальный вариант, если без Ге-диодов. Поубавить сигнал всегда можно. А если ввести АРУ - вобще песня.

Моими приёмниками, вслед за детекторным, были рефлексный приёмник Полякова 3-V-3 на трёх транзисторах (без германиевых диодов) с питанием 1.5В, приёмник Архипова с питанием 1.2В и приёмник на микросхеме К140УД1А. Все работали с первого включения. Потом я строил Поляковский ППП на трёх транзисторах, слушал любителей, опять вернулся к приёмникам "почти детекторным", т.к. мне попалась схема РП на МС К157УД2 с питанием 2.4В, но там тоже нужны были Ге-диоды (в первых трёх схемах - нет). Если найду - выложу. Ещё меня удивляет, почему никто до сих пор не выложил пару схем простых регенов на транзисторах. Они проще даже РП прямого усиления и значительно эффективнее. Т.е. самые, что называется, "почти детекторные".


Вложения:
Комментарий к файлу: Архипов
2-V-2 Arxipov.png [14.81 KiB]
Скачиваний: 1316
Комментарий к файлу: Реген с УНЧ на LM386
aus_reg.gif [13.53 KiB]
Скачиваний: 1361
Комментарий к файлу: Пример включения АРУ
p0169-sel531889.png [66.47 KiB]
Скачиваний: 1380
Комментарий к файлу: Простой реген на полевичке. Всего пару деталюшек - и весь мир в кармане.
kp303 simple regen.gif [6.45 KiB]
Скачиваний: 1414
Комментарий к файлу: Поляков
post-115756-1270560475,93_thumb.png [59.22 KiB]
Скачиваний: 1377

_________________
Если государство обворовывает свой народ, взрывает дома, а несогласных - ликвидирует и сажает, значит оно - диктатор
Если государство незаконно поставляет наемников и оружие в другие страны, значит оно - международный террорист


Последний раз редактировалось El_Gato Пн июл 16, 2012 01:58:33, всего редактировалось 5 раз(а).
Вернуться наверх
 
Не в сети
 Заголовок сообщения: Re: Почти детекторный приемник.
СообщениеДобавлено: Вс июл 15, 2012 12:04:26 
Грызет канифоль

Карма: 2
Рейтинг сообщений: 3
Зарегистрирован: Чт мар 15, 2012 21:05:25
Сообщений: 271
Рейтинг сообщения: 0
Спасибо. Откопал ВАТ85 и Д310, так что буду использовать их. Поляковский детектор пока не буду использовать, т.к. на данном этапе стремлюсь к простоте схемы ибо новичок в сборке приёмников.

_________________
When in deadly danger, when beset by doubt, run in little circles, wave your arms and shout.


Вернуться наверх
 
Не в сети
 Заголовок сообщения: Re: Почти детекторный приемник.
СообщениеДобавлено: Вс июл 15, 2012 12:09:41 
Грызет канифоль
Аватар пользователя

Карма: 1
Рейтинг сообщений: 29
Зарегистрирован: Чт июл 12, 2012 20:09:16
Сообщений: 251
Рейтинг сообщения: 0
Так и нужно, проще - лучше.

_________________
Если государство обворовывает свой народ, взрывает дома, а несогласных - ликвидирует и сажает, значит оно - диктатор
Если государство незаконно поставляет наемников и оружие в другие страны, значит оно - международный террорист


Вернуться наверх
 
Не в сети
 Заголовок сообщения: Re: Почти детекторный приемник.
СообщениеДобавлено: Вс июл 15, 2012 12:36:17 
Модератор
Аватар пользователя

Карма: 158
Рейтинг сообщений: 1600
Зарегистрирован: Пт апр 28, 2006 15:26:07
Сообщений: 11940
Откуда: Россия.
Рейтинг сообщения: 0
Медали: 2
Мявтор 3-й степени (1) Лучший человек Форума 2017 (1)
Erling писал(а):
СПроблема только с диодом Д311 - в наличии на складах я его на нашёл

Все, что тут Вам написали я конечно полностью согласен. Правда не вижу смысла в настоящее время делать рефлексные приемники. Время дефицита давно прошло, да и габариты радиодеталей сейчас намного меньше. Поэтому непонятно что экономить делая рефлексные схемы которые вообще то более капризные в настройке.
Хотя бело Ваше. Можете попробовать.
Насчет диодов вот здесь еще почитайте. Там я экспериментировал с кремниевыми диодами в подобных схемах. Там на кремниевые диоды подается предварительное смещение и такой детектор можно попробовать поставить и в этот приемник.
viewtopic.php?p=1038615#p1038615
Делалось как раз из за того, что многие сейчас не могут найти германиевые диоды.
Только тот приемник задумывался не как почти детекторный. Там предварительные требования написаны и самый главный вывод, что лучше делать питание все таки 3 вольта, а не 1,5.
Хотя тот приемник и работал.
aen писал(а):
Я для интереса спаял.
Сначала задался требованием к приемнику.
1. Что бы был на кремниевых транзисторах и диоды должны быть кремниевыми.
2. Что бы был простой.
Поэтому никаких рефлексных каскадов, которые трудно настроить, т.к. требования к ним противоречивы при усилении ВЧ и НЧ. Пусть лучше транзисторов будет больше.
3. Что бы был чувствительный при питании 1,5 вольта.
Сделал по схеме 3-V-2. УВЧ на трех транзисторах КТ315Б по схеме с общим эмиттером. Дальше детектор с удвоением на диодах КД522 с начальным смещением.
Дальше УНЧ на КТ315 и КТ361. Нагружен на телефон.
Делал на пластине полистирола.
Пайка конечно не очень, но глаза уже стали не те и иногда просто вслепую паяльником тыкал. :cry:

Это вот как раз УВЧ. Видны три транзистора КТ315

Изображение

Изображение

Когда сделал, то пожалел, что не сделал регулятор громкости, т.к. некоторые станции перегружают УНЧ и приходится регулировать громкость поворотом приемника, что бы ослабить сигнал.
Вся настройка свелась к подбору резистора включенного последовательно с катушкой связи, что бы устранить самовозбуждение, хотя можно было просто уменьшить количество витков этой катушки, но перематывать не захотелось.
И второе.
Все таки лучше бы сделать питание 3 вольта. Тогда в УВЧ думаю будет достаточно два каскада, а усилитель сделать на германиевых транзисторах в выходном каскаде и нагрузить на динамик 8 ом, хотя я же и хотел проверить как при 1,5 вольтах будет работать.
На СВ вечером принимает порядка 5-ти станций.
Переделывать не стал, т.к. уже к этому охладел. Просто хотел узнать можно ли сейчас на приемник прямого усиления что то принять. Оказалось можно. Будет еще лучше, если антенну намотать литцендратом, т.к. избирательность с моей антенной все таки мала и иногда прослушиваются сразу две станции.

Изображение
Делалось это тоже просто ради интереса и наверное ностальгии.
С карманных приемников я начинал свою радиолюбительскую деятельность много лет назад.
Насчет детектора В.Т Полякова уже выше писал и мои выводы в точности совпали с теми, что и сам В.Т. Поляков пишет в своей книжке об этом детекторе.
У него маленькое входное сопротивление и для его работы, как тут уже сказали, если не делать истоковый повторитель, то нужно делать катушку связи.
Мне этот детектор не очень понравился тем, что хотя он обладает хорошей чувствительностью, но перегружается от сильных сигналов и без АРУ получается не очень хорошо, а введение АРУ уже переводит приемник в другую категорию и его уже нельзя назвать почти детекторный.


Вернуться наверх
 
Не в сети
 Заголовок сообщения: Re: Почти детекторный приемник.
СообщениеДобавлено: Вс июл 15, 2012 12:57:20 
Грызет канифоль
Аватар пользователя

Карма: 1
Рейтинг сообщений: 29
Зарегистрирован: Чт июл 12, 2012 20:09:16
Сообщений: 251
Рейтинг сообщения: 0
На вход просится полевичёк вместо БТ. А с 1.5В питания не нужен будет регулятор громкости при сильных сигналах. Я бы вобще тыкал полевики куда мог, будь моя воля. ПТ - нечто среднее между старой доброй лампой и биполярным транзистором. Одна польза. :idea:

Смысл рефлексных приёмников не в экономии, как таковой, а "кайф" получения из минимума - максимум. Хотя и в экономии тоже - мы экономим расход батареи, количество деталюшек-финтифлюшек, время на сборку/пайку, место и т.д. При этом повышается простота, а с ней и надёжность РП. Конечно я имею ввиду только "адекватные" миниатюрные схемки, а не чудо-юдо а-ля совдеп, где куча трансформаторов, катушек и дросселей и пол-ведра обвязки, и которые настроить сложнее, чем хороший трансивер. Идеальным рефлексным считаю схему профессора Полякова (см. выше).


Вложения:
Комментарий к файлу: Низковольтный сверхачь. Поляков В.Т.
sverxa4%201_5V.jpg [16.62 KiB]
Скачиваний: 1365
Комментарий к файлу: Тоже рефлексный 3-V-3
reflex 3-V-3.jpg [38.83 KiB]
Скачиваний: 1199
Комментарий к файлу: Eщё один реген, питание 1.5В
untitled.GIF [8.43 KiB]
Скачиваний: 1172
Комментарий к файлу: Ещё одна схема РП из моего детства на МС К157УД2.
pncl-189.png [10.78 KiB]
Скачиваний: 841
Комментарий к файлу: Обещанная схема. Миниатюрный приёмник на К140УД1А. Моя первая самоделка на микросхеме ))
k140ud1a radio.png [6.57 KiB]
Скачиваний: 976

_________________
Если государство обворовывает свой народ, взрывает дома, а несогласных - ликвидирует и сажает, значит оно - диктатор
Если государство незаконно поставляет наемников и оружие в другие страны, значит оно - международный террорист
Вернуться наверх
 
Не в сети
 Заголовок сообщения: Re: Почти детекторный приемник.
СообщениеДобавлено: Вс июл 15, 2012 20:38:07 
Грызет канифоль

Карма: 2
Рейтинг сообщений: 3
Зарегистрирован: Чт мар 15, 2012 21:05:25
Сообщений: 271
Рейтинг сообщения: 0
aen, ну так Вы же сами писали:
Цитата:
XXI век, а интерес к детекторным приемникам не пропадает.
Решил сделать основную работу за самых начинающих и поэкспериментировать.
Тяжело в 21 веке жить. Антенну в десятки метров повесить некуда. Заземления нет. Даже водопроводные трубы стали пластиковые и использовать из в качестве заземления уже нельзя. Телефоны высокоомные тоже не найти.
Так что мне просто интересно собрать приёмник полностью на дискретных компонентах.

Цитата:
Правда не вижу смысла в настоящее время делать рефлексные приемники.

А разве этот приёмник: Изображение

рефлексный? Я его хочу сделать.

_________________
When in deadly danger, when beset by doubt, run in little circles, wave your arms and shout.


Вернуться наверх
 
Показать сообщения за:  Сортировать по:  Вернуться наверх
Начать новую тему Ответить на тему  [ Сообщений: 383 ]    , , , 4, , , ...  

Часовой пояс: UTC + 3 часа


Кто сейчас на форуме

Сейчас этот форум просматривают: нет зарегистрированных пользователей и гости: 37


Вы не можете начинать темы
Вы не можете отвечать на сообщения
Вы не можете редактировать свои сообщения
Вы не можете удалять свои сообщения
Вы не можете добавлять вложения

Найти:
Перейти:  


Powered by phpBB © 2000, 2002, 2005, 2007 phpBB Group
Русская поддержка phpBB
Extended by Karma MOD © 2007—2012 m157y
Extended by Topic Tags MOD © 2012 m157y