Например TDA7294

Форум РадиоКот • Просмотр темы - Схема подключения ИЖЦ
Форум РадиоКот
Здесь можно немножко помяукать :)

Текущее время: Чт янв 29, 2026 21:14:57

Часовой пояс: UTC + 3 часа


ПРЯМО СЕЙЧАС:



Начать новую тему Ответить на тему  [ Сообщений: 56 ]  1, ,  
Автор Сообщение
Не в сети
 Заголовок сообщения: Схема подключения ИЖЦ
СообщениеДобавлено: Вт июл 03, 2012 14:32:05 
Первый раз сказал Мяу!

Зарегистрирован: Вт окт 18, 2011 20:05:51
Сообщений: 23
Откуда: Омск
Рейтинг сообщения: 0
Здравствуйте.
Теоретически есть ЖК индикатор ИЖЦ4-6/7 (в магазине на складе из под тыщу штук).
Интересует типовая схема подключения ЖК индикаторов такого вида.
Нашел в журнале "Радио" за 89 год (#5) шахматные часы на этом дисплее (в приложении - кусок схемы), но там все размыто и ничего не понятно. Может оттуда чего-нибудь можно "сковырнуть" :))
Вообще, существует ли порядок следования электродов на жк такого типа?


Вложения:
Комментарий к файлу: Журнал "Радио", 1989 год, номер 5
ижц.png [112.33 KiB]
Скачиваний: 2261


Последний раз редактировалось vlitomsk Вт июл 03, 2012 14:35:52, всего редактировалось 1 раз.
Вернуться наверх
 
Не в сети
 Заголовок сообщения: Re: Схема подключения ИЖЦ
СообщениеДобавлено: Вт июл 03, 2012 14:34:27 
Друг Кота
Аватар пользователя

Карма: 67
Рейтинг сообщений: 1071
Зарегистрирован: Чт сен 18, 2008 12:27:21
Сообщений: 20040
Откуда: Столица Мира Санкт-Петербург
Рейтинг сообщения: 0
Медали: 1
Получил миской по аватаре (1)
Порядок следования наверняка можно найти в старых справочниках если поискать. И даже если не найти, наверняка элементарно вызванивается (если известен вывод "общего" электрода).
Вот статейка про ЖКИ без контроллера: http://radiokot.ru/articles/26/

_________________
[ Всё дело не столько в вашей глупости, сколько в моей гениальности ] [ Правильно заданный вопрос содержит в себе половину ответа ]


Вернуться наверх
 
Не в сети
 Заголовок сообщения: Re: Схема подключения ИЖЦ
СообщениеДобавлено: Вт июл 03, 2012 14:37:28 
Первый раз сказал Мяу!

Зарегистрирован: Вт окт 18, 2011 20:05:51
Сообщений: 23
Откуда: Омск
Рейтинг сообщения: 0
Спасибо, надо посмотреть статью. А как называются бумажки, которые приклеивают на задницу индикатора, чтобы было контрастнее? И где их можно взять, кроме старых калькуляторов?


Вернуться наверх
 
Не в сети
 Заголовок сообщения: Re: Схема подключения ИЖЦ
СообщениеДобавлено: Вт июл 03, 2012 14:52:59 
Друг Кота
Аватар пользователя

Карма: 67
Рейтинг сообщений: 1071
Зарегистрирован: Чт сен 18, 2008 12:27:21
Сообщений: 20040
Откуда: Столица Мира Санкт-Петербург
Рейтинг сообщения: 0
Медали: 1
Получил миской по аватаре (1)
Кстати, ещё надо уточнить — с мультиплексированием этот индикатор или нет. Прикинуть можно по соотношению количества выводов и количества сегментов.

_________________
[ Всё дело не столько в вашей глупости, сколько в моей гениальности ] [ Правильно заданный вопрос содержит в себе половину ответа ]


Вернуться наверх
 
Эиком - электронные компоненты и радиодетали
Не в сети
 Заголовок сообщения: Re: Схема подключения ИЖЦ
СообщениеДобавлено: Вт июл 03, 2012 17:00:29 
Первый раз сказал Мяу!

Зарегистрирован: Вт окт 18, 2011 20:05:51
Сообщений: 23
Откуда: Омск
Рейтинг сообщения: 0
Gudd-Head писал(а):
Кстати, ещё надо уточнить — с мультиплексированием этот индикатор или нет. Прикинуть можно по соотношению количества выводов и количества сегментов.

http://radio18.ru/catalog/images/00000295.JPG
Может и мультиплексный. как-то по группам они разбиты. но это - субъективная оценка :)


Вернуться наверх
 
Не в сети
 Заголовок сообщения: Re: Схема подключения ИЖЦ
СообщениеДобавлено: Вт июл 03, 2012 17:48:18 
Друг Кота
Аватар пользователя

Карма: 75
Рейтинг сообщений: 621
Зарегистрирован: Ср дек 24, 2008 09:58:58
Сообщений: 3769
Рейтинг сообщения: 0
Медали: 3
Мявтор 1-й степени (1) Мявтор 2-й степени (1) Мявтор 3-й степени (1)
Судя по схеме, индикатор не мультиплексный, а статический, т.к. каждый сегмент управляется отдельно и имеется всего один общий. Обших выводов всего 4 - они крайние в верхнем ряду и в нижнем ряду, и все 4 запараллелены.

Похоже, такие индикаторы вупускались заводом Интеграл в Минске, но все говорит за то, что они уже сняты с производства. По крайней мере, на сайте Интеграла я их не обнаружил. Только если где на складах завалялсь. Прозвонить можно омметром. Один провод омметра - на общий а другой на каждый сегмент по-отдельности.

Мой совет - поставьте нормальный современный индикатор, например, фирмы Varitronix, есть представительство в России. Под них ничего и подклеивать не надо. Они рассчитаны на 3В. Или 2 ЖК индикатора по 3 символа, которые проще купить.


Вернуться наверх
 
Не в сети
 Заголовок сообщения: Re: Схема подключения ИЖЦ
СообщениеДобавлено: Вт июл 03, 2012 18:07:42 
Первый раз сказал Мяу!

Зарегистрирован: Вт окт 18, 2011 20:05:51
Сообщений: 23
Откуда: Омск
Рейтинг сообщения: 0
Ser60 писал(а):
Судя по схеме, индикатор не мультиплексный, а статический, т.к. каждый сегмент управляется отдельно и имеется всего один общий. Обших выводов всего 4 - они крайние в верхнем ряду и в нижнем ряду, и все 4 запараллелены.

Похоже, такие индикаторы вупускались заводом Интеграл в Минске, но все говорит за то, что они уже сняты с производства. По крайней мере, на сайте Интеграла я их не обнаружил. Только если где на складах завалялсь. Прозвонить можно омметром. Один провод омметра - на общий а другой на каждый сегмент по-отдельности.

Мой совет - поставьте нормальный современный индикатор, например, фирмы Varitronix, есть представительство в России. Под них ничего и подклеивать не надо. Они рассчитаны на 3В. Или 2 ЖК индикатора по 3 символа, которые проще купить.

Спасибо за информацию по ижц, надо будет сходить купить-протестить. Мне индикатор для велокомпьютера нужен, светодиодные 7сегм. - не вариант, там ток порядка 20 мА на "палочку". varitronix - спасибо за наводку, но по-моему для самоделок такие "энтерпрайзные" дисплеи, да еще и с драйвером - слишком шикарно по деньгам. Ну а то, что описано в статье по вашей ссылке - думаю, решится в условиях ограниченности ног микроконтроллера цифровой рассыпухой.


Вернуться наверх
 
Не в сети
 Заголовок сообщения: Re: Схема подключения ИЖЦ
СообщениеДобавлено: Вт июл 03, 2012 18:19:04 
Друг Кота
Аватар пользователя

Карма: 75
Рейтинг сообщений: 621
Зарегистрирован: Ср дек 24, 2008 09:58:58
Сообщений: 3769
Рейтинг сообщения: 0
Медали: 3
Мявтор 1-й степени (1) Мявтор 2-й степени (1) Мявтор 3-й степени (1)
Никаких интерпрайзных. Я имел в виду "голые" стекляшки без контроллера, как в начале списка здесь:
http://www.digikey.com/product-search/en/optoelectronics/display-modules-lcd-oled-character-and-numeric/524437?k=lcd%20varitronix


Вернуться наверх
 
Не в сети
 Заголовок сообщения: Re: Схема подключения ИЖЦ
СообщениеДобавлено: Ср июл 04, 2012 21:20:19 
Друг Кота
Аватар пользователя

Карма: 57
Рейтинг сообщений: 1357
Зарегистрирован: Пт апр 30, 2010 14:56:35
Сообщений: 9222
Откуда: Подмосковные джунгли.
Рейтинг сообщения: 0
vlitomsk, есть хорошая стара книжка :

"Знакосинтезирующие индикаторы и их применение"

http://www.kodges.ru/31060-znakosintezi ... nenie.html

Там и принципы работы и подключение, и распиновка различных индикаторов.

_________________
Семь бед, один Reset.


Вернуться наверх
 
Не в сети
 Заголовок сообщения: Re: Схема подключения ИЖЦ
СообщениеДобавлено: Вт июл 24, 2012 09:28:45 
Вымогатель припоя
Аватар пользователя

Карма: 3
Рейтинг сообщений: 17
Зарегистрирован: Ср июн 08, 2011 15:37:56
Сообщений: 619
Откуда: ДВ
Рейтинг сообщения: 0
Всем привет. Хочу научиться управлять LCD.В наличии есть вот такая штуковина :

download/file.php?mode=view&id=114602
Нарушение п.2.6 Правил Форума
Gudd-Head

Подскажите пожалуйста. Что обозначают выводы COM(их 2),COL. Какое напряжение питания и ток потребления. Спасибо.


Вложения:
Снимок.PNG [89.89 KiB]
Скачиваний: 1625

_________________
"Ленивый человек в бесчестном покое сходен с неподвижною болотною водою, которая, кроме смраду и презренных гадин, ничего не производит". М.В. Ломоносов
Вернуться наверх
 
Не в сети
 Заголовок сообщения: Re: Схема подключения ИЖЦ
СообщениеДобавлено: Вт июл 24, 2012 17:52:34 
Друг Кота
Аватар пользователя

Карма: 75
Рейтинг сообщений: 621
Зарегистрирован: Ср дек 24, 2008 09:58:58
Сообщений: 3769
Рейтинг сообщения: 0
Медали: 3
Мявтор 1-й степени (1) Мявтор 2-й степени (1) Мявтор 3-й степени (1)
Вывод COM - это общий (common), а COL - вывод от двоеточия в сердине дисплея (colon).
Рабочее напряжение явно нигде не нашел. Скорее всего в пределах 3-5В. Вот сайт производителя - спросите у них:
http://microelect.net/index.php?option=com_wrapper&Itemid=32
или у его клона
http://www.dongfu.com/maindoc/gsjj.htm
или определите экспериментально.


Вернуться наверх
 
Не в сети
 Заголовок сообщения: Re: Схема подключения ИЖЦ
СообщениеДобавлено: Ср авг 01, 2012 19:15:28 
Первый раз сказал Мяу!

Зарегистрирован: Вт окт 18, 2011 20:05:51
Сообщений: 23
Откуда: Омск
Рейтинг сообщения: 0
Снова я. :)
Купил стекляшку.
Если смотреть на нее по-особому, видны "дорожки", проходящие от ножек ижц до сегментов.
Насколько успел разглядеть, все боковые выводы идут к подложке, все остальные - к сегментам.
Запилил на мегу простой 100 Гц генератор
Код:
DDRA = 0xff;
PORTA = 2; // PA1 - вкл, PA2 - выкл

while (1) {
    PORTA ^= 6; // переключаем PA1 и PA2
    delay_ms(10);
}

От PA1,2 напрямую вывел "щупы" - кусочки шлейфа, ими тыкал в индикатор так: первый щуп - ОЭ (один из угловых выводов), вторым водил по гребенке контактов. Результат нулевой, ничего не загоралось. А генерация вроде идет - язык переменку чувствует :)
В чем проблема? Не то напряжение, не та частота?


Вернуться наверх
 
Не в сети
 Заголовок сообщения: Re: Схема подключения ИЖЦ
СообщениеДобавлено: Ср авг 01, 2012 19:49:28 
Друг Кота
Аватар пользователя

Карма: 50
Рейтинг сообщений: 1398
Зарегистрирован: Пт авг 28, 2009 21:34:30
Сообщений: 7328
Откуда: 845-й км.
Рейтинг сообщения: 0
Медали: 1
Получил миской по аватаре (1)
Для прозвонки можно подавать и просто постоянку. только не долго. При постоянке сегмент сначала вспыхнет, а потом начнет бледнеть. А частота желательно поменьше - где-то герц 30.

_________________
А люди посмотрят и скажут: "Собаки летят. Вот и осень."


Вернуться наверх
 
Не в сети
 Заголовок сообщения: Re: Схема подключения ИЖЦ
СообщениеДобавлено: Ср авг 01, 2012 21:02:02 
Мучитель микросхем
Аватар пользователя

Карма: 8
Рейтинг сообщений: 28
Зарегистрирован: Вс авг 10, 2008 19:35:49
Сообщений: 411
Откуда: Евпатория
Рейтинг сообщения: 0
Топикстартеру.
В статье я написал как вызвонить сегменты ЖКИ. Кроме того воспользуйтесь советами по применению ЖКИ от негодного мультиметра М830 и не придётся ничего покупать. Удачи!


Вернуться наверх
 
Не в сети
 Заголовок сообщения: Re: Схема подключения ИЖЦ
СообщениеДобавлено: Чт авг 02, 2012 05:39:00 
Друг Кота
Аватар пользователя

Карма: 75
Рейтинг сообщений: 621
Зарегистрирован: Ср дек 24, 2008 09:58:58
Сообщений: 3769
Рейтинг сообщения: 0
Медали: 3
Мявтор 1-й степени (1) Мявтор 2-й степени (1) Мявтор 3-й степени (1)
vlitomsk - какую стекляшку-то купили в итоге? Дайте линк на нее.

Да... мне-бы такой язык, чтобы еще и частоту мерял... В двух предыдущих постах Вам дали дельные советы по прозвону. Вместо батарейки можно использовать тестер в режиме проверки контакта (обычно при замыкании выводов он пищит). При прозвонке ЖКИ пищать не будет, но сегменты будут плавно гаснуть, как писал uldemir.


Вернуться наверх
 
Не в сети
 Заголовок сообщения: Re: Схема подключения ИЖЦ
СообщениеДобавлено: Чт авг 02, 2012 21:07:28 
Поставщик валерьянки для Кота
Аватар пользователя

Карма: 21
Рейтинг сообщений: 267
Зарегистрирован: Вт ноя 03, 2009 21:02:38
Сообщений: 2050
Откуда: Москва
Рейтинг сообщения: 0
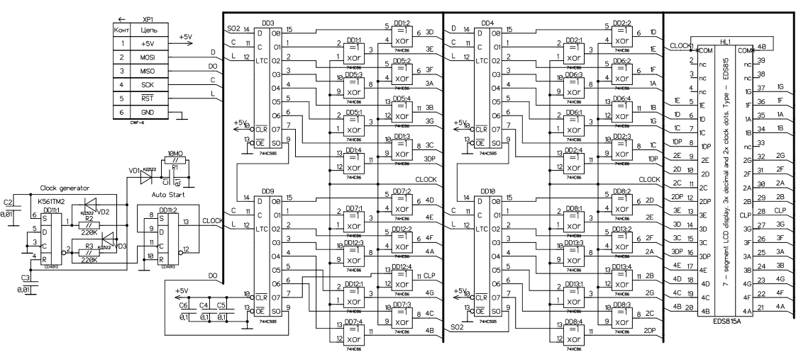
Делал управление простым стеклом (часовой индикатор с десятичными точками) без мультиплексирования, с одним общим. Много микросхемок, но удобно управлять. Регенерация автоматическая, без участия процессора.


Вложения:
jki74razmer.JPG [54.7 KiB]
Скачиваний: 1590
jki74.JPG [61.07 KiB]
Скачиваний: 1450
logic_lcd74.png [135.05 KiB]
Скачиваний: 1812
Вернуться наверх
 
Не в сети
 Заголовок сообщения: Re: Схема подключения ИЖЦ
СообщениеДобавлено: Чт авг 02, 2012 21:12:42 
Первый раз сказал Мяу!

Зарегистрирован: Вт окт 18, 2011 20:05:51
Сообщений: 23
Откуда: Омск
Рейтинг сообщения: 0
Ser60, купил ИЖЦ4-6/7. Документации нигде не могу найти на него. (И использования тоже. Кроме того номера "Радио", который упомянут в первом посте. Там от цифровых ТТЛ микросхем к нему напрямую ноги подключены).
Прозвонил. Видны изменения, если присмотреться, когда водишь по гребенке генератором на аврке. (шевеление жижи при подаче сигнала).
Может, я смотрю не так? Сам индикатор выглядит как прозрачный кусок стекла. В "Радио" предлагают под него подложить мелованную бумагу, говоря, что индикатор предназначен для работы в проходящем свете.
Microtech, микросхемки поди сдвиговые регистры и xorы? :)


Вернуться наверх
 
Не в сети
 Заголовок сообщения: Re: Схема подключения ИЖЦ
СообщениеДобавлено: Чт авг 02, 2012 21:15:24 
Поставщик валерьянки для Кота
Аватар пользователя

Карма: 21
Рейтинг сообщений: 267
Зарегистрирован: Вт ноя 03, 2009 21:02:38
Сообщений: 2050
Откуда: Москва
Рейтинг сообщения: 0
Ну да, они самые. А я документацию на ЖКИ не читал. Прислоняя к незаземлённой железяке выловил соответствие ног и сегментов, а дальше в программе подладил.


Вернуться наверх
 
Не в сети
 Заголовок сообщения: Re: Схема подключения ИЖЦ
СообщениеДобавлено: Чт авг 02, 2012 21:32:27 
Поставщик валерьянки для Кота
Аватар пользователя

Карма: 21
Рейтинг сообщений: 267
Зарегистрирован: Вт ноя 03, 2009 21:02:38
Сообщений: 2050
Откуда: Москва
Рейтинг сообщения: 0
vlitomsk писал(а):
Теоретически есть ЖК индикатор ИЖЦ4-6/7

Мне они попадались 100% брак, с подтёками и черными пятнами. Продавцы для сокрытия этого факта, и придания товарного вида - отрывали поляризаторы и продавали без них.


Вернуться наверх
 
Не в сети
 Заголовок сообщения: Re: Схема подключения ИЖЦ
СообщениеДобавлено: Вт авг 14, 2012 12:56:31 
Поставщик валерьянки для Кота
Аватар пользователя

Карма: 21
Рейтинг сообщений: 267
Зарегистрирован: Вт ноя 03, 2009 21:02:38
Сообщений: 2050
Откуда: Москва
Рейтинг сообщения: 0
vlitomsk писал(а):
Прозвонил. Видны изменения, если присмотреться, когда водишь по гребенке генератором на аврке. (шевеление жижи при подаче сигнала).

Это из за того, что индикатор без поляризаторов. Забыли, или специально оторвали. :( Сверху и снизу на стекло должны быть наклеены плёнки "поляроиды". Проверьте ещё раз этот ЖКИ, смотря на него через поляризационные очки, на фоне светящегося экрана ЖК монитора (на просвет).


Вернуться наверх
 
Показать сообщения за:  Сортировать по:  Вернуться наверх
Начать новую тему Ответить на тему  [ Сообщений: 56 ]  1, ,  

Часовой пояс: UTC + 3 часа


Кто сейчас на форуме

Сейчас этот форум просматривают: нет зарегистрированных пользователей и гости: 27


Вы не можете начинать темы
Вы не можете отвечать на сообщения
Вы не можете редактировать свои сообщения
Вы не можете удалять свои сообщения
Вы не можете добавлять вложения

Найти:
Перейти:  


Powered by phpBB © 2000, 2002, 2005, 2007 phpBB Group
Русская поддержка phpBB
Extended by Karma MOD © 2007—2012 m157y
Extended by Topic Tags MOD © 2012 m157y