Например TDA7294

Форум РадиоКот • Просмотр темы - Посоветуйте схему простого радиоприёмника!
Форум РадиоКот
Здесь можно немножко помяукать :)

Текущее время: Вт янв 27, 2026 09:28:57

Часовой пояс: UTC + 3 часа


ПРЯМО СЕЙЧАС:



Начать новую тему Ответить на тему  [ Сообщений: 473 ]     ... , , , 14, , , ...  
Автор Сообщение
Не в сети
 Заголовок сообщения: Re: средневолновый приемник прямого усиления на имс К174ХА10
СообщениеДобавлено: Вс сен 08, 2013 11:16:04 
Вымогатель припоя
Аватар пользователя

Карма: 2
Рейтинг сообщений: 1
Зарегистрирован: Ср дек 12, 2007 21:46:06
Сообщений: 508
Откуда: Георгиевск
Рейтинг сообщения: 0
Буду иметь ввиду. панелька в приемнике однозначно будет :))

_________________
Нет повести печальнее на свете чем повесть о заклинившем ресете


Вернуться наверх
 
Не в сети
 Заголовок сообщения: Re: средневолновый приемник прямого усиления на имс К174ХА10
СообщениеДобавлено: Вс сен 08, 2013 11:34:55 
Мудрый кот
Аватар пользователя

Карма: 7
Рейтинг сообщений: 93
Зарегистрирован: Ср сен 07, 2011 21:40:30
Сообщений: 1802
Рейтинг сообщения: 0
Только возьмите цанговую- у нее межвыводные емкости меньше да и контакт лучше. Правда, число вытягиваний микросхем при условии сохранения хорошего контакта менее 10...


Вернуться наверх
 
Не в сети
 Заголовок сообщения: Re: средневолновый приемник прямого усиления на имс К174ХА10
СообщениеДобавлено: Вс сен 08, 2013 16:55:50 
Мудрый кот
Аватар пользователя

Карма: 7
Рейтинг сообщений: 93
Зарегистрирован: Ср сен 07, 2011 21:40:30
Сообщений: 1802
Рейтинг сообщения: 0
последовательная RC цепь 0,1 мкФ 10 Ом параллельно выходу микросхемы значительно снизила порог для самовозбуда. Странно, что на заводе не поставили.


Вернуться наверх
 
Не в сети
 Заголовок сообщения: Re: средневолновый приемник прямого усиления на имс К174ХА10
СообщениеДобавлено: Пн сен 09, 2013 12:52:46 
Вымогатель припоя
Аватар пользователя

Карма: 2
Рейтинг сообщений: 1
Зарегистрирован: Ср дек 12, 2007 21:46:06
Сообщений: 508
Откуда: Георгиевск
Рейтинг сообщения: 0
Flasher писал(а):
RC цепь 0,1 мкФ 10 Ом
- вход микросхемы это вход штатного УПЧ(в ппу используется в качестве УВЧ)? 10 Ом- параллельно входу имс через конденсатор, по вч шунт какой-то может 10 кило Ом?

_________________
Нет повести печальнее на свете чем повесть о заклинившем ресете


Вернуться наверх
 
Эиком - электронные компоненты и радиодетали
Не в сети
 Заголовок сообщения: Re: средневолновый приемник прямого усиления на имс К174ХА10
СообщениеДобавлено: Пн сен 09, 2013 14:39:12 
Друг Кота
Аватар пользователя

Карма: 64
Рейтинг сообщений: 1102
Зарегистрирован: Ср ноя 17, 2010 23:10:55
Сообщений: 5837
Откуда: Ижевск LO66NU
Рейтинг сообщения: 0
Flasher писал(а):
параллельно выходу микросхемы

_________________
В начале жизнь мучает вопросами, в конце - ответами...


Вернуться наверх
 
Не в сети
 Заголовок сообщения: Re: КВ приемник супергетеродин.
СообщениеДобавлено: Вт окт 22, 2013 21:11:13 
Открыл глаза
Аватар пользователя

Зарегистрирован: Вт июн 26, 2012 11:24:05
Сообщений: 58
Откуда: Украина
Рейтинг сообщения: 0
Доброе время суток! Сразу извиняюсь если пишу не в той теме (другой подобной не видел :)) ) Заинтересовала эта схема
Вложение:
174ha10_1.jpg [49.32 KiB]
Скачиваний: 996
вот его описание \Катушки готовые от советских "Селг", "Соколов" и т.п.
стандартный ПЧ контур на 465 кГц с конденсатором 910 или 1000 пф.Ориентировочно 75..85 витков при емкости 1000пФ.
Входную катушку можно намотать на стандартном секционном полистироловом каркасе с ферритовым подстроечником ø 2,5мм
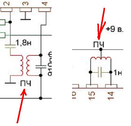
ориентировочное кол-во витков: контурной - 70-80, связи - 10 витков. ) катушка пч та что с отводом от середины ?или та что на отводе 4 и 2 ?
И ещё написано о катушке связи ,о какой именно?


Сюда перенес.

aen


Вернуться наверх
 
Не в сети
 Заголовок сообщения: Re: КВ приемник супергетеродин.
СообщениеДобавлено: Вт окт 22, 2013 21:19:12 
Модератор
Аватар пользователя

Карма: 158
Рейтинг сообщений: 1600
Зарегистрирован: Пт апр 28, 2006 15:26:07
Сообщений: 11940
Откуда: Россия.
Рейтинг сообщения: 2
Медали: 2
Мявтор 3-й степени (1) Лучший человек Форума 2017 (1)
Електро Кот писал(а):
И ещё написано о катушке связи ,о какой именно?

Изображение

Електро Кот писал(а):
катушка пч та что с отводом от середины ?или та что на отводе 4 и 2 ?
Там же все катушки подписаны. Они обе ПЧ

Изображение


Вложения:
2.JPG [17.83 KiB]
Скачиваний: 4432
1.JPG [25.66 KiB]
Скачиваний: 4411
Вернуться наверх
 
Не в сети
 Заголовок сообщения: Re: Посоветуйте схему средневолнового радиоприёмника!
СообщениеДобавлено: Вт окт 22, 2013 22:17:03 
Открыл глаза
Аватар пользователя

Зарегистрирован: Вт июн 26, 2012 11:24:05
Сообщений: 58
Откуда: Украина
Рейтинг сообщения: 0
Спасибо большое :) а катушка на выводе 2 тоже связи? и сколько её мотать ?

_________________
«без КТ – ни туды и ни сюды». ))))


Вернуться наверх
 
Не в сети
 Заголовок сообщения: Re: Посоветуйте схему средневолнового радиоприёмника!
СообщениеДобавлено: Вт окт 22, 2013 22:26:31 
Модератор
Аватар пользователя

Карма: 158
Рейтинг сообщений: 1600
Зарегистрирован: Пт апр 28, 2006 15:26:07
Сообщений: 11940
Откуда: Россия.
Рейтинг сообщения: 2
Медали: 2
Мявтор 3-й степени (1) Лучший человек Форума 2017 (1)
Електро Кот писал(а):
на выводе 2 тоже связи? и сколько её мотать ?
Намотайте 1/4 от основной, т.е. порядка 20 - 25 витков.
Если связь получится слишком сильной и упадет избирательность по соседнему каналу, то её всегда можно уменьшить, уменьшая емкость этого конденсатора.

Изображение

А вот если намотаете мало и из за этого чувствительность будет низкой, то увеличить связь без перемотки катушки будет затруднительно.
Не забудьте катушки ПЧ поместить в экраны.


Вложения:
1.JPG [8.25 KiB]
Скачиваний: 4326
Вернуться наверх
 
Не в сети
 Заголовок сообщения: Re: Посоветуйте схему средневолнового радиоприёмника!
СообщениеДобавлено: Ср окт 23, 2013 15:53:30 
Открыл глаза
Аватар пользователя

Зарегистрирован: Вт июн 26, 2012 11:24:05
Сообщений: 58
Откуда: Украина
Рейтинг сообщения: 0
Спасибочки :)) А на катушке гетеродина та же система - та что с КПЕ контур гетеродина, а на вывод 5 связи?

_________________
«без КТ – ни туды и ни сюды». ))))


Вернуться наверх
 
Не в сети
 Заголовок сообщения: Re: Посоветуйте схему средневолнового радиоприёмника!
СообщениеДобавлено: Ср окт 23, 2013 16:23:17 
Модератор
Аватар пользователя

Карма: 158
Рейтинг сообщений: 1600
Зарегистрирован: Пт апр 28, 2006 15:26:07
Сообщений: 11940
Откуда: Россия.
Рейтинг сообщения: 2
Медали: 2
Мявтор 3-й степени (1) Лучший человек Форума 2017 (1)
Подробно про работу приемника на данной микросхеме можно почитать здесь.
http://publ.lib.ru/ARCHIVES/R/''Radio'' ... fax%5d.zip

Изображение

Изображение

Ваш приемник, это по сути упрощенная схема, что дана выше. В ней выбросили УВЧ, пьезофильтр, сделали только один диапазон и вместо ферритовой антенны применили обычную.
Все остальное написанное в статье полностью относится и к вашему приемнику.


Вернуться наверх
 
Не в сети
 Заголовок сообщения: Re: Посоветуйте схему средневолнового радиоприёмника!
СообщениеДобавлено: Ср окт 23, 2013 18:41:22 
Открыл глаза
Аватар пользователя

Зарегистрирован: Вт июн 26, 2012 11:24:05
Сообщений: 58
Откуда: Украина
Рейтинг сообщения: 0
Описание- это хорошо ! но нет намоточных данных катушок гетеродина ((думаю катушка должна быть где то витков 35 но какая из них ? извините что много о катушках пишу :oops:

_________________
«без КТ – ни туды и ни сюды». ))))


Вернуться наверх
 
Не в сети
 Заголовок сообщения: Re: Посоветуйте схему средневолнового радиоприёмника!
СообщениеДобавлено: Чт окт 24, 2013 00:59:35 
Друг Кота
Аватар пользователя

Карма: 72
Рейтинг сообщений: 1153
Зарегистрирован: Чт ноя 20, 2008 04:20:48
Сообщений: 8084
Откуда: КурскЪ
Рейтинг сообщения: 0
Контурная катушка она и в Африке контурная катушка.Намоточные данные как правило стандартные во многих схемах.

Берёшь любую подходящую схему приёмника любительских КВ диапазонов и оттуда берёшь намоточные данные катушек.Или СВ приёмника супергетеродина.
Тем более диапазон перестройки входной цепи ты знаешь и значение ПЧ данного приёмника.Легко вычислить диапазон перестройки частоты гетеродина и подобрать соответствующие параметры элементов контура.
Про намоточные данные катушек ПЧ тракта уже сказали.

Или программка COIL32 тебе в помощь.
Вперёд и с песней! :)

_________________
Принимаю вас 595+40db на уровне шумов на кухонный приёмник,антенна наружка-магнитная катушка..работает "Акация",вот такая информация.Роман.73!!!
"50 КСВ 075", UA3112SWL
Изображение


Вернуться наверх
 
Не в сети
 Заголовок сообщения: Re: Посоветуйте схему средневолнового радиоприёмника!
СообщениеДобавлено: Чт окт 24, 2013 16:54:47 
Открыл глаза
Аватар пользователя

Зарегистрирован: Вт июн 26, 2012 11:24:05
Сообщений: 58
Откуда: Украина
Рейтинг сообщения: 0
Спасибо , то что нужно :)) но никто не ответил а как их мотать?
Вложение:
Безымянный.png [26.82 KiB]
Скачиваний: 1044
Там две катушки

_________________
«без КТ – ни туды и ни сюды». ))))


Вернуться наверх
 
Не в сети
 Заголовок сообщения: Re: Посоветуйте схему средневолнового радиоприёмника!
СообщениеДобавлено: Чт окт 24, 2013 17:00:59 
Друг Кота
Аватар пользователя

Карма: 95
Рейтинг сообщений: 1815
Зарегистрирован: Ср дек 07, 2011 18:17:50
Сообщений: 6371
Откуда: Western Siberia
Рейтинг сообщения: 0
Електро Кот писал(а):
Спасибо , то что нужно :)) но никто не ответил а как их мотать?

Во первых каркас катушки нужен, с какого либо приемного устройства.
Лучше со старого, негодного приемника взять . там каркас с ферритовым стержнем, для настройки контура.


Вернуться наверх
 
Не в сети
 Заголовок сообщения: Re: Посоветуйте схему средневолнового радиоприёмника!
СообщениеДобавлено: Чт окт 24, 2013 17:01:16 
Модератор
Аватар пользователя

Карма: 158
Рейтинг сообщений: 1600
Зарегистрирован: Пт апр 28, 2006 15:26:07
Сообщений: 11940
Откуда: Россия.
Рейтинг сообщения: 2
Медали: 2
Мявтор 3-й степени (1) Лучший человек Форума 2017 (1)
Електро Кот писал(а):
никто не ответил а как их мотать?
Мотать как обычно.
Одна катушка поверх другой или если катушка секционирована, то мотать в соседней секции.
Т.е. так же, как мотают любые трансформаторы.


Вернуться наверх
 
Не в сети
 Заголовок сообщения: Re: Посоветуйте схему средневолнового радиоприёмника!
СообщениеДобавлено: Чт окт 24, 2013 17:26:04 
Открыл глаза
Аватар пользователя

Зарегистрирован: Вт июн 26, 2012 11:24:05
Сообщений: 58
Откуда: Украина
Рейтинг сообщения: 0
Я понял как мотать . Извиняюсь что не понятно изъясняюсь ,я имел в виду почему две катушки :) одна гпд а вторая звязи(та что без кпе)? Поискал в просторах интернета я пришёл к выводу-- диапазон перестройки гпд должен быть 3200- 2900 Индуктивность контура должна составлять 8.2 мГн при ёмкости 320 пф

_________________
«без КТ – ни туды и ни сюды». ))))


Вернуться наверх
 
Не в сети
 Заголовок сообщения: Re: средневолновый приемник прямого усиления на имс К174ХА10
СообщениеДобавлено: Пт ноя 15, 2013 15:21:10 
Родился

Зарегистрирован: Сб дек 01, 2012 11:46:39
Сообщений: 17
Рейтинг сообщения: 0
Скажите, можно ли построить приемник по схеме №2 из первого поста, для приема "пионерского" диапазона: 1600-1800 кГц?


Вернуться наверх
 
Не в сети
 Заголовок сообщения: Re: средневолновый приемник прямого усиления на имс К174ХА10
СообщениеДобавлено: Пт ноя 15, 2013 15:25:12 
Друг Кота
Аватар пользователя

Карма: 64
Рейтинг сообщений: 1102
Зарегистрирован: Ср ноя 17, 2010 23:10:55
Сообщений: 5837
Откуда: Ижевск LO66NU
Рейтинг сообщения: 0
Легко.

_________________
В начале жизнь мучает вопросами, в конце - ответами...


Вернуться наверх
 
Не в сети
 Заголовок сообщения: Re: Мелкие вопросы по радиотехнике
СообщениеДобавлено: Пн дек 16, 2013 23:49:55 
Мучитель микросхем

Зарегистрирован: Пн апр 13, 2009 22:07:00
Сообщений: 401
Откуда: simbirsk
Рейтинг сообщения: 0
Друзья! собственно пациент селга-405. Собрал увч на кп303, всё замечательно, прекрасно работает, но так как мало их у меня, то решил сделать аналогично http://1.bp.blogspot.com/-FMQr5i3oZVI/U ... 0%B0_1.jpg (транз смесителя не трогал). В качестве транзистора увч пользовал http://www.s-manuals.com/pdf/datasheet/ ... galaxy.pdf . При настройке приёмника слышны характерные свисты, в общем как-то даже не то что изначально. На ДВ ловит отдалённую станцию, а вот на СВ в самом верхнем участке приёмник возбуждается. Как настроить правильно? :?



Сюда перенес.

aen


Вернуться наверх
 
Показать сообщения за:  Сортировать по:  Вернуться наверх
Начать новую тему Ответить на тему  [ Сообщений: 473 ]     ... , , , 14, , , ...  

Часовой пояс: UTC + 3 часа


Кто сейчас на форуме

Сейчас этот форум просматривают: нет зарегистрированных пользователей и гости: 27


Вы не можете начинать темы
Вы не можете отвечать на сообщения
Вы не можете редактировать свои сообщения
Вы не можете удалять свои сообщения
Вы не можете добавлять вложения

Найти:
Перейти:  


Powered by phpBB © 2000, 2002, 2005, 2007 phpBB Group
Русская поддержка phpBB
Extended by Karma MOD © 2007—2012 m157y
Extended by Topic Tags MOD © 2012 m157y