Например TDA7294

Форум РадиоКот • Просмотр темы - Измеритель всего, что попадется под руку (RLC-метр)
Форум РадиоКот
Здесь можно немножко помяукать :)

Текущее время: Чт янв 22, 2026 08:13:53

Часовой пояс: UTC + 3 часа


ПРЯМО СЕЙЧАС:



Начать новую тему Ответить на тему  [ Сообщений: 3443 ]    , , 3, , , ...  
Автор Сообщение
Не в сети
 Заголовок сообщения: Re: Измеритель всего, что попадется под руку (RLC-метр)
СообщениеДобавлено: Сб окт 12, 2013 21:49:56 
Потрогал лапой паяльник

Карма: 2
Рейтинг сообщений: 21
Зарегистрирован: Пн май 04, 2009 14:39:47
Сообщений: 303
Откуда: Россия г. Москва
Рейтинг сообщения: 0
Спасибо буду заказывать.


Вернуться наверх
 
Не в сети
 Заголовок сообщения: Re: Измеритель всего, что попадется под руку (RLC-метр)
СообщениеДобавлено: Вс окт 13, 2013 14:08:01 
Родился
Аватар пользователя

Карма: 1
Рейтинг сообщений: 1
Зарегистрирован: Вт июн 21, 2011 11:38:51
Сообщений: 6
Откуда: Киев
Рейтинг сообщения: 0
Интересный проект. Сюда подойдут еще мк:

STM32F100C8T6 - 64 KB ROM
STM32F100CBT6 - 128 KB ROM

Кто не в курсе в имени после буквы C, идет размер памяти. Так там 4=16кбайт, 6=32кбайт, 8=64кбайт, B=128 кбайт.....

Но мне интересно использовать STM32F103CBT6 Все таки 90 Дмипсов(72мгц) против 30 дмипсов(24мгц) есть разница. К тому же у ST по стандартным ногам все совместимо во всей линейке. То есть кварцы, отладка, и прочее одинаково у всех кто относиться к F1, и имеет корпус 48 ног.

Насчет кварца, там же классная система тактирования, с множететяли и делителями. Так что кварцы думаю не проблема использовать другие. Конечно тут чуть надо поправить настройку тактирования в мк.

Буду ждать исходников, так как у меня аж 4 экрана nokia 5110, и есть платы с STM32F100/F103/F107/F407.


Вернуться наверх
 
Не в сети
 Заголовок сообщения: Re: Измеритель всего, что попадется под руку (RLC-метр)
СообщениеДобавлено: Вс окт 13, 2013 17:42:51 
Нашел транзистор. Понюхал.

Зарегистрирован: Ср окт 05, 2011 16:47:57
Сообщений: 151
Рейтинг сообщения: 0
есть платы с STM32F100/F103/F107/F407.[color=#FF4080][/color]

НЕ ПОНЯЛ НА СЧЕТ плат? Не могу прошить через усарт , не видит проц . правда потом уже вычитал , что на ресет нужна кнопка еще не пробывал! Да кабель должен бить Tx- RX ? RX-TX ? я правильно понял .....цепляял итак и так прошу извинить за такие тупыые вопросы с даным типом котроллера дел не имел..


Вернуться наверх
 
Не в сети
 Заголовок сообщения: Re: Измеритель всего, что попадется под руку (RLC-метр)
СообщениеДобавлено: Вс окт 13, 2013 18:47:50 
Родился
Аватар пользователя

Карма: 1
Рейтинг сообщений: 1
Зарегистрирован: Вт июн 21, 2011 11:38:51
Сообщений: 6
Откуда: Киев
Рейтинг сообщения: 0
Эти МК не симулируются как атмеги (к примеру) на компе, для отладки любого устройства нужна отладочная плата с реальный мк. К тому же те что находятся в F1 семействе, обладают хорошими свойствами к переносу кода в приделах этого семейства.

Вы вывод Boot0 подтянули к 3.3 вольтам?

В этих контроллерах прошит намертво загрузчик, так вот, если вывод Boot0 притянут к земле, то вся загрузка происходит с флешки мк, если к питанию, тогда он ждет команды по UART.

Еще есть такая особенность, что если неверно подключили Rx-Tx, то при следующем подключении нужно сбросить питание с мк. Просто если подключить неправильно, и нажать в проге next, а потом подключить правильно, и опять нажать next, то прога ругнется что не знает что за устройство, и попросит сбросить питание на мк вручную.

В окне программы прошивки

Common for all families
Port Name C0M7 (какой то порт)
Parity Even
Baud Rate 115200
Echo Disabled
Data Bits 8
Timeout(s) 10

Если и так не помогло, то проверяйте питания мк, стартует от своего встроенного генератора, так что он стартует в любом случае.

Либо если есть у вас любая плата Discovery (кроме 8битных), от ST, то можно прошить с нее, задействовав интерфейс SWD.


Вернуться наверх
 
Эиком - электронные компоненты и радиодетали
Не в сети
 Заголовок сообщения: Re: Измеритель всего, что попадется под руку (RLC-метр)
СообщениеДобавлено: Вс окт 13, 2013 21:42:52 
Родился
Аватар пользователя

Зарегистрирован: Сб мар 09, 2013 20:28:34
Сообщений: 11
Рейтинг сообщения: 0
Добрый вечер
Спасибо за быстрый ответ , подбирая детали возникло ряд вопросов :oops:
1 ) В схеме использованы микросхемы MCP6002 можно ли их заменить на MCP602-I/SN ( http://www.e-voron.dp.ua/catalog/016514 )
2 ) Чем можно заменить микросхемы которые стоят на заряде аккумулятора ( MCP73831T и MCP1703T-3002 не смог найти)
3 ) Вместо кварца и 2 х конденцаторив поставить Керамический резонатор ( ( http://www.e-voron.dp.ua/catalog/015359 ) конденцаторы по 33 пФ )
4 ) Вместо дросселя на 43uH взять на 47uH ( http://www.e-voron.dp.ua/catalog/018823 )
5 ) Вместо с21 , с22 , с23 100nF поставить один на 330nF ( http://www.e-voron.dp.ua/catalog/001928 ), то же с с17 , с18 , с19
6 ) Конденцаторив на 4uF не нашел , есть 4,7 uF ( http://www.e-voron.dp.ua/catalog/011793 )
7 ) Транзистор 2n2222 - любой npn ?
8 ) На плате использованы детали типоразмеров 0805 и 0603 , чем обусловлен выбор ? (можно ли использовать только 0805 или 0603)

Заранее благодарен за ответ :beer:


Вернуться наверх
 
Не в сети
 Заголовок сообщения: Re: Измеритель всего, что попадется под руку (RLC-метр)
СообщениеДобавлено: Вс окт 13, 2013 22:15:46 
Нашел транзистор. Понюхал.

Карма: -1
Рейтинг сообщений: -4
Зарегистрирован: Вт май 01, 2012 15:07:19
Сообщений: 175
Рейтинг сообщения: 0
kspiritos писал(а):
...
Но мне интересно использовать STM32F103CBT6 Все таки 90 Дмипсов(72мгц) против 30 дмипсов(24мгц) есть разница. К тому же у ST по стандартным ногам все совместимо во всей линейке. То есть кварцы, отладка, и прочее одинаково у всех кто относиться к F1, и имеет корпус 48 ног.
...

Там засада что у остальных семейств в 48ногах нет ЦАПов, только от 64ног и дальше положили его.
Так что подходят STM32F100C и STM32L151(2)C


Вернуться наверх
 
Не в сети
 Заголовок сообщения: Re: Измеритель всего, что попадется под руку (RLC-метр)
СообщениеДобавлено: Пн окт 14, 2013 01:39:21 
Грызет канифоль

Карма: 4
Рейтинг сообщений: 19
Зарегистрирован: Пн май 21, 2012 20:00:23
Сообщений: 291
Рейтинг сообщения: 0
Подскажите, прикупил экран (кЕтай), а у него такая вот распиновка:
Изображение
ресета как видим нет, а на схеме он задействован) переживу ли я без него?))


Вернуться наверх
 
Не в сети
 Заголовок сообщения: Re: Измеритель всего, что попадется под руку (RLC-метр)
СообщениеДобавлено: Пн окт 14, 2013 07:39:34 
Нашел транзистор. Понюхал.

Зарегистрирован: Ср окт 05, 2011 16:47:57
Сообщений: 151
Рейтинг сообщения: 0
спасибо за ответ, сегодня попробую другой шнурок с телефона. может там засада . Я не программист покупать плату . чтобы прошить камень глупость в моем случае.... микросема зарядки любая можно от САМСУНГА (Х-100. с-100) есть и в других моделях сейчас не помню в каких маркировка LTH7 (LT4054) по ногам совпадает стабилизатор я поставил LP2950-3 можно поставить любой с мобилки 3-3.3в . МИКРОСХЕМА зарядки дорогая 10гр(дороже чем проц) дешевле купить плату от телефона (5-10гр) там есть стаб и кондюки микросхема зарядки очень"нежная" одну сжег моментально поакуратней с ней есть схемы зарядки на ПИКЕ 12ф675 она понадежей будет....


Вернуться наверх
 
Не в сети
 Заголовок сообщения: Re: Измеритель всего, что попадется под руку (RLC-метр)
СообщениеДобавлено: Пн окт 14, 2013 08:29:51 
Родился
Аватар пользователя

Карма: 1
Рейтинг сообщений: 1
Зарегистрирован: Вт июн 21, 2011 11:38:51
Сообщений: 6
Откуда: Киев
Рейтинг сообщения: 0
Bовка писал(а):
Там засада что у остальных семейств в 48ногах нет ЦАПов, только от 64ног и дальше положили его.
Так что подходят STM32F100C и STM32L151(2)C


Да, проглядел насчет ЦАПа, у меня есть STM32F103RET6, думал что в младших корпусах оставили.

Нашел еще от ST:

STM32F313Cxx (128-256KB) 4 АЦП 12 битных. 1 Цап 12битный с 2 каналами, 7 аналоговых компораторов rail to rail, Cortex-M4 72 MHz.

STM32F373Cxx, STM32F383Cхх (64-256KB) 3 ЦАПа 12 битных, и вкусное 3 АЦП 16 битных сигма-дельта, Cortex-M4 72 MHz, USB FS


Вернуться наверх
 
Не в сети
 Заголовок сообщения: Re: Измеритель всего, что попадется под руку (RLC-метр)
СообщениеДобавлено: Пн окт 14, 2013 09:23:16 
Нашел транзистор. Понюхал.

Зарегистрирован: Ср окт 05, 2011 16:47:57
Сообщений: 151
Рейтинг сообщения: 0
Все чудненько прошилось. использовал телефооный шнурок от САМсунга на чипе 2303(as8303) раньше пользовал на СР2102 че то не заладилось там.


Вернуться наверх
 
Не в сети
 Заголовок сообщения: Re: Измеритель всего, что попадется под руку (RLC-метр)
СообщениеДобавлено: Пн окт 14, 2013 09:37:56 
Держит паяльник хвостом
Аватар пользователя

Карма: 20
Рейтинг сообщений: 245
Зарегистрирован: Пн сен 18, 2006 11:16:05
Сообщений: 993
Откуда: Тула
Рейтинг сообщения: 0
JazzRock писал(а):
Добрый вечер
1 ) В схеме использованы микросхемы MCP6002 можно ли их заменить на MCP602-I/SN ( http://www.e-voron.dp.ua/catalog/016514 )
2 ) Чем можно заменить микросхемы которые стоят на заряде аккумулятора ( MCP73831T и MCP1703T-3002 не смог найти)
3 ) Вместо кварца и 2 х конденцаторив поставить Керамический резонатор ( ( http://www.e-voron.dp.ua/catalog/015359 ) конденцаторы по 33 пФ )
4 ) Вместо дросселя на 43uH взять на 47uH ( http://www.e-voron.dp.ua/catalog/018823 )
5 ) Вместо с21 , с22 , с23 100nF поставить один на 330nF ( http://www.e-voron.dp.ua/catalog/001928 ), то же с с17 , с18 , с19
6 ) Конденцаторив на 4uF не нашел , есть 4,7 uF ( http://www.e-voron.dp.ua/catalog/011793 )
7 ) Транзистор 2n2222 - любой npn ?
8 ) На плате использованы детали типоразмеров 0805 и 0603 , чем обусловлен выбор ? (можно ли использовать только 0805 или 0603)

1) Нельзя
2) на любую аналогичную зарядку для лития, на работе это никак не сказывается
3) я не видел керамики на 12М если попадется попробуйте поставить, но точность и стабильность упадет
4) можно любой в интервале 20-60мкгн
5) это блокирующие конденсаторы по питанию, и стоят они в разных местах платы, можно не впаивать но будут проблемы с наводками
6) можно ставить какие есть и какие влезают >4мкф, тут уже народ ставил танталовые например
7) да, не критично
8) можно какие есть, я выбирал типоразмер по тому что было.

TESLight писал(а):
Подскажите, прикупил экран (кЕтай),
...
ресета как видим нет, а на схеме он задействован) переживу ли я без него?))

Должно и без резета работать!

_________________
Информация по RLC mini находится >тут<


Вернуться наверх
 
Не в сети
 Заголовок сообщения: Re: Измеритель всего, что попадется под руку (RLC-метр)
СообщениеДобавлено: Пн окт 14, 2013 10:45:21 
Нашел транзистор. Понюхал.

Зарегистрирован: Ср окт 05, 2011 16:47:57
Сообщений: 151
Рейтинг сообщения: 0
Прошил получилось ,осталось припаять экран....А ОБНОВЛЕНИЕ СКОРОО БУДЕТ? ШНУРОК поменял и прошилось ресет не трогал.


Вернуться наверх
 
Не в сети
 Заголовок сообщения: Re: Измеритель всего, что попадется под руку (RLC-метр)
СообщениеДобавлено: Пн окт 14, 2013 16:41:36 
Грызет канифоль

Карма: 4
Рейтинг сообщений: 19
Зарегистрирован: Пн май 21, 2012 20:00:23
Сообщений: 291
Рейтинг сообщения: 0
yur45 писал(а):
МИКРОСХЕМА зарядки дорогая 10гр(дороже чем проц)
брал в магазине за 5 грн, за эти деньги наверное самый вменяемый вариант. проц стоит подороже)
стабилизатор mcp1703 в корпусе SOT-89 стоит в ДВА раза дешевле чем в SOT-23, переразвести платку две минуты)
Neekeetos, спасибо, обнадёжили) Будем ставить.


Вернуться наверх
 
Не в сети
 Заголовок сообщения: Re: Измеритель всего, что попадется под руку (RLC-метр)
СообщениеДобавлено: Пн окт 14, 2013 19:23:57 
Нашел транзистор. Понюхал.

Зарегистрирован: Ср окт 05, 2011 16:47:57
Сообщений: 151
Рейтинг сообщения: 0
У нас в Донецке 3арядки 10гр,1703 -5гр, поставил LP2950-за 2гр.f100c4t6-10гр и STM и зарядки ни купить

Да вопрос? Щупы кельвина? Губки друг от друга изолированы?


Вернуться наверх
 
Не в сети
 Заголовок сообщения: Re: Измеритель всего, что попадется под руку (RLC-метр)
СообщениеДобавлено: Пн окт 14, 2013 19:50:59 
Держит паяльник хвостом
Аватар пользователя

Карма: 20
Рейтинг сообщений: 245
Зарегистрирован: Пн сен 18, 2006 11:16:05
Сообщений: 993
Откуда: Тула
Рейтинг сообщения: 0
yur45 писал(а):
Да вопрос? Щупы кельвина? Губки друг от друга изолированы?
У меня просто каждая пара проводов доходит до крокодила и там соединяется в одной точке, Можно и полноценные сделать, будет даже лучше.

_________________
Информация по RLC mini находится >тут<


Вернуться наверх
 
Не в сети
 Заголовок сообщения: Re: Измеритель всего, что попадется под руку (RLC-метр)
СообщениеДобавлено: Вт окт 15, 2013 14:32:24 
Держит паяльник хвостом
Аватар пользователя

Карма: 20
Рейтинг сообщений: 245
Зарегистрирован: Пн сен 18, 2006 11:16:05
Сообщений: 993
Откуда: Тула
Рейтинг сообщения: 0
yur45 писал(а):
А ОБНОВЛЕНИЕ СКОРОО БУДЕТ?

Небольшое обновление. Удалось впихнуть в прошивку несколько тестовых частот от 1к до 100к, пока что я проверяю как все работает, скоро будет обновление.

_________________
Информация по RLC mini находится >тут<


Вернуться наверх
 
Не в сети
 Заголовок сообщения: Re: Измеритель всего, что попадется под руку (RLC-метр)
СообщениеДобавлено: Пт окт 18, 2013 14:02:54 
Открыл глаза
Аватар пользователя

Зарегистрирован: Ср май 30, 2012 11:02:42
Сообщений: 65
Откуда: Харьков
Рейтинг сообщения: 0
добрый день! приборчик мне понравился сразу, простая схема, плата мелкая получилась(делал свою разводку). Для повседневных работа то что надо! спасибо автору.
Но при наладке появилась проблема.
Не работает дисплей, т.е. ничего не показывает. Пробовал два рабочих дисплея, один китайский с интернет магазина, а второй выпаял с рабочего телефона.
Осцилографом посмотрел на пины SCK и MOSI, там понулям. CS постоянно подтянут на +3. Щупом пробовал и на дисплее, и на выводах МК.
Прошивку брал из статьи.
МК прошит с помощью ST-link, без проблем. Прибор вроде работает, на включение/выключение реагирует. Это я смотрю по потреблению (ВКЛ. - 15мА без подсветки, ВЫКЛ. - 90мкА) и по состоянию вывода 13 мк.
Где искать косяк?

_________________
электроКот :)


Вернуться наверх
 
Не в сети
 Заголовок сообщения: Re: Измеритель всего, что попадется под руку (RLC-метр)
СообщениеДобавлено: Пт окт 18, 2013 17:21:44 
Держит паяльник хвостом
Аватар пользователя

Карма: 20
Рейтинг сообщений: 245
Зарегистрирован: Пн сен 18, 2006 11:16:05
Сообщений: 993
Откуда: Тула
Рейтинг сообщения: 0
don_slavone писал(а):
Осцилографом посмотрел на пины SCK и MOSI, там понулям. CS постоянно подтянут на +3. Щупом пробовал и на дисплее, и на выводах МК.
Где искать косяк?
Тестером надо проверять на замыкание дорожек дисплея и на самом мк замыкания пинов. По нормальному там несколько раз в секунду должны быть данные на SCK,MOSI. При включении еще и сброс должен отрабатывать.
А фото платы можно глянуть?

_________________
Информация по RLC mini находится >тут<


Вернуться наверх
 
Не в сети
 Заголовок сообщения: Re: Измеритель всего, что попадется под руку (RLC-метр)
СообщениеДобавлено: Пт окт 18, 2013 17:35:27 
Родился
Аватар пользователя

Зарегистрирован: Сб мар 09, 2013 20:28:34
Сообщений: 11
Рейтинг сообщения: -1
don_slavone писал(а):
добрый день! приборчик мне понравился сразу, простая схема, плата мелкая получилась(делал свою разводку).

Добрый день.
Могли бы вы показать вашу плату, если можно, выложить файл проекта :)


Вернуться наверх
 
Не в сети
 Заголовок сообщения: Re: Измеритель всего, что попадется под руку (RLC-метр)
СообщениеДобавлено: Пт окт 18, 2013 21:11:09 
Открыл глаза
Аватар пользователя

Зарегистрирован: Ср май 30, 2012 11:02:42
Сообщений: 65
Откуда: Харьков
Рейтинг сообщения: 0
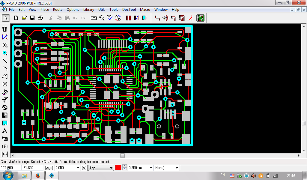
могу пока выложить файл платы, формат PCAD-2004.
фото платы в понедельник, плата на работе осталась)
размер платы 44мм х 28мм
делалась под маленький корпус, чтоб сделать как RLC-пинцет. аккумулятор на 130мА, в китае покупал.


Вложения:
RLC.pcb [185.52 KiB]
Скачиваний: 1688
RLC.png [74.4 KiB]
Скачиваний: 2845

_________________
электроКот :)
Вернуться наверх
 
Показать сообщения за:  Сортировать по:  Вернуться наверх
Начать новую тему Ответить на тему  [ Сообщений: 3443 ]    , , 3, , , ...  

Часовой пояс: UTC + 3 часа


Кто сейчас на форуме

Сейчас этот форум просматривают: нет зарегистрированных пользователей и гости: 23


Вы не можете начинать темы
Вы не можете отвечать на сообщения
Вы не можете редактировать свои сообщения
Вы не можете удалять свои сообщения
Вы не можете добавлять вложения

Найти:
Перейти:  


Powered by phpBB © 2000, 2002, 2005, 2007 phpBB Group
Русская поддержка phpBB
Extended by Karma MOD © 2007—2012 m157y
Extended by Topic Tags MOD © 2012 m157y