Например TDA7294

Форум РадиоКот • Просмотр темы - Выбор ОУ для УКВ приемника с низкой ПЧ.
Форум РадиоКот
Здесь можно немножко помяукать :)

Текущее время: Ср янв 07, 2026 18:33:19

Часовой пояс: UTC + 3 часа


ПРЯМО СЕЙЧАС:



Начать новую тему Ответить на тему  [ Сообщений: 22 ]  1,  
Автор Сообщение
Не в сети
 Заголовок сообщения: Выбор ОУ для УКВ приемника с низкой ПЧ.
СообщениеДобавлено: Вт дек 16, 2014 20:52:20 
Мудрый кот
Аватар пользователя

Карма: 35
Рейтинг сообщений: 279
Зарегистрирован: Сб июл 30, 2011 08:40:10
Сообщений: 1713
Откуда: Россия
Рейтинг сообщения: 0
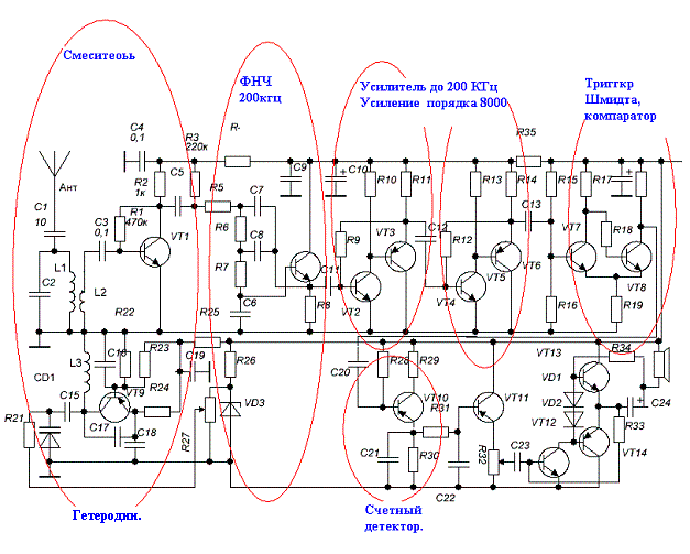
На схеме УКВ приемник с промежуточной частотой порядка 120 КГц, точнее она там в пределах 50 - 200 КГц

Изображение

Приемник работает нормально, но проблема не в этом.
Задумал сделать его с питанием не 9 вольт, а 3 вольта. и вместо транзисторов поставит операционные усилители, желательно сдвоенные.
Отсюда проблема, т.к. мало сталкивался с ОУ.
Нужны ОУ способные работать на частотах не ниже 200 КГЦ, а лучше до 500 КГц и иметь коэффициент усиления по напряжению порядка 80 - 90 и это все при питании 3 вольта.
В триггере Шмидта(компараторе) желательно получить 200 КГц именно прямоугольные импульсы, а это значит, что верхняя частота работы данного ОУ должна быть минимум 1 МГц
Так же и ОУ, что работает в счетном детекторе, хотя триггер Шмидта и счетный детектор можно сделать на логических элементах, но они должны сохранять свою работоспособность до напряжения питания хотя бы 2,5 вольта.
Серия К561 не подходит, т.к. при снижении питания ниже 3 вольта становится непредсказуемой.
Понятно, что можно все это сделать опять же на транзисторах, но хотелось бы перейти на более современную элементную базу.
Ну, а УНЧ я уж как нибудь сам подберу. :)

А это схема без всяки красных кругов.
Вложение:
1транзистор.GIF [20.82 KiB]
Скачиваний: 630


Вложения:
1.GIF [38.76 KiB]
Скачиваний: 2399
Вернуться наверх
 
Не в сети
 Заголовок сообщения: Re: Выбор ОУ для УКВ приемника с низкой ПЧ.
СообщениеДобавлено: Вт дек 16, 2014 21:22:19 
Друг Кота
Аватар пользователя

Карма: 107
Рейтинг сообщений: 1031
Зарегистрирован: Пт дек 17, 2010 15:07:50
Сообщений: 12364
Откуда: Крымский Федеральный Округ
Рейтинг сообщения: 0
Из личного опыта, попробовал бы NE5534 или NE5532. Но у них 3В это жёсткий режим -- за гранью минималки... Хотя и работают вроде у меня. Знакомый больше предпочитает ОУ из серии MCP. Например MCP602. http://www.chipdip.ru/product/mcp602-i-sn/
Выходным каскадом можно попробовать или классический LM356 (не путать с 358) но у неё ниже 4В не регламентировано. Хотя внутри ровно такая же схемка. Или TDA2822. Она от трёх вольт включённая в мост может достаточно громко говорить. Хотя кошернее был бы ВК на двух германиевых. ГТ402/403 кажется...

_________________
Изображение
И ты врёшь!!! © Vladisman
Изображение


Вернуться наверх
 
Не в сети
 Заголовок сообщения: Re: Выбор ОУ для УКВ приемника с низкой ПЧ.
СообщениеДобавлено: Вт дек 16, 2014 21:31:21 
Потрогал лапой паяльник

Карма: 5
Рейтинг сообщений: 43
Зарегистрирован: Сб сен 24, 2011 15:55:02
Сообщений: 359
Откуда: Москва
Рейтинг сообщения: 0
Если бы питание было бы 6 В, я бы посоветовал КР538УН3, а еще лучше К174УР7.

Чтобы получить усиление 80 на частоте 500 КГц, нужно применить ОУ с полосой единичного усиления не менее 40 МГц.
Для питания 3 В это сравнительно редкие птицы.


Последний раз редактировалось mzw Вт дек 16, 2014 21:35:17, всего редактировалось 1 раз.

Вернуться наверх
 
Не в сети
 Заголовок сообщения: Re: Выбор ОУ для УКВ приемника с низкой ПЧ.
СообщениеДобавлено: Вт дек 16, 2014 21:34:58 
Мудрый кот
Аватар пользователя

Карма: 35
Рейтинг сообщений: 279
Зарегистрирован: Сб июл 30, 2011 08:40:10
Сообщений: 1713
Откуда: Россия
Рейтинг сообщения: 0
Если бы питание было 6 вольт, то не было бы и вопроса. Среди 6-ти вольтовых я разбираюсь, а вот с низковольтными не приходилось сталкиваться, да еще на такие частоты.
Приемник должен работать от двух элементов АА
mzw писал(а):
Чтобы получить усиление 80 на частоте 500 КГц, нужно применить ОУ с полосой единичного усиления не менее 40 МГц.
Тогда ничего не мешает поставить три каскада, а усиление одного каскада снизить до 20.
Все в наших руках.
Просто я сейчас собираю сведения, получится проще, если ставить ОУ или оставить по старинке и оставить транзисторы изменив режимы и схемотехнику, если потребуется.
Понятно, что если проблем с переходом на ОУ получиться много, то буду делать на транзисторах.
Вот это и хотелось выяснить.


Вернуться наверх
 
Эиком - электронные компоненты и радиодетали
Не в сети
 Заголовок сообщения: Re: Выбор ОУ для УКВ приемника с низкой ПЧ.
СообщениеДобавлено: Вт дек 16, 2014 21:44:09 
Друг Кота
Аватар пользователя

Карма: 107
Рейтинг сообщений: 1031
Зарегистрирован: Пт дек 17, 2010 15:07:50
Сообщений: 12364
Откуда: Крымский Федеральный Округ
Рейтинг сообщения: 0
Из распространённых можно получить что-то вроде той же 602ой:

Скорость нарастания выходного напряжения (VU): 2.3 В/мкс
Граничная частота усиления (Fгр): 2.8 МГц


Это усиление порядка 14 на частоте в 200кГц... Не самое лучшее, но...

_________________
Изображение
И ты врёшь!!! © Vladisman
Изображение


Вернуться наверх
 
Не в сети
 Заголовок сообщения: Re: Выбор ОУ для УКВ приемника с низкой ПЧ.
СообщениеДобавлено: Вт дек 16, 2014 21:46:36 
Мудрый кот
Аватар пользователя

Карма: 35
Рейтинг сообщений: 279
Зарегистрирован: Сб июл 30, 2011 08:40:10
Сообщений: 1713
Откуда: Россия
Рейтинг сообщения: 0
просто КОТ писал(а):
вроде той же 602ой
Принял к сведению.
Подожду,может еще кто подскажет.


Вернуться наверх
 
Не в сети
 Заголовок сообщения: Re: Выбор ОУ для УКВ приемника с низкой ПЧ.
СообщениеДобавлено: Вт дек 16, 2014 23:18:34 
Потрогал лапой паяльник

Карма: 5
Рейтинг сообщений: 43
Зарегистрирован: Сб сен 24, 2011 15:55:02
Сообщений: 359
Откуда: Москва
Рейтинг сообщения: 0
В таком случае, в качестве усилителя можно использовать инверторы микросхем 561 (564) серии, а так же 74НС или 74АС.
Выход инвертора соедините со входом резистором в несколько сотен килоом, и Вы получите отличный усилитель. Сделайте один и проверьте - насколько я помню, его усиление будет несколько сотен раз.
Такие усилители можно соединять с другими элементами схемы и между собой, развязывая конденсаторами.
На них же можно сделать и триггер Шмитта.
При питании 3В ток потребления такого усилителя должен быть небольшим (но, все равно, его стоит проверить).


Вернуться наверх
 
Не в сети
 Заголовок сообщения: Re: Выбор ОУ для УКВ приемника с низкой ПЧ.
СообщениеДобавлено: Вт дек 16, 2014 23:24:10 
Мудрый кот
Аватар пользователя

Карма: 35
Рейтинг сообщений: 279
Зарегистрирован: Сб июл 30, 2011 08:40:10
Сообщений: 1713
Откуда: Россия
Рейтинг сообщения: 0
mzw писал(а):
в качестве усилителя можно использовать инверторы микросхем 561 (564) серии, а так же 74НС или 74АС.
Такой приемник с применением логики у меня тоже есть и он тоже нормально принимает местные станции.
Функционально он ничем не отличается от первого, что на транзисторах.

Изображение

Но как выше писал, 561 серия начинает чудить при напряжении меньше 3 вольта, т.е. когда батарейка подсядет.

А это этот же приемник, но добавлен УВЧ.
Вложение:
11.GIF [28.84 KiB]
Скачиваний: 614

Вместо К174ПС1 и в этой схеме смеситель и гетеродин можно поставить на транзисторах, как и в первой схеме.


Вложения:
111.GIF [26.8 KiB]
Скачиваний: 6370
Вернуться наверх
 
Не в сети
 Заголовок сообщения: Re: Выбор ОУ для УКВ приемника с низкой ПЧ.
СообщениеДобавлено: Ср дек 17, 2014 01:20:58 
Грызет канифоль
Аватар пользователя

Карма: 3
Рейтинг сообщений: 44
Зарегистрирован: Пн фев 02, 2009 08:19:53
Сообщений: 266
Откуда: Москва
Рейтинг сообщения: 0
Погуглите LMH6642/6643/6644, должны подойти.


Вернуться наверх
 
Не в сети
 Заголовок сообщения: Re: Выбор ОУ для УКВ приемника с низкой ПЧ.
СообщениеДобавлено: Ср дек 17, 2014 09:48:31 
Собутыльник Кота
Аватар пользователя

Карма: 47
Рейтинг сообщений: 911
Зарегистрирован: Ср дек 04, 2013 14:37:35
Сообщений: 2879
Откуда: Санкт Петербург
Рейтинг сообщения: 0
Всем привет,

ИМХО. Низковольтный приёмник с низкой ПЧ, можно сделать всего на одной ИС, если взять специализированную ИС РП. Напряжение питания от 1,8 В. TDA7021 SC1088

Вот даташиты.

http://files.domcxem.ru/infocenter/%D0%A0%D0%B0%D0%B4%D0%B8%D0%BE%D0%BF%D1%80%D0%B8%D1%91%D0%BC/tda7021t.pdf
http://files.domcxem.ru/infocenter/%D0% ... uto_ds.pdf

Вот цифровая шкала к такому РП - SC3610
http://files.domcxem.ru/infocenter/%D0%A0%D0%B0%D0%B4%D0%B8%D0%BE%D0%BF%D1%80%D0%B8%D1%91%D0%BC/SC3610_%D0%A6%D0%A8150%D0%9C%D0%93%D1%86_%D0%96%D0%9A%D0%B8%D0%BD%D0%B4.pdf

_________________
С уважением, ВикторС.


Вернуться наверх
 
Не в сети
 Заголовок сообщения: Re: Выбор ОУ для УКВ приемника с низкой ПЧ.
СообщениеДобавлено: Ср дек 17, 2014 09:58:17 
Друг Кота
Аватар пользователя

Карма: 107
Рейтинг сообщений: 1031
Зарегистрирован: Пт дек 17, 2010 15:07:50
Сообщений: 12364
Откуда: Крымский Федеральный Округ
Рейтинг сообщения: 0
Виктор -- решение то рабочее, но пропадает антирес.. А вот вышеназванные LMH очень даже интересны... Я только не очень понял где и почём купить... Но у них граничная частота выходит некислая. Очень даже так впечатляюще...

_________________
Изображение
И ты врёшь!!! © Vladisman
Изображение


Вернуться наверх
 
Не в сети
 Заголовок сообщения: Re: Выбор ОУ для УКВ приемника с низкой ПЧ.
СообщениеДобавлено: Ср дек 17, 2014 10:24:21 
Собутыльник Кота
Аватар пользователя

Карма: 47
Рейтинг сообщений: 911
Зарегистрирован: Ср дек 04, 2013 14:37:35
Сообщений: 2879
Откуда: Санкт Петербург
Рейтинг сообщения: 0
LMH6642MF/NOPB - 121 рубль, в Санкт Петербурге. Другие, из этой серии не проверял.

Если топикстартер хочет сделать себе не просто радиоприёмник, а РП с низкой ПЧ, низковольтным питанием и ещё на ИС - такое ТЗ он себе поставил, то это желание достойно уважения похвалы как проявление самоотверженной радиолюбительской практики. А бывает наоборот - человеку нужен РП, а кто то его на кривую дорожку эксперементаторства отправил блудить...

_________________
С уважением, ВикторС.


Вернуться наверх
 
Не в сети
 Заголовок сообщения: Re: Выбор ОУ для УКВ приемника с низкой ПЧ.
СообщениеДобавлено: Ср дек 17, 2014 10:33:06 
Мудрый кот
Аватар пользователя

Карма: 35
Рейтинг сообщений: 279
Зарегистрирован: Сб июл 30, 2011 08:40:10
Сообщений: 1713
Откуда: Россия
Рейтинг сообщения: 0
Вы угадали.
Приемник мне не нужен. У меня их на столе больше десятка валяется, какие то работают, а некоторые пришлось забросить.
Делаю ради самого процесса и для того, что бы проверить кое какие свои предположения.
А на операционники решил попробовать перейти для получения опыта, т.к. мало имел с ними дела и почему то считал, что получится проще, но как понимаю, ошибся. Вряд ли они упростят мне дело на сотнях килогерц в отличии от транзисторов даже КТ315, для которых усиление в 10 000 на данных частотах проблем не создает.


Вернуться наверх
 
Не в сети
 Заголовок сообщения: Re: Выбор ОУ для УКВ приемника с низкой ПЧ.
СообщениеДобавлено: Ср дек 17, 2014 10:46:40 
Друг Кота
Аватар пользователя

Карма: 107
Рейтинг сообщений: 1031
Зарегистрирован: Пт дек 17, 2010 15:07:50
Сообщений: 12364
Откуда: Крымский Федеральный Округ
Рейтинг сообщения: 0
Выходит что за стабильность операционников нам приходится платить частотой. Для многих она ограничена сильно... И только специализированные лишены этой проблемы. Но... Так не интересно... Потому, когда требовалось усилить мне сигнал в пару мегагерц я заметил... Что КТ315 не уступает простым операционникам... Единственно что у него Кус приходится подгонять...

_________________
Изображение
И ты врёшь!!! © Vladisman
Изображение


Вернуться наверх
 
Не в сети
 Заголовок сообщения: Re: Выбор ОУ для УКВ приемника с низкой ПЧ.
СообщениеДобавлено: Ср дек 17, 2014 10:56:57 
Собутыльник Кота
Аватар пользователя

Карма: 47
Рейтинг сообщений: 911
Зарегистрирован: Ср дек 04, 2013 14:37:35
Сообщений: 2879
Откуда: Санкт Петербург
Рейтинг сообщения: 0
Для справки.
Триггер Шмитта на 2ХКТ315 уверенно запускает К555ТМ2 на частоте до 90 МГц.

_________________
С уважением, ВикторС.


Вернуться наверх
 
Не в сети
 Заголовок сообщения: Re: Выбор ОУ для УКВ приемника с низкой ПЧ.
СообщениеДобавлено: Ср дек 17, 2014 11:39:53 
Прорезались зубы
Аватар пользователя

Карма: 1
Рейтинг сообщений: 14
Зарегистрирован: Чт июн 03, 2010 12:23:55
Сообщений: 217
Откуда: Выхино
Рейтинг сообщения: 0
прям сейчас юзаю сдвоенный ОУ MAX4016 и ЧИП-ДИПе 84руб
похоже не плохая штука
однополярное питание 3-5V и 150MHz -3dB Bandwidth


Вернуться наверх
 
Не в сети
 Заголовок сообщения: Re: Выбор ОУ для УКВ приемника с низкой ПЧ.
СообщениеДобавлено: Ср дек 17, 2014 12:06:09 
Друг Кота
Аватар пользователя

Карма: 107
Рейтинг сообщений: 1031
Зарегистрирован: Пт дек 17, 2010 15:07:50
Сообщений: 12364
Откуда: Крымский Федеральный Округ
Рейтинг сообщения: 0
ВикторС писал(а):
Для справки.
Триггер Шмитта на 2ХКТ315 уверенно запускает К555ТМ2 на частоте до 90 МГц.

Это же выходит на ТТЛ схемка, а быстрая, шустрая ЭСЛ?

_________________
Изображение
И ты врёшь!!! © Vladisman
Изображение


Вернуться наверх
 
Не в сети
 Заголовок сообщения: Re: Выбор ОУ для УКВ приемника с низкой ПЧ.
СообщениеДобавлено: Ср дек 17, 2014 12:15:02 
Собутыльник Кота
Аватар пользователя

Карма: 47
Рейтинг сообщений: 911
Зарегистрирован: Ср дек 04, 2013 14:37:35
Сообщений: 2879
Откуда: Санкт Петербург
Рейтинг сообщения: 0
ЭСЛ сейчас не очень широко распространена и нужно сильно думать перед тем, как её ставить в радиолюбительскую конструкцию.
Быстрая ТТЛ - КР1531... 3 нс - более доступна.

_________________
С уважением, ВикторС.


Вернуться наверх
 
Не в сети
 Заголовок сообщения: Re: Выбор ОУ для УКВ приемника с низкой ПЧ.
СообщениеДобавлено: Ср дек 17, 2014 12:31:47 
Друг Кота
Аватар пользователя

Карма: 107
Рейтинг сообщений: 1031
Зарегистрирован: Пт дек 17, 2010 15:07:50
Сообщений: 12364
Откуда: Крымский Федеральный Округ
Рейтинг сообщения: 0
Я про получившийся Триггер Шмидта на двух КТ315. От быстрый, говорю, по этому.

_________________
Изображение
И ты врёшь!!! © Vladisman
Изображение


Вернуться наверх
 
Не в сети
 Заголовок сообщения: Re: Выбор ОУ для УКВ приемника с низкой ПЧ.
СообщениеДобавлено: Ср дек 17, 2014 15:26:24 
Друг Кота
Аватар пользователя

Карма: 174
Рейтинг сообщений: 1910
Зарегистрирован: Пт дек 12, 2014 09:36:15
Сообщений: 23267
Откуда: Минск
Рейтинг сообщения: 0
Медали: 2
Получил миской по аватаре (1) Мявтор 3-й степени (1)
http://eicom.ru/pdf/datasheet/Freescale ... 34119.html
Выходной низковольтный усилитель рекомендую использовать МС34119.


Вернуться наверх
 
Показать сообщения за:  Сортировать по:  Вернуться наверх
Начать новую тему Ответить на тему  [ Сообщений: 22 ]  1,  

Часовой пояс: UTC + 3 часа


Кто сейчас на форуме

Сейчас этот форум просматривают: нет зарегистрированных пользователей и гости: 34


Вы не можете начинать темы
Вы не можете отвечать на сообщения
Вы не можете редактировать свои сообщения
Вы не можете удалять свои сообщения
Вы не можете добавлять вложения

Найти:
Перейти:  


Powered by phpBB © 2000, 2002, 2005, 2007 phpBB Group
Русская поддержка phpBB
Extended by Karma MOD © 2007—2012 m157y
Extended by Topic Tags MOD © 2012 m157y