|
Часовой пояс: UTC + 3 часа |
| ПРЯМО СЕЙЧАС: |
|
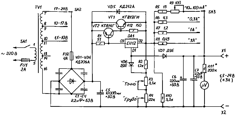
Блок питания на LM723
Узелки:
|
Страница 1 из 1 |
[ Сообщений: 16 ] |
|
|
| Автор | Сообщение | |||||
|---|---|---|---|---|---|---|
Belous2k
|
|
|||||
Зарегистрирован: Чт май 28, 2009 20:17:05 Сообщений: 51 Рейтинг сообщения: 0 |
|
|||||
| Вернуться наверх | |
|||||
| Реклама | ||||
|
|
|
|||
Borodach
|
|
||||
Карма: 120 Рейтинг сообщений: 1088 Зарегистрирован: Пн дек 08, 2008 19:28:04 Сообщений: 22859 Откуда: 10км от Москвы на Север Рейтинг сообщения: 0 |
|
||||
| Вернуться наверх | |
||||
| Реклама | ||||
|
|
|
|||
Belous2k
|
|
|||
Зарегистрирован: Чт май 28, 2009 20:17:05 Сообщений: 51 Рейтинг сообщения: 0 |
|
|||
| Вернуться наверх | |
|||
Borodach
|
|
||||||
Карма: 120 Рейтинг сообщений: 1088 Зарегистрирован: Пн дек 08, 2008 19:28:04 Сообщений: 22859 Откуда: 10км от Москвы на Север Рейтинг сообщения: 0 |
|
||||||
| Вернуться наверх | |
||||||
| Реклама | ||||
|
|
|
|||
Borodach
|
|
||||||
Карма: 120 Рейтинг сообщений: 1088 Зарегистрирован: Пн дек 08, 2008 19:28:04 Сообщений: 22859 Откуда: 10км от Москвы на Север Рейтинг сообщения: 0 |
|
||||||
| Вернуться наверх | |
||||||
| Реклама | ||||
|
|
|
|||
Borodach
|
|
||||||
Карма: 120 Рейтинг сообщений: 1088 Зарегистрирован: Пн дек 08, 2008 19:28:04 Сообщений: 22859 Откуда: 10км от Москвы на Север Рейтинг сообщения: 0 |
|
||||||
| Вернуться наверх | |
||||||
| Реклама | ||||
|
|
|
|||
Belous2k
|
|
|||
Зарегистрирован: Чт май 28, 2009 20:17:05 Сообщений: 51 Рейтинг сообщения: 0 |
|
|||
| Вернуться наверх | |
|||
Borodach
|
|
||||
Карма: 120 Рейтинг сообщений: 1088 Зарегистрирован: Пн дек 08, 2008 19:28:04 Сообщений: 22859 Откуда: 10км от Москвы на Север Рейтинг сообщения: 0 |
|
||||
| Вернуться наверх | |
||||
Borodach
|
|
||||
Карма: 120 Рейтинг сообщений: 1088 Зарегистрирован: Пн дек 08, 2008 19:28:04 Сообщений: 22859 Откуда: 10км от Москвы на Север Рейтинг сообщения: 0 |
|
||||
| Вернуться наверх | |
||||
| Реклама | ||||
|
|
|
|||
Сэр Мурр
|
|
||||
Карма: 46 Рейтинг сообщений: 236 Зарегистрирован: Чт окт 27, 2005 18:50:07 Сообщений: 11169 Откуда: из мест не столь отдалённых Рейтинг сообщения: 0 Медали: 2
|
|
||||
| Вернуться наверх | |
||||
Belous2k
|
|
|||
Зарегистрирован: Чт май 28, 2009 20:17:05 Сообщений: 51 Рейтинг сообщения: 0 |
|
|||
| Вернуться наверх | |
|||
Borodach
|
|
||||
Карма: 120 Рейтинг сообщений: 1088 Зарегистрирован: Пн дек 08, 2008 19:28:04 Сообщений: 22859 Откуда: 10км от Москвы на Север Рейтинг сообщения: 0 |
|
||||
| Вернуться наверх | |
||||
Belous2k
|
|
|||
Зарегистрирован: Чт май 28, 2009 20:17:05 Сообщений: 51 Рейтинг сообщения: 0 |
|
|||
| Вернуться наверх | |
|||
Belous2k
|
|
|||||
Зарегистрирован: Чт май 28, 2009 20:17:05 Сообщений: 51 Рейтинг сообщения: 0 |
|
|||||
| Вернуться наверх | |
|||||
Borodach
|
|
||||||
Карма: 120 Рейтинг сообщений: 1088 Зарегистрирован: Пн дек 08, 2008 19:28:04 Сообщений: 22859 Откуда: 10км от Москвы на Север Рейтинг сообщения: 0 |
|
||||||
| Вернуться наверх | |
||||||
Belous2k
|
|
|||
Зарегистрирован: Чт май 28, 2009 20:17:05 Сообщений: 51 Рейтинг сообщения: 0 |
|
|||
| Вернуться наверх | |
|||
|
Страница 1 из 1 |
[ Сообщений: 16 ] |
|
Часовой пояс: UTC + 3 часа |
Кто сейчас на форуме |
Сейчас этот форум просматривают: нет зарегистрированных пользователей и гости: 26 |
| Вы не можете начинать темы Вы не можете отвечать на сообщения Вы не можете редактировать свои сообщения Вы не можете удалять свои сообщения Вы не можете добавлять вложения |









