Например TDA7294

Форум РадиоКот • Просмотр темы - Радиоуправление: делаем сами.
Форум РадиоКот
Здесь можно немножко помяукать :)

Текущее время: Чт янв 22, 2026 06:32:16

Часовой пояс: UTC + 3 часа


ПРЯМО СЕЙЧАС:



Начать новую тему Ответить на тему  [ Сообщений: 1142 ]     ... , , , 39, , , ...  
Автор Сообщение
Не в сети
 Заголовок сообщения: Re: Радиоуправление: делаем сами.
СообщениеДобавлено: Вс янв 03, 2016 17:07:13 
Грызет канифоль

Карма: 5
Рейтинг сообщений: 2
Зарегистрирован: Пн авг 12, 2013 21:24:55
Сообщений: 291
Рейтинг сообщения: 1
Роман интересно МК будет два маленьких или один большой. :) Передатчиков все равно два, один в пульте и в модели, хотя в вашей идее тоже есть выигрыш. Переложить на плечи МК стабилизацию частоты или перестройку приемника вслед за передатчиком или удержание частоты гпд приемника программно вроде апчг. Дайте хоть немного поучиться собирать приемники, :solder: а то так и не научусь. :(


Вернуться наверх
 
Не в сети
 Заголовок сообщения: Re: Радиоуправление: делаем сами.
СообщениеДобавлено: Вс янв 03, 2016 17:45:22 
Держит паяльник хвостом
Аватар пользователя

Карма: 42
Рейтинг сообщений: 393
Зарегистрирован: Ср июн 27, 2007 17:09:12
Сообщений: 970
Рейтинг сообщения: 0
Денис писал(а):
Передатчик по интерполяционной схеме со смесителем.
В общем попробовал я интерполяционный генератор на макетке.

Изображение

Трансформатор на ферритовом кольце 3х8 витков.
Как бы все работает. Стабильность тоже приемлемая.

LC генератор взял как в этой теме.
viewtopic.php?p=1620846#p1620846

Кварцевый генератор по схеме, что и в этом приемнике.
viewtopic.php?p=2529255#p2529255
Часть 7.
Радиостанции на основе микросхем TDA7021 и TDA7000.


Изображение

Т.к. в приемник хочу сначала поставить керамический фильтр на 4,5 МГц, то получил на выходе 64,5 МГц.
Пробовал также получать 65,5 МГц и 66,5 МГц
Это на случай, если фильтры в приемнике придется ставить на 5,5 МГц или на 6,5 МГц если фильтр на 4,5 МГц не захочет работать, т.к. я даже не помню, откуда его вытащил.


Вложения:
2.GIF [32.52 KiB]
Скачиваний: 4603
3.GIF [4.76 KiB]
Скачиваний: 2215
Вернуться наверх
 
Не в сети
 Заголовок сообщения: Re: Радиоуправление: делаем сами.
СообщениеДобавлено: Вс янв 03, 2016 22:52:58 
Друг Кота

Карма: -1
Рейтинг сообщений: 86
Зарегистрирован: Вт мар 13, 2012 12:16:13
Сообщений: 8910
Откуда: .ru
Рейтинг сообщения: 0
MASIK писал(а):
МК будет два маленьких или один большой

Будет один маленький...))) Он у нас уже есть. Для управления приёмником нужно всего два вывода МК.
1- АЦП цепляем к выходу детектора приёмника. Напряжение детектора > точная настройка > апчг с памятью (запись в МК).
2- ШИМ цепляем к варикапу (через ФНЧ... RC).
Получаем: сканер свободных каналов +поиск/захват/удержание +перескок частоты...
Всё. :tea:

В случае использования FM приёмника, стабильность ГПД достаточна... поэтому АПЧГ будет включаться иногда, при изменении питания или температуры. Ты же когда слушаешь FM приёмник, ты же не подкручиваешь настройку постоянно.)))

Преимущество: никаких кварцев... любой FM приёмник... многоканальность (выбор свободного канала/защита от помех)... и т.д.

Недостаток: для работы схемы нужен чуть больше уровень сигнала, чем без АПЧГ... Для работы АПЧГ нужно хотябы минимальное напряжение на выходе детектора... Соответственно максимальная дальность чуть-чуть меньше. И чуть сложней программа)))
MASIK писал(а):
Дайте хоть немного поучиться собирать приемники, :solder: а то так и не научусь. :(

ктож не даёт... ))))
Я FM приёмники не люблю из-за малой чувствительности (по сравнению с узкополосными...), но для радиоуправления малого радиуса действия пойдёт. :tea:


Вернуться наверх
 
Не в сети
 Заголовок сообщения: Re: Радиоуправление: делаем сами.
СообщениеДобавлено: Чт янв 07, 2016 15:57:00 
Грызет канифоль

Карма: 5
Рейтинг сообщений: 2
Зарегистрирован: Пн авг 12, 2013 21:24:55
Сообщений: 291
Рейтинг сообщения: 0
ВСЕХ с РОЖДЕСТВОМ ХРИСТОВЫМ!!! :beer:
Набросал схему. Схема передатчика немного усложнилась но не намного, зато теперь более универсальна. Можно применять с любой ПЧ, частота генератора ПЧ зависит от выбранной частоты ПЧ, а также любые кварцы которые есть в наличии. Проверьте всё ли правильно нарисовано, а то с меня конструктор не кудышний особенно согласование каскадов. При такой схематике АПЧГ завести навряд ли выйдет.


Вернуться наверх
 
Эиком - электронные компоненты и радиодетали
Не в сети
 Заголовок сообщения: Re: Радиоуправление: делаем сами.
СообщениеДобавлено: Чт янв 07, 2016 18:17:57 
Держит паяльник хвостом
Аватар пользователя

Карма: 42
Рейтинг сообщений: 393
Зарегистрирован: Ср июн 27, 2007 17:09:12
Сообщений: 970
Рейтинг сообщения: 0
MASIK писал(а):
Набросал схему.
Это хорошо, а то у меня схема почти такая же, но рисовать мне лень, да и долго у меня получается.
Немного схему подкорректировал.
Это в генераторе LC.
Резистор R3 стоит 3 ком. Подбирается так, что бы синусоида была красивая.

Изображение

Главное это сделать в генераторе LC стабильную катушку. Про это много написано. Подход такой же, как и катушка в ГПД трансивера. Можно почитать как их делают и у нас где то тема есть по этому вопросу.
Во всяком случае у меня уход не более 10 кГц, что в данном случае достаточно.

У меня питание передатчика 9 вольт, а приемника 6 вольт, т.к. К174УР3 при напряжении меньше 5 вольт плохо работает.
Следующий приемник, что будет полностью на транзисторах сделаю с питанием 4,5 вольта.

Усилитель мощности оконечный я не паял. Не дошел до него, да и для проверки он не нужен. У меня только предоконечный.

Изображение

Сегодня закончил с приемником.
Т.к. ТА2003 у меня нет, то делал на основе К174УР3. Промежуточная частота 6,5 МГц. Фильтр вытащил из старого телевизора.
Это АЧХ УПЧ.

Изображение

Это S-кривая частотного детектора.

Изображение

Это импульсы на выходе частотного детектора.
Частота импульсов где то 1,5 кГц. Девиация в передатчике порядка ±50 кГц.

Изображение

Я их немного усилил и подал на триггер Шмидта.

Изображение

Это импульсы на выходе после формирователя. Это уже можно на МК подавать.
Я там пачки подавал из семи импульсов, потом пауза и снова пачка.

Изображение

Это раздвинул на осциллографе, что бы было видно вторую пачку.

Изображение

Подробнее потом напишу.

Главное там это настройка схемы после частотного детектора. Подбор уровней срабатывания порогового элемента. У меня триггер Шмидта на транзисторах, хотя если применить ОУ, то настройка облегчается, но с ОУ я потом поэкспериментирую, когда буду пробовать приемник без микросхем.
Вероятно попробую с низкой ПЧ.

Т.е. настройка самого приемника до детектора особенностей не имеет, а вот обработка сигнала после ЧД должна быть особо тщательной.
Как я настраивал, потом напишу когда схему нарисую.


Вложения:
3.JPG [3.88 KiB]
Скачиваний: 1914
пачка1.JPG [4.67 KiB]
Скачиваний: 2202
пачка.JPG [4.27 KiB]
Скачиваний: 2207
2.JPG [12.25 KiB]
Скачиваний: 1929
1.JPG [7.1 KiB]
Скачиваний: 2135
упч.JPG [4.11 KiB]
Скачиваний: 1893
1.GIF [7.72 KiB]
Скачиваний: 2215
ген.GIF [13.25 KiB]
Скачиваний: 7008
Вернуться наверх
 
Не в сети
 Заголовок сообщения: Re: Радиоуправление: делаем сами.
СообщениеДобавлено: Чт янв 07, 2016 18:27:05 
Друг Кота

Карма: -1
Рейтинг сообщений: 86
Зарегистрирован: Вт мар 13, 2012 12:16:13
Сообщений: 8910
Откуда: .ru
Рейтинг сообщения: 0
MASIK писал(а):
ВСЕХ с РОЖДЕСТВОМ ХРИСТОВЫМ!!!

опять праздники... ))) :beer:

Ну в целом схема конечно работать будет, если правильно всё настроить...
АПЧГ можно сдлать и в передатчике... "ГПД ПЧ" передатчика будет подстраиваться под частоту гетеродина приёмника (у нас же кораблик с обратной связью). Только схема будет работать ещё хуже (не надёжно и больше боится помех), чем с АПЧГ в приёмнике...

В идеале вообще нужно всё делать на фиксированной частоте (нескольких частот) без всяких АПЧГ, на кварцах (или синтезаторе).

Денис хотел сделать максимально простой радиоканал...
Максимально простой... я думаю простой FM приёмник (можно с АПЧГ) + простой передатчик на кварце (можно на ГПД). Хотя дальность будет меньше... :roll:


Вернуться наверх
 
Не в сети
 Заголовок сообщения: Re: Радиоуправление: делаем сами.
СообщениеДобавлено: Чт янв 07, 2016 19:20:52 
Поставщик валерьянки для Кота
Аватар пользователя

Карма: 81
Рейтинг сообщений: 444
Зарегистрирован: Чт дек 27, 2012 20:46:09
Сообщений: 2029
Откуда: Болгария, г. Лом
Рейтинг сообщения: 0
На барьернъм генератором делал измеритель Lx. Заметил нестабилности амплитудъ генератора. Скорее всего здесь - одна и та-же индуктивность - еффект не будет наблюдатсь, но я схему даю
Изображение

_________________
Лом - ето город в Болгарии, а не инструмент юстировки електроники.


Вернуться наверх
 
Не в сети
 Заголовок сообщения: Re: Радиоуправление: делаем сами.
СообщениеДобавлено: Чт янв 07, 2016 19:52:51 
Друг Кота

Карма: -1
Рейтинг сообщений: 86
Зарегистрирован: Вт мар 13, 2012 12:16:13
Сообщений: 8910
Откуда: .ru
Рейтинг сообщения: 0
У меня тоже ровненькая S-кривая... Но есть ещё маленький момент - нелинейность варикапа. Когда подаём на варикап сигнал большой амплитуды, то получаем нелинейную ЧМ модуляцию...
Вложение:
варикап.jpg [88.23 KiB]
Скачиваний: 749

И на выходе детектора приёмника получаем что длительность и пауза импульсов не равны... Идеального меандра не получим.

Т.к. у меня задающий генератор на кварце, то для высокой стабильность КГ мне приходилось подавать максимальный сигнал на варикап. А в приёмнике приходилось подстраивать порог компаратора...
Но для ГПД это не проблема (при правильном выборе амплитуды сигнала и диапазона перестройки ГПД, чтобы сигнал был в более линейной области варикапа). :)
MASIK писал(а):
Набросал схему...

Александр... а тебе не кажется что получается слишком "навороченная" схема? ))
Вложение:
Приемник 2.rar [143.43 KiB]
Скачиваний: 252


Резистор не забудь)) Выход МК идёт на варикап (сначала на кондёр). МК не любит когда вывод идёт прямо на конденсатор. ))
Вложение:
ген.jpg [37.3 KiB]
Скачиваний: 637


Вернуться наверх
 
Не в сети
 Заголовок сообщения: Re: Радиоуправление: делаем сами.
СообщениеДобавлено: Пт янв 08, 2016 20:28:18 
Грызет канифоль

Карма: 5
Рейтинг сообщений: 2
Зарегистрирован: Пн авг 12, 2013 21:24:55
Сообщений: 291
Рейтинг сообщения: 0
roman.com писал(а):
Александр... а тебе не кажется что получается слишком "навороченная" схема? ))

Да кажется, кажется, хочешь что бы было как лучше а выходит как всегда. Хотя схема имеет и свои достоинства. Денис -огромное спасибо за проделанную работу. :beer: :beer: :beer: Если применить частоту ПЧ 455 – 465 кгц, думаю чем ниже частота тем более стабильно работает генератор и сильно не плывет. С другой стороны ширина фильтра на 455 – 465кгц уже чем 10,7мгц, можем уплыть совсем. Не помню точно в пультах от телевизоров стоит кварц на 500 кгц или на 455кгц, пластмассовые желтенькие такие маленькие. Но опять на таких низких частотах может и не потянуться на 5-7 кгц. Давайте подумаем какие варианты есть еще. С учётом того что у нас нету парных кварцев с разностью в пч. Этот вариант есть первый. Второй как предлагает Роман -- Кварцованный передатчик, приемник на одной микросхеме с гпд по даташиту и апчг под управлением микроконтроллера. И выношу на рассмотрение третий вариант, так с табуреток не падать от смеха не лопаца :)) и сильно не пинать. Вариант с трансивером построенным по реверсивной схеме пч. Например всем известный «Клопик» . Роман манчестеру что лучше CW или SSB. :)) Удовлетворяет все требования и помехо устойчивости, и частота стабилизирована двумя кварцами. Кварцевый фильтр можно самый простой трех звенный и без особой настройки нам полоса в 3кгц не нужна можно и по шире и по уже, каких кварцев много на таких и пч. Что Уважаемые Коты скажете.
Да начали с ЧМ а дошли до чего ……..? Или мой кораблик с чм точно не выйдет с дока.


Вернуться наверх
 
Не в сети
 Заголовок сообщения: Re: Радиоуправление: делаем сами.
СообщениеДобавлено: Пт янв 08, 2016 21:47:41 
Держит паяльник хвостом
Аватар пользователя

Карма: 42
Рейтинг сообщений: 393
Зарегистрирован: Ср июн 27, 2007 17:09:12
Сообщений: 970
Рейтинг сообщения: 0
MASIK писал(а):
: Если применить частоту ПЧ 455 – 465 кгц, думаю чем ниже частота тем более стабильно работает генератор и сильно не плывет. С другой стороны ширина фильтра на 455 – 465кгц уже чем 10,7мгц, можем уплыть совсем.
Во первых после смесителя получим три частоты с генератором на 60 МГц
1. 60 МГц
2. 60,465 МГц
3. 59,535 МГц
Выделить нужно будет или 2 или 3
Представляете какой фильтр понадобиться после смесителя, что бы к примеру выделить 60,465 МГц и подавить 60 МГц ?
Т.е. это нереально.
Во вторых, нам нужна абсолютная нестабильность порядка 1/10 от ширины полосы пропускания УПЧ приемника.
Т.о. При широкополосной ЧМ нужна абсолютная нестабильность LC генератора порядка десятков килогерц, т.к. ширина полосы пропускания керамического фильтра на 6,5 МГц и 10,7 МГц порядка 200 – 300 кГц
У фильтра на 465 кГц полоса единицы килогерц, а значит нестабильность LC генератора нужно будет получить порядка сотен герц, что довольно трудно.
MASIK писал(а):
в пультах от телевизоров стоит кварц на 500 кгц или на 455кгц, пластмассовые желтенькие такие маленькие. Но опять на таких низких частотах может и не потянуться на 5-7 кгц.
Можно ли их перестроить в нужных пределах я не знаю. У меня таких нет и к тому же выше аисал, что смешав десятки мегагерц и сотни килогерц, мы не сможем выделить нужную нам частоту после смесителя.
MASIK писал(а):
как предлагает Роман -- Кварцованный передатчик, приемник на одной микросхеме с гпд по даташиту и апчг под управлением микроконтроллера.
Просто АПЧГ не потянет и будет срываться, а насчет АПЧГ с МК, это пусть он попробует и скажет результаты.
Можно сделать цифровую АПЧ. Думаю какой ни будь PIC потянет 40 – 60 МГц, но в этом я не спец.
Цифровую АПЧ я делал только на логике, а на логике будет слишком громоздко.
Это по сути частотомер и сама схема цифровой АПЧ.
В ж. Радио про это много писали в 80-х годах. Вот оттуда я и делал.
MASIK писал(а):
С учётом того что у нас нету парных кварцев с разностью в пч.
С учетом, что нет парных кварцев, то еще один реальный вариант, это или делать ФСС или делать на отдельных контурах, но их должно быть не менее четырех.
Как уже писал я пробовал с двумя контурами в УПЧ и мне параметры подобного приемника не понравились, хотя он и работал.
В принципе здесь основная проблема, это наличие каркасов для катушек с экранами.
Для частоты в сотни килогерц идеально подойдут катушки, что ставили в старых карманных приемниках.
У меня такие есть, но я их не применял, т.к. задача была, как из ничего сделать что то.
Для частот ы мегагерцы идеально подойдут броневые сердечники из карбонильного железа.
Вот например радиостанция на 60 МГц с промежуточной частотой 1,5 МГц.
Контура намотаны в броневых сердечниках диаметром 9 мм.

Изображение

Подойдут конечно и обычные цилиндрические каркасы, но их придется более тщательно экранировать.
Насчет ФСС на 5 – 10 МГц, то за пример можно взять ФСС из этого УКВ приемника.
Ж. Радио 9-1991 год
http://publ.lib.ru/ARCHIVES/R/''Radio'' ... fax%5d.zip
Я пожалуй такой ФСС для интереса попробую.

Изображение

Думаю можно просто четыре контура сделать по этому принципу.

Изображение

В итоге получается, что для того, что бы советы были конкретные, нужно знать какими возможностями Вы обладаете и уж исходя из этого думать, что делать дальше, т.к. мне тоже неинтересно делать просто из того, что есть в наличии у меня и при этом знать, что повторить это никто не сможет.


Вернуться наверх
 
Не в сети
 Заголовок сообщения: Re: Радиоуправление: делаем сами.
СообщениеДобавлено: Сб янв 09, 2016 12:00:27 
Поставщик валерьянки для Кота
Аватар пользователя

Карма: 81
Рейтинг сообщений: 444
Зарегистрирован: Чт дек 27, 2012 20:46:09
Сообщений: 2029
Откуда: Болгария, г. Лом
Рейтинг сообщения: 0
MASIK,
ЮРИЙ-ФАЗА в ветке Простая УКВ радиостанция с узкополосной ЧМ (20 МГц...50 писал(а):
вот где всем советую кварцы заказывать,не дорого и оперативно!
http://electronic-component.org/shop/kv ... rezonatory


Не верю что не возможно майти кварцъ на нужную частоту.

_________________
Лом - ето город в Болгарии, а не инструмент юстировки електроники.


Вернуться наверх
 
Не в сети
 Заголовок сообщения: Re: Радиоуправление. Переходим на МК.
СообщениеДобавлено: Вс янв 10, 2016 06:57:13 
Прорезались зубы
Аватар пользователя

Зарегистрирован: Пн авг 29, 2011 22:08:13
Сообщений: 225
Откуда: запорожье
Рейтинг сообщения: 0
Посветите пожалуйста меня в тонкости радиоуправления, а в частности в тонкости работы с модулями nrf24l01
Едут мне с китая модули nRF24L01+ с заявленной дальностью до 100 м.
Есть еще желание прикупить NRF24L01+PA+LNA (то есть + встроенный усилитель и внешняя антенна) с заявленной дальностью до 1100 метров.
Так вот как я понимаю для односторонней связи на 1км мне хватит nRF24L01+ на приемник и NRF24L01+PA+LNA на передатчик?
Или все же нужно и на приемник и на передатчик вешать NRF24L01+PA+LNA?
И до меня доходили слухи что у данных модулей с разных партий бывают проблемы с корректной работой, так вот получиться подружить такую связку?

_________________
Профессиональный барабанщик легко стряхивает градусник до -12 по Цельсию.


Вернуться наверх
 
Не в сети
 Заголовок сообщения: Re: Радиоуправление: делаем сами.
СообщениеДобавлено: Вс янв 10, 2016 16:26:20 
Друг Кота

Карма: -1
Рейтинг сообщений: 86
Зарегистрирован: Вт мар 13, 2012 12:16:13
Сообщений: 8910
Откуда: .ru
Рейтинг сообщения: 0
MASIK писал(а):
в пультах от телевизоров стоит кварц на 500 кгц или на 455кгц, пластмассовые желтенькие...

1- Мне показалось, что маленькие желтенькие имеют плохую стабильность... погрел паяльничком... и частота уехала не несколько килогерц ...
Тогда лучше двигать по частоте не эти маленькие желтенькие... а кварц, в опорном генераторе - 20 Мгц.

2-апчг под управлением микроконтроллера. Схемка будет сложнее...

3- «Клопик» ? я такой вариант не знаю... :dont_know:

Манчестеру впринципе не важно что CW или SSB... Просто для SSB нужна больше стабильность ГПД. Узкополосный приёмник с высокой стабильностью ГПД... Мне не нравтся идея CW или SSB... Если сложно сделать ЧМ, то можно АМ. Но помоему лучше (проще) ЧМ (широкополосная/узкополосная). Если и дальше будем гадать... то твой кораблик точно не выйдет с дока.)))

Я брал кварцы с разносом от старого китайского радиотелефона 46-49 Мгц. Там есть и ФСС с полосой 15 кГц... и готовая микросхема приёмника... И вообще - берём старый радиотелефон 46-49 Мгц и просто выкидываем лишнии детали (кнопки номеронабирателя... звонок... и т.д.) оставляем только один радиотракт.
Если нет кварцев с разносом 455 и радиотелефона, то просто собираем самодельный ФСС на катушках от старого приёмника и не паримся. Можно сделать самодельные катушки.
Я сначала брал такие катушки-
Вложение:
катушки.jpg [11.81 KiB]
Скачиваний: 444

Потом оказалось что у них низкая добротность и главное плохая температурная стабильность! Поэтому берём нормальные катушки от старого приёмника и паяем самодельный ФСС на 300...500 кГц. Полосу регулируем какую захотим. Около 15 кГц.
Вложение:
ФСС.jpg [60.61 KiB]
Скачиваний: 654

Или берём как у Дениса - на броневых сердечниках, высокодобротные... если найдём такие))) Врятли такие найдём))

Связываться со смесителями на 60 МГц... стабильность ГПД ? +/- 10 кГц...

Делать FM приёмник с АПЧ тоже не лучшая идея.
Денис писал(а):
Просто АПЧГ не потянет и будет срываться, а насчет АПЧГ с МК, это пусть он попробует и скажет результаты.Можно сделать цифровую АПЧ. Думаю какой ни будь PIC потянет 40 – 60 МГц, но в этом я не спец.Цифровую АПЧ я делал только на логике, а на логике будет слишком громоздко.Это по сути частотомер и сама схема цифровой АПЧ.

На логики мы точно ничего делать не будем... кораблик точно не выйдет с дока.))) :)) Частотомер на ATmega8 я не пробовал... это нужно думать...
А вот простую АПЧ к простому ЧM (или FM) приёмнику впринципе приделать можно. Только я думал сделать не частотомер, а простую АПЧ с автопоиском. Принцип такой же как у TDA7088. В ней есть кнопочка "SKAN" ... Принцип будет тот же, только на МК:
-Микроконтроллер подает напряжение на варикап (с помощью ШИМ делает больше<>меньше) и одновременно измеряет напряжение на выходе детектора (с помощью АЦП) и подстраивает частоту гетеродина приёмника...
Например в простом дробном детекторе напряжение на выходе детектора при точной настройки равно 0 V. Вот по этому напряжению наш микроконтроллер может подстраивать частоту ГПД. Примерно так:
Вложение:
рисунок 1.jpg [122.52 KiB]
Скачиваний: 648

АЦП ATmega8 может измерять напряжение с точностью до примерно +/- 0,005 V (зависит от настройки АЦП). А напряжение детектора TA2003 около +/- 0,5 V (при девиации +/- 50...75 кГц). Т.е. подстройка ГПД гетеродина будет достаточно точной.

Я так ещё не делал. Это только теория)))

Кстате, так же работает АПЧ в радиомодуле MRF49XA. Как пишут в даташите: AFC - Автоматическая подстройка частоты... по первым импульсам принятого сигнала... АПЧ с записью в память...
MRF49XA это ППП (приёмник прямого преобразования) с двумя квадратурными каналами. Микроконтроллер измеряет напряжение точной настройки (с детектора AFC) и подстраивает частоту гетеродина приёмника (меняет коэффициент пересчёта синтезатора). А чтобы АПЧ не срывалось, микроконтроллер записывает значение АПЧ в память... по первым импульсам принятого сигнала. Т.о. все все последующие пачки проходят без проблем)). Только у MRF49XA синтезатор стабилизирован кварцем... а АПЧ нужна только для точной подстройки ГПД, а не для сканера... :)))
Изображение
Вообщем сделать можно... но есть одна проблема - максимальная дальность будет ограничена напряжением выхода детектора... т.к. при слабом сигнале напряжение детектора маленькое (на уровне шума) и частота гетеродина FM приёмника будет проскакивать... :facepalm:
Поэтому идея с АПЧГ мне не очень нравится...

Моё предложение... Да помоему все простые схемы на кварцах самые надёжные. В книжках по радиоуправлению про них помоему уже всё написано))) Придумать что-то новое и простое... при этом чтобы работала стабильно... Я деже не знаю)))
MASIK писал(а):
есть кварцы 27,145, 27, 24, 20, 16,738, 12,5мгц, ну и ниже остальные. Также нет парных кварцев...

Какие ещё есть кварцы? Если нет кварцев с точным разносом, то обычно делают самодельный ФСС.
-Супергетеродин с двойным преобразованием не предлагаю (катушек ещё больше).
-Пилить кварцы не предлагаю (хотя можно)... )))

Какие ещё варианты?))
virf писал(а):
Посветите пожалуйста меня в тонкости радиоуправления...

Не знаю.. с такими не работал...
http://homes-smart.ru/index.php?option= ... Itemid=183

Ну если к передатчику NRF24L01 приделать PA (усилитель мощности) то логично что мощность радиомодуля увеличится и соответственно дальность увеличится)) Тогда дальность будет определяться PA и антенной.

А к приёмнику NRF24L01 тогда можно приделать LNA (УВЧ). Тогда чуть-чуть увеличится чувствительность приёмника... и соответственно дальность тоже немного увеличится)) Но это не факт! Всё зависит от LNA (УВЧ).
Изображение

Про слухи ничего не знаю))


Вернуться наверх
 
Не в сети
 Заголовок сообщения: Re: Радиоуправление: делаем сами.
СообщениеДобавлено: Ср янв 20, 2016 14:58:08 
Держит паяльник хвостом
Аватар пользователя

Карма: 42
Рейтинг сообщений: 393
Зарегистрирован: Ср июн 27, 2007 17:09:12
Сообщений: 970
Рейтинг сообщения: 0
MASIK писал(а):
Например всем известный «Клопик»
Вот здесь я попробовал приемник на кварцевом фильтре.
viewtopic.php?p=2620971#p2620971
СпойлерИзображение

Мне в принципе понравился.
Кварцы в фильтре не подбирал. Просто поставил какие были.


Вернуться наверх
 
Не в сети
 Заголовок сообщения: Re: Радиоуправление: делаем сами.
СообщениеДобавлено: Вс янв 24, 2016 18:47:54 
Грызет канифоль

Карма: 5
Рейтинг сообщений: 2
Зарегистрирован: Пн авг 12, 2013 21:24:55
Сообщений: 291
Рейтинг сообщения: 0
Прошу меня извинить за долгое отсутствие. :roll: Было ооочень много работы. :(
Денис Вы проделали колоссальную работу. :beer: :beer: Несколько раз прочитал Ваши статьи, постарался не чего ни пропустить. Посидел посчитал, из того что в наличии можно сделать с двойным преобразованием . С двойным преобразованием и низкой пч не выходит. Если с одним то выходит. Передатчик 27,145 приемник 27,000 частота пч получилась в 145 кгц. Кварцы на фильтр есть 4мгц, 8мгц, 8,867мгц этих кварцев маленькая тележка, а остальных по одному или два. Есть вариант с двойной пч это так – передатчик 8,000+20,000=28,000 с вашим смесителем. Приемник -1пч 28,000-20,000=8,00 кварцевый фильтр 8,000, для 2пч берем кварц 16,384 делим на 2 и получаем 8,192, и того 8,192-8,000=192 и так получили 2пч в 192кгц как вы писали 100-200кгц. Да получилась схема приемника и передатчика простая как раз для начинающего. И того плюс интерполяционный смеситель и делитель частоты на два. Если поставить детектор после второго каскада пч в 7,000 тогда что выйдет вы не пробовали. Денис если взять ссб трансивер там как и у вас получается два преобразования только вторая пч еще ниже в 2-3кгц ( выход что идет на унч) про детектировать и после поставить формирователь импульсов, все как у вас. На ваш взгляд такой вариант возможен или нет. Почему трансивер, так все просто. Роман написал программу которая работает в две стороны, пульт передает код управления моделью (корабликом), а модель передает на пульт уровень заряда аккумуляторной батареи и уровень сигнала связи пульт-кораблик . В первом варианте тракты приема и передачи были раздельные и в чм. С чм у меня не вышло, что то я в нем не смог разобраться, а не вышло скорее всего с формированием сигнала, ну и ладно. Сперва запущу кораблик а потом возьмусь за рацию с чм на 27мгц. С гкч есть сдвиг, платы все запаяны, пока буду делать слесарку займусь основным трактом трансивера.


Вернуться наверх
 
Не в сети
 Заголовок сообщения: Re: Радиоуправление: делаем сами.
СообщениеДобавлено: Вс янв 24, 2016 21:31:29 
Друг Кота

Карма: -1
Рейтинг сообщений: 86
Зарегистрирован: Вт мар 13, 2012 12:16:13
Сообщений: 8910
Откуда: .ru
Рейтинг сообщения: 0
Ну Александр... опять тебя понесло на SSB трансиверы)) Я смотрю тебе нравятся балансные кольцевые смесители... + кварцевый фильтр.
Стабильность ГПД + кварцевый фильтр ??? Напряжение может менятся... температура тоже...

Запускаем кварц на 3-й гармонике - 8,867мгц х 3 = 26,601 мгц
Берём второй кварц 27,145 или 27,000...
Получаем ПЧ 544кГц или 400кГц... ФСС - три-четыре катушки от старого приёмника (или самодельные). По размерам не больше чем 4 трансформатора балансных смесителей))
MASIK писал(а):
С чм у меня не вышло, что то я в нем не смог разобраться, а не вышло скорее всего с формированием сигнала, ну и ладно.

Каким ещё формированием сигнала? Нужна простая рация с ЧМ... которая работает так же как обычный приёмник УКВ/FM... разница только в полосе пропускания. Сигнал снимаем с динамика. :dont_know:

Если трудно сделать ЧМ, то делаем простую АМ. Берём схему любого заводского приёмника КВ и добавляем в гетеродин кварц. Сигнал снимаем с динамика.

На схеме.. диод VD22 перевернул... А зачем 6V... 5V не работает? А что делают релюшки?))


Вернуться наверх
 
Не в сети
 Заголовок сообщения: Re: Радиоуправление: делаем сами.
СообщениеДобавлено: Вс янв 24, 2016 21:56:18 
Грызет канифоль

Карма: 5
Рейтинг сообщений: 2
Зарегистрирован: Пн авг 12, 2013 21:24:55
Сообщений: 291
Рейтинг сообщения: 0
Рома да не будет ни каких Генераторов плавного диапазона, будет простой генератор с кварцевой стабилизацией. Нам что на кораблике за DX гонятся по диапозону. :)) Привычка дело великое. :roll: Да с диодом залет, нужно исправить. Эта схема просто ознакомительная, с реверсивным трактом. Просто добавил блок схемы как вижу схематику. Если нужно разресую полностью все каскады. В схеме реле стоит как и были в трансивире для нас они конечно не пойдет, заменим на транзисторные ключи. Вот полная схема трансивера.


Вернуться наверх
 
Не в сети
 Заголовок сообщения: Re: Радиоуправление: делаем сами.
СообщениеДобавлено: Вс янв 24, 2016 22:17:56 
Держит паяльник хвостом
Аватар пользователя

Карма: 42
Рейтинг сообщений: 393
Зарегистрирован: Ср июн 27, 2007 17:09:12
Сообщений: 970
Рейтинг сообщения: 0
MASIK писал(а):
И того плюс интерполяционный смеситель и делитель частоты на два
Если делать с кварцевыми фильтрами, то для передатчика придется подбирать тоже кварц. Вот это и есть основная трудность.
За прошедшее время я еще один приемник сделал на частоту 83 МГц.
Вот этот мне всех больше понравился.
Основная трудность, это подбор кварцев. Я тут сидел и комбинировал с этими кварцами, да и сейчас этим же занимаюсь.
То пары килогерц не хватает, то лишние. :)
В итоге получилось.
Передатчик на кварце 9,216 МГц с умножение на девять.
В приемнике трехкристальный фильтр на 8 МГц. Те кварцы, на 8 МГц, что у меня были никак не захотели работать в кварцевом фильтре. Уж очень они разные были, но вот фильтр на гармониковых кварцах на 24 МГц получился и завелся на частоте 9,008 МГц.
Во втором гетеродине кварц на 8,112 МГц. В итоге вторая промежуточная получилась где то 100 кГц.
В итоге у меня сейчас собрано пять разных вариантов приемников на разные частоты, в том числе один ЧМ приемник с фильтрами на катушках. Частота работы 60 МГц, т.е. в передатчике кварц еа 20 МГц и утроение. Первая промежуточная частота где то 4,5 МГц. Только катушки в УПЧ пришлось мотать на каркасах диаметром 8 мм, иначе не получается нужная добротность. Приемник в двух вариантах. В одном ЧМ детектор на к174УР3, а второй с двойным перебразованием и с низкой второй ПЧ. Это что бы избавиться от К174УР3.

Т.е. получается, что не важно на какой частоте будет работать. Главное подобрать кварцы. У меня их много разных. Вот я и комбинирую. :)

Вот только схемы рисовать и писать не получается. :)

Сейчас сижу и пытаюсь еще какую нибудь комбинацию найти и попробовать еще один приемник, но что бы он был уже совсем простой.
Что то из оставшихся кварцев никак фильтр не соберу. Кварцы остались совсем разные и или фильтр не строится или получается слишком узкополосный.
MASIK писал(а):
сли взять ссб трансивер
SSB нам плохо подходит, да и лишние трудности, хотя конечно и можно.
Только смысла не вижу.
Кстати, на первой странице форума есть пример применения SSB приемника для радиоуправления.
viewtopic.php?p=60713#p60713
Но там это просто как пример, что в качестве приемника и передатчика можно даже применить телеграфный передатчик и приемник.
Там сделали ППП по схеме В.Т. Полякова.

А "Клопик" простой по схеме, т.к. работает с полноразмерной антенной. В нашем случае его чувствительности будет недостаточно. Слишком маленькое усиление у него по ПЧ для нащего случая.
MASIK писал(а):
С гкч есть сдвиг
Но я ГКЧ делаю на макетке за полчаса по мере надобности.
Вот фильтр для приемника на 83 МГц делал и смотрел.
Это тот, что на гармониковых кварцах на 24 МГц.
Полоса получилась где то порядка 5 кГц.

Изображение

В общем получилось, что я поэкспериментировал с тем, что было у меня и удостоверился, что можно сделать из того, что есть в наличии.
Тебе же нужно экспериментировать с тем, что у тебя есть.
Там не все так просто получается. Я тут хотел сделать на 50 МГц с промежуточной частотой 8 МГц. В гетеродин хотел поставить кварц и возбудить его на третьей гармонике. Так вот он возбудился на частоте 42,05 МГц и пришлось его возбуждать на первой гармонике, а потом ставить утроитель.
Я это пока забраковал и сделал не на 50, а на 83 МГц с другими кварцами.

Ты хотя бы напиши список всех твоих кварцев и постарайся найти каркасы для катушек в УПЧ. Хорошо бы из старых карманных приемников и если найдешь, то я попробую сделать приемник с ФСС и выложу сюда на форум.
Хотя экраны можно и самодельные сделать.

В общем выкладывай, что там у тебя есть, главное каркасы и будем думать.
Я попробую сделать из того, что есть у тебя.
Жалко у тебя нет К174УР3. Я обычно УПЧ в ЧМ приемниках на ней делаю.


Вложения:
1.JPG [4.97 KiB]
Скачиваний: 1786
Вернуться наверх
 
Не в сети
 Заголовок сообщения: Re: Радиоуправление: делаем сами.
СообщениеДобавлено: Вс янв 24, 2016 22:23:33 
Друг Кота

Карма: -1
Рейтинг сообщений: 86
Зарегистрирован: Вт мар 13, 2012 12:16:13
Сообщений: 8910
Откуда: .ru
Рейтинг сообщения: 0
На схеме не подписаны все частоты... например ГПД ?
VT9 впринципе можно выкинуть... Или можно оставить)) Будет вместо S-метра )))
тогда VT7 и VT8 можно выкинуть...))
MASIK писал(а):
Эта схема просто ознакомительная, с реверсивным трактом...

Я не спец по настройке SSB трактов...)) Видел как делают знакомые радиолюбители... с ЭМФ-500-3... для однополосных систем связи..
Я только помогал им... гоняться за DX по диапазону)) :)))

С реверсивным трактом, кварцы с разносом ПЧ подбирать не нужно. Но там другие проблемы...
А передавать/принимать будем верхней или нижней боковой?)) А несущую подавлять будем ? ... ))

SSB для простого радиоуправляемого кораблика - это конечно круто))) 8)
Помоему уж слишком навороченно будет)) :)))


Вернуться наверх
 
Не в сети
 Заголовок сообщения: Re: Радиоуправление: делаем сами.
СообщениеДобавлено: Пн янв 25, 2016 14:43:07 
Держит паяльник хвостом
Аватар пользователя

Карма: 42
Рейтинг сообщений: 393
Зарегистрирован: Ср июн 27, 2007 17:09:12
Сообщений: 970
Рейтинг сообщения: 0
Прикинул варианты и вариантов вижу пока только два. Оба эти варианиы не оптимальны, но есть смысл попробовать.
Первый вариант не оптимален тем, что первая промежуточная частота получается кратной входной частоте, но попробовать стоит.
MASIK писал(а):
8,867мгц этих кварцев маленькая тележка
При этом у Вас есть еще гармониковый кварц на 27,145 МГц, а это значит, что его основная гармоника где то 9,05 МГц и его можно поставить во второй гетеродин. Пори этом вторая промежуточная частота получится где то 180 кГц
Передатчик имеем такой.

Изображение

Приемник получается такой.

Изображение

Первый гетеродин на кварце 8,867 МГц с удвоителем.
Дальше трехзвенный кварцевый фильтр на кварцах 8,857 МГц. Получится ли фильтр на ваших кварцах, это придется проверить самому.
Схема иакая. Сначала все конденсаторы азял по 22 пф, а потом С2 и С3 пришлось подкорректировать, что бы картинка была лучше.

Изображение

Я прямо на макетке спаял ГКЧ на нужную частоту и проверял. Картинку уже выкладывал.

Изображение

В данном варианте, если конечно он будет нормально работать не потребуется дефицитных каркасов. Нужен будет один контур на 180 кГц.
Я катушку на 100 кГц мотал на маленьком цилиндрическом каркасе где то 250 витков внавал проводом 0,15 мм и катушка без экрана.

Второй вариант напрашивается сам собой.
Это сделать приемник с промежуточной частотой 400 – 500 кГц с катушками в УПЧ.
В данном случае потребуются контура с добротностью больше 50 и вот здесь основная проблема для нас.
Лучший вариант, это каркасы катушек ПЧ старых карманных приемников. Они там двух видов.
На ферритовых чашках диаметром 8,6 мм(слева на картинке) и с применением ферритовых цилиндров где то 10 мм диаметром(справа).

Изображение

Можно здесь почитать именно про эти катушки, в статье, которую я как всегда не закончил.
СпойлерНаписать данную cтатью "сподвигли" вопросы часто задаваемые на форуме на тему: «Хочу сделать хотя бы простую радиостанцию на несколько сотен метров, но нет кварцев с разносом 455 кгц или 465 кгц. Нет нужных каркасов для катушек и т.д.» Точнее сказать, как из ничего, сделать что то. Остается только брать случайные кварцы, а в качестве фильтров в УПЧ использовать катушки, стараясь при этом не особо усложнять конструкцию и настройку.
Кварцы у меня на 9,2 мгц и на 8,86 мгц. Первый стоит в передатчике и возбуждается на третьей гармонике, а второй в гетеродине приемника. В итоге получается, что промежуточная частота приемника (9,2-8,86)*3=1,02 мгц
В принципе можно взять и другие кварцы. При этом изменится только промежуточная частота. Больше 1 мгц её не стоит брать, а ниже можно. Все зависит какие каркасы для фильтров ПЧ вы найдете. Если у вас есть миниатюрные броневые каркасы из карбонильного железа, то промежуточную частоту можно увеличить до двух мегагерц и при этом полоса пропускания фильтров на подобных каркасах остается в приемлемых пределах, но они дефицитны.
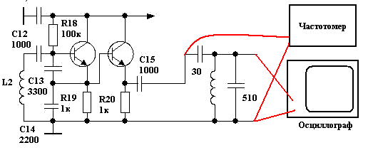
Трудности так же возникают при настройке, особенно приемника, из за того, что, у многих нет соответствующих приборов. Это по моему мнению самый основной вопрос. Минимум приборов нужных для этого по моему, это самое главное осциллограф. При этом его полоса не существенна. Пусть она хоть 1 мгц будет. Этого достаточно, что бы с помощью простых приставок к подобному осциллографу настраивать приемники на частоты в сотни мегагерц.
Второй необходимый прибор, это частотомер. Вот его максимальная частота должна соответствовать нужному диапазону, но это тоже можно обойти, если к любому низкочастотному частотомеру сделать предделитель. В данной статье я описываю настройку радиостанции на 27 мгц, поэтому предделитель можно сделать например на микросхемах 131 или 531 серии.
Во всяком случае мой самодельный частотомер сделанный 40 лет назад на 155 серии считает до 10 мгц. У него на входе стоит предделтель на К531ТМ2 и само собой входной узел на транзисторах, что позволяет измерять частоты до 40 мгц. Правда там стоит еще один предделитель на 500 серии и частотомером можно измерять частоты до 200 мгц, но в данном случае он не нужен. Схем частотомеров я здесь приводить не буду, т.к. их полно в журналах и в Интернете. Если это делать, то статья раздуется до неимоверных размеров, а писать статью намного труднее, чем что либо спаять.
Если кто на самом деле хочет чего либо добиться, то нужно начать с этого. Это впоследствии сэкономит много времени и позволит добиться результатов.
Понятно, что нужен еще генератор на нужную нам частоту.

ГКЧ. Генератор качающейся частоты.

Лучше сделать ГКЧ в виде приставки к осциллографу. Это здорово облегчит настройку приемника. Схема ГКЧ зависит от того, какой осциллограф в наличии. Если у осциллографа есть выход «пилы» то её можно использовать для нашего ГКЧ. В моем осциллографе этого нет, но есть вход «Х» поэтому генератор пилы у меня в самой приставке и эта пила используется и для развертки, подавая её на вход «Х» и для качания частоты.
В принципе вход «Х» можно не использовать, а на вход внешней синхронизации осциллографа подавать импульс который формирует пилу в приставке. Т.о. выбранная мной схема является универсальной и может работать с любыми осциллографами.

Изображение

Основа ГКЧ, это два стабилизатора. Один на 11-12 вольт, другой на 5-6 вольт. Схемы стабилизаторов можно взять любые, в том числе и в интегральном исполнении. Я для универсальности сделал их на транзисторах. Они в самом верху схемы.
Чуть ниже второй узел, это генератор пилы. Схема стандартная. Конденсатор заряжается через стабилизатор тока на транзисторе VT7 и разряжается коротким импульсом создаваемым генератором на логической микросхеме. Как раз этот импульс и можно взять для внешней синхронизации осциллографа, если в нем нет входа «Х». Микросхема любая КМОП способная работать при 12 вольтах. У меня стоит К561ЛЕ10. Частота работы генератора пилы не критична и может быть в пределах 150 – 300 гц
Третий узел, это сам генератор на нужную частоту перестраиваемый варикапом путем подачи на него пилы. Величина качания может меняться переменным резистором R14. Частота генератора в данном случае может быть любая. Если делаете приемник например на частоту 144 мгц, то генератор делаете соответственно. У меня в другом ГКЧ стоит схема генератора по схеме несимметричного мультивибратора на транзисторах работающих в барьерном режиме и в нем можно просто припаивать разные катушки и он генерирует на частотах от единиц мегагерц до порядка 150 мгц, что позволяет настраивать приемники начиная от КВ диапазона и заканчивая диапазоном 150 мгц.

ХХХХХХХХХХХХХХ

Вместо конденсатора С12 в генераторе можно припаять кварц, что будет стоять в передатчике, и получается генератор несущей, что тоже пригодится для настройки приемника точно на частоту передатчика при настройке. При этом на базу транзистора VT5, что стоит в стабилизаторе, можно через конденсатор в несколько микрофарад и переменный резистор подать какой либо НЧ сигнал, например прямоугольники частотой 1 кгц и получится тестовый передатчик с АМ для настройки данного приемника. Я такое не делал. Не возникло необходимости.
Четвертый узел это генератор меток. Его частота равна промежуточной частоте. Так же его впоследствии будем использовать для настройки фильтров ПЧ, точнее определения их параметров, но это потом.
Теперь о настройке. Сначала пила. Для этого на эмиттер VT8 подключаем осциллограф и резистором R11 выставляем так, что бы пила не ограничивалась ни снизу, ни сверху, а амплитуда была максимальная. У меня амплитуда получилась порядка 9 вольт, но у меня и питание 11 вольт.

Изображение

Линейность особой роли не играет. Все таки у нас не полноценный ГКЧ, а просто «показометр» но в данном случае этого достаточно.
Насчет варикапа. У меня стоит какой то КВ102. Я даже не знаю какая у него буква, но в принципе это не критично. Подойдет любой с емкостью порядка 10 пф при напряжении 4 вольта. В крайнем случае можно просто диоды поставить, например Д310 или несколько соединенных в параллель КД102, КД104 или других обычных выпрямительных диодов вплоть до старинных Д226. Изменится только полоса качания, но здесь она особо большая и не нужна.
Вот для примера я смотрю АЧХ своего АМ приемника. Осциллограф подключен на выходе детектора. Слева просто АЧХ приемника с отключенным генератором меток. Просто там закорочена катушка L2.

Изображение

Справа генератор меток включил. Выход генератора меток подал на частотомер. Метку вращением сердечника катушки L2 установил на вершине АЧХ и по частотомеру увидел точное значение промежуточной частоты приемника. Если максимум АЧХ не совпадает с нужной нам ПЧ, то её легко перестроить вращая сердечники в контурах УПЧ и совмещая максимум АЧХ в нужной нам промежуточной частотой. Масштабы там на картинках разные, т.к. фото делал в разное время и объединил их сейчас только для наглядности. Смещая метку вправо и влево изменяя частоту генератора меток, можно определить полосу пропускания приемника. Вот я метку сместил.

Изображение

Яркость нужно было на осциллографе уменьшить, а то засветка слишком большая получилась. В реале такого не было.

ГКЧ я делал на макетной плате навесным монтажом, т.к. нужен он только для данной конструкции, а потом все это распаяется и детали уйдут на что либо другое. Никакого экранирования нет, поэтому картинки, что выше, получаются без подключения к приемнику. Просто ГКЧ и приемник стоят рядом и даже приходиться их отодвигать, что бы не было ограничения сигнала.

Картинка ГКЧ

Даже размер монтажной платы взял исходя из того, какую пластинку полистирола нашел и пришлось ужимать. Кстати это пластина из картриджа матричного принтера. Выводы деталей путем нагревания паяльником вплавлены в пластмассу. Катушки приклеены клеем «Момент»
С подготовкой все и теперь самое главное, это катушки контуров УПЧ.

Катушки фильтров УПЧ.

Здесь самое сложное, это найти каркасы для данных катушек. Дело в том, что если в качестве ФОС(фильтра основной селекции) в приемнике применить керамический фильтр, то он будет полностью определять нужную избирательность приемника по соседнему каналу и если в подобном УПЧ требуются еще и катушки, то их добротность совершенно не важна и их можно сделать очень малых габаритов не заботясь о их добротности. Как раз такие контура в ПЧ стоят в современных китайских приемниках. Это и понятно. В них же во всех стоят керамические фильтры и катушки можно упростить.
У нас же избирательность будут определять как раз фильтры на катушках, поэтому их добротность для нас важна и к сожалению в данном случае миниатюрные каркасы из китайских приемников нам не подойдут. Очень уж маленькая добротность получается у подобных катушек.
Из тех, что я сталкивался, то хорошие фильтры способные работать даже на частотах порядка 2 мгц, это броневые сердечники из карбонильного железа. Лучше конечно брать сердечники СБ-9. Цифра, это их диаметр, но удобнее СБ-12а, но габариты их уже довольно большие, но если намотать катушки на подобном сердечнике литцендратом, то можно сказать, что получаются идеальные фильтры.
Недостаток этих сердечников, это маленькая перестройка при вращении сердечника.

Изображение

На частоты до 700 кгц хорошо подходят гарнитуры фильтров ПЧ старых советских карманных приемников. Они сделаны на основе ферритовых чашек диаметром 8,6 мм, а также есть на основе ферритового цилиндра. Их мотать легче, но габариты у вторых получаются больше.

Изображение

Коэффициент перестройки у данных катушек при вращении сердечника довольно большой, что облегчает настройку на них фильтров на нужную частоту.
Если применить данные гарнитуры с экранами, то приемник получается мало склонным к самовозбуждению, что является основной проблемой приемников с фильтрами в УПЧ на катушках.
Хотя у меня есть подобные гарнитуры, в том числе броневые каркасы из карбонильного железа диаметром 9 мм, я не стал их применять и решил попробовать сделать на более простых каркасах и при этом не имеющих экранов. Это и есть основная задача. Применить в приемнике более доступные каркасы.
Сначала взял вот такие секционированные каркасы. Их диаметр 5,5 мм

Изображение

Изображение

Просто столько витков вошло. Дальше припаял эту катушку в генератор меток вместо катушки L2.

Изображение

На выход подключил частотомер. Частота получилась 970 кгц. Общая емкость в генераторе, это три последовательных конденсаторов С12, С13 и С14 и составляет 570 пф, т.е. для получения нужного фильтра на частоту 1,02 мгц нам нужен конденсатор 510 пф. Расчет элементарный и здесь приводить не буду. В принципе вместо частотомера можно осциллографом посмотреть и подсчитать по клеточкам.
Дальше L2 ставим на место и собираем такую схему, что бы посмотреть какая добротность получилась у данного контура.

Изображение

Крутим L2 и устанавливаем частоту 1 мгц. Теперь крутим сердечник у испытуемой катушки и настраиваем на максимум показаний по осциллографу. Осциллограф имеет входную емкость, поэтому пределов сердечника может не хватить, тогда максимума добиваемся крутя сердечник катушки L2 в генераторе. Пусть частота будет немного отличаться от нашей промежуточной 1,02 мгц. Это не столько важно, для оценки добротности катушки. Особо точных цифр нам и не нужно. Теперь вывинчиваем сердечник катушки L2 и добиваемся снижения амплитуды в 1,4 раза. Запоминаем частоту. Дальше вкручиваем и проходя через максимум вкручиваем дальше опять до того, как уровень снизится в 1,4 раза по сравнению с максимумом. Теперь из полученной частоты вычитаем первую, что запомнили. У меня разница получилась порядка 20 кгц, т.е. полоса пропускания контура по уровню 0,7 получилась 20 кгц, что конечно многовато, а добротность порядка 1000/20=50. Тоже маловато, но уже кое что.
Хотя конечно лучше бы раза в два больше.
В конце то концов я делал радиостанцию на основе этих катушек, но для интереса проверил и другие. Метод проверки такой же, как написано выше.
Взял подобный каркас, только не секционированный. Витков столько же. Намотана тоже в три провода диаметром 0,1 мм

Изображение

Добротность получилась примерно такая же и даже почему то чуть больше. Почему так получилось, я так и не понял. Такие же параметры получились у катушки из самодельного каркаса диаметром 5,5 мм. Была просто пластмассовая трубка и в ней я нарезал резьбу М4

Изображение

Также попробовал контура на основе ферритового цилиндрика, что применялись в старых карманных приемниках. На частоте 1 мгц параметры контуров получились хуже
Чем на тех, что выше, а вот на частоте 700 кгц и особенно на частоте 500 кгц параметры контуров на этих каркасов получились значительно лучше. Вероятно на 1 мгц слишком велики потери в феррите у данных каркасов.
Проверял все это на ГКЧ. Для этого в схему исходного ГКЧ добавил еще один генератор и смеситель. Частота этого генератора должна быть больше или меньше на то значение, что нужно получить на выходе смесителя. Меняя частоту дополнительного генератора, на выходе смесителя можно получить частоты в пределах от сотен килогерц, до единиц мегагерц. Схему выложу ссылкой в конце статьи, что бы не загромождать текст, т.к. для настройки самого приемника делать её не обязательно. Выложу просто картинки полученные с помощью этой схемы.

Изображение

Справа АЧХ первого и второго контура на самодельном каркасе. Справа контур с ферритовым цилиндриком. Видно, что на частоте 1 мгц у него параметры плохие.
А вот на частотах ниже контур на данном каркасе работает очень даже хорошо. Слева на частоте 700 кгц, а справа на частоте 500 кгц

Изображение

Т.о. получается, что если промежуточную частоту придется брать 1 мгц и больше, то лучше взять самодельные катушки, а если промежуточная частота меньше, то придется ставить гарнитуру из старых карманных приемников.
Я конечно больше катушек испытывал. Как выше говорил, для частот 1 мгц лучше всего подходят броневые сердечники из карбонильного железа, но они дефицит, а задача была сделать что то из ничего, поэтому я взял первую катушку и перешел к самому приемнику. Хотя конечно ставить в АМ приемник контура с полосой пропускания 20 кгц, это уж хуже некуда, но будем считать, что других катушек у нас нет. Проверил также контур ПЧ от китайского приемника. Хорошо конечно, что у него такие маленькие размеры, а вот добротность у него уж очень маленькая и для приемника без керамического фильтра в УПЧ он совершенно не подходит. В принципе по данной методике можно проверить любой фильтр и посмотреть.

Выбор схемы приемника.

Т.к. делаем простой приемник, то как бы и выбирать особо нечего. УВЧ на одном транзисторе. Лучше с общей базой. Это позволить не делать катушку с отводом. Смеситель на биполярном транзисторе. Сигнал гетеродина лучше подать в цепь эмиттера. Это позволит простыми методами снизить уровень проникновения помех на промежуточной частоте. Гетеродин по стандартной схеме емкостной трехточки с кварцем работающим на третей гармонике.
Остается УПЧ. Т.к. задача сделать что то простое, то напрашивается два каскада. Каждый каскад нагружен на контур настроенный на промежуточную частоту. Итого получается три контура, но здесь сталкиваемся с первой проблемой. Т.к. катушки у нас самодельные, то на них нет экранов, а без экранирования катушек в подобном УПЧ возникнет самовозбуждение. Можно конечно сделать самодельные экраны на контура, но можно попробовать пойти другим путем. Можно поставить на выходе смесителя два связанных контура, а УПЧ сделать апериодическим, но с нашими катушками со сравнительно низкой добротностью избирательность по соседнему каналу будет уж очень плохая. Делать ФСС на трех контурах опять потребует экранирования катушек, поэтому решил за основу взять этот усилитель.
http://boni.narod.ru/stab_uv.htm

Изображение

Как в статье советовали, вместо конденсатора С3 ставим последовательный колебательный контур, поворачиваем его на 90 градусов относительно контуров стоящих на входе усилителя. Данная схема стабильно работает с катушками без экранов, но при этом мы получаем трехконтурную схему УПЧ.
И так, на входе УПЧ ставим систему из двух связанных контуров. Просто две катушки стоят рядом. Суммарная АЧХ подобной схемы зависит от расстояния между катушками. Если катушки стоят слишком близко, то АЧХ выглядит так.

Изображение

При раздвигании катушек АЧХ делается одногорбой, полоса пропускания уменьшается, а крутизна скатов увеличивается по сравнению с АЧХ одного контура, что нам и нужно. При расстоянии между катушками 1,5 см АЧХ выглядит так.

Изображение

У меня расстояние между катушками меньше, но между ними стоит пластинка жести соединенная с общим проводом. Третий контур стоящий в УПЧ еще улучшит общую АЧХ приемника. Выше я уже выкладывал картинку. Это смотрим на выходе детектора.

Изображение

Все это наглядно видно с помощью нашего ГКЧ и легко подстраивается.
Само собой добавляем схему АРУ. Она действует по принципу регулировки питания данного усилителя в зависимости от силы входного сигнала.
В итоге получаем схему приемника.

Изображение


На этом я писать забросил, хотя приемник спаял.

Для АМ приемника нужно будет минимум три каркаса.
Для ЧМ приемника, минимум четыре каркаса, а лучше пять.

Какой вариант выбрать, это уж Вам самому решать.
Мне тоже интересно попробовать, но вариант выбирайте сами.


Вложения:
22.GIF [13.31 KiB]
Скачиваний: 1002
22.JPG [5.13 KiB]
Скачиваний: 932
22.JPG [8.04 KiB]
Скачиваний: 966
22.JPG [3.45 KiB]
Скачиваний: 973
22.GIF [5.43 KiB]
Скачиваний: 969
12.JPG [2.28 KiB]
Скачиваний: 948
йй.JPG [2.82 KiB]
Скачиваний: 907
10.JPG [2.6 KiB]
Скачиваний: 965
9.JPG [2.7 KiB]
Скачиваний: 939
8.GIF [5.21 KiB]
Скачиваний: 979
7.GIF [4.52 KiB]
Скачиваний: 966
6.JPG [5.89 KiB]
Скачиваний: 699
5.JPG [6.07 KiB]
Скачиваний: 947
4.JPG [3.27 KiB]
Скачиваний: 876
3.JPG [4.26 KiB]
Скачиваний: 887
2.JPG [6.63 KiB]
Скачиваний: 944
1.JPG [5.45 KiB]
Скачиваний: 966
1.GIF [17.6 KiB]
Скачиваний: 976
горшки.JPG [23.33 KiB]
Скачиваний: 1413
кф.GIF [5.23 KiB]
Скачиваний: 1342
пр.GIF [6.73 KiB]
Скачиваний: 1604
передатчик.GIF [6.77 KiB]
Скачиваний: 1644
Вернуться наверх
 
Показать сообщения за:  Сортировать по:  Вернуться наверх
Начать новую тему Ответить на тему  [ Сообщений: 1142 ]     ... , , , 39, , , ...  

Часовой пояс: UTC + 3 часа


Кто сейчас на форуме

Сейчас этот форум просматривают: нет зарегистрированных пользователей и гости: 15


Вы не можете начинать темы
Вы не можете отвечать на сообщения
Вы не можете редактировать свои сообщения
Вы не можете удалять свои сообщения
Вы не можете добавлять вложения

Найти:
Перейти:  


Powered by phpBB © 2000, 2002, 2005, 2007 phpBB Group
Русская поддержка phpBB
Extended by Karma MOD © 2007—2012 m157y
Extended by Topic Tags MOD © 2012 m157y