Например TDA7294

Форум РадиоКот • Просмотр темы - Двухтактный преобразователь для часов на ИВ-11 уходит в КЗ.
Форум РадиоКот
Здесь можно немножко помяукать :)

Текущее время: Ср янв 07, 2026 17:32:14

Часовой пояс: UTC + 3 часа


ПРЯМО СЕЙЧАС:



Начать новую тему Ответить на тему  [ Сообщений: 26 ]  1,  
Автор Сообщение
Не в сети
 Заголовок сообщения: Двухтактный преобразователь для часов на ИВ-11 уходит в КЗ.
СообщениеДобавлено: Ср окт 23, 2019 10:23:47 
Встал на лапы

Зарегистрирован: Сб май 04, 2019 10:36:35
Сообщений: 133
Рейтинг сообщения: 0
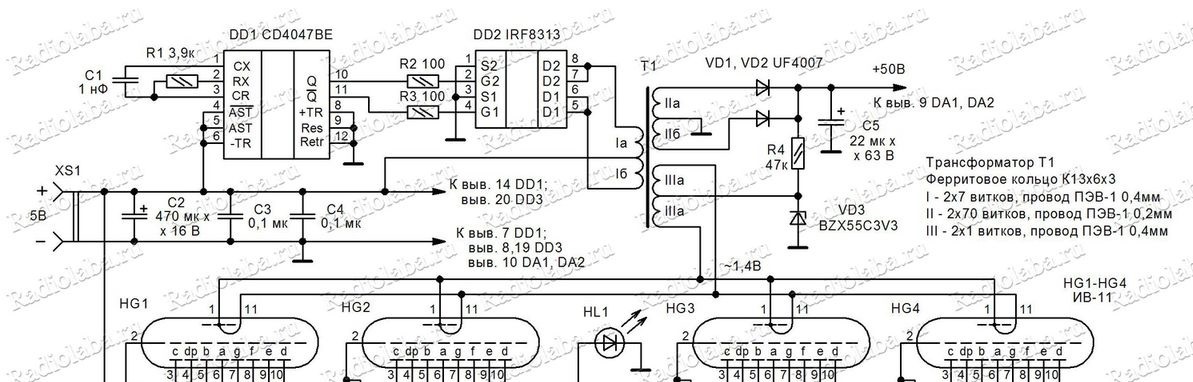
Собираю на макетке преобразователь двухтактный для ламповых часов на ИВ-11. CD4047-генератор с RC цепью 50кгц на осциллограмме то что приходит на полевые транзисторы IRF7341. Проблема в том, что при подключении второго плеча уходит в КЗ. Не мгновенно а за 1-1,5сек. Ток через источник 0,4-0,8-1,6-КЗ. Успеваю выдернуть провод пока не сгорели полевики. Кольца разные использовал последнее феррит N87 Epcos 16х9.6х6.3, 2100 должно быть.
Эти осциллограммы сняты с кольцом зеленым али экспресс 22х13х8 мю намерял 11000 по калькулятору но я не уверен в правильности, по-моему я задваиваю, там реально 6000. И другие колечки использовал. Все одно- подключаю второе плече-уход в КЗ.
Что я не так делаю?


Вложения:
Выход2.100ом.14витков.jpg [102.93 KiB]
Скачиваний: 746
Выход2.100ом.7витков.jpg [99.73 KiB]
Скачиваний: 607
Выход1.100ом.7витков.jpg [96.55 KiB]
Скачиваний: 527
Выход1.100ом. 14витков.jpg [99.13 KiB]
Скачиваний: 450
Вход.jpg [112.91 KiB]
Скачиваний: 673
Вернуться наверх
 
Не в сети
 Заголовок сообщения: Re: Двухтактный преобразователь для часов на ИВ-11 уходит в
СообщениеДобавлено: Ср окт 23, 2019 10:33:36 
Друг Кота
Аватар пользователя

Карма: 41
Рейтинг сообщений: 2990
Зарегистрирован: Пн июл 23, 2018 10:36:20
Сообщений: 3489
Откуда: Казань
Рейтинг сообщения: 0
Что я не так делаю?

не приложили схему

_________________
ZZZ С Нами Бог ZZZ


Вернуться наверх
 
Не в сети
 Заголовок сообщения: Re: Двухтактный преобразователь для часов на ИВ-11 уходит в
СообщениеДобавлено: Ср окт 23, 2019 10:39:49 
Встал на лапы

Зарегистрирован: Сб май 04, 2019 10:36:35
Сообщений: 133
Рейтинг сообщения: 0
Что я не так делаю?

не приложили схему


Добавил. Сайт только 5 штук дал.


Вложения:
Схема.jpg [155.05 KiB]
Скачиваний: 653
Вернуться наверх
 
Не в сети
 Заголовок сообщения: Re: Двухтактный преобразователь для часов на ИВ-11 уходит в
СообщениеДобавлено: Ср окт 23, 2019 11:01:45 
Друг Кота
Аватар пользователя

Карма: 182
Рейтинг сообщений: 8333
Зарегистрирован: Пт фев 04, 2011 17:57:51
Сообщений: 20050
Откуда: Рыбинск
Рейтинг сообщения: 0
Медали: 1
Лучший человек Форума 2017 (1)
Slomanaya Strela писал(а):
Что я не так делаю?
Ну например неправильно сфазирована первичная обмотка.


Вернуться наверх
 
Эиком - электронные компоненты и радиодетали
Не в сети
 Заголовок сообщения: Re: Двухтактный преобразователь для часов на ИВ-11 уходит в
СообщениеДобавлено: Ср окт 23, 2019 11:06:06 
Встал на лапы

Зарегистрирован: Сб май 04, 2019 10:36:35
Сообщений: 133
Рейтинг сообщения: 0
Я в два провода мотаю. Затем начало одной соединяю с концом другой. Соединение идет на плюс. А общее начало - конец на транзисторы. У меня есть вариант с подпайкой средней точки, при намотке в один провод, 7+7 витков, это с него осциллограммы сняты.


Вернуться наверх
 
Не в сети
 Заголовок сообщения: Re: Двухтактный преобразователь для часов на ИВ-11 уходит в
СообщениеДобавлено: Ср окт 23, 2019 11:30:53 
Друг Кота

Карма: 68
Рейтинг сообщений: 1408
Зарегистрирован: Сб янв 29, 2011 00:28:48
Сообщений: 7774
Рейтинг сообщения: 0
Так затворы никто качает маломощной логикой, фронты по 2 мкс....Это же сквозной ток...


Вернуться наверх
 
Не в сети
 Заголовок сообщения: Re: Двухтактный преобразователь для часов на ИВ-11 уходит в
СообщениеДобавлено: Ср окт 23, 2019 12:09:16 
Друг Кота
Аватар пользователя

Карма: 146
Рейтинг сообщений: 6065
Зарегистрирован: Чт июн 04, 2009 21:06:49
Сообщений: 36292
Откуда: г.Мариинск
Рейтинг сообщения: 0
Медали: 1
Лучший человек Форума 2017 (1)
Slomanaya Strela писал(а):
CD4047-генератор с RC цепью 50кгц на осциллограмме то что приходит на полевые транзисторы IRF7341.
Сделайте генератор на IR2153. Будут и фронты нормальные и мёртвое время.

_________________
Тем кого не устаревает наличия ошибок в моем тексте, оставляю права не пользоваться моими советами или просто не читать мои сообщения.


Вернуться наверх
 
Не в сети
 Заголовок сообщения: Re: Двухтактный преобразователь для часов на ИВ-11 уходит в
СообщениеДобавлено: Ср окт 23, 2019 12:14:55 
Друг Кота
Аватар пользователя

Карма: 182
Рейтинг сообщений: 8333
Зарегистрирован: Пт фев 04, 2011 17:57:51
Сообщений: 20050
Откуда: Рыбинск
Рейтинг сообщения: 0
Медали: 1
Лучший человек Форума 2017 (1)
Она от 5В не будет работать.


Вернуться наверх
 
Не в сети
 Заголовок сообщения: Re: Двухтактный преобразователь для часов на ИВ-11 уходит в
СообщениеДобавлено: Ср окт 23, 2019 12:28:24 
Друг Кота
Аватар пользователя

Карма: 146
Рейтинг сообщений: 6065
Зарегистрирован: Чт июн 04, 2009 21:06:49
Сообщений: 36292
Откуда: г.Мариинск
Рейтинг сообщения: 0
Медали: 1
Лучший человек Форума 2017 (1)
а.что нормальное питание нельзя подать, обязательно от 5 питать?

_________________
Тем кого не устаревает наличия ошибок в моем тексте, оставляю права не пользоваться моими советами или просто не читать мои сообщения.


Вернуться наверх
 
Не в сети
 Заголовок сообщения: Re: Двухтактный преобразователь для часов на ИВ-11 уходит в
СообщениеДобавлено: Ср окт 23, 2019 13:04:19 
Встал на лапы

Зарегистрирован: Сб май 04, 2019 10:36:35
Сообщений: 133
Рейтинг сообщения: 0
От USB питание 5в. Корпус готов. Иначе я бы сетевой трансформатор поставил.

Добавлено after 3 minutes 5 seconds:
Re: Двухтактный преобразователь для часов на ИВ-11 уходит в КЗ.
Да фронты завалены. Они были прямоугольные пока не установил сборку полевиков.
Чего сделать то? Опять же у автора схемы так как есть.


Вернуться наверх
 
Не в сети
 Заголовок сообщения: Re: Двухтактный преобразователь для часов на ИВ-11 уходит в
СообщениеДобавлено: Ср окт 23, 2019 13:10:17 
Друг Кота
Аватар пользователя

Карма: 41
Рейтинг сообщений: 2990
Зарегистрирован: Пн июл 23, 2018 10:36:20
Сообщений: 3489
Откуда: Казань
Рейтинг сообщения: 0
Slomanaya Strela, снимайте осциллограммы с затворов, на предмет одновременного открытия ключей.

Добавлено after 5 minutes 40 seconds:
Re: Двухтактный преобразователь для часов на ИВ-11 уходит в
Чего сделать то?


stepup mc34063 до 12В и далее IR2153

_________________
ZZZ С Нами Бог ZZZ


Вернуться наверх
 
Не в сети
 Заголовок сообщения: Re: Двухтактный преобразователь для часов на ИВ-11 уходит в
СообщениеДобавлено: Ср окт 23, 2019 13:19:58 
Встал на лапы

Зарегистрирован: Сб май 04, 2019 10:36:35
Сообщений: 133
Рейтинг сообщения: 0
А вот это я с затворов снял. Затвор-общий( минус).


Вложения:
Вход.jpg [112.91 KiB]
Скачиваний: 638
Вернуться наверх
 
Не в сети
 Заголовок сообщения: Re: Двухтактный преобразователь для часов на ИВ-11 уходит в
СообщениеДобавлено: Ср окт 23, 2019 13:36:18 
Друг Кота
Аватар пользователя

Карма: 41
Рейтинг сообщений: 2990
Зарегистрирован: Пн июл 23, 2018 10:36:20
Сообщений: 3489
Откуда: Казань
Рейтинг сообщения: 0
ну а что вы хотите с такими фронтами? один не закрылся, а второй уже открылся.
нужна пауза, да и генератор должен отдавать ток для быстрого заряда и разряда затворов.

_________________
ZZZ С Нами Бог ZZZ


Вернуться наверх
 
Не в сети
 Заголовок сообщения: Re: Двухтактный преобразователь для часов на ИВ-11 уходит в
СообщениеДобавлено: Ср окт 23, 2019 13:42:36 
Встал на лапы

Зарегистрирован: Сб май 04, 2019 10:36:35
Сообщений: 133
Рейтинг сообщения: 0
Спасибо Вам! Могу я эту схему как-то поправить например резисторы 300 ом поставить.
Нелепо как-то, у автора вроде работает. Правда у него сборка полевиков другая.

Фронты идеально прямоугольные без сборки полевиков.


Вернуться наверх
 
Не в сети
 Заголовок сообщения: Re: Двухтактный преобразователь для часов на ИВ-11 уходит в
СообщениеДобавлено: Ср окт 23, 2019 13:58:22 
Друг Кота
Аватар пользователя

Карма: 41
Рейтинг сообщений: 2990
Зарегистрирован: Пн июл 23, 2018 10:36:20
Сообщений: 3489
Откуда: Казань
Рейтинг сообщения: 0
эту схему как-то поправить

попробуйте биполярные транзисторы применить.

Нелепо как-то, у автора вроде работает.


Вы лично в этом убедились?
инет пестрит не работающими схемами.

_________________
ZZZ С Нами Бог ZZZ


Вернуться наверх
 
Не в сети
 Заголовок сообщения: Re: Двухтактный преобразователь для часов на ИВ-11 уходит в
СообщениеДобавлено: Ср окт 23, 2019 14:07:33 
Друг Кота
Аватар пользователя

Карма: 123
Рейтинг сообщений: 7959
Зарегистрирован: Сб сен 13, 2014 16:27:32
Сообщений: 39199
Откуда: СпиртоГонск созвездия Омега
Рейтинг сообщения: 0
вот тото и оно яб сделал автоген с трансовым ПОС домотаф на ваш тран еше затворную обмотку
тогда ваще некритичен режим питания размвах затворного сделайте 12-15в и обрежте зенерами СИ на 15в
смысла в синхроном возбуждени у вас никакого
насчет 34063 яб не стал с ней парится оно если вытянет то на пределе и будет жаритца от 5в придется внешни шустрый PNP вешать
схема на вскидку вполне рабочая но....если взять лоджик левэл ключи
ну или заппитать цифпровую часть счетчикоф от 12в

Добавлено after 6 minutes 47 seconds:
Re: Двухтактный преобразователь для часов на ИВ-11 уходит в КЗ.
неясно зачем такой наворочаный 2тактник взят для часоф??? можно сделать 1 такт на ш образном ферите с зазором на Ш5х5 или Б7 ферите 2000нмс и зенере во всех совок калкуляторах такие схемы питали все от батарей 3-6в ключевик можно взять 1т321г тогда схема четка работает начиная с 1,7в питания(2 батареи 317)-имено такой полевой вариант я долгие годы юзал)

_________________
ZМудрость(Опыт и выдержка) приходит с годами.
Все Ваши беды и проблемы, от недостатка знаний.
Умный и у дурака научится, а дураку и ..
Алберт Ейнштейн не поможет и ВВП не спасет.и МЧС опаздает


Вернуться наверх
 
Не в сети
 Заголовок сообщения: Re: Двухтактный преобразователь для часов на ИВ-11 уходит в
СообщениеДобавлено: Ср окт 23, 2019 14:10:05 
Встал на лапы

Зарегистрирован: Сб май 04, 2019 10:36:35
Сообщений: 133
Рейтинг сообщения: 0
Биполярные попробую. Не пробовал пока. Попробую еще сопротивление увеличить.
Не убедился конечно, так на веру.


musor спасибо я пока от USB хочу.


Вернуться наверх
 
Не в сети
 Заголовок сообщения: Re: Двухтактный преобразователь для часов на ИВ-11 уходит в
СообщениеДобавлено: Ср окт 23, 2019 16:19:45 
Друг Кота

Карма: 68
Рейтинг сообщений: 1408
Зарегистрирован: Сб янв 29, 2011 00:28:48
Сообщений: 7774
Рейтинг сообщения: 0
Наверное, можно поставить буфером 74НС00, по два элемента впараллель на каждый затвор.


Вернуться наверх
 
Не в сети
 Заголовок сообщения: Re: Двухтактный преобразователь для часов на ИВ-11 уходит в
СообщениеДобавлено: Ср окт 23, 2019 16:36:18 
Встал на лапы

Зарегистрирован: Сб май 04, 2019 10:36:35
Сообщений: 133
Рейтинг сообщения: 0
Интересно. Это 2И-НЕ, и входы соединить? 555ЛА3 у меня есть.


Вернуться наверх
 
Не в сети
 Заголовок сообщения: Re: Двухтактный преобразователь для часов на ИВ-11 уходит в
СообщениеДобавлено: Ср окт 23, 2019 16:41:17 
Друг Кота

Карма: 68
Рейтинг сообщений: 1408
Зарегистрирован: Сб янв 29, 2011 00:28:48
Сообщений: 7774
Рейтинг сообщения: 0
555 немного не то....смотреть надо не на быстродействие, а на ток выхода...555ИР22 тогда, там и по 4 элемента можно...


Вернуться наверх
 
Показать сообщения за:  Сортировать по:  Вернуться наверх
Начать новую тему Ответить на тему  [ Сообщений: 26 ]  1,  

Часовой пояс: UTC + 3 часа


Кто сейчас на форуме

Сейчас этот форум просматривают: Majestic-12 [Bot] и гости: 97


Вы не можете начинать темы
Вы не можете отвечать на сообщения
Вы не можете редактировать свои сообщения
Вы не можете удалять свои сообщения
Вы не можете добавлять вложения

Найти:
Перейти:  


Powered by phpBB © 2000, 2002, 2005, 2007 phpBB Group
Русская поддержка phpBB
Extended by Karma MOD © 2007—2012 m157y
Extended by Topic Tags MOD © 2012 m157y