Например TDA7294

Форум РадиоКот • Просмотр темы - ИИП для новичков продвинутых на SG3525
Форум РадиоКот
Здесь можно немножко помяукать :)

Текущее время: Сб фев 28, 2026 22:23:10

Часовой пояс: UTC + 3 часа


ПРЯМО СЕЙЧАС:



Начать новую тему Ответить на тему  [ Сообщений: 9590 ]     ... , , , 318, , , ...  
Автор Сообщение
 Заголовок сообщения: Re: ИИП для новичков продвинутых на SG3525
СообщениеДобавлено: Ср фев 17, 2021 15:07:10 
Опытный кот
Аватар пользователя

Карма: 8
Рейтинг сообщений: 33
Зарегистрирован: Чт ноя 08, 2012 22:28:05
Сообщений: 795
Откуда: Ижевск
Рейтинг сообщения: 0
Вот уже не первый год вынашиваю идею идеального лабораторника ) Ну и решил уже приступить к делу, набрёл на эту тему.

1) Основа всего, я так понимаю, блок питания, то есть устройство, которое сетевое напряжение преобразует в пониженное высокой мощности (допустим +35, GND, -35 В)
2) Управляющий модуль, импульсный регулятор напряжения, выходящего из блока питания, снабженный защитой по току.

В теме легко потеряться к сожалению (

Вопросы:
1) На стр. 51 данной темы видел тесты блока и я так понял, что 350-500 Вт он отдает без проблем, верно?
2) Какая из схем и печаток актуальна на данный момент? Если не сложно, укажите на них, пожалуйста )

На мой взгляд идеальный лабораторник это чтобы и микросхему запитать с очень малым ограничением по току, ну и при желании чтобы ручку выжигателя подключить можно )) При этом чтобы работал долго и детали от перегрева не отпаивались ))

Спасибо за ответы!


Вернуться наверх
 
 Заголовок сообщения: Re: ИИП для новичков продвинутых на SG3525
СообщениеДобавлено: Чт фев 18, 2021 06:09:11 
Собутыльник Кота

Карма: 14
Рейтинг сообщений: 472
Зарегистрирован: Вс фев 02, 2020 09:12:37
Сообщений: 2804
Рейтинг сообщения: 0
Идеальный получается очень дорогой...)))...Вы даже в своём понимании (+35-GND--35) упустили, что имп. регулятора отрицательного напряжения вы потом не найдёте...)))...т.е. надо два одинаковых блока, а уж их выходы соединять последовательно...Для микросхем сделайте другой разумный блок, который вы сможете осилить...


Вернуться наверх
 
 Заголовок сообщения: Re: ИИП для новичков продвинутых на SG3525
СообщениеДобавлено: Чт фев 18, 2021 07:12:49 
Опытный кот
Аватар пользователя

Карма: 8
Рейтинг сообщений: 33
Зарегистрирован: Чт ноя 08, 2012 22:28:05
Сообщений: 795
Откуда: Ижевск
Рейтинг сообщения: 0
Возможно ) не будем лететь вперёд паровоза ) пока что хочется найти подходящую схему хотя бы Ватт так на 400, желательно двухполярную. Ну а потом уже буду думать дальше ) В этой схеме сильно смущает наличие силового трансформатора. Пересмотрел кучу всего уже, понравились схемы Касьяна, но везде пишут что сырое, не рабочее и т.д.. Сам собирал трансформатор для шокера от Касьяна и лично убедился что без танцев схема действительно не работала, не знаю как там конкретно с блоками питания. Если такой вопрос поиска не по теме, может знаете где этот вопрос обсуждается? Поиск по форуму просто кошмарный.
---

Два одинаковых блока регулировки? А почему бы и нет ) Ну даже если не получится и придется возвращаться к идее разных блоков, пусть так, но попробовать то стоит однозначно ) Глядишь и создам еще что-нибудь полезное для общества.


Вернуться наверх
 
 Заголовок сообщения: Re: ИИП для новичков продвинутых на SG3525
СообщениеДобавлено: Вт фев 23, 2021 19:18:37 
Открыл глаза

Зарегистрирован: Сб июл 13, 2019 16:12:14
Сообщений: 74
Рейтинг сообщения: 0
С праздником 23 февраля!
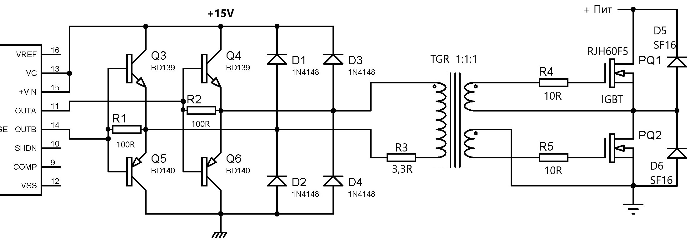
Уважаемые Коты, прошу ваших рекомендаций. Настойчиво изучаю тему, читаю литературу. Очень хочу "добить" эту схему и таки сделать этот БП. Пришел к осознанию построения схемы на IGBT транзисторах RJH60F5 (Спасибо Телекоту) или аналогичных, собрал плату управления с эмиттерными повторителями. Вопрос остался за состыковкой всех узлов.
1. Нужен ли резистор R3
2. Вероятно потребуется подбор резисторов R4 и R5
3. Нужны ли диоды D5, D6
4. Разумная частота SG3525 в связке с RJH60F5 (35 - 40 кГц?)
5. Прочие замечания
БП рассчитываю на 1 квт (60 вольт), стабилизированный.
Заранее спасибо всем откликнувшимся.
Вложение:
Схема драйверов.jpg [171.33 KiB]
Скачиваний: 627

[img][url=https://img.radiokot.ru/files/135997/medium/2g53y7qud9.jpg][/img]

Добавлено after 1 hour 34 minutes 44 seconds:
И еще вопрос. Нужна ли такая обвязка для RJH60F5?
Вложение:
shema.jpg [7.45 KiB]
Скачиваний: 589


Вернуться наверх
 
Эиком - электронные компоненты и радиодетали
 Заголовок сообщения: Re: ИИП для новичков продвинутых на SG3525
СообщениеДобавлено: Ср фев 24, 2021 11:12:40 
Открыл глаза

Зарегистрирован: Сб июл 13, 2019 16:12:14
Сообщений: 74
Рейтинг сообщения: 0
Отрисовал плату под свои детали плюс софтстарт на реле. Пытался унифицировать под разные напряжения питания SG3525.
Хотелось бы критики по общим моментам. (Расположение основных элементов, ширина дорожек и пр.)
Спасибо.

По R3 разобрался - резистор или конденсатор для исключения подмагничивания


Вложения:
ИИП-900W_SG3525 2.23.02.21.lay6 [186.29 KiB]
Скачиваний: 657
Вернуться наверх
 
 Заголовок сообщения: Re: ИИП для новичков продвинутых на SG3525
СообщениеДобавлено: Сб фев 27, 2021 00:18:21 
Встал на лапы

Зарегистрирован: Пн июн 19, 2017 22:21:44
Сообщений: 146
Рейтинг сообщения: 0
Собрал данную схему и для начала проверил осциллографом сигнал на выходе МС (11 и 14 ноги). При напряжении питания 18 в (две батареи Крона) амплитуда импульса всего 2 в. Еще раз проверил схему, вроде все в порядке. Что бы это означало?


Вернуться наверх
 
 Заголовок сообщения: Re: ИИП для новичков продвинутых на SG3525
СообщениеДобавлено: Сб фев 27, 2021 00:20:37 
Друг Кота
Аватар пользователя

Карма: 146
Рейтинг сообщений: 6067
Зарегистрирован: Чт июн 04, 2009 21:06:49
Сообщений: 36290
Откуда: г.Мариинск
Рейтинг сообщения: 0
Медали: 1
Лучший человек Форума 2017 (1)
с трансформатором иди без?

_________________
Тем кого не устаревает наличия ошибок в моем тексте, оставляю права не пользоваться моими советами или просто не читать мои сообщения.


Вернуться наверх
 
 Заголовок сообщения: Re: ИИП для новичков продвинутых на SG3525
СообщениеДобавлено: Вс фев 28, 2021 00:09:30 
Встал на лапы

Зарегистрирован: Пн июн 19, 2017 22:21:44
Сообщений: 146
Рейтинг сообщения: 0
Без. С 11 и 14 ноги. Частота 51 кГц


Вернуться наверх
 
 Заголовок сообщения: Re: ИИП для новичков продвинутых на SG3525
СообщениеДобавлено: Вс фев 28, 2021 00:12:18 
Друг Кота
Аватар пользователя

Карма: 146
Рейтинг сообщений: 6067
Зарегистрирован: Чт июн 04, 2009 21:06:49
Сообщений: 36290
Откуда: г.Мариинск
Рейтинг сообщения: 0
Медали: 1
Лучший человек Форума 2017 (1)
Чем измеряли амплитуду?

_________________
Тем кого не устаревает наличия ошибок в моем тексте, оставляю права не пользоваться моими советами или просто не читать мои сообщения.


Вернуться наверх
 
 Заголовок сообщения: Re: ИИП для новичков продвинутых на SG3525
СообщениеДобавлено: Вс фев 28, 2021 00:16:13 
Встал на лапы

Зарегистрирован: Пн июн 19, 2017 22:21:44
Сообщений: 146
Рейтинг сообщения: 0
Осциллографом


Вернуться наверх
 
 Заголовок сообщения: Re: ИИП для новичков продвинутых на SG3525
СообщениеДобавлено: Вс фев 28, 2021 00:48:34 
Друг Кота
Аватар пользователя

Карма: 146
Рейтинг сообщений: 6067
Зарегистрирован: Чт июн 04, 2009 21:06:49
Сообщений: 36290
Откуда: г.Мариинск
Рейтинг сообщения: 0
Медали: 1
Лучший человек Форума 2017 (1)
:)) Это понятно что не термометром, каким?

_________________
Тем кого не устаревает наличия ошибок в моем тексте, оставляю права не пользоваться моими советами или просто не читать мои сообщения.


Вернуться наверх
 
 Заголовок сообщения: Re: ИИП для новичков продвинутых на SG3525
СообщениеДобавлено: Вс фев 28, 2021 00:55:07 
Встал на лапы

Зарегистрирован: Пн июн 19, 2017 22:21:44
Сообщений: 146
Рейтинг сообщения: 0
DSO 4072 C, цифра, Китай


Вернуться наверх
 
 Заголовок сообщения: Re: ИИП для новичков продвинутых на SG3525
СообщениеДобавлено: Вс фев 28, 2021 01:11:24 
Друг Кота
Аватар пользователя

Карма: 146
Рейтинг сообщений: 6067
Зарегистрирован: Чт июн 04, 2009 21:06:49
Сообщений: 36290
Откуда: г.Мариинск
Рейтинг сообщения: 0
Медали: 1
Лучший человек Форума 2017 (1)
Если всё собрано правильно и делали измерения на пустых ножках микросхемы то скорее всего микросхема дубовая, если конечно осциллограф исправный.

_________________
Тем кого не устаревает наличия ошибок в моем тексте, оставляю права не пользоваться моими советами или просто не читать мои сообщения.


Вернуться наверх
 
 Заголовок сообщения: Re: ИИП для новичков продвинутых на SG3525
СообщениеДобавлено: Вс фев 28, 2021 01:16:33 
Встал на лапы

Зарегистрирован: Пн июн 19, 2017 22:21:44
Сообщений: 146
Рейтинг сообщения: 0
Наверное все ж таки исправный, Обычный (цифровой) тестер вообще показывает еще меньше. Буду выпаивать и менять МС.


Вернуться наверх
 
 Заголовок сообщения: Re: ИИП для новичков продвинутых на SG3525
СообщениеДобавлено: Пн мар 01, 2021 09:12:21 
Встал на лапы
Аватар пользователя

Карма: 1
Рейтинг сообщений: 9
Зарегистрирован: Вт авг 25, 2015 15:19:26
Сообщений: 147
Рейтинг сообщения: 0
Хотелось бы критики по общим моментам. (Расположение основных элементов, ширина дорожек и пр.)


Тута не верно. Отдельная сигнальная и отдельная силовая дорожка на вывод транзистора.
Изображение
medium


Вернуться наверх
 
 Заголовок сообщения: Re: ИИП для новичков продвинутых на SG3525
СообщениеДобавлено: Пн мар 01, 2021 11:38:27 
Вымогатель припоя

Карма: 1
Рейтинг сообщений: 11
Зарегистрирован: Сб июл 07, 2012 23:01:25
Сообщений: 602
Рейтинг сообщения: 0
Ребята,подскажите пожалуйста как быстро перейти на нужную страницу,что бы не открывать через 2..3 страницы. Спасибо за ранее!


Вернуться наверх
 
 Заголовок сообщения: Re: ИИП для новичков продвинутых на SG3525
СообщениеДобавлено: Пн мар 01, 2021 12:03:05 
Первый раз сказал Мяу!

Зарегистрирован: Ср июн 03, 2015 21:39:14
Сообщений: 25
Рейтинг сообщения: 0
Внизу, справа страницы есть ссылка "На страницу"...


Вернуться наверх
 
 Заголовок сообщения: Re: ИИП для новичков продвинутых на SG3525
СообщениеДобавлено: Пн мар 01, 2021 12:14:41 
Друг Кота
Аватар пользователя

Карма: 146
Рейтинг сообщений: 6067
Зарегистрирован: Чт июн 04, 2009 21:06:49
Сообщений: 36290
Откуда: г.Мариинск
Рейтинг сообщения: 0
Медали: 1
Лучший человек Форума 2017 (1)
Изображение

_________________
Тем кого не устаревает наличия ошибок в моем тексте, оставляю права не пользоваться моими советами или просто не читать мои сообщения.


Вернуться наверх
 
 Заголовок сообщения: Re: ИИП для новичков продвинутых на SG3525
СообщениеДобавлено: Вт мар 02, 2021 04:56:53 
Встал на лапы

Зарегистрирован: Пн июн 19, 2017 22:21:44
Сообщений: 146
Рейтинг сообщения: 0
Заранее пишется вместе.
Сменил МС, все стало в порядке.


Вернуться наверх
 
 Заголовок сообщения: Re: ИИП для новичков продвинутых на SG3525
СообщениеДобавлено: Чт мар 04, 2021 11:36:11 
Родился

Зарегистрирован: Пн фев 15, 2021 10:25:49
Сообщений: 2
Рейтинг сообщения: 0
Приветствую всех
До этого собирал БП только на ir2153,после собрал на 2161но только почему то ключи греются сильно,вчера достал осциллограф,купил давно,hantek6022be,целый день изучал,тренировался,научился вроде пользоваться,думаю теперь найду причину,но не в этом суть.
Собрал я этот БП900,практически полностью,вопрос есть по трансформатору тока,желтобелое колечко можно использовать?


Последний раз редактировалось МК105 Чт мар 04, 2021 11:52:29, всего редактировалось 1 раз.

Вернуться наверх
 
Показать сообщения за:  Сортировать по:  Вернуться наверх
Начать новую тему Ответить на тему  [ Сообщений: 9590 ]     ... , , , 318, , , ...  

Часовой пояс: UTC + 3 часа


Вы не можете начинать темы
Вы не можете отвечать на сообщения
Вы не можете редактировать свои сообщения
Вы не можете удалять свои сообщения
Вы не можете добавлять вложения

Найти:
Перейти:  


Powered by phpBB © 2000, 2002, 2005, 2007 phpBB Group
Русская поддержка phpBB
Extended by Karma MOD © 2007—2012 m157y
Extended by Topic Tags MOD © 2012 m157y