Например TDA7294

Форум РадиоКот • Просмотр темы - УКВ приемник на авиа диапазон
Форум РадиоКот
Здесь можно немножко помяукать :)

Текущее время: Вс янв 11, 2026 22:56:43

Часовой пояс: UTC + 3 часа


ПРЯМО СЕЙЧАС:



Начать новую тему Ответить на тему  [ Сообщений: 104 ]    , 2, , , ,  
Автор Сообщение
Не в сети
 Заголовок сообщения: Re: УКВ приемник на авиа диапазон
СообщениеДобавлено: Ср апр 27, 2022 12:06:46 
Друг Кота
Аватар пользователя

Карма: 123
Рейтинг сообщений: 7959
Зарегистрирован: Сб сен 13, 2014 16:27:32
Сообщений: 39199
Откуда: СпиртоГонск созвездия Омега
Рейтинг сообщения: 0
не бутет так4 2затворник работать смесителем _УЧИТЕ МАТЧАСТЬ
у 2п350 сигнал с УРЧ подается на G1 а гетер на G2 в стке контур на ПЧ... толка так/+ лучше если гетер выше по частоте
ваша игрушка или ваше не взлетит или заптрахаетесьь с ней тогда уж лучще чесный колцевой на диодах свч -малые шумы высока КП подавлени гетеродина и сигдала на минимум 60дб а при подборе диодоф с смеситель на характериографе с разбродом мене 0.2% до 100 неполохой тракт для 144/430 я делал из кабелных СКВ- без их перебора и чипах для видеотракта телекоф 2-3 поколения все чо надо вместо пьзо филта ПЧИ ставим ФСС с полосой в 50-20кгц при желани можно и уже контур АМ демодулятора и АПЧГ сужаем до 200-500к чтоб закват работал четка

_________________
ZМудрость(Опыт и выдержка) приходит с годами.
Все Ваши беды и проблемы, от недостатка знаний.
Умный и у дурака научится, а дураку и ..
Алберт Ейнштейн не поможет и ВВП не спасет.и МЧС опаздает


Вернуться наверх
 
Не в сети
 Заголовок сообщения: Re: УКВ приемник на авиа диапазон
СообщениеДобавлено: Ср апр 27, 2022 12:17:45 
Встал на лапы

Зарегистрирован: Пт апр 01, 2022 11:15:51
Сообщений: 117
Откуда: Санкт-Петербург
Рейтинг сообщения: 0
У 2П350 действительно сильно различаются затворы, потому, понятно, не будет работать, а на других полевиках почему не заработает? :dont_know: А кольцевые эт хорошо 8) , единственное трансформаторы эти мотать :sleep: И характериограф далеко не у всех есть, но можно сборку достать

_________________
Молчаливая галлюцинация.
Z


Вернуться наверх
 
Не в сети
 Заголовок сообщения: Re: УКВ приемник на авиа диапазон
СообщениеДобавлено: Ср апр 27, 2022 13:06:33 
Электрический кот
Аватар пользователя

Зарегистрирован: Ср май 13, 2009 13:07:25
Сообщений: 1025
Откуда: Киев Украина
Рейтинг сообщения: 0
Есть вот такой вариант смесителя


Вложения:
8.gif [4.11 KiB]
Скачиваний: 62
Вернуться наверх
 
Не в сети
 Заголовок сообщения: Re: УКВ приемник на авиа диапазон
СообщениеДобавлено: Ср апр 27, 2022 13:16:08 
Друг Кота
Аватар пользователя

Карма: 123
Рейтинг сообщений: 7959
Зарегистрирован: Сб сен 13, 2014 16:27:32
Сообщений: 39199
Откуда: СпиртоГонск созвездия Омега
Рейтинг сообщения: 0
да есть но туда 2 отборных идентичных кп305 надо или сборку из 190серии

_________________
ZМудрость(Опыт и выдержка) приходит с годами.
Все Ваши беды и проблемы, от недостатка знаний.
Умный и у дурака научится, а дураку и ..
Алберт Ейнштейн не поможет и ВВП не спасет.и МЧС опаздает


Вернуться наверх
 
Эиком - электронные компоненты и радиодетали
Не в сети
 Заголовок сообщения: Re: УКВ приемник на авиа диапазон
СообщениеДобавлено: Ср апр 27, 2022 13:17:24 
Друг Кота

Карма: 49
Рейтинг сообщений: 547
Зарегистрирован: Чт фев 20, 2014 18:57:55
Сообщений: 19494
Рейтинг сообщения: 0
на других полевиках почему не заработает?

у меня такого плана сомнения - допустим, на одном затворе у нас открывающая полуволна, но на втором в этом момент обратная, откроется канал в этом случае или нет как то раньше не задумывался

если питание не экономить, то я бы с синтезатором на si5351 сделал и с цифровыми ключами, а то ведь шкалу какую то надо приделывать, калибровать

_________________
"Вся военная пропаганда, все крики, ложь и ненависть исходят от людей, которые на эту войну не пойдут !" / Джордж Оруэлл /
"Война - это,когда за интересы других,гибнут совершенно безвинные люди." / Уинстон Черчилль /


Вернуться наверх
 
Не в сети
 Заголовок сообщения: Re: УКВ приемник на авиа диапазон
СообщениеДобавлено: Ср апр 27, 2022 13:36:47 
Встал на лапы

Зарегистрирован: Пт апр 01, 2022 11:15:51
Сообщений: 117
Откуда: Санкт-Петербург
Рейтинг сообщения: 0
у меня такого плана сомнения - допустим, на одном затворе у нас открывающая полуволна, но на втором в этом момент обратная, откроется канал в этом случае или нет как то раньше не задумывался

А ведь действительно :facepalm: :))

_________________
Молчаливая галлюцинация.
Z


Вернуться наверх
 
Не в сети
 Заголовок сообщения: Re: УКВ приемник на авиа диапазон
СообщениеДобавлено: Ср апр 27, 2022 13:39:16 
Электрический кот
Аватар пользователя

Зарегистрирован: Ср май 13, 2009 13:07:25
Сообщений: 1025
Откуда: Киев Украина
Рейтинг сообщения: 0
Глянул есть такие сборки , только нашел в смд корпусе,это из современных, есть bs170


Вернуться наверх
 
Не в сети
 Заголовок сообщения: Re: УКВ приемник на авиа диапазон
СообщениеДобавлено: Ср апр 27, 2022 13:46:45 
Друг Кота

Карма: 49
Рейтинг сообщений: 547
Зарегистрирован: Чт фев 20, 2014 18:57:55
Сообщений: 19494
Рейтинг сообщения: 0
для смесителя можно наверное и bf998 взять, соединить оба затвора и сделать на двух транзисторах смеситель (как выше схема была), ну просто они и по частоте хорошо подходят и по шуму хороши и распространенные и от статики более менее не мрут

_________________
"Вся военная пропаганда, все крики, ложь и ненависть исходят от людей, которые на эту войну не пойдут !" / Джордж Оруэлл /
"Война - это,когда за интересы других,гибнут совершенно безвинные люди." / Уинстон Черчилль /


Вернуться наверх
 
Не в сети
 Заголовок сообщения: Re: УКВ приемник на авиа диапазон
СообщениеДобавлено: Ср апр 27, 2022 14:09:58 
Электрический кот
Аватар пользователя

Зарегистрирован: Ср май 13, 2009 13:07:25
Сообщений: 1025
Откуда: Киев Украина
Рейтинг сообщения: 0
MTDK5S6R как вариант


Вернуться наверх
 
Не в сети
 Заголовок сообщения: Re: УКВ приемник на авиа диапазон
СообщениеДобавлено: Ср апр 27, 2022 15:36:06 
Встал на лапы

Зарегистрирован: Пт апр 01, 2022 11:15:51
Сообщений: 117
Откуда: Санкт-Петербург
Рейтинг сообщения: 0
Сборки не обязательно, современные уже более-менее одинаковые, не то что 40 лет назад :solder:

_________________
Молчаливая галлюцинация.
Z


Вернуться наверх
 
Не в сети
 Заголовок сообщения: Re: УКВ приемник на авиа диапазон
СообщениеДобавлено: Ср апр 27, 2022 16:11:14 
Электрический кот
Аватар пользователя

Зарегистрирован: Ср май 13, 2009 13:07:25
Сообщений: 1025
Откуда: Киев Украина
Рейтинг сообщения: 0
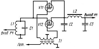
Тогда вот так :solder: :solder: :solder:


Вложения:
УКВ ЧМ на авиа диапозон.GIF [15.04 KiB]
Скачиваний: 92
Вернуться наверх
 
Не в сети
 Заголовок сообщения: Re: УКВ приемник на авиа диапазон
СообщениеДобавлено: Ср апр 27, 2022 16:13:36 
Встал на лапы

Зарегистрирован: Пт апр 01, 2022 11:15:51
Сообщений: 117
Откуда: Санкт-Петербург
Рейтинг сообщения: 0
Может сигнал все-таки в исток подавать? Я б так сделал :dont_know:

_________________
Молчаливая галлюцинация.
Z


Вернуться наверх
 
Не в сети
 Заголовок сообщения: Re: УКВ приемник на авиа диапазон
СообщениеДобавлено: Ср апр 27, 2022 16:51:17 
Друг Кота

Карма: 49
Рейтинг сообщений: 547
Зарегистрирован: Чт фев 20, 2014 18:57:55
Сообщений: 19494
Рейтинг сообщения: 0
Да норм. Они тут как ключи с управлением от гетеродина. В принципе можно и ключи поставить типа таких https://www.chipdip.ru/product/sn74lvc1g3157dbvr

_________________
"Вся военная пропаганда, все крики, ложь и ненависть исходят от людей, которые на эту войну не пойдут !" / Джордж Оруэлл /
"Война - это,когда за интересы других,гибнут совершенно безвинные люди." / Уинстон Черчилль /


Вернуться наверх
 
Не в сети
 Заголовок сообщения: Re: УКВ приемник на авиа диапазон
СообщениеДобавлено: Ср апр 27, 2022 18:49:15 
Электрический кот
Аватар пользователя

Зарегистрирован: Ср май 13, 2009 13:07:25
Сообщений: 1025
Откуда: Киев Украина
Рейтинг сообщения: 0
Померял на коэффициент усиления гт346 и гт 313... И заказал в итоге в УВЧ BF979(кт3109) и в гетеродин , может в сверхрегенеративный детектор впихнуть германий, в смеситель bs170


Вернуться наверх
 
Не в сети
 Заголовок сообщения: Re: УКВ приемник на авиа диапазон
СообщениеДобавлено: Ср апр 27, 2022 19:06:08 
Встал на лапы

Зарегистрирован: Пт апр 01, 2022 11:15:51
Сообщений: 117
Откуда: Санкт-Петербург
Рейтинг сообщения: 0
Да тут и более распространенные КТ368 пошли бы... Но это уже дело вкуса :)

_________________
Молчаливая галлюцинация.
Z


Вернуться наверх
 
Не в сети
 Заголовок сообщения: Re: УКВ приемник на авиа диапазон
СообщениеДобавлено: Ср апр 27, 2022 19:11:55 
Электрический кот
Аватар пользователя

Зарегистрирован: Ср май 13, 2009 13:07:25
Сообщений: 1025
Откуда: Киев Украина
Рейтинг сообщения: 0
Есть такие с 1999 года накопилось много всякого)))


Вернуться наверх
 
Не в сети
 Заголовок сообщения: Re: УКВ приемник на авиа диапазон
СообщениеДобавлено: Ср апр 27, 2022 19:34:36 
Встал на лапы

Зарегистрирован: Пт апр 01, 2022 11:15:51
Сообщений: 117
Откуда: Санкт-Петербург
Рейтинг сообщения: 0
Дык ставьте! :) Чего ждать заказа?

_________________
Молчаливая галлюцинация.
Z


Вернуться наверх
 
Не в сети
 Заголовок сообщения: Re: УКВ приемник на авиа диапазон
СообщениеДобавлено: Ср апр 27, 2022 19:37:14 
Друг Кота

Карма: 6
Рейтинг сообщений: 303
Зарегистрирован: Вт авг 26, 2008 14:36:02
Сообщений: 5248
Откуда: москва
Рейтинг сообщения: 0
Юзал 2т368, в металле с приемкой понравились


Вернуться наверх
 
Не в сети
 Заголовок сообщения: Re: УКВ приемник на авиа диапазон
СообщениеДобавлено: Ср апр 27, 2022 19:41:59 
Встал на лапы

Зарегистрирован: Пт апр 01, 2022 11:15:51
Сообщений: 117
Откуда: Санкт-Петербург
Рейтинг сообщения: 0
2Т368 реально хорошие. А то мне не так давно такая пластиковая партия попалась :kill:... Ногу гнешь под 90, на расстоянии 3 мм от корпуса, а нога отваливается :)))

_________________
Молчаливая галлюцинация.
Z


Вернуться наверх
 
Не в сети
 Заголовок сообщения: Re: УКВ приемник на авиа диапазон
СообщениеДобавлено: Ср апр 27, 2022 19:51:56 
Электрический кот
Аватар пользователя

Зарегистрирован: Ср май 13, 2009 13:07:25
Сообщений: 1025
Откуда: Киев Украина
Рейтинг сообщения: 0
Дык ставьте! :) Чего ждать заказа?

У меня все транзисторы pnp , а кт368 npn :)))


Вернуться наверх
 
Показать сообщения за:  Сортировать по:  Вернуться наверх
Начать новую тему Ответить на тему  [ Сообщений: 104 ]    , 2, , , ,  

Часовой пояс: UTC + 3 часа


Кто сейчас на форуме

Сейчас этот форум просматривают: Google [Bot] и гости: 18


Вы не можете начинать темы
Вы не можете отвечать на сообщения
Вы не можете редактировать свои сообщения
Вы не можете удалять свои сообщения
Вы не можете добавлять вложения

Найти:
Перейти:  


Powered by phpBB © 2000, 2002, 2005, 2007 phpBB Group
Русская поддержка phpBB
Extended by Karma MOD © 2007—2012 m157y
Extended by Topic Tags MOD © 2012 m157y