Например TDA7294

Форум РадиоКот • Просмотр темы - Розетка 2.5G Ethernet с пином Vcc - какое напряжение нужно?
Форум РадиоКот
Здесь можно немножко помяукать :)

Текущее время: Ср апр 01, 2026 05:32:12

Часовой пояс: UTC + 3 часа


ПРЯМО СЕЙЧАС:



Начать новую тему Ответить на тему  [ Сообщений: 10 ] 
Автор Сообщение
 Заголовок сообщения: Розетка 2.5G Ethernet с пином Vcc - какое напряжение нужно?
СообщениеДобавлено: Вт июл 08, 2025 15:38:15 
Друг Кота
Аватар пользователя

Карма: 59
Рейтинг сообщений: 1579
Зарегистрирован: Вт окт 22, 2013 04:37:23
Сообщений: 3465
Откуда: Казань
Рейтинг сообщения: 0
Есть розетка RG45 для 2.5G Ethernet. И у неё имеется отдельный пин для подачи Vcc - указал на схеме стрелкой.

При этом в даташите на розетку указано, что она не PoE совместимая.

Вопрос - какое напряжение туда подавать? Используется контроллер RTL8125BG-CG с двойным питанием - 3.3V и 0.95V, и в его даташите нет ничего про использование таких розеток.


Изображение

_________________
Платы для HLDI - установки лазерной засветки фоторезиста.
Фоторезист Ordyl Alpha 350
Жидкое олово для лужения плат (видео) - самое лучшее и только у меня.
Паяльные маски XV501T-4 и KSM-S6189 (5 цветов).
Заказ печатных плат - pcbsmac@gmail.com


Вернуться наверх
 
 Заголовок сообщения: Re: Розетка 2.5G Ethernet с пином Vcc - какое напряжение нуж
СообщениеДобавлено: Вт июл 08, 2025 15:51:42 
Друг Кота
Аватар пользователя

Карма: 59
Рейтинг сообщений: 705
Зарегистрирован: Вт сен 25, 2012 23:13:41
Сообщений: 6126
Откуда: г.Дзержинск Нижегородской обл.
Рейтинг сообщения: 0
Vcc не должно превышать максимального питания контроллера, куда подключена эта розетка и той нагрузки, которая от этой розетки будет запитана. Короче, меньше меньшего.
С другой стороны, если контроллер подключается к розетке через свои собственные разделительные трансформаторы, то максимальное Vcc определяется кабелем соединения и возможностями нагрузки "переварить" это напряжение. Обычно это не более 42 В, но это не точно.

_________________
Спасение утопающих дело рук самих утопающих.


Вернуться наверх
 
 Заголовок сообщения: Re: Розетка 2.5G Ethernet с пином Vcc - какое напряжение нуж
СообщениеДобавлено: Вт июл 08, 2025 16:32:38 
Друг Кота
Аватар пользователя

Карма: 59
Рейтинг сообщений: 1579
Зарегистрирован: Вт окт 22, 2013 04:37:23
Сообщений: 3465
Откуда: Казань
Рейтинг сообщения: 0
и той нагрузки, которая от этой розетки будет запитана

О какой запитке какой нагрузки идёт речь, если розетка без поддержки PoE ?

_________________
Платы для HLDI - установки лазерной засветки фоторезиста.
Фоторезист Ordyl Alpha 350
Жидкое олово для лужения плат (видео) - самое лучшее и только у меня.
Паяльные маски XV501T-4 и KSM-S6189 (5 цветов).
Заказ печатных плат - pcbsmac@gmail.com


Вернуться наверх
 
 Заголовок сообщения: Re: Розетка 2.5G Ethernet с пином Vcc - какое напряжение нуж
СообщениеДобавлено: Вт июл 08, 2025 17:43:17 
Друг Кота

Карма: 1
Рейтинг сообщений: 91
Зарегистрирован: Вт мар 13, 2012 12:16:13
Сообщений: 9106
Откуда: .ru
Рейтинг сообщения: 4
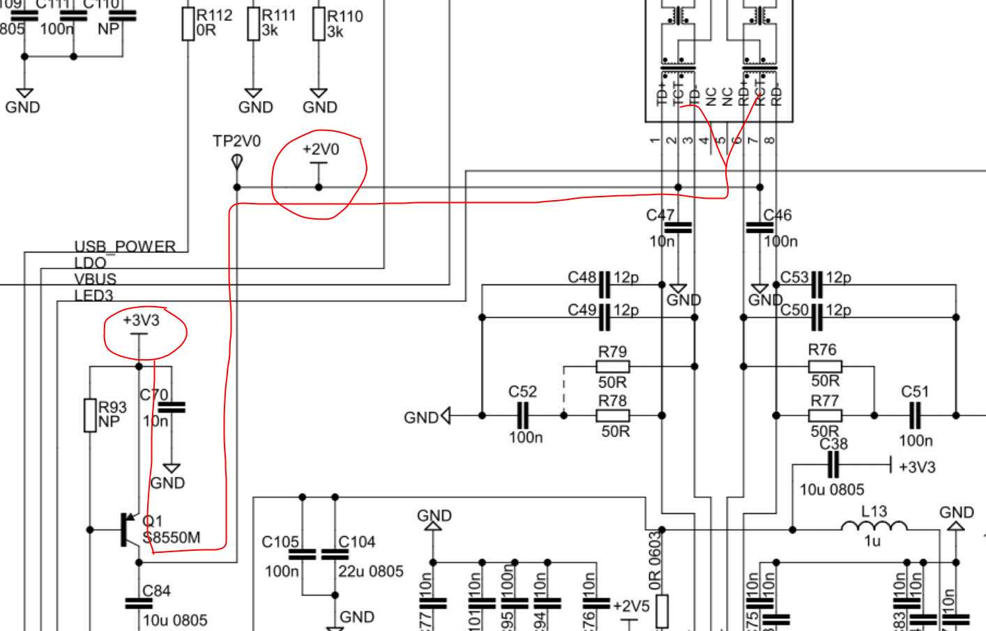
у меня 2 V
Вложение:
Screenshot_1.jpg [81.05 KiB]
Скачиваний: 55

правда у меня контроллер другой))

но у всех Ethernet +/- примерно одинаково.
:tea:


Вернуться наверх
 
Эиком - электронные компоненты и радиодетали
 Заголовок сообщения: Re: Розетка 2.5G Ethernet с пином Vcc - какое напряжение нуж
СообщениеДобавлено: Вт июл 08, 2025 17:49:06 
Друг Кота
Аватар пользователя

Карма: 59
Рейтинг сообщений: 705
Зарегистрирован: Вт сен 25, 2012 23:13:41
Сообщений: 6126
Откуда: г.Дзержинск Нижегородской обл.
Рейтинг сообщения: 0
О какой запитке какой нагрузки идёт речь, если розетка без поддержки PoE ?
Розетка может быть и без PoE, а сам стандарт IEEE 802.3bz передачу питания предусматривает, про него и речь. Вот статья из Вики.

_________________
Спасение утопающих дело рук самих утопающих.


Вернуться наверх
 
 Заголовок сообщения: Re: Розетка 2.5G Ethernet с пином Vcc - какое напряжение нуж
СообщениеДобавлено: Вт июл 08, 2025 17:50:56 
Друг Кота
Аватар пользователя

Карма: 59
Рейтинг сообщений: 2255
Зарегистрирован: Чт янв 26, 2012 16:44:29
Сообщений: 20066
Откуда: Таксимо
Рейтинг сообщения: 4
Это напряжение в приемопередатчике, по даташиту смотреть надо

_________________
Мои поставщики запчастей с отличной репутацией
texnomag.ru
radioremont.com
pl-1.org
4ip.info
elitan.ru


Вернуться наверх
 
 Заголовок сообщения: Re: Розетка 2.5G Ethernet с пином Vcc - какое напряжение нуж
СообщениеДобавлено: Вт июл 08, 2025 18:26:08 
Друг Кота
Аватар пользователя

Карма: 59
Рейтинг сообщений: 1579
Зарегистрирован: Вт окт 22, 2013 04:37:23
Сообщений: 3465
Откуда: Казань
Рейтинг сообщения: 0
Это напряжение в приемопередатчике, по даташиту смотреть надо

Да, есть что-то похожее, звучит как "The TX DC Common Mode Voltage", пока буду считать, что это оно. :)

_________________
Платы для HLDI - установки лазерной засветки фоторезиста.
Фоторезист Ordyl Alpha 350
Жидкое олово для лужения плат (видео) - самое лучшее и только у меня.
Паяльные маски XV501T-4 и KSM-S6189 (5 цветов).
Заказ печатных плат - pcbsmac@gmail.com


Вернуться наверх
 
 Заголовок сообщения: Re: Розетка 2.5G Ethernet с пином Vcc - какое напряжение нуж
СообщениеДобавлено: Вт июл 08, 2025 19:31:23 
Друг Кота
Аватар пользователя

Карма: 59
Рейтинг сообщений: 2255
Зарегистрирован: Чт янв 26, 2012 16:44:29
Сообщений: 20066
Откуда: Таксимо
Рейтинг сообщения: 0
Ну трансформаторы же с двумя обмотками, а на передатчике пушпул выход. На коллекторы концы, плюс на питание

_________________
Мои поставщики запчастей с отличной репутацией
texnomag.ru
radioremont.com
pl-1.org
4ip.info
elitan.ru


Вернуться наверх
 
 Заголовок сообщения: Re: Розетка 2.5G Ethernet с пином Vcc - какое напряжение нуж
СообщениеДобавлено: Вт июл 08, 2025 20:00:37 
Друг Кота

Карма: -8
Рейтинг сообщений: 15
Зарегистрирован: Вс июл 24, 2011 11:38:09
Сообщений: 7641
Рейтинг сообщения: 0
Кароче даташит на розетку надо.
Смотря откуда, в роутерах обычно 5в было только.


Вернуться наверх
 
 Заголовок сообщения: Re: Розетка 2.5G Ethernet с пином Vcc - какое напряжение нуж
СообщениеДобавлено: Вт июл 08, 2025 20:29:18 
Друг Кота
Аватар пользователя

Карма: 59
Рейтинг сообщений: 1579
Зарегистрирован: Вт окт 22, 2013 04:37:23
Сообщений: 3465
Откуда: Казань
Рейтинг сообщения: 0
74LS00, вот даташит. Розетка ниоткуда, она просто из Китая. :)


Вложения:
LPJM17061ABNL.pdf [363.87 KiB]
Скачиваний: 44

_________________
Платы для HLDI - установки лазерной засветки фоторезиста.
Фоторезист Ordyl Alpha 350
Жидкое олово для лужения плат (видео) - самое лучшее и только у меня.
Паяльные маски XV501T-4 и KSM-S6189 (5 цветов).
Заказ печатных плат - pcbsmac@gmail.com
Вернуться наверх
 
Показать сообщения за:  Сортировать по:  Вернуться наверх
Начать новую тему Ответить на тему  [ Сообщений: 10 ] 

Часовой пояс: UTC + 3 часа


Вы не можете начинать темы
Вы не можете отвечать на сообщения
Вы не можете редактировать свои сообщения
Вы не можете удалять свои сообщения
Вы не можете добавлять вложения

Найти:
Перейти:  


Powered by phpBB © 2000, 2002, 2005, 2007 phpBB Group
Русская поддержка phpBB
Extended by Karma MOD © 2007—2012 m157y
Extended by Topic Tags MOD © 2012 m157y