Например TDA7294

Форум РадиоКот • Просмотр темы - Индикатор передач АКПП
Форум РадиоКот
Здесь можно немножко помяукать :)

Текущее время: Сб янв 03, 2026 03:08:55

Часовой пояс: UTC + 3 часа


ПРЯМО СЕЙЧАС:



Начать новую тему Ответить на тему  [ Сообщений: 153 ]  1, , , , ...  
Автор Сообщение
Не в сети
 Заголовок сообщения: Индикатор передач АКПП
СообщениеДобавлено: Чт янв 31, 2013 20:58:28 
Встал на лапы
Аватар пользователя

Зарегистрирован: Вс ноя 01, 2009 15:25:45
Сообщений: 129
Откуда: Ярославль
Рейтинг сообщения: 0
Доброго времени суток, уважаемые! Прошу не пинать, если тема таковая имеется, увы, не нашёл. :(
Итак, решил я сделать индикатор включенной передачи на свой автомобиль. Не спрашивайте зачем, - надо.
Что имеем- два соленоида, А и В, переключающие передачи в АКПП, управляющиеся блоком управления АКПП, собственно два провода, по которым подаётся управляющее напряжение в соответствии с таблицей. Либо плюс 12В, либо - земля. Набросал в протеусе схему, обычный дешифратор двочного кода в семисегментный. Моих познаний в цифровой технике не хватает, поэтому прошу помощи. У меня правильно отображается только четвёртая передача. Что нужно добавить, изменить, чтобы индикатор отображал согласно таблице. Файлы прилагаю. Спасибо.


Вложения:
4Speed.rar [14.27 KiB]
Скачиваний: 843
Соленоиды.jpg [42.6 KiB]
Скачиваний: 1729
Вернуться наверх
 
Не в сети
 Заголовок сообщения: Re: Индикатор передач АКПП
СообщениеДобавлено: Чт янв 31, 2013 21:53:30 
Друг Кота

Карма: 27
Рейтинг сообщений: 1283
Зарегистрирован: Ср фев 11, 2009 20:35:58
Сообщений: 7853
Рейтинг сообщения: 0
Не стандартная кодировка решается с помощью ПЗУ типа 155РЕ1 или на МК.


Вернуться наверх
 
 Заголовок сообщения: Re: Индикатор передач АКПП
СообщениеДобавлено: Чт янв 31, 2013 23:05:44 
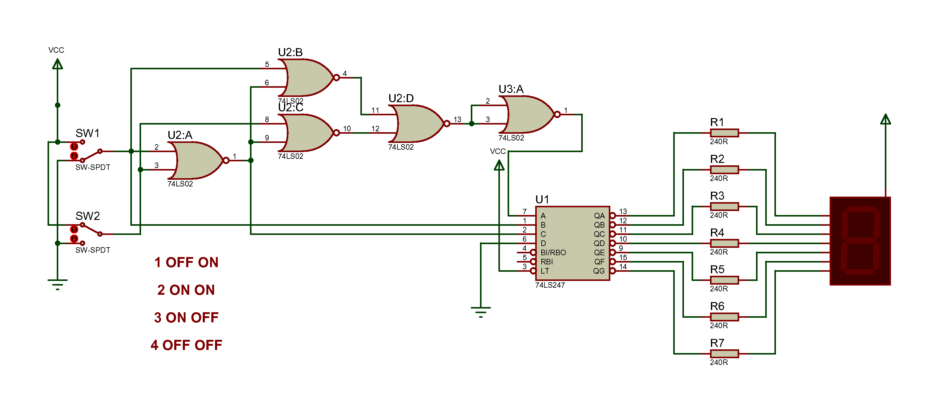
Это вот вариант что называется "в лоб" за 5 минут. И соответственно только логика. Надо не забывать, что ТТЛ напрямую питать/подавать на вход 12В нельзя. Второй вариант - это без дешифратора, логика управляет сегментами, Третий - как уже сказали, ПЗУ прошить (155РЕ3). МК для такой задачи мне кажется занадто. Новичку лучше на сопляторе спаять схемку на логике и не мучаться с прошивками/программированием.


Вложения:
4Speed_0001.png [52.23 KiB]
Скачиваний: 2010
Вернуться наверх
   
 
Не в сети
 Заголовок сообщения: Re: Индикатор передач АКПП
СообщениеДобавлено: Чт янв 31, 2013 23:18:37 
Вымогатель припоя
Аватар пользователя

Карма: 15
Рейтинг сообщений: 39
Зарегистрирован: Вс ноя 13, 2011 16:42:05
Сообщений: 652
Откуда: Украина
Рейтинг сообщения: 0
orinoko писал(а):
МК для такой задачи мне кажется занадто.

Это точно, я так-же еще не встречал задачи где без МК ничего не решить, всегда есть вариант решения на логике
Lifeyar писал(а):
Что имеем- два соленоида, А и В, переключающие передачи в АКПП, управляющиеся блоком управления АКПП

Это наверное не все. Там только четыре передачи? не три? не пять?,
где нейтраль где задняя?
Можно сделать и на МК примерно по такой схеме(тут мега8, но и на тини2313 все это также решаемо) если такая схема устроит, могу помочь, (исходный текст программы здесь)


Вернуться наверх
 
Эиком - электронные компоненты и радиодетали
Не в сети
 Заголовок сообщения: Re: Индикатор передач АКПП
СообщениеДобавлено: Пт фев 01, 2013 06:03:53 
Встал на лапы
Аватар пользователя

Зарегистрирован: Вс ноя 01, 2009 15:25:45
Сообщений: 129
Откуда: Ярославль
Рейтинг сообщения: 0
Спасибо всем, кто откликнулся! МК-для меня вобще тёмный лес. Собрать и прошить смогу, а вот с программированием - туго, а вернее вобще никак. Передач, как и У всех, P R N D 2 1, OD Off, но контроль необходим лишь в режиме D, там работают все 4 передачи. Во всех остальных режимах индикация не нужна. Способ реализации таков, при включении режима D, подается питание на схему индикации. Развязка с соленоидами будет гальваническая, через оптопары. Ещё раз спасибо, будем думать!


Вернуться наверх
 
Не в сети
 Заголовок сообщения: Re: Индикатор передач АКПП
СообщениеДобавлено: Пт фев 01, 2013 06:25:54 
Вымогатель припоя
Аватар пользователя

Карма: 15
Рейтинг сообщений: 39
Зарегистрирован: Вс ноя 13, 2011 16:42:05
Сообщений: 652
Откуда: Украина
Рейтинг сообщения: 0
Lifeyar писал(а):
..... Собрать и прошить смогу, ..... . Развязка с соленоидами будет гальваническая, через оптопары.

Этого достаточно чтобы воплотить идею в реальность.


Вернуться наверх
 
Не в сети
 Заголовок сообщения: Re: Индикатор передач АКПП
СообщениеДобавлено: Пт фев 01, 2013 07:06:20 
Вымогатель припоя
Аватар пользователя

Карма: 15
Рейтинг сообщений: 39
Зарегистрирован: Вс ноя 13, 2011 16:42:05
Сообщений: 652
Откуда: Украина
Рейтинг сообщения: 1
Схема
Изображение
Архив с файлами прикреплен к сообщению


Вложения:
тину2313.rar [46.07 KiB]
Скачиваний: 688
2313.jpg [37.03 KiB]
Скачиваний: 9345


Последний раз редактировалось C@at Пт фев 01, 2013 07:18:44, всего редактировалось 1 раз.
Вернуться наверх
 
Не в сети
 Заголовок сообщения: Re: Индикатор передач АКПП
СообщениеДобавлено: Пт фев 01, 2013 07:14:21 
Сверлит текстолит когтями
Аватар пользователя

Карма: 12
Рейтинг сообщений: 38
Зарегистрирован: Вс май 21, 2006 16:07:59
Сообщений: 1230
Откуда: Алтай
Рейтинг сообщения: 0
C@at писал(а):
я так-же еще не встречал задачи где без МК ничего не решить

:)))


Вернуться наверх
 
Не в сети
 Заголовок сообщения: Re: Индикатор передач АКПП
СообщениеДобавлено: Пт фев 01, 2013 16:51:51 
Встал на лапы
Аватар пользователя

Зарегистрирован: Вс ноя 01, 2009 15:25:45
Сообщений: 129
Откуда: Ярославль
Рейтинг сообщения: 0
C@at
Супер! Огромное спасибо!!! И размер девайса будет невелик, при использовании СМД деталек, что очень важно для врезки в приборку. Есть же добрые люди! Соберу в железе, отпишусь. :beer:
P.S. На радостях забыл спросить про фьюзы. Какие нужно выставить? Пользуюсь и пони-прогом, и код вижн АВР. Спасибо.


Вернуться наверх
 
Не в сети
 Заголовок сообщения: Re: Индикатор передач АКПП
СообщениеДобавлено: Пт фев 01, 2013 20:25:42 
Вымогатель припоя
Аватар пользователя

Карма: 15
Рейтинг сообщений: 39
Зарегистрирован: Вс ноя 13, 2011 16:42:05
Сообщений: 652
Откуда: Украина
Рейтинг сообщения: 1
Пожалуйста.
фьюзы 1 MHz (новая тини идет от изготовителя с такой установкой фьюзов).

Исходный код, пользуйтесь на здоровье.
Спойлер
Код:
/*****************************************************
CodeWizardAVR V2.05.3 Standard
Date    : 01.02.2013
Chip type               : ATtiny2313
AVR Core Clock frequency: 1,000000 MHz
Memory model            : Tiny
*****************************************************/
#include <tiny2313.h>
#include <delay.h>
  flash unsigned char led[11]={
  0b10000000,  0b00000110, 0b01011011, 0b01001111, 0b01100110, 0b01101101, 0b01111101,
  0b00000111, 0b01111111,  0b01101111, 0b00111111};                              // Массив "led" во flash-памяти,   
                  unsigned char i=0;                                                                  //  переменная
      void main(void)
      {
PORTA=0b00000000;
DDRA=0b00000000;
PORTB=0b00000000;
DDRB=0b11111111; 
PORTD=0b00000011; 
DDRD=0b00000000; 
      while (1)
          { PORTB=led[i];
                  if (PIND.0==0&&PIND.1==1) i=1;
                  if (PIND.0==1&&PIND.1==1) i=2;     
                  if (PIND.0==1&&PIND.1==0) i=3;
                  if (PIND.0==0&&PIND.1==0) i=4;
                  delay_ms(250);
          };}


Вернуться наверх
 
Не в сети
 Заголовок сообщения: Re: Индикатор передач АКПП
СообщениеДобавлено: Сб фев 02, 2013 07:29:16 
Встал на лапы
Аватар пользователя

Зарегистрирован: Вс ноя 01, 2009 15:25:45
Сообщений: 129
Откуда: Ярославль
Рейтинг сообщения: 0
С фьюзами всё понятно. А с кодом, как я выше писал уже, никак. Мне не нужен, не понимаю я ничего. Было время, пытался освоить, начал читать самоучитель по программированию, плюнул и забил! Образование то у меня по ламповым телевизорам ещё. :))) Видать не судьба... :(


Вернуться наверх
 
Не в сети
 Заголовок сообщения: Re: Индикатор передач АКПП
СообщениеДобавлено: Сб фев 02, 2013 10:08:23 
Друг Кота
Аватар пользователя

Карма: 50
Рейтинг сообщений: 1398
Зарегистрирован: Пт авг 28, 2009 21:34:30
Сообщений: 7322
Откуда: 845-й км.
Рейтинг сообщения: 0
Медали: 1
Получил миской по аватаре (1)
Самое смешное, такая тема уже была, но в тот раз топикстартер так кодировался, что до самого последнего момента никто не мог догадаться, что это про АКПП :)) viewtopic.php?f=22&t=32437

_________________
А люди посмотрят и скажут: "Собаки летят. Вот и осень."


Вернуться наверх
 
Не в сети
 Заголовок сообщения: Re: Индикатор передач АКПП
СообщениеДобавлено: Сб фев 02, 2013 11:09:40 
Вымогатель припоя
Аватар пользователя

Карма: 15
Рейтинг сообщений: 39
Зарегистрирован: Вс ноя 13, 2011 16:42:05
Сообщений: 652
Откуда: Украина
Рейтинг сообщения: 0
uldemir писал(а):
..... такая тема уже была, но в тот раз топикстартер так кодировался.......,

Вопрос по смыслу тот же. Не факт что это один и тот же человек, и смысл делать выдержку более двух лет.
Правильное решение там про четыре светодиода, просто и надежно)))
Lifeyar писал(а):
......с кодом, как я выше писал уже, никак. Мне не нужен, .....

Код приложил для ознакомления всем , тут много начинающих, возможно такой небольшой пример будет кому то и полезен.
При всей простоте там еще много вариантов использования, вот код этот же, и похожее решение задачи viewtopic.php?f=20&t=79346&start=45


Вернуться наверх
 
Не в сети
 Заголовок сообщения: Re: Индикатор передач АКПП
СообщениеДобавлено: Сб фев 02, 2013 11:19:57 
Друг Кота
Аватар пользователя

Карма: 50
Рейтинг сообщений: 1398
Зарегистрирован: Пт авг 28, 2009 21:34:30
Сообщений: 7322
Откуда: 845-й км.
Рейтинг сообщения: 0
Медали: 1
Получил миской по аватаре (1)
Я не утверждал, что это один и тот же человек. Просто проинформировал, что такая тема была и почему ту тему хрен поиском отыщешь. Надо тэги расставить...
А ссылку дал, просто чтобы показать другие пути решения задачи.

_________________
А люди посмотрят и скажут: "Собаки летят. Вот и осень."


Вернуться наверх
 
Не в сети
 Заголовок сообщения: Re: Индикатор передач АКПП
СообщениеДобавлено: Сб фев 02, 2013 15:13:12 
Встал на лапы
Аватар пользователя

Зарегистрирован: Вс ноя 01, 2009 15:25:45
Сообщений: 129
Откуда: Ярославль
Рейтинг сообщения: 0
Да, тема была, но название мудрёное, поэтому поиском и не нашёл. Это был не я, поскольку авто с АКПП приобрёл только в августе прошлого года, до этого были с МКПП, и не было необходимости в такой индикации. Кстати у меня тоже Хонда. :) Ага, извините, код, конечно же, будет полезен начинающим!


Вернуться наверх
 
Не в сети
 Заголовок сообщения: Re: Индикатор передач АКПП
СообщениеДобавлено: Ср апр 03, 2013 14:57:03 
Встал на лапы
Аватар пользователя

Зарегистрирован: Вс ноя 01, 2009 15:25:45
Сообщений: 129
Откуда: Ярославль
Рейтинг сообщения: 0
Всем доброго времени суток! Девайс собран, и успешно помещён в панель приборов. Все, кто откликнулся, огромное спасибо! В прикреплённом файле печатноая плата, версия 2. Я собирал на двух платах, в неуверенности, что войдёт в панель.


Вложения:
4Speed.lay [50.18 KiB]
Скачиваний: 794
4.jpg [144.45 KiB]
Скачиваний: 1567
Вернуться наверх
 
Не в сети
 Заголовок сообщения: Re: Индикатор передач АКПП
СообщениеДобавлено: Пн ноя 04, 2013 09:20:21 
Родился

Зарегистрирован: Пн ноя 04, 2013 07:57:29
Сообщений: 1
Рейтинг сообщения: 0
Здравствуйте.
Несколько дилетанских вопросов, если не против))))
Комплектующие пришлось по почте заказывать, и индикатор пришел с общим анодом FYS-8012 BG-21
Как можно проще его состыковать?
Ни разу не прошивал МК, есть UPA USB.
Подскажите как правильно это сделать.
И по индикатору-на схеме вывода индикатора не подписаны, это и понятно-они разные. Как определиться какой вывод куда?


Вложения:
fys8012.pdf [72.23 KiB]
Скачиваний: 722
Вернуться наверх
 
Не в сети
 Заголовок сообщения: Re: Индикатор передач АКПП
СообщениеДобавлено: Вт май 12, 2015 10:00:53 
Родился

Зарегистрирован: Вт май 12, 2015 09:51:18
Сообщений: 5
Рейтинг сообщения: 0
А никто не делал чтоб ещё и буквы были типа P D N D1 D2 и так далее


Вернуться наверх
 
Не в сети
 Заголовок сообщения: Re: Индикатор передач АКПП
СообщениеДобавлено: Ср май 13, 2015 08:43:23 
Сверлит текстолит когтями

Карма: -23
Рейтинг сообщений: 23
Зарегистрирован: Вт мар 18, 2014 13:14:39
Сообщений: 1115
Откуда: южнее Дуная
Рейтинг сообщения: 0
...а АКПП-коди на ети букви имеете?...


Вернуться наверх
 
Не в сети
 Заголовок сообщения: Re: Индикатор передач АКПП
СообщениеДобавлено: Ср май 13, 2015 09:03:41 
Родился

Зарегистрирован: Вт май 12, 2015 09:51:18
Сообщений: 5
Рейтинг сообщения: 0
hrpankov писал(а):
...а АКПП-коди на ети букви имеете?...

не совсем понял о чём вы?
я имел в виду что индикация не только P N D R
но иD1 D2 и так далее, тоесть ручку переключили появился режим драйв и рядом инфа с соленоидов какая скорость в данный момент
получается данные с положения самого переключения акпп и режимы работы коробки в реальном времени.


Вернуться наверх
 
Показать сообщения за:  Сортировать по:  Вернуться наверх
Начать новую тему Ответить на тему  [ Сообщений: 153 ]  1, , , , ...  

Часовой пояс: UTC + 3 часа


Кто сейчас на форуме

Сейчас этот форум просматривают: нет зарегистрированных пользователей и гости: 16


Вы не можете начинать темы
Вы не можете отвечать на сообщения
Вы не можете редактировать свои сообщения
Вы не можете удалять свои сообщения
Вы не можете добавлять вложения

Найти:
Перейти:  


Powered by phpBB © 2000, 2002, 2005, 2007 phpBB Group
Русская поддержка phpBB
Extended by Karma MOD © 2007—2012 m157y
Extended by Topic Tags MOD © 2012 m157y