Например TDA7294

Форум РадиоКот • Просмотр темы - Часы на люминесцентных индикаторах.
Форум РадиоКот
Здесь можно немножко помяукать :)

Текущее время: Вс ноя 30, 2025 10:03:47

Часовой пояс: UTC + 3 часа


ПРЯМО СЕЙЧАС:



Начать новую тему Ответить на тему  [ Сообщений: 9114 ]     ... , , , 225, , , ...  
Автор Сообщение
Не в сети
 Заголовок сообщения: Re: Часы на люминесцентных индикаторах.
СообщениеДобавлено: Пт янв 03, 2014 22:18:46 
Говорящий с текстолитом

Карма: 6
Рейтинг сообщений: 21
Зарегистрирован: Вс июн 16, 2013 18:41:45
Сообщений: 1699
Рейтинг сообщения: 0
У этого транса около 1 вольт на виток. Так что пересчитать легко. Но накал 3.15 без резисторов не получится, кроме того, резисторы нужны, чтобы преобразователь запустился.

Что касается транзисторов, зависит от тока нагрузки.

_________________
У кошки четыре ноги - вход, выход, земля и питание. Но трогать ее не моги - получится замыкание.


Вернуться наверх
 
Не в сети
 Заголовок сообщения: Re: Часы на люминесцентных индикаторах.
СообщениеДобавлено: Сб янв 04, 2014 16:52:53 
Друг Кота
Аватар пользователя

Карма: 50
Рейтинг сообщений: 1398
Зарегистрирован: Пт авг 28, 2009 21:34:30
Сообщений: 7316
Откуда: 845-й км.
Рейтинг сообщения: 0
Медали: 1
Получил миской по аватаре (1)
Ура. отреставрировал часики viewtopic.php?p=1867755#p1867755, viewtopic.php?p=1869977#p1869977
Изображение

Ток потребления от резервного источника 40-41мка. Видимо, сказалось питание логики от 2.5в. Правда, в момент перехода с основного на резервное пару секунд ток просто бешеный (не знаю сколько, мультиметр показывает переполнение на пределе 200мка) и не могу понять от чего. То ли цепь контроля пропадания питания срабатывает слишком поздно и батарейка кормит ключи, то ли через диоды не до конца запертые ток идёт на выход 7805?

Анодные ключи сделал всё-же на биполярных транзисторах. Похоже, что эти логические выводы не могут быстро разрядить затворы полевиков. А задержка в пол-микросекунды - и подсветка уже видна.

Осталось сделать шкурку (корпус) для этих часиков и поставить на полочку. Подразумевается, что индикатор будет стоять параллельно плате. Не хочу пока загибать ножки - мож еще захочется что на плате перепаять.


Вернуться наверх
 
Не в сети
 Заголовок сообщения: Re: Часы на люминесцентных индикаторах.
СообщениеДобавлено: Вс янв 05, 2014 00:53:56 
Мучитель микросхем
Аватар пользователя

Карма: 2
Рейтинг сообщений: 17
Зарегистрирован: Пн янв 24, 2011 14:42:18
Сообщений: 438
Откуда: Крым
Рейтинг сообщения: 0
Привет всем!
Недавно я смотрел передачу "Ударная сила" и заметил там кадр со знакомыми лампами. По сюжету они применяются в центре отслеживания позиций крупных кораблей НАТО:
Изображение


Вернуться наверх
 
Не в сети
 Заголовок сообщения: Re: Часы на люминесцентных индикаторах.
СообщениеДобавлено: Вс янв 05, 2014 21:40:34 
Поставщик валерьянки для Кота
Аватар пользователя

Карма: 11
Рейтинг сообщений: 88
Зарегистрирован: Вт фев 09, 2010 02:04:53
Сообщений: 2018
Откуда: Санкт-Петербург
Рейтинг сообщения: 0
Это экран, набранный из газоразрядных панелей?

_________________
Фак, кот грызёт провод! Сейчас его ударит либо током, либо тапком! ))


Вернуться наверх
 
Эиком - электронные компоненты и радиодетали
Не в сети
 Заголовок сообщения: Re: Часы на люминесцентных индикаторах.
СообщениеДобавлено: Вс янв 05, 2014 21:52:31 
Друг Кота
Аватар пользователя

Карма: 38
Рейтинг сообщений: 549
Зарегистрирован: Пн июл 14, 2008 21:28:00
Сообщений: 10688
Откуда: Москва
Рейтинг сообщения: 0
Гефестион писал(а):
Это экран, набранный из газоразрядных панелей?

похоже, что так :)

_________________
Ищу тиратрон ТХИ1-2000/4, ГРИ ИН-23, ФЭУ-103; 134; 135, 138, 155, 157, лампу ИСШ-7.
Любые ГИС серий 203, 225, 233, 244, 250, 296, 801, 838 в любом состоянии. Компоненты и детали от миниатюрных твердотельных лазеров.


Вернуться наверх
 
Не в сети
 Заголовок сообщения: Re: Часы на люминесцентных индикаторах.
СообщениеДобавлено: Пн янв 06, 2014 01:25:21 
Мучитель микросхем
Аватар пользователя

Карма: 2
Рейтинг сообщений: 17
Зарегистрирован: Пн янв 24, 2011 14:42:18
Сообщений: 438
Откуда: Крым
Рейтинг сообщения: 0
Я думаю, что экран набран на индикаторах ИЛВ3-5/7 (5/7 матрица, RGB).
Кстати, помните, gvcsar выставлял много матричных ВЛИ индикаторов? В российских фильмах про военные машины я часто замечал такие в танках и системах залпового огня.


Вернуться наверх
 
Не в сети
 Заголовок сообщения: Re: Часы на люминесцентных индикаторах.
СообщениеДобавлено: Пн янв 06, 2014 21:00:13 
Поставщик валерьянки для Кота
Аватар пользователя

Карма: 11
Рейтинг сообщений: 88
Зарегистрирован: Вт фев 09, 2010 02:04:53
Сообщений: 2018
Откуда: Санкт-Петербург
Рейтинг сообщения: 0
Так вот где они применялись! Я до этого видел лишь одно фото от Суслогона - табло в поликлинике на таких индикаторах.
ПС Неужто ВЛИ настолько надёжны, что применялись в военной технике? Там же от вибрации накал оборвётся или даже сетки отвалятся...

_________________
Фак, кот грызёт провод! Сейчас его ударит либо током, либо тапком! ))


Вернуться наверх
 
Не в сети
 Заголовок сообщения: Re: Часы на люминесцентных индикаторах.
СообщениеДобавлено: Пн янв 06, 2014 22:29:14 
Друг Кота
Аватар пользователя

Карма: 38
Рейтинг сообщений: 549
Зарегистрирован: Пн июл 14, 2008 21:28:00
Сообщений: 10688
Откуда: Москва
Рейтинг сообщения: -1
ты не помнишь вли от авиации? :) вот и ответ))

_________________
Ищу тиратрон ТХИ1-2000/4, ГРИ ИН-23, ФЭУ-103; 134; 135, 138, 155, 157, лампу ИСШ-7.
Любые ГИС серий 203, 225, 233, 244, 250, 296, 801, 838 в любом состоянии. Компоненты и детали от миниатюрных твердотельных лазеров.


Вернуться наверх
 
Не в сети
 Заголовок сообщения: Re: Часы на люминесцентных индикаторах.
СообщениеДобавлено: Вт янв 07, 2014 01:35:33 
Мучитель микросхем
Аватар пользователя

Карма: 2
Рейтинг сообщений: 17
Зарегистрирован: Пн янв 24, 2011 14:42:18
Сообщений: 438
Откуда: Крым
Рейтинг сообщения: 0
Гефестион писал(а):
Так вот где они применялись! Я до этого видел лишь одно фото от Суслогона - табло в поликлинике на таких индикаторах.
ПС Неужто ВЛИ настолько надёжны, что применялись в военной технике? Там же от вибрации накал оборвётся или даже сетки отвалятся...

Я несколько раз видел там матричные ВЛИ: знакоместа 5/7 в один, два и три ряда: в передачах Ударной Силы про системы ПВО, системы залпового огня, итд. Причем они применяются там без фильтра, просто закрыты стеклом.


Вернуться наверх
 
Не в сети
 Заголовок сообщения: Re: Часы на люминесцентных индикаторах.
СообщениеДобавлено: Вт янв 07, 2014 17:32:19 
Это не хвост, это антенна

Карма: 7
Рейтинг сообщений: 105
Зарегистрирован: Пн ноя 23, 2009 00:50:23
Сообщений: 1412
Откуда: Crimea, Simferopol
Рейтинг сообщения: 0
а никто не делал ничего полезного на матричных 5х7.
лежат с давних времен штуки 2 или 4...

Изображение Изображение Изображение


Вернуться наверх
 
Не в сети
 Заголовок сообщения: Re: Часы на люминесцентных индикаторах.
СообщениеДобавлено: Вт янв 07, 2014 18:32:38 
Прорезались зубы
Аватар пользователя

Карма: 6
Рейтинг сообщений: 22
Зарегистрирован: Пт сен 09, 2011 00:34:20
Сообщений: 211
Откуда: UA Kiev
Рейтинг сообщения: 0
sa-ta, ух ты, интересный индикатор, никогда не встречал, где такие использовались?
как по мне то можно заюзать под индикацию квазипиковых уровней сигналов :)

_________________
В продаже есть платы для: ослика Хамелеона и тестера пинцета.


Вернуться наверх
 
Не в сети
 Заголовок сообщения: Re: Часы на люминесцентных индикаторах.
СообщениеДобавлено: Вт янв 07, 2014 21:53:39 
Это не хвост, это антенна

Карма: 7
Рейтинг сообщений: 105
Зарегистрирован: Пн ноя 23, 2009 00:50:23
Сообщений: 1412
Откуда: Crimea, Simferopol
Рейтинг сообщения: 0
а что в нем такого удивительного ? ИВЛМ2-5/7 - двухцветная матрица 5х7.
платка на фото самодельная, пытался как то окультурить для удобства экспериментов.

изначально были напаяны 2 индикатора в модуле. из обвязки несколько 561ИР9 , логика и ключи на 161КН1. и по моему один из цветов использован не был, слишком мало было ключей.


Вернуться наверх
 
Не в сети
 Заголовок сообщения: Re: Готовые проекты на ГРИ и ВЛИ и их обсуждение.
СообщениеДобавлено: Пн янв 13, 2014 18:35:07 
Вымогатель припоя
Аватар пользователя

Карма: 3
Рейтинг сообщений: 67
Зарегистрирован: Вт окт 09, 2007 13:28:12
Сообщений: 647
Откуда: Москва
Рейтинг сообщения: 0
Пробежался по злачным местам после праздников :))) :))) :))) нашол японца газоразрядного http://rm-labs.blogspot.ru/p/sharp-compet-221.html canon 141 :))) :))) :))) даже не ожидал что там будет :) вскрытие будет попозжей


Вернуться наверх
 
Не в сети
 Заголовок сообщения: Re: Часы на люминесцентных индикаторах.
СообщениеДобавлено: Вт янв 14, 2014 00:10:41 
Потрогал лапой паяльник

Карма: 9
Рейтинг сообщений: 30
Зарегистрирован: Пн май 23, 2011 18:27:41
Сообщений: 336
Рейтинг сообщения: 3
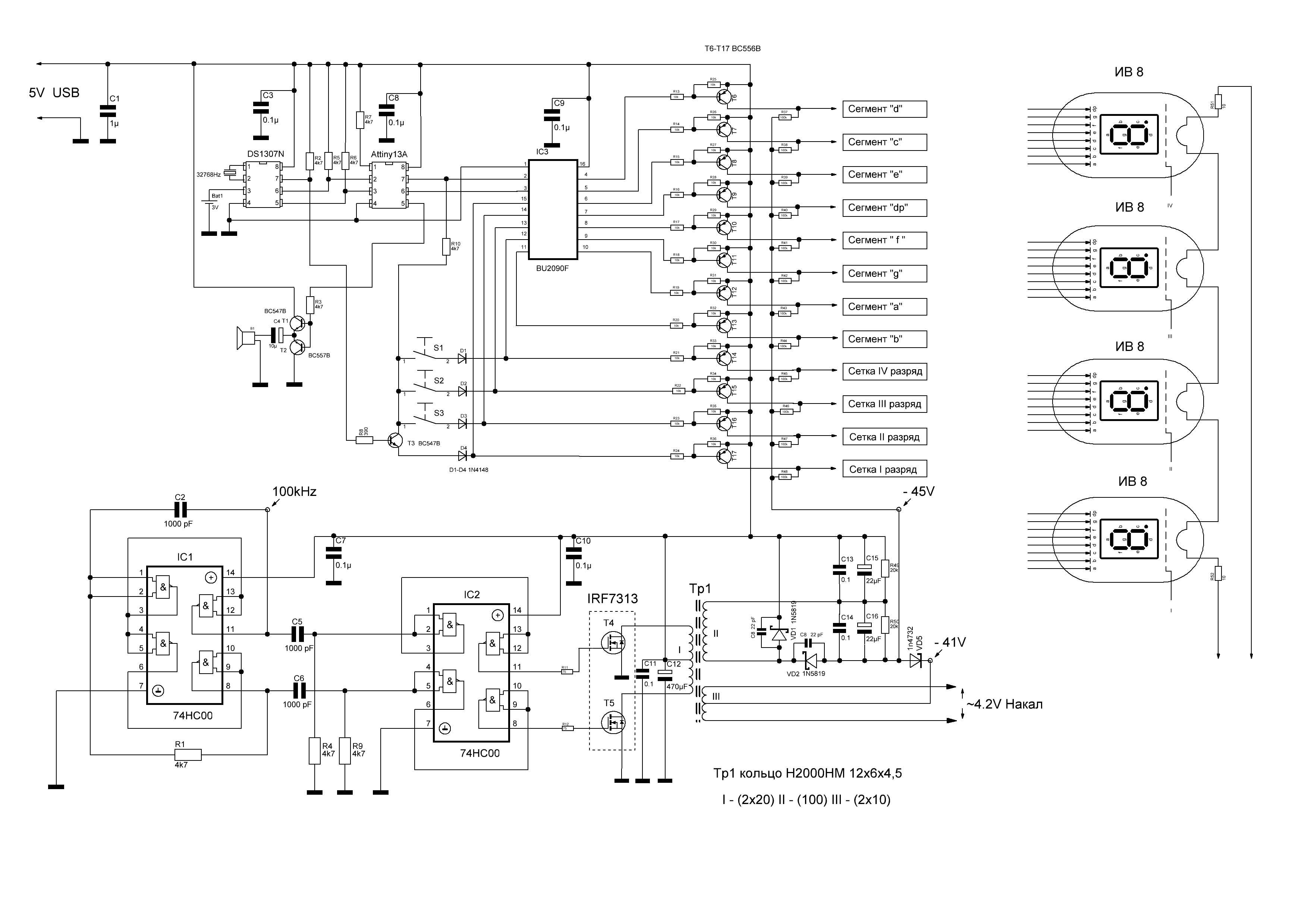
Случайно сделал скромные USB часики, на валявшейся без дела комплектухе - Attiny13+ds1307+bu2090f и ИВ8:
СпойлерИзображение Изображение Изображение

Схема:
СпойлерИзображение
Вложение:
Комментарий к файлу: Схема
Часики ИВ8_tn13.GIF [141.2 KiB]
Скачиваний: 576

контроллер я конечно поменяю на Attiny45, но уже сейчас они умеют показывать время, секунды, дату и день недели, есть будильник, на нужный час и минуту, точка в четвертом разряде признак его активности, сигнал прерывистый пик :)).


Вернуться наверх
 
Не в сети
 Заголовок сообщения: Re: Часы на люминесцентных индикаторах.
СообщениеДобавлено: Вт янв 14, 2014 00:23:42 
Друг Кота
Аватар пользователя

Карма: 51
Рейтинг сообщений: 6076
Зарегистрирован: Чт окт 04, 2012 09:46:20
Сообщений: 5248
Откуда: г. Ростов-на-Дону
Рейтинг сообщения: 0
BVS писал(а):
Случайно сделал скромные USB часики, на валявшейся без дела комплектухе - Attiny13+ds1307+bu2090f и ИВ8:

ПОЗДРАВЛЯЮ!!! Получилось аккуратно и компактно. МОЛОДЕЦ!


Вернуться наверх
 
Не в сети
 Заголовок сообщения: Re: Часы на люминесцентных индикаторах.
СообщениеДобавлено: Вт янв 14, 2014 02:21:47 
Держит паяльник хвостом
Аватар пользователя

Карма: 11
Рейтинг сообщений: 43
Зарегистрирован: Вс май 23, 2010 13:55:42
Сообщений: 908
Откуда: Украина, Александрия
Рейтинг сообщения: 0
BVS писал(а):
скромные....Attiny13...

Уважаю! Писали на ассемблере или на Си?

_________________
«И всё-таки она вертится!»


Вернуться наверх
 
Не в сети
 Заголовок сообщения: Re: Часы на люминесцентных индикаторах.
СообщениеДобавлено: Вт янв 14, 2014 10:28:21 
Друг Кота
Аватар пользователя

Карма: 38
Рейтинг сообщений: 549
Зарегистрирован: Пн июл 14, 2008 21:28:00
Сообщений: 10688
Откуда: Москва
Рейтинг сообщения: 0
блин классные микро часики! респект :)
зы: чемто понравилась схема преобразователя :oops:

_________________
Ищу тиратрон ТХИ1-2000/4, ГРИ ИН-23, ФЭУ-103; 134; 135, 138, 155, 157, лампу ИСШ-7.
Любые ГИС серий 203, 225, 233, 244, 250, 296, 801, 838 в любом состоянии. Компоненты и детали от миниатюрных твердотельных лазеров.


Вернуться наверх
 
Не в сети
 Заголовок сообщения: Re: Часы на люминесцентных индикаторах.
СообщениеДобавлено: Вт янв 14, 2014 11:34:18 
Друг Кота
Аватар пользователя

Карма: 38
Рейтинг сообщений: 549
Зарегистрирован: Пн июл 14, 2008 21:28:00
Сообщений: 10688
Откуда: Москва
Рейтинг сообщения: 0
зы: а чем на данный момент плох тини13?

_________________
Ищу тиратрон ТХИ1-2000/4, ГРИ ИН-23, ФЭУ-103; 134; 135, 138, 155, 157, лампу ИСШ-7.
Любые ГИС серий 203, 225, 233, 244, 250, 296, 801, 838 в любом состоянии. Компоненты и детали от миниатюрных твердотельных лазеров.


Вернуться наверх
 
Не в сети
 Заголовок сообщения: Re: Часы на люминесцентных индикаторах.
СообщениеДобавлено: Вт янв 14, 2014 16:47:00 
Друг Кота
Аватар пользователя

Карма: 50
Рейтинг сообщений: 1398
Зарегистрирован: Пт авг 28, 2009 21:34:30
Сообщений: 7316
Откуда: 845-й км.
Рейтинг сообщения: 0
Медали: 1
Получил миской по аватаре (1)
Сначала хотел наехать по поводу последовательных нитей накала :)) , а потом подумал, что от разницы в 1 вольт при 45 анодного - заметно быть не должно. Зато, придумалось, что в такой ситуации можно не мотать отвод у трансформатора. А среднюю точку втыкать между 2-й и 3-ей лампой.

Очень понравилось, как SQW заведен в микроконтроллер. Правда, доступен он только по опросу, а по прерыванию - увы. Но тем не менее.


Вернуться наверх
 
Не в сети
 Заголовок сообщения: Re: Часы на люминесцентных индикаторах.
СообщениеДобавлено: Вт янв 14, 2014 17:18:46 
Друг Кота
Аватар пользователя

Карма: 38
Рейтинг сообщений: 549
Зарегистрирован: Пн июл 14, 2008 21:28:00
Сообщений: 10688
Откуда: Москва
Рейтинг сообщения: 5
сильно не пинать :oops: хотя - как хотите)))

термометр с двумя датчиками с отображением на графическом ВЛИ. первый из двух вариантов - можно сказать черновой.

предыстория такая: года два назад купил по акции модуль графического ВЛИ Futaba GP1183. Я его на данном форуме выкладывал. Так он и лежал у меня, пока пару месяцев назад не возникла идея и главное - реальное желание его применить. :)) В итоге с коллегой-программистом на работе решили изобразить двухдатчиковый термометр с отображением на данном индикаторе.

В основе термометра - мк atmega8a, датчики температуры классические - ds18b20, тактирование мк внешним кварцем на 8мгц, стабилизатор для питания - 7805. Обмен с ВЛИ происходит по UART в одну сторону - от МК к ВЛИ. Питание схемы возможно от внешнего адаптера с напряжением от 9 и более вольт (в разумных пределах конечно). предусмотрен защищающий от переполюсовки диод и выключатель питания. датчики подключаются через 3.5мм разъемы для аудио.
на передней панели две кнопки и тумблер. тумблер отвечает за режим отображения - дом/улица или температура 1/температура 2. одна кнопка регулирует яркость ВЛИ - 8 значений через каждые 12.5% (использована стандартная функция модуля ВЛИ). вторая кнопка в первом варианте устройства пока не используется.

ниже фото с пояснениями:

1. режим Т1/Т2 - отображаются обе температуры одновременно.
Изображение

2. режим дом/улица. поочередно на дисплей выводятся температуры с одного и другого датчиков, подразумевается, что Т1 находится в помещении, а Т2 - на улице.
Изображение

Изображение

3. предусмотрен скрин сэйвер: каждые две минуты на 30 сек изображение полностью инвертируется:
Изображение

4. задняя панель:
Изображение

5. вид изнутри:
Изображение

по поводу сказанного в начале о том, что этот вариант черновой: во втором образце планируется покраска корпуса, нанесение надписей поприличнее, скорее всего - задействование второй кнопки и еще пара механических работ по мелочи...

сразу хочу сказать благодарности:
- мой коллега по работе - программист Михаил И. - за написание ПО и вообще за сотрудничество.
- Умка - за то, что прислал мне цветные стекла.
- DeltaDesignRus с форума lasers.org.ru - за помощь в изготовлении плат.
- mss_ja - за один совет по датчикам температуры...

_________________
Ищу тиратрон ТХИ1-2000/4, ГРИ ИН-23, ФЭУ-103; 134; 135, 138, 155, 157, лампу ИСШ-7.
Любые ГИС серий 203, 225, 233, 244, 250, 296, 801, 838 в любом состоянии. Компоненты и детали от миниатюрных твердотельных лазеров.


Вернуться наверх
 
Показать сообщения за:  Сортировать по:  Вернуться наверх
Начать новую тему Ответить на тему  [ Сообщений: 9114 ]     ... , , , 225, , , ...  

Часовой пояс: UTC + 3 часа


Кто сейчас на форуме

Сейчас этот форум просматривают: нет зарегистрированных пользователей и гости: 16


Вы не можете начинать темы
Вы не можете отвечать на сообщения
Вы не можете редактировать свои сообщения
Вы не можете удалять свои сообщения
Вы не можете добавлять вложения

Найти:
Перейти:  


Powered by phpBB © 2000, 2002, 2005, 2007 phpBB Group
Русская поддержка phpBB
Extended by Karma MOD © 2007—2012 m157y
Extended by Topic Tags MOD © 2012 m157y