Например TDA7294

Форум РадиоКот • Просмотр темы - Часы на люминесцентных индикаторах.
Форум РадиоКот
Здесь можно немножко помяукать :)

Текущее время: Сб фев 28, 2026 07:13:03

Часовой пояс: UTC + 3 часа


ПРЯМО СЕЙЧАС:



Начать новую тему Ответить на тему  [ Сообщений: 9137 ]     ... , , , 230, , , ...  
Автор Сообщение
 Заголовок сообщения: Re: Часы на люминесцентных индикаторах.
СообщениеДобавлено: Сб фев 01, 2014 22:38:53 
Это не хвост, это антенна

Карма: 7
Рейтинг сообщений: 105
Зарегистрирован: Пн ноя 23, 2009 00:50:23
Сообщений: 1412
Откуда: Crimea, Simferopol
Рейтинг сообщения: 0
suslogon писал(а):
да, фото будет интересно увидеть :)

вот. плата 2х сторонняя, без металлизации. переходы пропаяны перемычкам или пропайкой ног микросхем.

Изображение Изображение Изображение

Изображение Изображение Изображение


Вернуться наверх
 
 Заголовок сообщения: Re: Часы на люминесцентных индикаторах.
СообщениеДобавлено: Сб фев 01, 2014 22:45:44 
Поставщик валерьянки для Кота
Аватар пользователя

Карма: 11
Рейтинг сообщений: 88
Зарегистрирован: Вт фев 09, 2010 02:04:53
Сообщений: 2022
Откуда: Санкт-Петербург
Рейтинг сообщения: 0
Достался мне вот такой ВЛИ-модуль от кассового аппарата:

Изображение Изображение
Изображение Изображение

Сначала долго отмывал плату от ржавчины :facepalm: На фото плата уже после отмывания. Погуглил Posiflex PD25B - выдаёт только различные готовые модули в сборе для кассового аппарата, но никакой инфы про саму плату (какой там контроллер, какой интерфейс и т.п.). Да к тому же, на плате оторваны две большие индуктивности (я их обвёл красным цветом) :?
Кто-нибудь имел дело с такими дисплеями? Мне хотя бы разобраться, куда питание подавть, сколько вольт и какие индуктивности нужны (я так понимаю, что там два DC-DC - один для накала, второй для анодов и сеток)

_________________
Фак, кот грызёт провод! Сейчас его ударит либо током, либо тапком! ))


Вернуться наверх
 
 Заголовок сообщения: Re: Часы на люминесцентных индикаторах.
СообщениеДобавлено: Сб фев 01, 2014 22:50:09 
Поставщик валерьянки для Кота
Аватар пользователя

Карма: 11
Рейтинг сообщений: 88
Зарегистрирован: Вт фев 09, 2010 02:04:53
Сообщений: 2022
Откуда: Санкт-Петербург
Рейтинг сообщения: 0
sa-ta, а от чего эта плата? Индикатор припаян поверхностным монтажом?

_________________
Фак, кот грызёт провод! Сейчас его ударит либо током, либо тапком! ))


Вернуться наверх
 
 Заголовок сообщения: Re: Часы на люминесцентных индикаторах.
СообщениеДобавлено: Вс фев 02, 2014 02:05:25 
Это не хвост, это антенна

Карма: 7
Рейтинг сообщений: 105
Зарегистрирован: Пн ноя 23, 2009 00:50:23
Сообщений: 1412
Откуда: Crimea, Simferopol
Рейтинг сообщения: 0
понятия не имею, панель информационная от чего то. индикатор припаян ногами сверху печатки. с тыла - был распаян здоровый разъем с ножевыми контактами.
потом, еще несколько раз видел БУ индикаторы от этих панелей продавали.

ноги погнуты, поэтому он так криво стоит.
второй, который я отпаял, был еще хуже. (скорее всего его так погнули при после дерибана изделия - придавили.)

я ее купил ... лет - 10-15 назад. валяется до сих пор.

хотел когда то сделать осциллографический пробник из Радио:

Миниатюрный осциллографический пробник, Автор Синельников И., Равич В. Год 1988 Номер 11


Вернуться наверх
 
Эиком - электронные компоненты и радиодетали
 Заголовок сообщения: Re: Часы на люминесцентных индикаторах.
СообщениеДобавлено: Вс фев 02, 2014 11:06:20 
Поставщик валерьянки для Кота
Аватар пользователя

Карма: 21
Рейтинг сообщений: 267
Зарегистрирован: Вт ноя 03, 2009 21:02:38
Сообщений: 2052
Откуда: Москва
Рейтинг сообщения: 0
Есть шансы разобраться с разводкой выводов регистров на аноды и сетки, а также починить схему питания. Контроллеры и другие микросхемы, назначение которых не понятно, - сдуть или откусить. Приделать свой контроллер. Получатся часы с термометром и датой.
http://www.datasheet4u.com/datasheet/T/ ... a.pdf.html


Вернуться наверх
 
 Заголовок сообщения: Re: Часы на люминесцентных индикаторах.
СообщениеДобавлено: Вс фев 02, 2014 12:36:08 
Сверлит текстолит когтями
Аватар пользователя

Карма: 10
Рейтинг сообщений: 127
Зарегистрирован: Пт май 20, 2011 09:13:02
Сообщений: 1121
Откуда: Украина
Рейтинг сообщения: 0
Полиграф Полиграфыч писал(а):
Припаять оторванный конденсатор, проверить +5 В, зайти на тот сайт:

http://electronicaychapuzas.blogspot.ru ... _5009.html

Спасибо,даже уже с листингом под прошивку. :beer:

RoboC писал(а):

ВОТ ТАК! :)

При включении он скорее всего светится и не будет. Появится накал и -HV. Затем Вы его сбросите и запрограммируете и вот тогда ... :))) .

Алексей спасибо. :beer:

А только описание контроллера нашел.


Вернуться наверх
 
 Заголовок сообщения: Re: Часы на люминесцентных индикаторах.
СообщениеДобавлено: Вт фев 04, 2014 00:44:27 
Поставщик валерьянки для Кота
Аватар пользователя

Карма: 11
Рейтинг сообщений: 88
Зарегистрирован: Вт фев 09, 2010 02:04:53
Сообщений: 2022
Откуда: Санкт-Петербург
Рейтинг сообщения: 0
Как думаете, можно эту плату вместе с индикатором отмыть в ультразвуковой ванне? Индикатору от этого не поплохеет? А то не хочется его отпаивать, а потом припаивать обратно...

_________________
Фак, кот грызёт провод! Сейчас его ударит либо током, либо тапком! ))


Вернуться наверх
 
 Заголовок сообщения: Re: Часы на люминесцентных индикаторах.
СообщениеДобавлено: Вт фев 04, 2014 01:49:25 
Поставщик валерьянки для Кота
Аватар пользователя

Карма: 21
Рейтинг сообщений: 267
Зарегистрирован: Вт ноя 03, 2009 21:02:38
Сообщений: 2052
Откуда: Москва
Рейтинг сообщения: 0
Ультразвук, мало что даст. Эффект от него более психологический, чем действенный. Мочёные и ржавые платы, советую почистить жесткой щёткой или кистью, в тёплой воде, используя "Трилон Б". Он делает соли металлов растворимыми, позволяя смыть следы от заливания. По идее, герметичному стеклянному индикатору, ультразвуковая мойка не должна принести ущерба. Мне попадались ВЛИ с отгнившими некоторыми выводами, но при этом исправные. Ремонт с токопроводящим клеем давал результат.


Вернуться наверх
 
 Заголовок сообщения: Re: Часы на люминесцентных индикаторах.
СообщениеДобавлено: Вт фев 04, 2014 09:09:29 
Нашел транзистор. Понюхал.

Карма: 4
Рейтинг сообщений: 7
Зарегистрирован: Вт янв 10, 2012 10:19:32
Сообщений: 184
Откуда: Курганская область
Рейтинг сообщения: 0
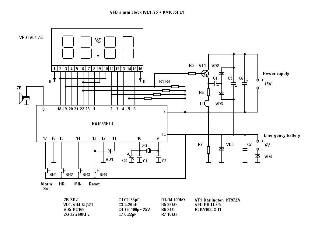
Вот нашел схему на "е-бэй" часов. Не пойму - или некорректна или что. Как подается питание на - микросхемы при питании от штатного источника и отсутствии резервного? Или только от резервного они идут? Или я чего не понял или схема корявая. Может поправите? Буду благодарен!


Вложения:
$T2eC16RHJG!E9nm3qWsBBQ0-FCod-Q~~60_57.JPG [62.1 KiB]
Скачиваний: 1112

_________________
С уважением, Антон.
Вернуться наверх
 
 Заголовок сообщения: Re: Часы на люминесцентных индикаторах.
СообщениеДобавлено: Вт фев 04, 2014 13:24:14 
Друг Кота
Аватар пользователя

Карма: 46
Рейтинг сообщений: 977
Зарегистрирован: Ср май 28, 2008 00:32:54
Сообщений: 7622
Откуда: г. Россия
Рейтинг сообщения: 0
likato писал(а):
Как подается питание на - микросхемы при питании от штатного источника !

Через диоды vd2, vd3 на 24ю ногу микры.

likato писал(а):
и отсутствии резервного? Или только от резервного они идут?!

Резервное питание там есть - 6v Emergency battery.
:)

_________________
Очень нравится неон
:) :)) :))) :)) :)
Мой проектик часиков с термометром на любых 6ти газоразрядных лампах + куча функций
Ещё один - попроще
:) :)) :))) :)) :)
Светодиодный проект
:))) :)) :) :)) :)))

My video on youtube nic SLvik78


Вернуться наверх
 
 Заголовок сообщения: Re: Часы на люминесцентных индикаторах.
СообщениеДобавлено: Ср фев 05, 2014 08:38:09 
Нашел транзистор. Понюхал.

Карма: 4
Рейтинг сообщений: 7
Зарегистрирован: Вт янв 10, 2012 10:19:32
Сообщений: 184
Откуда: Курганская область
Рейтинг сообщения: 0
SLvik писал(а):
likato писал(а):
Как подается питание на - микросхемы при питании от штатного источника !

Через диоды vd2, vd3 на 24ю ногу микры.

likato писал(а):
и отсутствии резервного? Или только от резервного они идут?!

Резервное питание там есть - 6v Emergency battery.
:)


А -15в как доходит до нее???

_________________
С уважением, Антон.


Вернуться наверх
 
 Заголовок сообщения: Re: Часы на люминесцентных индикаторах.
СообщениеДобавлено: Ср фев 05, 2014 13:30:38 
Друг Кота
Аватар пользователя

Карма: 46
Рейтинг сообщений: 977
Зарегистрирован: Ср май 28, 2008 00:32:54
Сообщений: 7622
Откуда: г. Россия
Рейтинг сообщения: 0
Дык посхеме видать - на 7ю ногу МС.
:)

_________________
Очень нравится неон
:) :)) :))) :)) :)
Мой проектик часиков с термометром на любых 6ти газоразрядных лампах + куча функций
Ещё один - попроще
:) :)) :))) :)) :)
Светодиодный проект
:))) :)) :) :)) :)))

My video on youtube nic SLvik78


Вернуться наверх
 
 Заголовок сообщения: Re: Часы на люминесцентных индикаторах.
СообщениеДобавлено: Ср фев 05, 2014 13:40:01 
Нашел транзистор. Понюхал.

Карма: 4
Рейтинг сообщений: 7
Зарегистрирован: Вт янв 10, 2012 10:19:32
Сообщений: 184
Откуда: Курганская область
Рейтинг сообщения: 0
SLvik писал(а):
Дык посхеме видать - на 7ю ногу МС.
:)

А как до 12 и 16 ног доходит "не резервное" напряжение питания? эти ноги заземлены... а где заземлено резервное питание?

_________________
С уважением, Антон.


Вернуться наверх
 
 Заголовок сообщения: Re: Часы на люминесцентных индикаторах.
СообщениеДобавлено: Ср фев 05, 2014 14:44:20 
Друг Кота
Аватар пользователя

Карма: 46
Рейтинг сообщений: 977
Зарегистрирован: Ср май 28, 2008 00:32:54
Сообщений: 7622
Откуда: г. Россия
Рейтинг сообщения: 0
Чо там непонятного.
Там 2 основных +/- 15в относительно земли.
И доп. питание 6в.
Т.е. у БП 3 вывода питания должно быть:
1) +15в
2) Земля
3) -15в

Доп. питание пока можно не подключать - должно работать и без него.

По крайней мере по этой схеме.
Если сомневаетесь найдите другую схему и сравните.
:)

_________________
Очень нравится неон
:) :)) :))) :)) :)
Мой проектик часиков с термометром на любых 6ти газоразрядных лампах + куча функций
Ещё один - попроще
:) :)) :))) :)) :)
Светодиодный проект
:))) :)) :) :)) :)))

My video on youtube nic SLvik78


Вернуться наверх
 
 Заголовок сообщения: Re: Часы на люминесцентных индикаторах.
СообщениеДобавлено: Ср фев 05, 2014 21:19:45 
Друг Кота
Аватар пользователя

Карма: 50
Рейтинг сообщений: 1400
Зарегистрирован: Пт авг 28, 2009 21:34:30
Сообщений: 7347
Откуда: 845-й км.
Рейтинг сообщения: 0
Медали: 1
Получил миской по аватаре (1)
Мне кажется там выполнен удвоитель напряжения и разом ШИМ для питания накала. из +15 делается +30 вольт из которых стабилитроном кс168 получают 6 вольт. Т.е. если смотреть потенциалы, то по отношению к "массе" на 24-м выводе +6в, на клемме питания +15в - -9в, а на клемме -15в - -24в. Кажется так.


Вернуться наверх
 
 Заголовок сообщения: Re: Часы на люминесцентных индикаторах.
СообщениеДобавлено: Пт фев 07, 2014 17:51:45 
Поставщик валерьянки для Кота
Аватар пользователя

Карма: 11
Рейтинг сообщений: 88
Зарегистрирован: Вт фев 09, 2010 02:04:53
Сообщений: 2022
Откуда: Санкт-Петербург
Рейтинг сообщения: 0
Я рассчитал дроссели и восстановил преобразователи на плате того дисплея. Включил - работает (при включении на пару секунд появляется надпись с версией прошивки).

Но теперь предстоит разобраться с интерфейсом. Единственное, что на данный момент известно - это что интерфейс RS-232. На плате стоят две микрухи HIN232, в каждой по 4 канала (два на приём и два на передачу). Разъём на плате имеет 10 контактов, 5 из них питание (три земли и два +5), т.е. остаются 5 контактов на интерфейс. Получается, что помимо RXD и TXD используются какие-то ещё линии СОМ-порта. Но вот какие именно - хз :dont_know: Нашёл мануалы на несколько моделей VFD-дисплеев этой фирмы, но там сказано только, что на подставке дисплея имеется разъём для подключения к СОМ-порту, но ничего не сказано про цоколёвку разъёма на плате и про то, какие линии порта используются...

ПС накал там интересно запитан- подключен параллельно дросселю повышающего DC-DC. Т.е. один конец накала на +5, второй на той ноге микросхемы, где силовой ключ. Соответственно, накал питается хоть и переменкой, но совершенно несимметричной. Если за ноль принять тот конец накала, котоырй на +5, то получается, что когда ключ преобразователя замкнут, на накале постоянка -5В, когда ключ размыкается, напряжение подскакивает до +25В и падает по экспоненте до нуля. По даташиту на индикатор номинальное напряжение накала 7,8В.

_________________
Фак, кот грызёт провод! Сейчас его ударит либо током, либо тапком! ))


Вернуться наверх
 
 Заголовок сообщения: Re: Часы на люминесцентных индикаторах.
СообщениеДобавлено: Ср фев 12, 2014 14:20:55 
Открыл глаза

Зарегистрирован: Вт апр 17, 2012 20:39:57
Сообщений: 42
Рейтинг сообщения: 0
Выкладываю фотку моего творения.
Пока всё не причёсано.
Критикуйте))
Пока есть некоторые проблемки, а именно:
1. Резисторы подтяжки R10, R13, греются как кипятильники. Палец держать нельзя.
При чём изначально расчитывалось ставить резисторную сборку, но за неимением спаял из обычных резюков. Мощность резюков 0,5Вт.
2. Индуктивность преобразователя +35В тоже греется.
Причём независимо на какой ток эта индуктивность расчитана. Ставил и 0,7А и 2,85А. Греются почти одинаково.
Нить накала всех лам включена последовательно и запитывается переменкой через ключи Q35-Q38, частота задаётся контроллером.
При уменьшении количества ламп к примеру до шести, напряжение накала можно отрегулировать при помощи резисторов R58,R60,R62,R63.
В принципе их можно заменить на подстроечник.
Схемку рисовал сам. Прогу для контроллера писал мой хороший знакомый.
Так как у него сейчас времени нехватает, проектик завис.
Пока часы умеют ходить, показывать дату и мерять температуру.
В перспективе хочется добавить будильники, автомат регулировки яркости (для тёмного времени суток) и каких нибудь эфектов индикации.
Изображение
Изображение
Схема
Изображение


Вернуться наверх
 
 Заголовок сообщения: Re: Часы на люминесцентных индикаторах.
СообщениеДобавлено: Ср фев 12, 2014 14:44:19 
Друг Кота
Аватар пользователя

Карма: 50
Рейтинг сообщений: 1400
Зарегистрирован: Пт авг 28, 2009 21:34:30
Сообщений: 7347
Откуда: 845-й км.
Рейтинг сообщения: 0
Медали: 1
Получил миской по аватаре (1)
Ну, раз уж просите...

По поводу греющихся резисторов: А что вы хотели выбрав самую неэкономичную схему?
Цитата:
Недостаток этой схемы в том, что большая часть энергии источника питания уходит на нагрев этого резистора R1 (Причем в схеме их, как правило, несколько - даже для одной лампы их будет 7-8 штук на каждый анод сегмента).


Индуктивность... В понижающем преобразователе стоит резистор токового сенсора, а повышающем похерен. Результат на лице. Думаю, чтобы схема стала чуть толерантней, надо добавить этот резистор, чтобы хотя бы ограничить длительность импульса. Ну или посчитать правильно частотно-задающий конденсатор с индуктивностью.

Собственно, не вижу необходимости в импульсном понижающем преобразователе - там нагрузка по +5 не настолько большая, чтобы вытягивать КПД (особенно, используя в тоже время неэкономичные ключи). Хватило бы и линейника.

А так ничего. жаль, мелкие детали на схеме плохо видны.


Вернуться наверх
 
 Заголовок сообщения: Re: Часы на люминесцентных индикаторах.
СообщениеДобавлено: Ср фев 12, 2014 14:53:10 
Мудрый кот
Аватар пользователя

Карма: 25
Рейтинг сообщений: 79
Зарегистрирован: Вт окт 05, 2010 01:08:57
Сообщений: 1800
Рейтинг сообщения: 0
easymax
Хотелось бы схему в лучшем разрешении увидеть.

_________________
KIT


Вернуться наверх
 
 Заголовок сообщения: Re: Часы на люминесцентных индикаторах.
СообщениеДобавлено: Ср фев 12, 2014 15:12:21 
Открыл глаза

Зарегистрирован: Вт апр 17, 2012 20:39:57
Сообщений: 42
Рейтинг сообщения: 0
O-LED писал(а):
easymax
Хотелось бы схему в лучшем разрешении увидеть.

Изображение


Вернуться наверх
 
Показать сообщения за:  Сортировать по:  Вернуться наверх
Начать новую тему Ответить на тему  [ Сообщений: 9137 ]     ... , , , 230, , , ...  

Часовой пояс: UTC + 3 часа


Вы не можете начинать темы
Вы не можете отвечать на сообщения
Вы не можете редактировать свои сообщения
Вы не можете удалять свои сообщения
Вы не можете добавлять вложения

Найти:
Перейти:  


Powered by phpBB © 2000, 2002, 2005, 2007 phpBB Group
Русская поддержка phpBB
Extended by Karma MOD © 2007—2012 m157y
Extended by Topic Tags MOD © 2012 m157y