Например TDA7294

Форум РадиоКот • Просмотр темы - Микрофонный усилитель
Форум РадиоКот
Здесь можно немножко помяукать :)

Текущее время: Пн дек 01, 2025 06:48:49

Часовой пояс: UTC + 3 часа


ПРЯМО СЕЙЧАС:



Начать новую тему Ответить на тему  [ Сообщений: 435 ]     ... , , , 7, , , ...  
Автор Сообщение
Не в сети
 Заголовок сообщения: Re: Микрофонный усилитель
СообщениеДобавлено: Чт июл 23, 2015 05:31:16 
Друг Кота
Аватар пользователя

Карма: 127
Рейтинг сообщений: 6124
Зарегистрирован: Вс дек 25, 2011 18:43:00
Сообщений: 24323
Откуда: г.Москва
Рейтинг сообщения: 0
kript0n, не парьте себе моск...в ваших рассуждениях есть только логика, к сожалению, с всегда ошибочными выводами, потому как входное сопротивление одиночного каскада по схеме с ОЭ в общем случае 3..10кОм, как бы вы на морщили попу и какие бы высокоомные номиналы не пихали в каскад....соберите лучше что нибудь из готового...вот вам как пример.

Изображение

Изображение

Изображение

Печатная плата в SL-6 в аттаче.


Вложения:
Микрофонный усилитель.rar [12.89 KiB]
Скачиваний: 616
Вернуться наверх
 
Не в сети
 Заголовок сообщения: Re: Микрофонный усилитель
СообщениеДобавлено: Чт июл 23, 2015 14:54:20 
Родился

Зарегистрирован: Вт июл 21, 2015 22:13:12
Сообщений: 6
Рейтинг сообщения: 0
ssc писал(а):
kript0n, не парьте себе моск...в ваших рассуждениях есть только логика, к сожалению, с всегда ошибочными выводами, потому как входное сопротивление одиночного каскада по схеме с ОЭ в общем случае 3..10кОм, как бы вы на морщили попу и какие бы высокоомные номиналы не пихали в каскад....соберите лучше что нибудь из готового...вот вам как пример.

Спасибо, конечно. Но понимаете ли, дело то в том, что хочу я разобраться, а сделать это, только читая книжку, по всей видимости, невозможно. Так как дословно "... и входного сопротивления со стороны базы. Последнее приблизительно равно 100кОм (сопротивление Rэ увеличенное в h21 раз)." Каскад рассматривается одиночный.

А первое что приходит в голову для сборки на транзисторах, это непосредственно усилитель.


Вернуться наверх
 
Не в сети
 Заголовок сообщения: Re: Микрофонный усилитель
СообщениеДобавлено: Чт июл 23, 2015 15:21:57 
Друг Кота
Аватар пользователя

Карма: 127
Рейтинг сообщений: 6124
Зарегистрирован: Вс дек 25, 2011 18:43:00
Сообщений: 24323
Откуда: г.Москва
Рейтинг сообщения: 0
Если вы изложили смысл того, что прочитали правильно, то вам надо выкинуть эту книжку в мусорное ведро....ну или еще раз внимательно читать... :)


Вернуться наверх
 
Не в сети
 Заголовок сообщения: Re: схема маломощного усилителя
СообщениеДобавлено: Пн авг 31, 2015 13:28:16 
Вымогатель припоя
Аватар пользователя

Зарегистрирован: Пт янв 18, 2013 15:11:02
Сообщений: 516
Рейтинг сообщения: 0
Пытаюсь усилить сигнал с микрофона с помощью транзистора BC547B, все в роде бы получилось да с точностью на оборот.
Когда сигнал на базу транзистора не подаеться на выходе 5В а при подаче сигнала на базу на выходе 0В, все напряжение падает на R6. Как нужно изменить схему что бы при отсутствии сигнала на базе, на выходе было 0В, а при поступлении сигнала на базу на выходе колекторе было 5В.



Сюда перенес.
А вообще, прежде чем самому составлять схемы, Вам нужно почитать хотя бы про то, как работает транзистор и для чего на его базу подают смещение, которого у вас нет.
Данную тему читайте и для начала спаяйте какую нибудь уже готовую схему.
aen


Вложения:
BC547B.png [24.44 KiB]
Скачиваний: 908
Вернуться наверх
 
Эиком - электронные компоненты и радиодетали
Не в сети
 Заголовок сообщения: Re: схема маломощного усилителя
СообщениеДобавлено: Пн авг 31, 2015 15:47:45 
Друг Кота
Аватар пользователя

Карма: 95
Рейтинг сообщений: 1815
Зарегистрирован: Ср дек 07, 2011 18:17:50
Сообщений: 6353
Откуда: Western Siberia
Рейтинг сообщения: 0
strengerst писал(а):
Пытаюсь усилить сигнал с микрофона с помощью транзистора BC547B, все в роде бы получилось да с точностью на оборот.
Когда сигнал на базу транзистора не подаеться на выходе 5В а при подаче сигнала на базу на выходе 0В, все напряжение падает на R6. Как нужно изменить схему что бы при отсутствии сигнала на базе, на выходе было 0В,
aen[/color]

Для начала соберите правильный делитель напряжения коллектор-база.
примерно 5 кОм на коллектор а с коллектора на базу 50-100 кОм.
и на выходе с коллектора емкость 0,1 или 0.05 мкф.
Примерно так должно быть.
Транзистор применяйте с высоким КУ кт 3102 малошумящий или его аналог.

Удачи.


Вернуться наверх
 
Не в сети
 Заголовок сообщения: Re: Микрофонный усилитель
СообщениеДобавлено: Вт сен 01, 2015 08:49:32 
Вымогатель припоя
Аватар пользователя

Зарегистрирован: Пт янв 18, 2013 15:11:02
Сообщений: 516
Рейтинг сообщения: 0
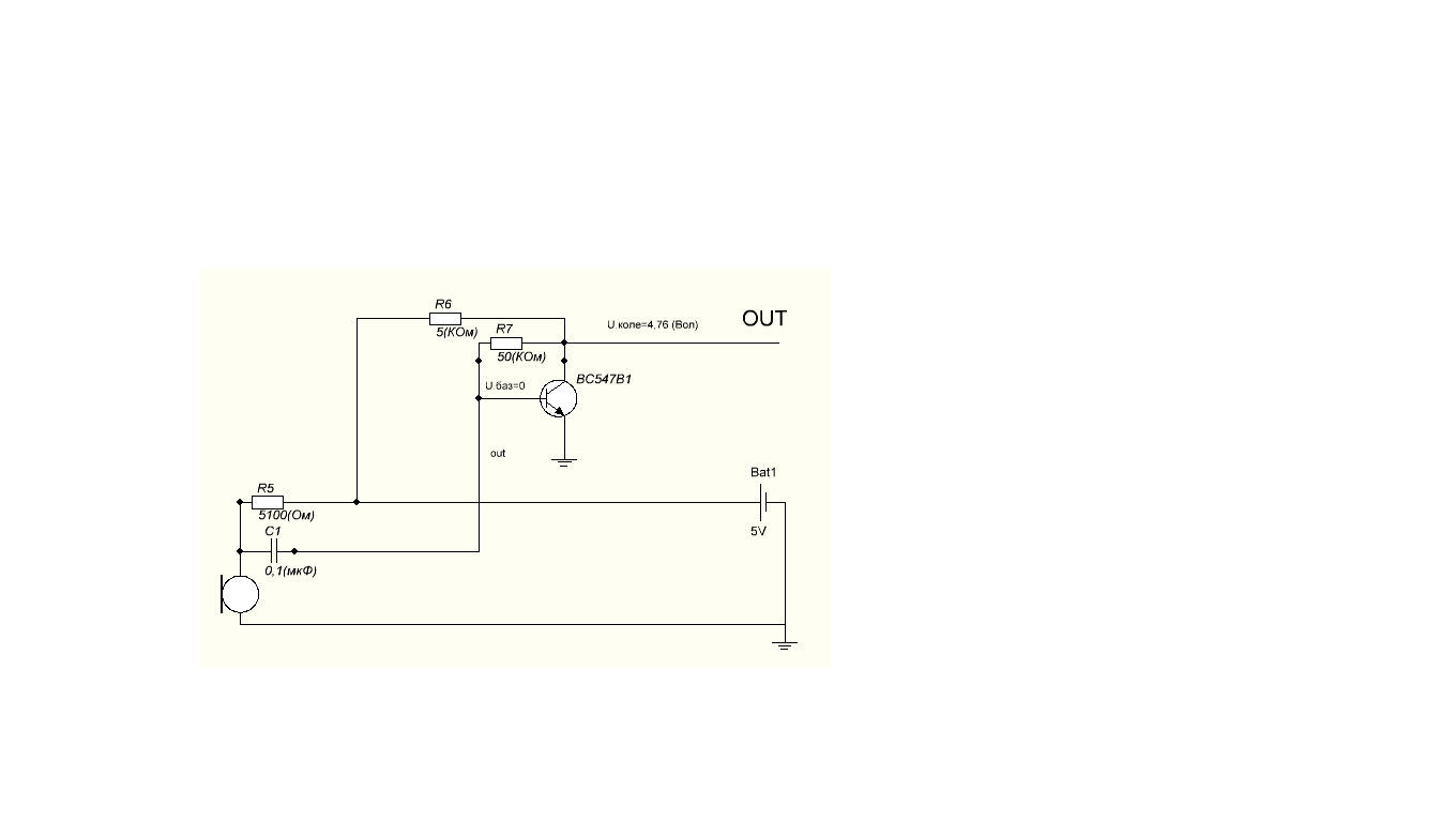
Воспользовался вашими советами и приминил делитель колектор база что также дало мне смещение на базу. Но суть вопроса остаеться такая же. Как изменить схему так что бы при 0 на базу на выходе колектора после делителя также был 0. А при поступлении тока на базу увеличивался соответствено.


Вложения:
BC547B2.png [25.72 KiB]
Скачиваний: 975
Вернуться наверх
 
Не в сети
 Заголовок сообщения: Re: Микрофонный усилитель
СообщениеДобавлено: Вт сен 01, 2015 17:57:31 
Друг Кота
Аватар пользователя

Карма: 95
Рейтинг сообщений: 1815
Зарегистрирован: Ср дек 07, 2011 18:17:50
Сообщений: 6353
Откуда: Western Siberia
Рейтинг сообщения: 0
strengerst писал(а):
Как изменить схему так что бы при 0 на базу на выходе колектора после делителя также был 0. А при поступлении тока на базу увеличивался соответствено.

:) Я не пойму что вы хотите получить на коллекторе ?
Это же элементарный однокаскадный усилитель Н.Ч.
Подавая с микрофона сигнал на базу транзистора через конденсатор малой амплитиуды, на выходе с коллектора, естественно через конденсатор вы снимаете Н.Ч. сигнал большей амплитуды.
А вы видимо меряете постоянное напряжение на коллекторе , вместо того чтобы поставить емкость с коллектора и произвести замер амплитуды напряжения Н.Ч. на выходе конденсатора.
P.S-
Для информации( если уменьшать емкость меньше 0,1 -0.05 мКф. на входе сигнала будут подрезаться низкие частоты и будут ярко выражены средние и высокие частоты, амплитуда сигнала естественно будет меньшего уровня, чем с большей емкостью) Делается это, именно для индивидуального пользователя, а именно, применяется в микрофонных усилителях, для качественного и разборчивого сигнала.


Вернуться наверх
 
Не в сети
 Заголовок сообщения: Re: Микрофонный усилитель
СообщениеДобавлено: Вт сен 01, 2015 20:28:06 
Держит паяльник хвостом
Аватар пользователя

Карма: 42
Рейтинг сообщений: 393
Зарегистрирован: Ср июн 27, 2007 17:09:12
Сообщений: 970
Рейтинг сообщения: 0
strengerst писал(а):
Как изменить схему так что бы при 0 на базу на выходе колектора после делителя также был 0. А при поступлении тока на базу увеличивался соответствено.
Для получения такого нужен не УНЧ, а УПТ и при этом с двухполярным питанием.

Изображение

А лучше всего применить ОУ, само собой тоже с двухполярним питанием.


Вложения:
1.JPG [19.93 KiB]
Скачиваний: 4415
Вернуться наверх
 
Не в сети
 Заголовок сообщения: Re: Микрофонный усилитель
СообщениеДобавлено: Пт сен 04, 2015 10:26:45 
Вымогатель припоя
Аватар пользователя

Зарегистрирован: Пт янв 18, 2013 15:11:02
Сообщений: 516
Рейтинг сообщения: 0
Понял спасибо что разяснили. Но у меня теперь другаЯ проблема , микрофон срабатывает только когда в него подуть на всякие хлопки разговоры он не реогирует почему? и как это можно исправить.


Вложения:
BC547B2.png [25.72 KiB]
Скачиваний: 1198
Вернуться наверх
 
Не в сети
 Заголовок сообщения: Re: Микрофонный усилитель
СообщениеДобавлено: Пт сен 04, 2015 12:51:33 
Держит паяльник хвостом
Аватар пользователя

Карма: 42
Рейтинг сообщений: 393
Зарегистрирован: Ср июн 27, 2007 17:09:12
Сообщений: 970
Рейтинг сообщения: 0
strengerst писал(а):
как это можно исправить
На этот вопрос Вам уже отвечали:
"Сделать по одной из правильных схеме, что не один раз приводили в данной теме."
Т.к. самому составлять схемы вам еще рано.
Вот хотя бы на первой странице про это же говорят.
viewtopic.php?p=909931#p909931


Вернуться наверх
 
Не в сети
 Заголовок сообщения: Re: Микрофонный усилитель
СообщениеДобавлено: Пт сен 04, 2015 17:54:15 
Друг Кота
Аватар пользователя

Карма: 95
Рейтинг сообщений: 1815
Зарегистрирован: Ср дек 07, 2011 18:17:50
Сообщений: 6353
Откуда: Western Siberia
Рейтинг сообщения: 0
strengerst писал(а):
микрофон срабатывает только когда в него подуть на всякие хлопки разговоры он не реогирует почему? и как это можно исправить.

:tea: Куда у вас , и как подключен микрофон. покажите. Фото на пример.


Вернуться наверх
 
Не в сети
 Заголовок сообщения: Re: Микрофонный усилитель
СообщениеДобавлено: Вс сен 06, 2015 09:15:33 
Родился

Зарегистрирован: Вс июл 07, 2013 18:19:07
Сообщений: 7
Рейтинг сообщения: 0
Собрал микрофонный усилитель по этой схеме. Элементы использовал: R1,R2-10k R3-1k R4-1M R5-4.3k R6-47k C1,C2 не использовал C3,С4-10пФ С5-4,7мкФ. Микрофон из какойто гарнитуры, электретный. Всё работает но есть вопрос, зависит ли количество шумов от напряжения питания, при том же усилении? И работает ли оно с динамическим микрофоном (разумеется при исключении R5)?


Вложения:
prostoi_us_mic_pc.jpg [15.57 KiB]
Скачиваний: 998
Вернуться наверх
 
Не в сети
 Заголовок сообщения: Re: Микрофонный усилитель
СообщениеДобавлено: Вс сен 06, 2015 10:29:06 
Опытный кот
Аватар пользователя

Карма: 7
Рейтинг сообщений: 58
Зарегистрирован: Ср авг 10, 2011 14:10:36
Сообщений: 886
Откуда: Киев
Рейтинг сообщения: 0
Зависит от КУ. типа ОУ.+монтаж и экранировка.


Вернуться наверх
 
Не в сети
 Заголовок сообщения: Re: Микрофонный усилитель
СообщениеДобавлено: Вс сен 06, 2015 10:47:10 
Родился

Зарегистрирован: Вс июл 07, 2013 18:19:07
Сообщений: 7
Рейтинг сообщения: 0
КУ регулируется R4. ОУ LM2902N. Монтаж навесной, собстенно екранировки никакой. А как насчёт динамического мк?


Вернуться наверх
 
Не в сети
 Заголовок сообщения: Re: Микрофонный усилитель
СообщениеДобавлено: Вс сен 06, 2015 11:47:21 
Друг Кота
Аватар пользователя

Карма: 95
Рейтинг сообщений: 2428
Зарегистрирован: Пт май 18, 2007 22:56:58
Сообщений: 26671
Рейтинг сообщения: 1
Шум может быть не только от усилителя, но и от микрофона. Нужно его закоротить чтобы услышать шум одного усилителя. Почему обращаю на это внимание: бывает что микрофоны так шумят, что шум усилителя меньше гораздо и соответственно бороться с ним нет смысла.

_________________
Не променяю медь на ржавую несгорайку!


Вернуться наверх
 
Не в сети
 Заголовок сообщения: Re: Микрофонный усилитель
СообщениеДобавлено: Вс сен 06, 2015 13:41:04 
Родился

Зарегистрирован: Вс июл 07, 2013 18:19:07
Сообщений: 7
Рейтинг сообщения: 0
Закоротил микрофон, шум почти исчез остался только гул 50 гц.
Думаю с динамическим микрофоном результат будет полутше.
Также буду пробовать другие "таблетки" коих много.


Вернуться наверх
 
Не в сети
 Заголовок сообщения: Re: Микрофонный усилитель
СообщениеДобавлено: Ср сен 09, 2015 22:19:43 
Открыл глаза
Аватар пользователя

Карма: 2
Рейтинг сообщений: 7
Зарегистрирован: Вс май 12, 2013 22:50:33
Сообщений: 44
Откуда: Беларусь. Орша
Рейтинг сообщения: 1

Попробуй классику. Напряжение на микрофоне установить резистором R8 2Вольта. Коэффициент усиления регулируется резистором R9 ООС. Чем он меньше , тем больше усиление. Желательно транзисторы Q1 и Q2 подобрать с одинаковым H21. транзисторы любые у которых минимальный H21 не менее 100. Коэффициент усиления без обратной связи примерно 1200, с ней не меняя резистор R9 не более 40. Динамический микрофон подключать без резистора R8. От микрофона и усилителя используй экранированный кабель.


Изображение



Вернуться наверх
 
Не в сети
 Заголовок сообщения: Re: Усилитель для Электретного Микрофона
СообщениеДобавлено: Пн окт 12, 2015 21:05:14 
Мучитель микросхем
Аватар пользователя

Зарегистрирован: Вс янв 04, 2009 15:44:49
Сообщений: 497
Рейтинг сообщения: 0
Захотел присоединить микрофончик к компу. У микрофона всего два вывода и они никак по виду не отличаются. Так вот по назначению оказывается выводы отличаются!
Меряем на режиме измерения падения напруги на диодах.
Изображение


Вложения:
микрофон.jpg [77.79 KiB]
Скачиваний: 1043
Вернуться наверх
 
Не в сети
 Заголовок сообщения: Re: Микрофонный усилитель
СообщениеДобавлено: Вт окт 20, 2015 20:40:52 
Это не хвост, это антенна
Аватар пользователя

Карма: 6
Рейтинг сообщений: 43
Зарегистрирован: Пт ноя 27, 2009 19:47:13
Сообщений: 1314
Откуда: Казань
Рейтинг сообщения: 0
Доброго времени суток.
Решил микрофон (электретный) подключить к АЦП МК (с последующей передачей речи по радиоканалу). Нашел в интернете пару схем:
1. Каскад на одном транзисторе.
Изображение
Тут расчитано на питание 3 вольта.

2. Из официального апноута атмелов - на ОУ.
Изображение
Тут на 5.

Интересует теория расчета, принцип работы.
Вот мои мысли:
Я так понимаю, в зависимости от звукового давления, изменяющаяся емкость влияет на встроенный полевик, а он, в свою очередь, изменяет напряжение на базе. Чтобы сигнал не обрезался, усиление не должно быть слишком большим. Где выбирается рабочая точка в таком случае? Какой уровень напряжения на входе АЦП должен быть в момент отсутствия сигнала? Исходя из каких соображений выбирается резистор, который включен между АЦП и выходом каскада? Какие параметры микрофона используются для расчета и как выбрать резистор для его питания?

По второй схеме: я так понимаю, на + входе делитель задает положительное смещение и из него вычитается и усиливается сигнал с микрофона.

Направьте в нужном направлении, пожалуйста.


Вернуться наверх
 
Не в сети
 Заголовок сообщения: Re: Микрофонный усилитель
СообщениеДобавлено: Пт окт 23, 2015 14:42:11 
Открыл глаза
Аватар пользователя

Карма: 2
Рейтинг сообщений: 7
Зарегистрирован: Вс май 12, 2013 22:50:33
Сообщений: 44
Откуда: Беларусь. Орша
Рейтинг сообщения: 0
Для микрофона резистор выбирается из номинального тока этого микрофона который указан в даташите. Можно взять примерно похожий микрофон и посмотреть примерный ток. Взять половину питания и выбрать резистор. Тоже примерно т.к. Микрофоны, даже одного производителя имеют разброс. На первой схеме резистор 4.7кОм значит выходное сопротивление микрофона 4.7кОм примерно), соответственно входное сопротивление транзистора желательно должно быть 47кОм в 10 раз больше, а на первой схеме оно меньше 160 Ом даже если убрать отрицательную обратную связь. Транзистор нагружает микрофон. Может стоит просто поставить эмитерный повторитель. Нужно посмотреть даташит Ацп его входное сопротивление и уровень сигнала который должен быть на входе и исходя из этого собрать усилитель по напряжению или только по току-эмитерный повторитель


Вернуться наверх
 
Показать сообщения за:  Сортировать по:  Вернуться наверх
Начать новую тему Ответить на тему  [ Сообщений: 435 ]     ... , , , 7, , , ...  

Часовой пояс: UTC + 3 часа


Кто сейчас на форуме

Сейчас этот форум просматривают: нет зарегистрированных пользователей и гости: 26


Вы не можете начинать темы
Вы не можете отвечать на сообщения
Вы не можете редактировать свои сообщения
Вы не можете удалять свои сообщения
Вы не можете добавлять вложения

Найти:
Перейти:  


Powered by phpBB © 2000, 2002, 2005, 2007 phpBB Group
Русская поддержка phpBB
Extended by Karma MOD © 2007—2012 m157y
Extended by Topic Tags MOD © 2012 m157y