Например TDA7294

Форум РадиоКот • Просмотр темы - Помогите собрать приёмник для прослушивания дальнобойщиков
Форум РадиоКот
Здесь можно немножко помяукать :)

Текущее время: Ср янв 07, 2026 09:16:51

Часовой пояс: UTC + 3 часа


ПРЯМО СЕЙЧАС:



Начать новую тему Ответить на тему  [ Сообщений: 312 ]    , , , 4, , , ...  
Автор Сообщение
Не в сети
 Заголовок сообщения: Re: AM 27МГц для общения с дальнобоями
СообщениеДобавлено: Вт фев 16, 2016 16:48:54 
Прорезались зубы

Карма: -1
Рейтинг сообщений: -37
Зарегистрирован: Чт фев 11, 2016 11:20:23
Сообщений: 223
Откуда: Мск
Рейтинг сообщения: 0
VIRGO писал(а):
bortnik27 писал(а):
Плюс вложение финансовых средств в некоторые детали делают ее не такой уж игрушкой

Но игрушкой она и останется. Советую поспрашивать таксистов, у них можно б.у. за символические деньги купить.
Мне местные таксисты несколько раз предлагали, кто за просто так а кто за пузырь...

Хорошие у вас таксисты или отношение к вам, хотя стоит спросить


Вернуться наверх
 
Не в сети
 Заголовок сообщения: Re: AM 27МГц для общения с дальнобоями
СообщениеДобавлено: Вт фев 16, 2016 18:34:10 
Прорезались зубы

Карма: -1
Рейтинг сообщений: -37
Зарегистрирован: Чт фев 11, 2016 11:20:23
Сообщений: 223
Откуда: Мск
Рейтинг сообщения: 0
Ну хорошо а какие схемы можно использовать для уверенного приема в 5км или к которым(схемам) можно приделать антену для такой дальности?


Вернуться наверх
 
Не в сети
 Заголовок сообщения: Re: AM 27МГц для общения с дальнобоями
СообщениеДобавлено: Вт фев 16, 2016 18:40:49 
Открыл глаза

Зарегистрирован: Чт фев 13, 2014 22:36:20
Сообщений: 48
Рейтинг сообщения: 0
Здесь о дальности связи: http://www.radiovnimanie.ru/CB_svyaz/St ... /range.htm


Вернуться наверх
 
Не в сети
 Заголовок сообщения: Re: AM 27МГц для общения с дальнобоями
СообщениеДобавлено: Ср фев 17, 2016 22:32:39 
Прорезались зубы

Карма: -1
Рейтинг сообщений: -37
Зарегистрирован: Чт фев 11, 2016 11:20:23
Сообщений: 223
Откуда: Мск
Рейтинг сообщения: 0
А есть ли у кого в дар, на обмен или продажу кварц на 27,135МГц?


Вернуться наверх
 
Эиком - электронные компоненты и радиодетали
Не в сети
 Заголовок сообщения: Re: AM 27МГц для общения с дальнобоями
СообщениеДобавлено: Ср фев 17, 2016 22:40:09 
Прорезались зубы

Карма: -1
Рейтинг сообщений: -37
Зарегистрирован: Чт фев 11, 2016 11:20:23
Сообщений: 223
Откуда: Мск
Рейтинг сообщения: 0
aen писал(а):
Также написать, какки приборы для настройки у Вас есть в наличии.
Нужен кварц в передатчик на 27,135 МГц или на 9,045 МГц
Это обязательно.

Приборов нет никаких, и кварц даже в чипдипе не нашел не более на али и прочих сайтах, теперь вопрос быть может тогда проще на МК типа К174ХА34, может что посоветуете.
Буду рад советам и схемам раций на мк


Вернуться наверх
 
Не в сети
 Заголовок сообщения: Re: AM 27МГц для общения с дальнобоями
СообщениеДобавлено: Чт фев 18, 2016 00:06:24 
Модератор
Аватар пользователя

Карма: 158
Рейтинг сообщений: 1600
Зарегистрирован: Пт апр 28, 2006 15:26:07
Сообщений: 11940
Откуда: Россия.
Рейтинг сообщения: 0
Медали: 2
Мявтор 3-й степени (1) Лучший человек Форума 2017 (1)
bortnik27 писал(а):
может тогда проще на МК типа К174ХА34
Данная микросхема предназначена для приема широкополосной ЧМ.
Вам же нужно принимать АМ.
Для приема АМ выбор микросхем довольно мал, да и все равно в вашем случае это мало поможет, т.к. и в случае применения приемника на микросхеме, Вы не избавитесь от кварцев. Внутри микросхемы такой же приемник на транзисторах, только все сделано на одном кристалле.
Вот один из даташита на TDA1083
https://www.tu-chemnitz.de/etit/zentral ... DA1083.pdf

Изображение

bortnik27 писал(а):
Приборов нет никаких
Если приборов нет, то судя по опыту этих тем
viewtopic.php?f=28&t=12148
viewtopic.php?f=28&t=43260
Получится опять такой же результат.
Asteriy писал(а):
Все! Я пас! Было бы лучше, что бы кто-то параллельно со мной собирал передатчик, т.к. "голые советы" результата не дают. Больше не хватает терпения и нерв!
А "нерв" тоже не будет хватать и у тех, кто в десятый или в двадцатый раз пытаться помогать.
Без приборов такие вещи не делаются.
Вот здесь в теме написан минимальный набор для этих целей.
viewtopic.php?f=28&t=122550
Денис писал(а):
Для настройки данного приемника требуется осциллограф. Можно низкочастотный, т.к. смотреть будем только сигналы промежуточной частоты.
Также желателен частотомер с полосой 30 МГц, но в данном случае можно обойтись и без него.
Нужен генератор ВЧ на частоту 27 МГц. Можно самодельный по любой схеме. У меня просто на макетке спаян.
Нужна приставка ГКЧ к осциллографу и это по сути главное. С помощью этой приставки можно увидеть и как настроен приемник и если ли самовозбуждение и т.д.
ГКЧ у меня тоже спаян просто на макетке.
Там же дана методика настройки подобных приемников.

Я вот считаю, что подобный приемник без приборов, точнее с помощью одного мультиметра можно сделать только в случае, если у вас будет в наличии кварцы, что написали здесь.
aen писал(а):
Нужен кварц в передатчик на 27,135 МГц
Это обязательно.
В приемник нужны кварцы 27,6 МГц или 26,67 МГц в случае керамических фильтров 465 кГц.
В случае керамических фильтров на 455 кГц кварцы в приемнике должны быть 27,59 МГц или 26,68 МГц
Кварцы лучше гармониковые.
aen писал(а):
Гармониковый в данном случае даже лучше, т.к. с ним частота установится более точно.
Если эти условия не выполняются, то будет по сути напрасная трата времени и у Вас и у тех, кто будет пытаться помогать и к сожалению мы все это уже проходили здесь на форуме. :cry:

Вот такая проза жизни. :cry:

Или делать то, что здесь посоветовали, т.е. сверхрегенератор.
viewtopic.php?p=2656082#p2656082
Он с антенной порядка 1 метр может принять на несколько сотен метров, но и в этом случае от кварца 27,135 МГц в передатчике не избавиться.


Вложения:
2.GIF [25.61 KiB]
Скачиваний: 6045
Вернуться наверх
 
Не в сети
 Заголовок сообщения: Re: AM 27МГц для общения с дальнобоями
СообщениеДобавлено: Чт фев 18, 2016 00:08:37 
Потрогал лапой паяльник
Аватар пользователя

Карма: 11
Рейтинг сообщений: 110
Зарегистрирован: Пн май 24, 2010 19:33:41
Сообщений: 342
Откуда: Москва
Рейтинг сообщения: 1
bortnik27 писал(а):
Приборов нет никаких, и кварц даже в чипдипе не нашел ... быть может тогда проще на МК типа К174ХА34, может что посоветуете.
Буду рад советам и схемам раций на мк

МК тут совсем не причем. Они для другого предназначены. К174ХА34 тоже не подойдет, т.к. она для приема ЧМ сигналов, а у вас, как я понял, АМ. Попробуйте для начала собрать простой приемник и принять каких-нибудь "дальнобоев". Если получится, собирайте передатчик и общайтесь ;)

Простой АМ приемник был описан в книге "Шпионские штучки и устройства для защиты объектов и информации", вот ссылка на статью:
http://radionet.com.ru/shem/shem190.html
Основные детали и кварцы для приемника и передатчика можно купить здесь:
Кварц для передатчика (27135кГц): http://www.quartz1.com/price/model.php?akt=24783.00
Кварц для приемника (26670кГц): http://www.quartz1.com/price/model.php?akt=9555.04
фильтр: http://www.quartz1.com/price/model.php? ... П1П1-60-01
Микросхема К174ХА10: http://www.quartz1.com/price/model.php?akt=511.16

Если правильно (без ошибок) соберете, то вся настройка - покрутить катушку контура УВЧ.


Вернуться наверх
 
Не в сети
 Заголовок сообщения: Re: AM 27МГц для общения с дальнобоями
СообщениеДобавлено: Чт фев 18, 2016 00:30:14 
Модератор
Аватар пользователя

Карма: 158
Рейтинг сообщений: 1600
Зарегистрирован: Пт апр 28, 2006 15:26:07
Сообщений: 11940
Откуда: Россия.
Рейтинг сообщения: 0
Медали: 2
Мявтор 3-й степени (1) Лучший человек Форума 2017 (1)
Garryadmin писал(а):
Простой АМ приемник был описан в книге "Шпионские штучки
Да. В принципе нормально для начала. Хотя сам с таким смесителем не пробовал. Не слишком "тупой" получится?
Когда то я делал подобное, но чуть посложнее.

Изображение

Но проблемы остаются те же, что я написал выше.
Это доставать нужные кварцы и фильтры в УПЧ.

Еще нужно учитывать, что схема составлялась из требований простоты настройки и конечно будет лучше для получения лучшей помехоустойчивости, если вместо резистора R4 поставить контур.
Про это раньше уже писал.
kenwooder88 писал(а):
Насколько оправдано ставить контур ПЧ в нагрузку смесителя, если после идёт фильтр ?
Если совсем упрощенно.
Керамический фильтр имеет хорошую АЧХ только вблизи своей резонансной частоты. Вдали от этой частоты его свойства ухудшаются.
Колебательный контур имеет посредственную АЧХ вблизи резонансной частоты, т.к. его прямоугольность АЧХ маленькая, но имеет хорошее подавление вдали от своей резонансной частоты.
Поэтому, если их совместить вместе, то получаем то, что на картинке в самом низу, т.е. имеем хорошие характеристики и вблизи резонансной частоты и вдали.

Изображение
Контур хотя бы как здесь.
https://radiokot.ru:443/forum/viewtopic ... 5#p2644775

Изображение

Также вместо R7 лучше поставить контур, что нарисован справа внизу. При этом контура придется ставить в экраны.

Также есть смысл на входе добавить УВЧ на транзисторе 9018 как здесь.
https://radiokot.ru:443/forum/viewtopic ... 5#p2644775

Изображение

Хотя УВЧ удобнее сделать на p-n-p транзисторе, например КТ363. Тогда контур "холодным концом" будет на общем проводе.


Вложения:
2.png [27.67 KiB]
Скачиваний: 4941
1.png [24.34 KiB]
Скачиваний: 4477
1.GIF [25.06 KiB]
Скачиваний: 9604
Вернуться наверх
 
Не в сети
 Заголовок сообщения: Re: AM 27МГц для общения с дальнобоями
СообщениеДобавлено: Чт фев 18, 2016 01:13:05 
Потрогал лапой паяльник
Аватар пользователя

Карма: 11
Рейтинг сообщений: 110
Зарегистрирован: Пн май 24, 2010 19:33:41
Сообщений: 342
Откуда: Москва
Рейтинг сообщения: 0
aen писал(а):
Не слишком "тупой" получится?
В каком смысле "тупой"? По чутью тоже, что и на ПС1, похуже стабильность, может только, при мощном сигнале.
Кстати, на ПС1 вариант, в сатье тоже есть. ;)
aen писал(а):
Это доставать нужные кварцы и фильтры в УПЧ.
Выше я специально привел ссылки где можно всё это купить с доставкой по России. 8)


Вернуться наверх
 
Не в сети
 Заголовок сообщения: Re: AM 27МГц для общения с дальнобоями
СообщениеДобавлено: Чт фев 18, 2016 01:26:53 
Модератор
Аватар пользователя

Карма: 158
Рейтинг сообщений: 1600
Зарегистрирован: Пт апр 28, 2006 15:26:07
Сообщений: 11940
Откуда: Россия.
Рейтинг сообщения: 0
Медали: 2
Мявтор 3-й степени (1) Лучший человек Форума 2017 (1)
Да.
По чутью.
Просто я не пробовал такой смеситель, отсюда и мой вопрос.
Garryadmin писал(а):
Кстати, на ПС1 вариант, в сатье тоже есть.
Что то там на схеме R14 немного смущает.


Вернуться наверх
 
Не в сети
 Заголовок сообщения: Re: AM 27МГц для общения с дальнобоями
СообщениеДобавлено: Чт фев 18, 2016 10:04:19 
Прорезались зубы

Карма: -1
Рейтинг сообщений: -37
Зарегистрирован: Чт фев 11, 2016 11:20:23
Сообщений: 223
Откуда: Мск
Рейтинг сообщения: 0
aen писал(а):
Если приборов нет, то судя по опыту этих тем
Получится опять такой же результат...

Ну человек видимо хотел что за него все сделают и он за два дня все повторит и будет готовый прибор с минимум усилий, я такими иллюзиями не страдаю, и понимаю что проект может идти год особенно с учетом моей учебы. Ну и априори не стоит всех под одну гребенку)
aen писал(а):
Без приборов такие вещи не делаются.
Вот здесь в теме написан минимальный набор для этих целей.
Там же дана методика настройки подобных приемников.
Я вот считаю, что подобный приемник без приборов, точнее с помощью одного мультиметра можно сделать только в случае, если у вас будет в наличии кварцы, что написали здесь.
aen писал(а):
Нужен кварц в передатчик на 27,135 МГц
Это обязательно.
В приемник нужны кварцы 27,6 МГц или 26,67 МГц в случае керамических фильтров 465 кГц.
В случае керамических фильтров на 455 кГц кварцы в приемнике должны быть 27,59 МГц или 26,68 МГц

Ту тему изучаю, пприборы видел, какие то сделаю, кварцы достану, спасибо #Garryadmin. Главный вопрос, можно ли всеже без осциллографа обойтись, вещь то не простая и не дешевая.

aen писал(а):
Если эти условия не выполняются, то будет по сути напрасная трата времени и у Вас и у тех, кто будет пытаться помогать и к сожалению мы все это уже проходили здесь на форуме.
Вот такая проза жизни. :cry:

Итого: кварцы куплю, осциллографа нет. остальное что можно спаять самому сделаю. Понимание что нужно во всем разбираться думать а потом делать есть, терпение есть, и понимание что все это не за два дня сделается есть. Опыта мало расчет на свои прямые руки и ваш опыт. С электроникой работал много для своих 22 паял в основном светотехнику, с печатными платами тоже работал мало в основном работа по машине да проводочки спаять развалившиеся.
aen писал(а):
Или делать то, что здесь посоветовали, т.е. сверхрегенератор.
viewtopic.php?p=2656082#p2656082
Он с антенной порядка 1 метр может принять на несколько сотен метров, но и в этом случае от кварца 27,135 МГц в передатчике не избавиться.

Идею с мк мы отметаем тогда какие есть варианты с учетом что кварцы будут и не будет осциллографа? хотя его тоже в универе можно поискать думаю для настройки разрешат воспользоваться.
P.S. все это "долгострой" и учеба тоже требует времени, плюс надвигающиеся праздники возьмут свое, большая просьба не терять тему оставаться на связи, бороться будем до победного конца)


Вернуться наверх
 
Не в сети
 Заголовок сообщения: Re: AM 27МГц для общения с дальнобоями
СообщениеДобавлено: Чт фев 18, 2016 10:32:17 
Прорезались зубы

Карма: -1
Рейтинг сообщений: -37
Зарегистрирован: Чт фев 11, 2016 11:20:23
Сообщений: 223
Откуда: Мск
Рейтинг сообщения: 0
Garryadmin писал(а):
Кварц для передатчика (27135кГц): http://www.quartz1.com/price/model.php?akt=24783.00
Если правильно (без ошибок) соберете, то вся настройка - покрутить катушку контура УВЧ.

За кварц огромное спасибо, по запросу на этом сайте выдовал какую то не понятную таблицу по замещению кварцев, короче бред.
А какой у данного приемника будет радиус, все же хотелось бы получить около километра.
P.S. не тыкайте в меня цитатой что мне нужно 100 метров, я возможно не правильно выразился или не понимаю некоторых вещей но если делать антену то хотелось бы более км получать прием а 100 метров иметь без антены на кусок провода. и если не сложно объясните антену сделать можно к любому приемнику или некоторые схемы предназначены только для куска провода?


Вернуться наверх
 
Не в сети
 Заголовок сообщения: Re: AM 27МГц для общения с дальнобоями
СообщениеДобавлено: Чт фев 18, 2016 11:03:38 
Прорезались зубы

Карма: -1
Рейтинг сообщений: -37
Зарегистрирован: Чт фев 11, 2016 11:20:23
Сообщений: 223
Откуда: Мск
Рейтинг сообщения: 0
aen писал(а):
Когда то я делал подобное, но чуть посложнее.
СпойлерИзображение

Есть ли первоисточник, посмотреть компоненты, и опять же вопрос о дальности, можно ли смастерить антену для хорошего приема в пару км?
P.S. не тыкайте в меня цитатой что мне нужно 100 метров, я возможно не правильно выразился и извиняюсь, или не понимаю некоторых вещей, но если делать антену то хотелось бы более км получать прием а 100 метров иметь без антены на кусок провода. и если не сложно объясните антену сделать можно к любому приемнику или некоторые схемы предназначены только для куска провода или же просто не будет эффекта от иной конструкции антены?

P.P.S. ВСЕМ ВСЕМ, спасибо за ответы не пропадайте и не забывайте тему, работа будет идти, детали закупаются, но все это долго, много времени нет, но настрой серьезный и есть понимание во что ввязываюсь. Так что не забывайте меня, Ваш опыт очень важен и нужен.
Маленький подитог:
1. кварцы будут.
2.нет осциллографа и других приборов но все это возможно достать или сделать.
3.есть желание терпение и Ваш громный опыт.
4.потребность в рации на АМ с дальностью 0,1/2 км без/с антеной.
выводы: схема
СпойлерИзображение

выглядит наиболее привлекательной главный вопрос что будет с приемом/передачей (дальностью), возможно ли сделать(усовершенствовать) ее более мощной если это требуется для выполнения пункта 4?


Вернуться наверх
 
Не в сети
 Заголовок сообщения: Re: AM 27МГц для общения с дальнобоями
СообщениеДобавлено: Чт фев 18, 2016 13:49:36 
Потрогал лапой паяльник
Аватар пользователя

Карма: 11
Рейтинг сообщений: 110
Зарегистрирован: Пн май 24, 2010 19:33:41
Сообщений: 342
Откуда: Москва
Рейтинг сообщения: 1
bortnik27 писал(а):
настрой серьезный и есть понимание во что ввязываюсь.

Я очень рад за ваш энтузиазм, правильным путем идете 8)
Еще раз настаиваю, чтобы вы сначала собрали и настроили приемник.
Если будете собирать по схеме, предложенной aen:
Изображение
то нужно изменить немного входную часть:
- убрать конденсатор С1
- подключить антенну к отводу катушки L1 сделанному на 1/5 - 1/4 части витков от нижнего конца.

Если ваш дом деревянный и находится не в низине, то можете использовать в качестве антенны кусок проволоки длиной 2,7 метра, расположив его подальше от металлических предметов.
Если дом кирпичный или бетонный, то подключите антенну к коаксиальному кабелю (к центральной жиле) и вывесите за окно на деревянной палке, так чтобы антенна висела не ближе 1,5 метров от стены. Другой конец кабеля подключите к приемнику - оплётку к минусу, центральную жилу к отводу входного контура. Длину кабеля желательно сделать по формуле: L=n*2,7/k , где L - длина кабеля, n - целое число от 1 и больше, k - коэффициент укорочения, зависит от кабеля, обычно 1,3 (напишите марку кабеля, я уточню цифру)
Для настройки такого приемника мультиметра вам вполне хватит. С его помощью вы можете проверить ток потребляемый различными каскадами и микросхемами, а также проконтролировать рабочие точки транзисторов. Для точной настройки на частоту можно собрать кварцевый генератор передатчика (на схеме - транзистор VT2) и настроить катушку L1 по наибольшему затуханию шумов приемника.
Если всё правильно сделаете, то включайте приемник на весь день и слушайте, должно повезти :music:

С такой антенной вы услышите сигнал автомобильной радиостанции в радиусе до 10 км.


Вернуться наверх
 
Не в сети
 Заголовок сообщения: Re: AM 27МГц для общения с дальнобоями
СообщениеДобавлено: Чт фев 18, 2016 14:17:37 
Модератор
Аватар пользователя

Карма: 158
Рейтинг сообщений: 1600
Зарегистрирован: Пт апр 28, 2006 15:26:07
Сообщений: 11940
Откуда: Россия.
Рейтинг сообщения: 0
Медали: 2
Мявтор 3-й степени (1) Лучший человек Форума 2017 (1)
bortnik27 писал(а):
возможно ли сделать(усовершенствовать) ее
Можно и усовершенствовать.
Вместо R4 поставить контур на промежуточную частоту.
Вместо R7 поставить контур на промежуточную частоту, что нарисован на схеме внизу, справа.
Контура должны быть в экранах.
Применить не китайский керамический фильтр из ширпотреба, а советский, наподобие ПФ1П-1М. Советские хотя тоже шиопотреб, но все таки их параметры намного выше китайского ширпотреба.
Можно здесь почитать.
http://www.radioscanner.ru/forum/topic44778.html
Если применять китайские из ширпотреба, то лучше поставить два, как это сделали здесь.
viewtopic.php?p=2644775#p2644775
СпойлерИзображение

Более мощный передатчик, а то и всю радиостанцию можно сделать как здесь.
Читать, начиная с этого поста.
viewtopic.php?p=2557774#p2557774

Или здесь.
http://www.radiocxema.h1n.ru/2018/06/05 ... ным-транс/


Вернуться наверх
 
Не в сети
 Заголовок сообщения: Re: AM 27МГц для общения с дальнобоями
СообщениеДобавлено: Чт фев 18, 2016 15:02:12 
Это не хвост, это антенна

Карма: 7
Рейтинг сообщений: 148
Зарегистрирован: Пт янв 01, 2016 13:00:20
Сообщений: 1453
Откуда: Москва
Рейтинг сообщения: 0
Можно купить р.станцию Урал-Р советского производства, даже убитую, рублей за 500 на эту частоту (там все нужные детали есть), ее не сложно переделать на АМ


Вернуться наверх
 
Не в сети
 Заголовок сообщения: Re: AM 27МГц для общения с дальнобоями
СообщениеДобавлено: Чт фев 18, 2016 17:27:14 
Потрогал лапой паяльник
Аватар пользователя

Карма: 11
Рейтинг сообщений: 110
Зарегистрирован: Пн май 24, 2010 19:33:41
Сообщений: 342
Откуда: Москва
Рейтинг сообщения: 0
сэм53 писал(а):
Можно купить р.станцию Урал-Р советского производства, на эту частоту (там все нужные детали есть), ее не сложно переделать на АМ

И да и нет. Урал-Р - это одноканальная станция, предназначенная для работы в сетке частот с шагом 12,5 кГц (тогда законы такие были), соответственно, частоты у неё были 27200кГц и 27187,5кГц других не видел, но даже если бы и были, то значение было бы 27137,5кГц , т.е. "не в канале". Соответственно, кварцы по-любому менять придется и перестраивать ВСЕ контура (а их там дофига). Без серьезных приборов никак :dont_know:
Переделка на АМ тоже очень затруднительна, придется менять микросхему (УР3) и всю обвязку, в передатчике нужно переделать модулятор и перевести выходной каскад в режим А (ну, или АВ). Начинающему не под силу ВААБЩЕ!
сэм53 писал(а):
даже убитую, рублей за 500

Тогда еще и ремонтировать придется сначала :facepalm:


Вернуться наверх
 
Не в сети
 Заголовок сообщения: Re: AM 27МГц для общения с дальнобоями
СообщениеДобавлено: Чт фев 18, 2016 18:00:34 
Это не хвост, это антенна

Карма: 7
Рейтинг сообщений: 148
Зарегистрирован: Пт янв 01, 2016 13:00:20
Сообщений: 1453
Откуда: Москва
Рейтинг сообщения: 0
Нет ничего проще АМ модуляции и АМ детектора. Раскачать ее можно до 1вт (на выходе стоит КТ610), можно поднять напругу с 9 до 12 В, что успешно все делали. Сам я на них сигнализацию для авто делал(по схеме из ж.Радио)


Вернуться наверх
 
Не в сети
 Заголовок сообщения: Re: AM 27МГц для общения с дальнобоями
СообщениеДобавлено: Чт фев 18, 2016 18:16:45 
Держит паяльник хвостом
Аватар пользователя

Карма: 42
Рейтинг сообщений: 393
Зарегистрирован: Ср июн 27, 2007 17:09:12
Сообщений: 970
Рейтинг сообщения: 0
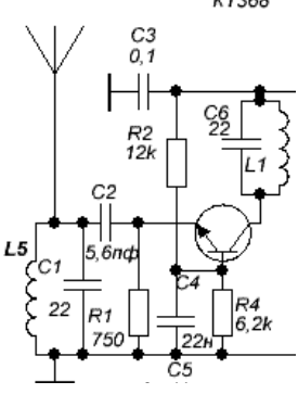
Хочу просто для интереса перестроить свой довольно примитивный приемник на частоту дальнобойщиков и послушать, что там есть и можно ли на такой что услышать за километр.
СпойлерИзображение

Но так и не понял на какую частоту реально на практике нужно перестроить?
Bigsnake писал(а):
дальнобойщики общаются на частоте 27.135 МГц. В Украине, в Белорусии, а также в Польше частота дальнобойщиков смещена на 5 кГц, т.е. равна 27 130 МГц.
У нас в России реально пользуются частотой 27,135 МГц или в виду, что радиостанции у нас в продаже зарубежные, то и мне нужно перестроится на 27,13 МГц, что бы что то услышать?
Наши то дальнобойщики какой частотой на практике пользуются?
Радиостанции то у наших, как я понимаю импортные.


Вернуться наверх
 
Не в сети
 Заголовок сообщения: Re: AM 27МГц для общения с дальнобоями
СообщениеДобавлено: Чт фев 18, 2016 18:26:41 
Это не хвост, это антенна

Карма: 7
Рейтинг сообщений: 148
Зарегистрирован: Пт янв 01, 2016 13:00:20
Сообщений: 1453
Откуда: Москва
Рейтинг сообщения: 0
Чтобы послушать, что творится в этом диапазоне, можно отключить кварцевый генератор, а вместо него подать сигнал от такого же , только без кварца. Станции ловить сердечником катушки или переменным конденсатором, полосы частот по входному контуру должно хватить


Вернуться наверх
 
Показать сообщения за:  Сортировать по:  Вернуться наверх
Начать новую тему Ответить на тему  [ Сообщений: 312 ]    , , , 4, , , ...  

Часовой пояс: UTC + 3 часа


Кто сейчас на форуме

Сейчас этот форум просматривают: нет зарегистрированных пользователей и гости: 16


Вы не можете начинать темы
Вы не можете отвечать на сообщения
Вы не можете редактировать свои сообщения
Вы не можете удалять свои сообщения
Вы не можете добавлять вложения

Найти:
Перейти:  


Powered by phpBB © 2000, 2002, 2005, 2007 phpBB Group
Русская поддержка phpBB
Extended by Karma MOD © 2007—2012 m157y
Extended by Topic Tags MOD © 2012 m157y