Например TDA7294

Форум РадиоКот • Просмотр темы - Программатор "STK500v2 by Petka"
Форум РадиоКот
Здесь можно немножко помяукать :)

Текущее время: Сб янв 31, 2026 10:18:56

Часовой пояс: UTC + 3 часа


ПРЯМО СЕЙЧАС:



Начать новую тему Ответить на тему  [ Сообщений: 1445 ]     ... , , , 71, ,  
Автор Сообщение
Не в сети
 Заголовок сообщения: Re: Программатор "STK500v2 by Petka"
СообщениеДобавлено: Пт янв 08, 2021 11:20:55 
Родился

Зарегистрирован: Вс окт 20, 2013 12:20:48
Сообщений: 9
Рейтинг сообщения: 0
Altair.. Я уже несколько раз менял порты . просто скрин так сделал. менял и скорость. может еще кабель usb длинный. от ноута к прогеру хз. ну 1.2 метра. не пойму в чем дело. наверно с 7 кой не хочет работать. где то я читал на форуме..хотя я же прошивал им давно . он просто летал. но не могу вспомнить что за винда у меня стояла . это был 2013 год. я еще другу сделал . он принес мне кварцы на 18....!


Вернуться наверх
 
Не в сети
 Заголовок сообщения: Re: Программатор "STK500v2 by Petka"
СообщениеДобавлено: Пт янв 08, 2021 13:16:57 
Сверлит текстолит когтями
Аватар пользователя

Карма: 18
Рейтинг сообщений: 161
Зарегистрирован: Вс мар 01, 2009 17:49:41
Сообщений: 1274
Откуда: Россия
Рейтинг сообщения: 0
Пробуйте поменять драйвер FTDI, как это сделал samand587 по этой статье http://kmpu.ru/other/ft232rl_rabota_s_d ... #Chapter_3

_________________
Ваше везение — в ваших руках: водите чёрную кошку на поводке.
Молчание не всегда означает согласие.


Вернуться наверх
 
Не в сети
 Заголовок сообщения: Re: Программатор "STK500v2 by Petka"
СообщениеДобавлено: Пт янв 08, 2021 16:08:28 
Родился

Зарегистрирован: Вс окт 20, 2013 12:20:48
Сообщений: 9
Рейтинг сообщения: 0
Altair .... Пробовал и это .не помогло .


Вернуться наверх
 
Не в сети
 Заголовок сообщения: Re: Программатор "STK500v2 by Petka"
СообщениеДобавлено: Пт янв 08, 2021 17:30:57 
Сверлит текстолит когтями
Аватар пользователя

Карма: 18
Рейтинг сообщений: 161
Зарегистрирован: Вс мар 01, 2009 17:49:41
Сообщений: 1274
Откуда: Россия
Рейтинг сообщения: 0
На входе какая фт-шка стоит?

_________________
Ваше везение — в ваших руках: водите чёрную кошку на поводке.
Молчание не всегда означает согласие.


Вернуться наверх
 
Эиком - электронные компоненты и радиодетали
Не в сети
 Заголовок сообщения: Re: Программатор "STK500v2 by Petka"
СообщениеДобавлено: Пт янв 08, 2021 20:27:04 
Родился

Зарегистрирован: Вс окт 20, 2013 12:20:48
Сообщений: 9
Рейтинг сообщения: 0
FT232RL .


Вернуться наверх
 
Не в сети
 Заголовок сообщения: Re: Программатор "STK500v2 by Petka"
СообщениеДобавлено: Сб янв 09, 2021 11:29:06 
Сверлит текстолит когтями
Аватар пользователя

Карма: 18
Рейтинг сообщений: 161
Зарегистрирован: Вс мар 01, 2009 17:49:41
Сообщений: 1274
Откуда: Россия
Рейтинг сообщения: 0
Сейчас достал свой программатор, у меня оказалась на входе FT232BL. Давно собирал, не вспомнил что на входе.
Недавно HHD поменял на SSD, а заодно поставил WIN10. Подключил программатор и поставил с сайта FT дрова. Поставил на комп
AVRDUDE, установил порт и прошил атмегу восьмую. Не знаю, что у вас не идёт... Эфтешка не может быть поддельной? Были такие,
после обновления дров не работали. Проверить сигналы после неё.
Изображение

Здесь можно почитать про проверку чипа и восстановление работоспособности поддельных чипов
http://www.diod.club/forum/topic.php?forum=1&topic=28

_________________
Ваше везение — в ваших руках: водите чёрную кошку на поводке.
Молчание не всегда означает согласие.


Вернуться наверх
 
Не в сети
 Заголовок сообщения: Re: Программатор "STK500v2 by Petka"
СообщениеДобавлено: Сб янв 09, 2021 21:26:41 
Родился

Зарегистрирован: Вс окт 20, 2013 12:20:48
Сообщений: 9
Рейтинг сообщения: 0
Altair, спасибо буду что то делать ssd у меня тоже стоит. просто мне не вериться что он не работает. я уже и шнур заменил . запаял на короткий.а фтди у меня оргинальный 100% . еменно буквы RL в конце. Вот только проверил две фтди .одна стоить на usb-com самодельный. прошивку снес . залил по новой проверил фьюзы.хз может пропаять атмегу еще раз.

Добавлено after 1 hour 24 minutes 18 seconds:
Altair, А у вас какие дрова.


Вложения:
Комментарий к файлу: вопрос снят . электроника наука о контактах...и не только. спасибо за помощь.
Screenshot_10.png [110.31 KiB]
Скачиваний: 730
Комментарий к файлу: дрова вот эти!
Screenshot_9.png [3.44 KiB]
Скачиваний: 691
Screenshot_8.png [27.67 KiB]
Скачиваний: 625
Комментарий к файлу: это чип с усв-сом
Screenshot_2чип.png [43.76 KiB]
Скачиваний: 662
Комментарий к файлу: этот с прогера
Screenshot_7.png [32.27 KiB]
Скачиваний: 681
Вернуться наверх
 
Не в сети
 Заголовок сообщения: Re: Программатор "STK500v2 by Petka"
СообщениеДобавлено: Вт янв 12, 2021 07:05:49 
Прорезались зубы
Аватар пользователя

Карма: 1
Рейтинг сообщений: 1
Зарегистрирован: Сб ноя 24, 2007 09:03:29
Сообщений: 232
Откуда: Ульяновск
Рейтинг сообщения: 0
Программатор собрал давно и радовал он меня постоянно пока программировал AVR ки. Но вот прошло время необходимо подкоректировать старый проект. Винда 10 x64. avr студио 4 и 5 не ставятся. Скачал Microchip Studio, ставился целую вечность. Как я понимаю это AVR studio 7. Так вот не распознается программатор. Я чесnно говоря запутался где то он распознается как stk500 где то как avr isp. Что нужно сделать чтобы программатор работал в студии 7?


Вернуться наверх
 
Не в сети
 Заголовок сообщения: Re: Программатор "STK500v2 by Petka"
СообщениеДобавлено: Вт янв 12, 2021 08:49:17 
Друг Кота
Аватар пользователя

Карма: 123
Рейтинг сообщений: 7959
Зарегистрирован: Сб сен 13, 2014 16:27:32
Сообщений: 39199
Откуда: СпиртоГонск созвездия Омега
Рейтинг сообщения: 1
откатитца на 32битную хрюшку забиф на 10 ка на страшный сон...

_________________
ZМудрость(Опыт и выдержка) приходит с годами.
Все Ваши беды и проблемы, от недостатка знаний.
Умный и у дурака научится, а дураку и ..
Алберт Ейнштейн не поможет и ВВП не спасет.и МЧС опаздает


Вернуться наверх
 
Не в сети
 Заголовок сообщения: Re: Программатор "STK500v2 by Petka"
СообщениеДобавлено: Вт янв 12, 2021 14:33:51 
Друг Кота
Аватар пользователя

Карма: 18
Рейтинг сообщений: 1121
Зарегистрирован: Пт ноя 27, 2009 18:12:27
Сообщений: 4625
Откуда: Черкассы, UA
Рейтинг сообщения: 0
ПВинда 10 x64. avr студио 4 и 5 не ставятся.

Да ладно, а это тогда что?
Изображение

_________________
Изображение

В мире нет вредных веществ, в мире есть вредные количества © Д.И.Менделеев
Когда на форуме переходят на "Вы", в реальной жизни уже давно бьют морду © автор неизвестен.


Вернуться наверх
 
Не в сети
 Заголовок сообщения: Re: Программатор "STK500v2 by Petka"
СообщениеДобавлено: Вт фев 16, 2021 20:56:09 
Открыл глаза

Карма: 12
Рейтинг сообщений: 26
Зарегистрирован: Вс дек 04, 2016 20:15:55
Сообщений: 54
Рейтинг сообщения: 0
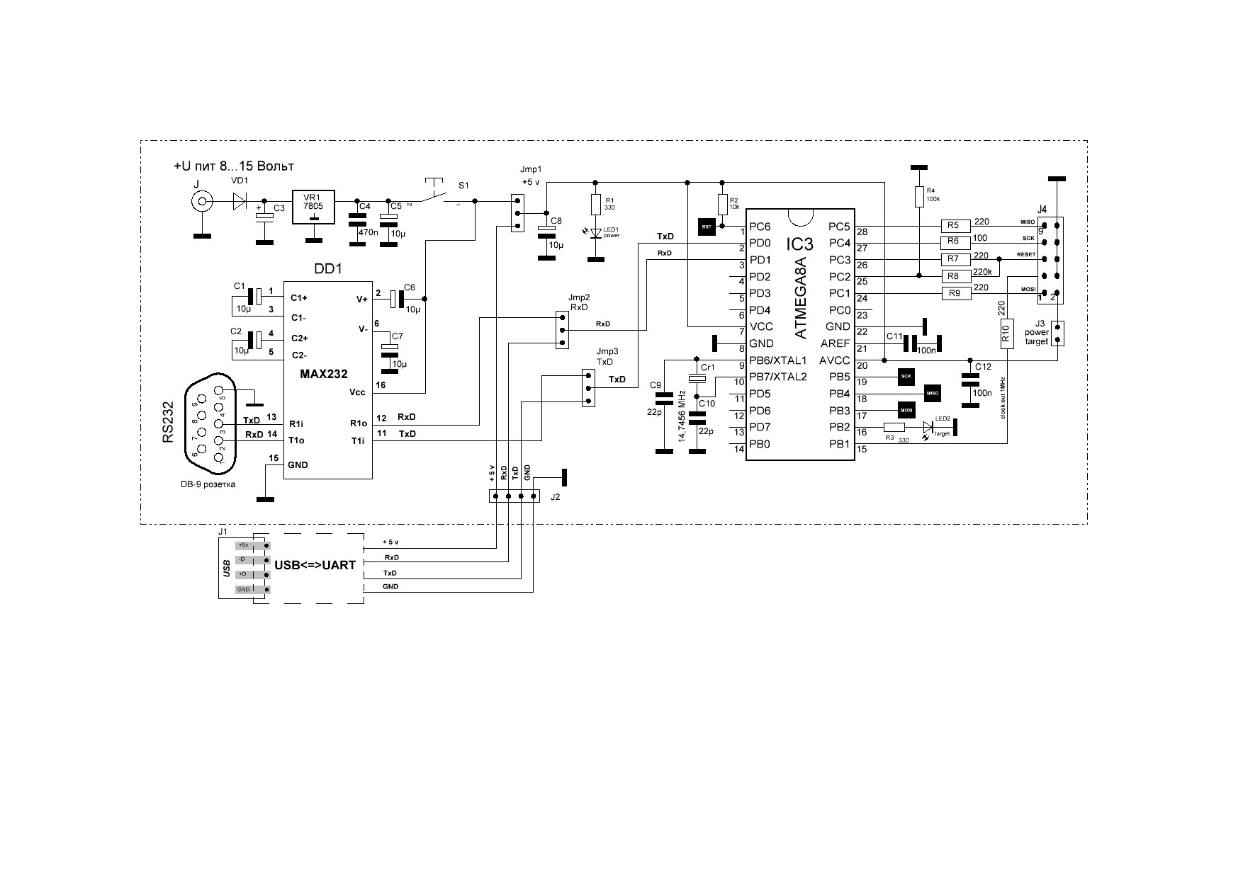
Решил обновить свой старый программатор AVR910, надежный как танк, но очень медленный. Новый программатор должен работать с CodeVision, привычка к данной программе из-за установки Fuse Bit. Пришел к выводу сделать STK500, но в DIP корпусе - легче прошивку поменять. Купил на радиорынке модуль на CP2102, сделал платку, прошил, подключил-все заработало на высокой скорости. Прошивку брал от Леонида Ивановича со страницы 58. В свойствах на вкладке управления электропитанием снять галочку с разрешения отключения порта. Проверял работу на WIN 7-64bit. Работает нормально. Но в основном для прошивки пользуюсь XP. Драйвера брал с сайта производителя CP2102. Генератор не выводил - на платках переходниках всегда ставлю дешевый кварц 1,0 mНz (ZТВ) через разъем 3 пина.
В архиве плата и рисунки с WinXP. Fuse - High: C9, Low: FF


Вложения:
STK 500v2 DIP.zip [395.05 KiB]
Скачиваний: 721
STK500dip.jpg [102.33 KiB]
Скачиваний: 869
Вернуться наверх
 
Не в сети
 Заголовок сообщения: Re: Программатор "STK500v2 by Petka"
СообщениеДобавлено: Сб фев 20, 2021 19:53:46 
Открыл глаза

Карма: 12
Рейтинг сообщений: 26
Зарегистрирован: Вс дек 04, 2016 20:15:55
Сообщений: 54
Рейтинг сообщения: 2
Развел плату на SMD элементах размера 0805 и модуля CP2102 5 pin. Проверил в железе - заработало нормально. Правда сначала перепутал сигналы RX и TX. После плату исправил. При помощи утилиты CP210xSetIDs.exe из архива CP210x_LegacyUtilities поменял serial number c 0001 на 0002 на модуле CP2102. Информацию по изменению serial number взял из статьи "STK500v2 Мой вариант данного программатора". Прошивка от Леонида Ивановича. CodeVision опознает программатор как STK500. Думаю любая платка конвертора USB в TTL UART будет работать. Выбор модуля был обусловлен наличием выхода стабилизатора 3.3в. Это позволит программировать с напряжением 3.3в


Вложения:
STK500_CP2102 зеркалить! испр..lay6 [96.18 KiB]
Скачиваний: 669
Вернуться наверх
 
Не в сети
 Заголовок сообщения: Re: Программатор "STK500v2 by Petka"
СообщениеДобавлено: Вс фев 28, 2021 20:30:20 
Грызет канифоль
Аватар пользователя

Карма: 1
Рейтинг сообщений: 15
Зарегистрирован: Ср ноя 03, 2010 20:29:24
Сообщений: 252
Рейтинг сообщения: 0
После замены материнской платы пришлось установить Windows 10, мой программатор, AVR910, отказался работать, напрочь. Оказался перед выбором, либо искать старую б/у материнку, либо обновить программатор. Недолго поразмыслив решил обновить программатор, тем более AVR910 медленный. В качестве преобразователя заказал готовый модуль PL2303TA исполнение в виде USB флешки, а пока модуль в дороге, решил испытать программатор, подключив его к COM порту, благо на материнке он есть, правда опционально но несуть. К COM-порту подключил микросхему ILX232, а выходы которой RxD, TxD к контроллеру программатора соответственно. Все заработало, заработало шикарно, на большой скорости, ATmega8 программируется и проверяеется секунд за 5. Единственное , что нужно эту конструкцию обеспечить питанием +5 Вольт, от СОМ-порта запитать не получится, но и здесь возможны варианты, я запитал от отдельного блока питания. После всех этих "изысканий" развел плату, на ней предусмотрел также и подключение модуля UART (зря что ли заказывал), переключение джамперами. Прошивка от Леонида Ивановича стр. 58, Fuse - High: C9, Low: FF.
Когда приедет заказанный модуль, надеюсь у меня будет программатор, работающий практически на любом компьютере, на любой Винде, даже от USB , через переходник USB to COM, на высокой скорости.


Вложения:
by Petka.JPG [177.34 KiB]
Скачиваний: 742
ФУЗЫ STK_500.jpg [106.73 KiB]
Скачиваний: 658
AvrUsb500 by Petka.lay6 [314.71 KiB]
Скачиваний: 640
Вернуться наверх
 
Не в сети
 Заголовок сообщения: Re: Программатор "STK500v2 by Petka"
СообщениеДобавлено: Пн мар 15, 2021 20:02:06 
Открыл глаза

Карма: 12
Рейтинг сообщений: 26
Зарегистрирован: Вс дек 04, 2016 20:15:55
Сообщений: 54
Рейтинг сообщения: 0
Для программирования микросхемы памяти 24C32 покупал программатор для EEPROM 93CXX / 25CXX/24CXX на CH341A. У этого программатора есть все нужные контакты - Rx, Tx и питание. Подключил вместо модуля CP2102. Все работает прекрасно на коротких перемычках. Внес небольшое изменение в печатную плату на SMD - поставил обычные светодиоды 3 мм, чтобы их было видно. Теперь они перемаргиваются со светодиодами модуля CP2102.


Вложения:
STK500_CP2102 зеркалить! испр..lay6 [96.28 KiB]
Скачиваний: 429
Программатор CH341A.jpg [96.04 KiB]
Скачиваний: 456
Вернуться наверх
 
Не в сети
 Заголовок сообщения: Re: Программатор "STK500v2 by Petka"
СообщениеДобавлено: Вт мар 23, 2021 22:19:06 
Грызет канифоль
Аватар пользователя

Карма: 1
Рейтинг сообщений: 15
Зарегистрирован: Ср ноя 03, 2010 20:29:24
Сообщений: 252
Рейтинг сообщения: 0
Пришел модуль PL2303TA, подключил к своему программатору, все отлично работает. Модуль PL2303TA и ILX232 дейсвительно обеспечивают полную независимость от компьютера и операционной системы, установлен на компе драйвер для модуля PL2303TA или нет, есть на материнке СОМ-порт или нет его, главное программа прошивальщик должна уметь работать с STK-500. Программатор отлично работает и от СОМ-порта и от USB, подключал даже к НЕТбуку, работающему под Win2000 через переходник USB to COM, программатор был запитан от соседнего USB-порта, все работет отлично. Все коммутации выполяются джамперами.
Вложение:
STK_500.jpg [84.04 KiB]
Скачиваний: 413


Вернуться наверх
 
Не в сети
 Заголовок сообщения: Re: Программатор "STK500v2 by Petka"
СообщениеДобавлено: Пт апр 02, 2021 17:33:15 
Открыл глаза

Карма: 12
Рейтинг сообщений: 26
Зарегистрирован: Вс дек 04, 2016 20:15:55
Сообщений: 54
Рейтинг сообщения: 0
Обратите внимание, что на платах smd "STK500_CP2102 зеркалить!" не верно подписаны контакты для программирования микросхемы ATMega 8. Перепутаны MISO и MOSI. Я программировал микросхему до пайки и не заметил косяк в надписях.


Вложения:
STK 800.jpg [116.12 KiB]
Скачиваний: 367
Вернуться наверх
 
Не в сети
 Заголовок сообщения: Re: Программатор "STK500v2 by Petka"
СообщениеДобавлено: Сб апр 10, 2021 10:53:48 
Открыл глаза

Зарегистрирован: Чт май 24, 2007 19:00:50
Сообщений: 63
Откуда: РОССИЯ г.Волгоград
Рейтинг сообщения: 0
Доброго Всем дня!!! Вопрос к ALEX 288. Собрал программатор на Вашей ПП с страницы 71(СМД). Поправки из последнего
поста внёс.Прошивку взял с 58 страницы,на частоту 14,7456, от Леонид Ивановича. Драйвер установил. Комп с WIN7
программатор видит, да и CodeVisionAVR Evaluation V2.05.0 его тоже видит.
Решил проверить,как работает, подключил прошитую мегу8 и хотел прочитать, что на ней записано.Но CodeVision
на все попытки считывания выдаёт "STK500 error entering programming mode"
(Ошибка STK500 при входе в режим программирования).И при чтении программатор, как ёлка новогодняя, мигает
светиками! Может подскажите куда копать? Зарание благодарю за любю помощ.


Вернуться наверх
 
Не в сети
 Заголовок сообщения: Re: Программатор "STK500v2 by Petka"
СообщениеДобавлено: Сб апр 10, 2021 11:14:38 
Сверлит текстолит когтями
Аватар пользователя

Карма: 18
Рейтинг сообщений: 161
Зарегистрирован: Вс мар 01, 2009 17:49:41
Сообщений: 1274
Откуда: Россия
Рейтинг сообщения: 0
Если фьюзы на контроллере прошиты для работы с кварцем, а кварц не подцеплен, то программатор не видит контроллер.

_________________
Ваше везение — в ваших руках: водите чёрную кошку на поводке.
Молчание не всегда означает согласие.


Вернуться наверх
 
Не в сети
 Заголовок сообщения: Re: Программатор "STK500v2 by Petka"
СообщениеДобавлено: Сб апр 10, 2021 13:49:42 
Открыл глаза

Зарегистрирован: Чт май 24, 2007 19:00:50
Сообщений: 63
Откуда: РОССИЯ г.Волгоград
Рейтинг сообщения: 0
Altair, спасибо за совет, но не помогло. Я взял адаптер от 5-ти проводков, а на них всё установлено. Я ими до настоящего времени все AVR программировал.


Вернуться наверх
 
Не в сети
 Заголовок сообщения: Re: Программатор "STK500v2 by Petka"
СообщениеДобавлено: Сб апр 10, 2021 15:17:17 
Грызет канифоль
Аватар пользователя

Карма: 1
Рейтинг сообщений: 15
Зарегистрирован: Ср ноя 03, 2010 20:29:24
Сообщений: 252
Рейтинг сообщения: 0
juraP, какая скорость установлена в CodeVision, на рисунке выделена зеленым, попробуйте установить минимальную.


Вложения:
прог.jpg [118.71 KiB]
Скачиваний: 332
Вернуться наверх
 
Показать сообщения за:  Сортировать по:  Вернуться наверх
Начать новую тему Ответить на тему  [ Сообщений: 1445 ]     ... , , , 71, ,  

Часовой пояс: UTC + 3 часа


Кто сейчас на форуме

Сейчас этот форум просматривают: нет зарегистрированных пользователей и гости: 35


Вы не можете начинать темы
Вы не можете отвечать на сообщения
Вы не можете редактировать свои сообщения
Вы не можете удалять свои сообщения
Вы не можете добавлять вложения

Найти:
Перейти:  


Powered by phpBB © 2000, 2002, 2005, 2007 phpBB Group
Русская поддержка phpBB
Extended by Karma MOD © 2007—2012 m157y
Extended by Topic Tags MOD © 2012 m157y