Например TDA7294

Форум РадиоКот • Просмотр темы - Часы на газоразрядных индикаторах
Форум РадиоКот
Здесь можно немножко помяукать :)

Текущее время: Вс ноя 02, 2025 13:35:37

Часовой пояс: UTC + 3 часа


ПРЯМО СЕЙЧАС:



Начать новую тему Ответить на тему  [ Сообщений: 48919 ]     ... , , , 253, , , ...  
Автор Сообщение
Не в сети
 Заголовок сообщения: Re: Часы на газоразрядных индикаторах
СообщениеДобавлено: Ср сен 15, 2010 00:30:32 
Встал на лапы
Аватар пользователя

Зарегистрирован: Вт мар 30, 2010 19:17:22
Сообщений: 149
Откуда: Вильнюс
Рейтинг сообщения: 0
Спасибо Microtech ! При случае проверю.

Появился ужо третий Олимп-004, так уродский ВЛИ от калькулятора в измерителе времени расхода магнитной ленты хочу заменить на что-то никсавое. Думаю про ИН-16, другое не очень подходит.

Хоть и не часы, но измеритель времени, так что не офтоп ! :roll:


Вернуться наверх
 
Не в сети
 Заголовок сообщения: Re: Часы на газоразрядных индикаторах
СообщениеДобавлено: Ср сен 15, 2010 01:27:13 
Друг Кота
Аватар пользователя

Карма: 46
Рейтинг сообщений: 977
Зарегистрирован: Ср май 28, 2008 00:32:54
Сообщений: 7616
Откуда: г. Россия
Рейтинг сообщения: 0
Microtech писал(а):
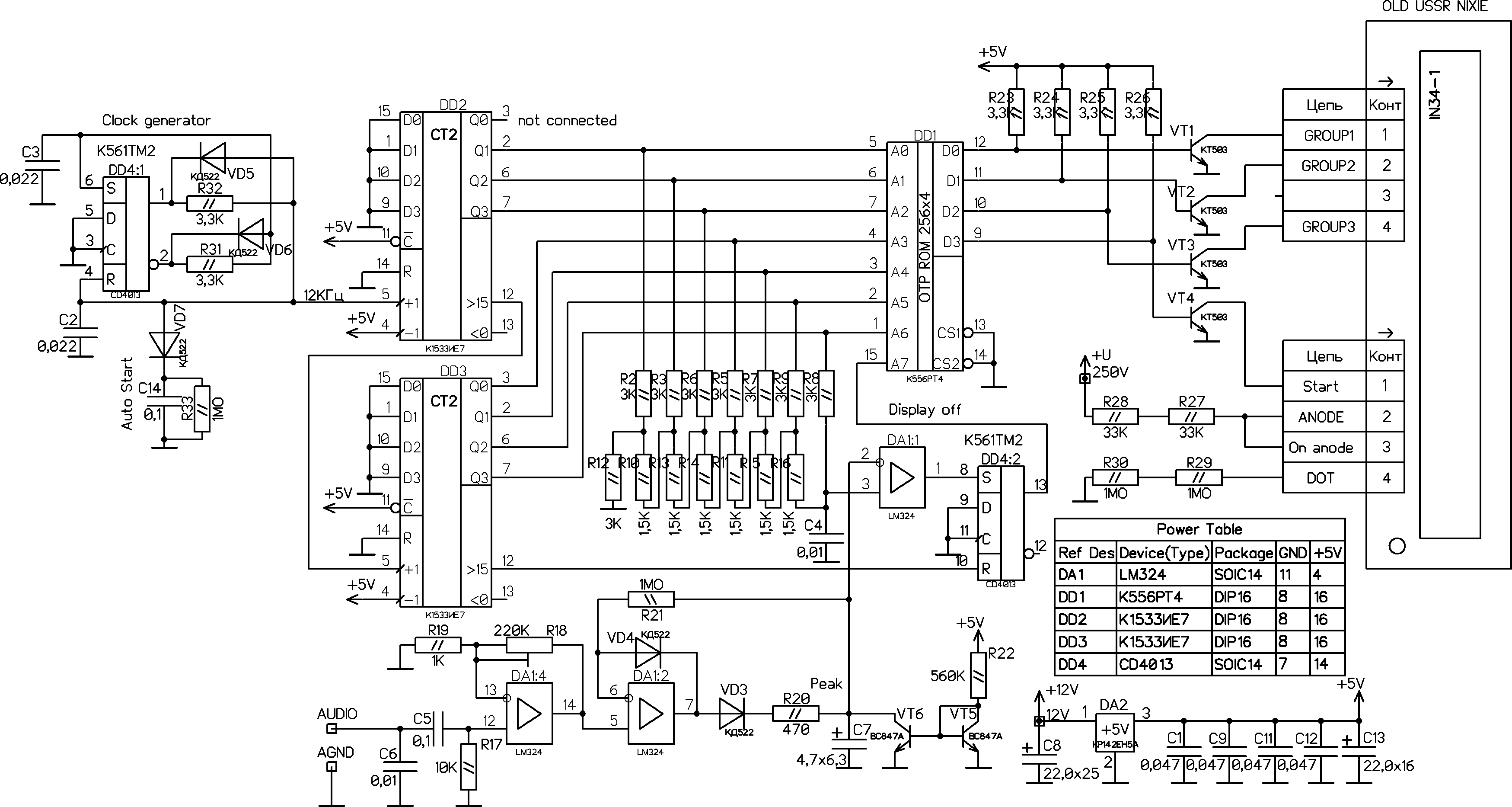
Вот обещанная ранее схема моей шкалы (пикового индикатора) на ИН-34-1
http://radiokot.ru/forum/download/file.php?mode=view&id=42911

:beer: :beer: :beer:

SmarTrunk писал(а):
Microtech
Интересная схема. А то все сейчас на микроконтроллерах стараются сделать. 556PT4 наверняка можно заменить на более распространенные с УФ-стиранием, пусть даже их емкость будет избыточной.

Зато программатор для контроллеров проще. :? :wink:
И ошибка в программе не так фатальна как для одноразовой РТ4.

_________________
Очень нравится неон
:) :)) :))) :)) :)
Мой проектик часиков с термометром на любых 6ти газоразрядных лампах + куча функций
Ещё один - попроще
:) :)) :))) :)) :)
Светодиодный проект
:))) :)) :) :)) :)))

My video on youtube nic SLvik78


Вернуться наверх
 
Не в сети
 Заголовок сообщения: Re: Часы на газоразрядных индикаторах
СообщениеДобавлено: Ср сен 15, 2010 05:04:29 
Поставщик валерьянки для Кота
Аватар пользователя

Карма: 21
Рейтинг сообщений: 266
Зарегистрирован: Вт ноя 03, 2009 21:02:38
Сообщений: 2040
Откуда: Москва
Рейтинг сообщения: 0
SmarTrunk проще на КПК запустить явовский плееер с рисованной неоновой шкалой, а КПК вклеить суперглю в подходящий корпус. Можно еще и "неоновые" часы нарисовать, с синхронизацией по GPS и интернет - времени. Не то совсем, не вспоминая иногда то, с чего все начиналось мозг ржавеет. 8).
На МК это всего одна AtTiny13 и 4 транзистора. Вовсе не интересно.


Вернуться наверх
 
Не в сети
 Заголовок сообщения: Re: Часы на газоразрядных индикаторах
СообщениеДобавлено: Ср сен 15, 2010 07:12:21 
Сверлит текстолит когтями
Аватар пользователя

Карма: 5
Рейтинг сообщений: 10
Зарегистрирован: Сб апр 03, 2010 08:57:35
Сообщений: 1138
Рейтинг сообщения: 0
Ну тогда наверное нужно всё собрать на одних транзисторах, или лучше - на лампах. А можно спаять две стеклянные ёмкости тоненькой трубочкой и насыпать туда кварцевого песка, вспомнить, так сказать основы.

_________________
Изображение
Ты думаешь ты думал как ты думаешь? (с)


Вернуться наверх
 
Эиком - электронные компоненты и радиодетали
Не в сети
 Заголовок сообщения: Re: Часы на газоразрядных индикаторах
СообщениеДобавлено: Ср сен 15, 2010 07:32:13 
Друг Кота
Аватар пользователя

Карма: 38
Рейтинг сообщений: 549
Зарегистрирован: Пн июл 14, 2008 21:28:00
Сообщений: 10686
Откуда: Москва
Рейтинг сообщения: 0
спасибо за хорошее разъяснение!сейчас все распечатаю и буду курить)))
\а можешь выложить таблицу истинности для данных в пзу? (так будет проще ее чемто заменить)

_________________
Ищу тиратрон ТХИ1-2000/4, ГРИ ИН-23, ФЭУ-103; 134; 135, 138, 155, 157, лампу ИСШ-7.
Любые ГИС серий 203, 225, 233, 244, 250, 296, 801, 838 в любом состоянии. Компоненты и детали от миниатюрных твердотельных лазеров.


Вернуться наверх
 
Не в сети
 Заголовок сообщения: Re: Часы на газоразрядных индикаторах
СообщениеДобавлено: Ср сен 15, 2010 08:09:30 
Поставщик валерьянки для Кота
Аватар пользователя

Карма: 21
Рейтинг сообщений: 266
Зарегистрирован: Вт ноя 03, 2009 21:02:38
Сообщений: 2040
Откуда: Москва
Рейтинг сообщения: 0
suslogon
здесь:


Вложения:
K556RT4.zip [29.14 KiB]
Скачиваний: 373
Вернуться наверх
 
Не в сети
 Заголовок сообщения: Re: Часы на газоразрядных индикаторах
СообщениеДобавлено: Ср сен 15, 2010 11:20:23 
Друг Кота
Аватар пользователя

Карма: 50
Рейтинг сообщений: 1398
Зарегистрирован: Пт авг 28, 2009 21:34:30
Сообщений: 7315
Откуда: 845-й км.
Рейтинг сообщения: 0
Медали: 1
Получил миской по аватаре (1)
Microtech, приятно смотреть на Вашу схему. Конечно использование "грелок" ИЕ7 и РТ4 душу нынче не греет, но действительно, обычно ставишь то, что есть. Жаль, через меня никогда такие лампочки не проходили.
SmarTrunk, насчет замены РТ4 РФ-кой или даже флешем - черезчур избыточно и много места на плате займёт. Я бы скорее мечтал какую GAL16v8 туда примостить - компактная микросхемка и жрёт поменьше.

_________________
А люди посмотрят и скажут: "Собаки летят. Вот и осень."


Вернуться наверх
 
Не в сети
 Заголовок сообщения: Re: Часы на газоразрядных индикаторах
СообщениеДобавлено: Ср сен 15, 2010 13:02:11 
Встал на лапы
Аватар пользователя

Зарегистрирован: Вт мар 30, 2010 19:17:22
Сообщений: 149
Откуда: Вильнюс
Рейтинг сообщения: 0
Можно всю логику сделать на дешевом ПЛМ. Но опять же кто возьмется спроектировать ...


Вернуться наверх
 
Не в сети
 Заголовок сообщения: Re: Часы на газоразрядных индикаторах
СообщениеДобавлено: Ср сен 15, 2010 14:15:45 
Друг Кота
Аватар пользователя

Карма: 38
Рейтинг сообщений: 549
Зарегистрирован: Пн июл 14, 2008 21:28:00
Сообщений: 10686
Откуда: Москва
Рейтинг сообщения: 0
а можно просто заменить на обычную логику)и ничего страшного..
вопрос еще такой: а если убрать пиковый детектор и тд и просто подать на второй вход компаратора постоянно напряжение - получится ли вольтметр?

_________________
Ищу тиратрон ТХИ1-2000/4, ГРИ ИН-23, ФЭУ-103; 134; 135, 138, 155, 157, лампу ИСШ-7.
Любые ГИС серий 203, 225, 233, 244, 250, 296, 801, 838 в любом состоянии. Компоненты и детали от миниатюрных твердотельных лазеров.


Вернуться наверх
 
Не в сети
 Заголовок сообщения: Re: Часы на газоразрядных индикаторах
СообщениеДобавлено: Ср сен 15, 2010 15:07:27 
Друг Кота
Аватар пользователя

Карма: 50
Рейтинг сообщений: 1398
Зарегистрирован: Пт авг 28, 2009 21:34:30
Сообщений: 7315
Откуда: 845-й км.
Рейтинг сообщения: 0
Медали: 1
Получил миской по аватаре (1)
Vygandas писал(а):
Можно всю логику сделать на дешевом ПЛМ. Но опять же кто возьмется спроектировать ...
Да в раз плюнуть... Тот, кто хоть раз что-то сделал - такое сделает без проблем.

_________________
А люди посмотрят и скажут: "Собаки летят. Вот и осень."


Вернуться наверх
 
Не в сети
 Заголовок сообщения: Re: Часы на газоразрядных индикаторах
СообщениеДобавлено: Ср сен 15, 2010 15:39:27 
Встал на лапы
Аватар пользователя

Зарегистрирован: Вт мар 30, 2010 19:17:22
Сообщений: 149
Откуда: Вильнюс
Рейтинг сообщения: 0
А вот и проблема кто спроектирует. Кто умеет, тому наплевать на наши интересы.

Мне проще собрать на простой логике, чем объяснения челу что надо и стояния над душой.

Если буду собирать часы на никсях опять, то тоже по старинке, как в молодости на 155 серии, даже платку рейсфедером нарисую и кварц в стекле применю. И сделаю чтоб кишки все видно было 8)


Вернуться наверх
 
Не в сети
 Заголовок сообщения: Re: Часы на газоразрядных индикаторах
СообщениеДобавлено: Ср сен 15, 2010 17:09:10 
Друг Кота
Аватар пользователя

Карма: 50
Рейтинг сообщений: 1398
Зарегистрирован: Пт авг 28, 2009 21:34:30
Сообщений: 7315
Откуда: 845-й км.
Рейтинг сообщения: 0
Медали: 1
Получил миской по аватаре (1)
В суть наезда не вьехал. Мы разговариваем про тот индикатор уровня или уже про часы? Часы на CPLD уже спроектировны. Добро пожаловать на мою домашнюю страничку.

_________________
А люди посмотрят и скажут: "Собаки летят. Вот и осень."


Вернуться наверх
 
Не в сети
 Заголовок сообщения: Re: Часы на газоразрядных индикаторах
СообщениеДобавлено: Ср сен 15, 2010 18:34:17 
Встал на лапы
Аватар пользователя

Зарегистрирован: Вт мар 30, 2010 19:17:22
Сообщений: 149
Откуда: Вильнюс
Рейтинг сообщения: 0
Мне не было на уме ни малейшего намерения "наежать" :o

Если Вы, uldemir, сумеете спроектировать CPLD для индикатора уровня, то форумчяни будут Вам благодарны. И мне это пригодилось бы, если сумел бы достать сами индикаторы.
А так просить людей, для которых это повседневная работа большая проблема. У меня есть не один такой знакомый, им теперь это совершенно не интересно из за чего напрегатся.

А в конце сообщения были мой размышления насчет часов в классическом стиле, как я бы делал. :music:


Вернуться наверх
 
Не в сети
 Заголовок сообщения: Re: Часы на газоразрядных индикаторах
СообщениеДобавлено: Ср сен 15, 2010 21:08:01 
Друг Кота
Аватар пользователя

Карма: 50
Рейтинг сообщений: 1398
Зарегистрирован: Пт авг 28, 2009 21:34:30
Сообщений: 7315
Откуда: 845-й км.
Рейтинг сообщения: 0
Медали: 1
Получил миской по аватаре (1)
Чтобы не быть голословным действительно сделал проектик. Даже скомпилировался.
Код:
                                  Fitter Report
Design Name: in34                                Date:  9-15-2010,  8:49PM
Device Used: XC9536-15-PC44
Fitting Status: Successful

*************************  Mapped Resource Summary  **************************

Macrocells     Product Terms    Function Block   Registers      Pins           
Used/Tot       Used/Tot         Inps Used/Tot    Used/Tot       Used/Tot       
14 /36  ( 39%) 20  /180  ( 11%) 18 /72  ( 25%)   10 /36  ( 28%) 13 /34  ( 38%)

Правда под симулятором не пропускал. Потому исходный код пока не покажу. Но вроде ничего сложного. Три фазы делал сдвиговыми регистрами, а не таблицей. Ограничил число счета 102 (я правильно понял, что у индикатора 102 сегмента?), потому как думаю гнать впустую 26 тактов толка нет. И как видите, использована только половина ресурсов младшего кристалла XC9500-ой серии. Ну, кто решится воплотить это в железе? Я - пас. У меня такой лампочки нет.

_________________
А люди посмотрят и скажут: "Собаки летят. Вот и осень."


Вернуться наверх
 
Не в сети
 Заголовок сообщения: Re: Часы на газоразрядных индикаторах
СообщениеДобавлено: Ср сен 15, 2010 21:13:36 
Встал на лапы

Карма: 2
Рейтинг сообщений: 5
Зарегистрирован: Вс май 10, 2009 22:39:32
Сообщений: 80
Откуда: Мурманск
Рейтинг сообщения: 0
Ага, ИН-34 внезапно все пропали :(


Вернуться наверх
 
Не в сети
 Заголовок сообщения: Re: Часы на газоразрядных индикаторах
СообщениеДобавлено: Ср сен 15, 2010 21:20:35 
Друг Кота
Аватар пользователя

Карма: 38
Рейтинг сообщений: 549
Зарегистрирован: Пн июл 14, 2008 21:28:00
Сообщений: 10686
Откуда: Москва
Рейтинг сообщения: 0
а у меня есть лампа,но нет плис и программатора))))

_________________
Ищу тиратрон ТХИ1-2000/4, ГРИ ИН-23, ФЭУ-103; 134; 135, 138, 155, 157, лампу ИСШ-7.
Любые ГИС серий 203, 225, 233, 244, 250, 296, 801, 838 в любом состоянии. Компоненты и детали от миниатюрных твердотельных лазеров.


Вернуться наверх
 
Не в сети
 Заголовок сообщения: Re: Часы на газоразрядных индикаторах
СообщениеДобавлено: Ср сен 15, 2010 21:28:01 
Друг Кота
Аватар пользователя

Карма: 46
Рейтинг сообщений: 977
Зарегистрирован: Ср май 28, 2008 00:32:54
Сообщений: 7616
Откуда: г. Россия
Рейтинг сообщения: 0
Ничего проявятся ещё.
Кроме них есть ещё ИН-33 и ИН-36.
:)

_________________
Очень нравится неон
:) :)) :))) :)) :)
Мой проектик часиков с термометром на любых 6ти газоразрядных лампах + куча функций
Ещё один - попроще
:) :)) :))) :)) :)
Светодиодный проект
:))) :)) :) :)) :)))

My video on youtube nic SLvik78


Вернуться наверх
 
Не в сети
 Заголовок сообщения: Re: Часы на газоразрядных индикаторах
СообщениеДобавлено: Ср сен 15, 2010 21:35:35 
Вымогатель припоя

Зарегистрирован: Пт май 15, 2009 14:32:29
Сообщений: 552
Откуда: Москва
Рейтинг сообщения: 0
А, если не секрет, где они (ИН-34-1) были-то?
Да, отвечаю на давний вопрос о Babcock, точнее об их ответе.

Ответ пришел сразу же, в течение одной минуты. Почтовый демон не смог доставить письмо, адрес sales@ не работает. Что намекает нам, что это шарашкина контора, либо в клиентах они не заинтересованы.
Я ещё попробую достучаться, но надежда невелика.


Вернуться наверх
 
Не в сети
 Заголовок сообщения: Re: Часы на газоразрядных индикаторах
СообщениеДобавлено: Ср сен 15, 2010 21:44:26 
Встал на лапы

Карма: 2
Рейтинг сообщений: 5
Зарегистрирован: Вс май 10, 2009 22:39:32
Сообщений: 80
Откуда: Мурманск
Рейтинг сообщения: 0
еще год назад достаточно часто встречались у барыг, но тогда было не надо :)


Вернуться наверх
 
Не в сети
 Заголовок сообщения: Re: Часы на газоразрядных индикаторах
СообщениеДобавлено: Ср сен 15, 2010 22:00:48 
Друг Кота
Аватар пользователя

Карма: 50
Рейтинг сообщений: 1398
Зарегистрирован: Пт авг 28, 2009 21:34:30
Сообщений: 7315
Откуда: 845-й км.
Рейтинг сообщения: 0
Медали: 1
Получил миской по аватаре (1)
проверено. мин нет. исходник во вложении.
suslogon писал(а):
а у меня есть лампа,но нет плис и программатора))))
Так выпьем же за то, чтобы наши желания всегда совпадали с нашими возможностями! Не поверю, что в москве нельза достать xc9536, а программатор состоит из двух 74hc125. Самая дефицитная деталь программатора - комп с настоящим LPT портом. Любители альтеры, могут попробовать запихнуть в какй-нибудь EPMxxxx

p.s. Архив заменен. исправлен один недочет и добавлен второй канал.

_________________
А люди посмотрят и скажут: "Собаки летят. Вот и осень."


Последний раз редактировалось uldemir Чт сен 16, 2010 19:18:08, всего редактировалось 1 раз.

Вернуться наверх
 
Показать сообщения за:  Сортировать по:  Вернуться наверх
Начать новую тему Ответить на тему  [ Сообщений: 48919 ]     ... , , , 253, , , ...  

Часовой пояс: UTC + 3 часа


Кто сейчас на форуме

Сейчас этот форум просматривают: Thinnnfor и гости: 49


Вы не можете начинать темы
Вы не можете отвечать на сообщения
Вы не можете редактировать свои сообщения
Вы не можете удалять свои сообщения
Вы не можете добавлять вложения

Найти:
Перейти:  


Powered by phpBB © 2000, 2002, 2005, 2007 phpBB Group
Русская поддержка phpBB
Extended by Karma MOD © 2007—2012 m157y
Extended by Topic Tags MOD © 2012 m157y