poliak-man писал(а):Нужен до 30МГц. Можно с наборными контурами. Мне он нужен для сборки и настройки фильтров для всего КВ диапазона.
Все молчат, тогда я попробую.
Схему, что Вы выложили по сути является «показометром», но я подобной приставкой к осциллографу пользуюсь постоянно, т.к. она сильно облегчает настройку приемников.
Пользуюсь подобными приставками от сотен килогерц, до сотен мегагерц.
Только я делаю просто генератор на нужную частоту и без всякого смесителя. Схему со смесителем использую только когда нужно получить частоты порядка 100 кгц, например для настройки УКВ приемника с низкой ПЧ.
Вот наподобие этого.
http://radiokot.ru/forum/viewtopic.php? ... 2#p2318102
Спойлер

Вот здесь можно посмотреть, как я подобную приставку использовал для настройки КВ приемника на частоту 3 МГц
http://radiokot.ru/forum/viewtopic.php? ... 6#p1858966
Вот смотрю АЧХ входного фильтра.
А это АЧХ усилителя ПЧ
Это та же картинка, но снятая через диодную головку.
Схему беру элементарную. Подробнее можно здесь посмотреть в ДОСовском файле.
http://radiokot.ru/forum/download/file.php?id=211473
Или здесь.
http://radiokot.ru/forum/viewtopic.php? ... 4#p2318974
Это цитата из досовского файла.
Спойлер
ГКЧ. Генератор качающейся частоты.
Лучше сделать ГКЧ в виде приставки к осциллографу. Это здорово облегчит настройку приемника. Схема ГКЧ зависит от того, какой осциллограф в наличии. Если у осциллографа есть выход «пилы» то её можно использовать для нашего ГКЧ. В моем осциллографе этого нет, но есть вход «Х» поэтому генератор пилы у меня в самой приставке и эта пила используется и для развертки, подавая её на вход «Х» и для качания частоты.
В принципе вход «Х» можно не использовать, а на вход внешней синхронизации осциллографа подавать импульс который формирует пилу в приставке. Т.о. выбранная мной схема является универсальной и может работать с любыми осциллографами.

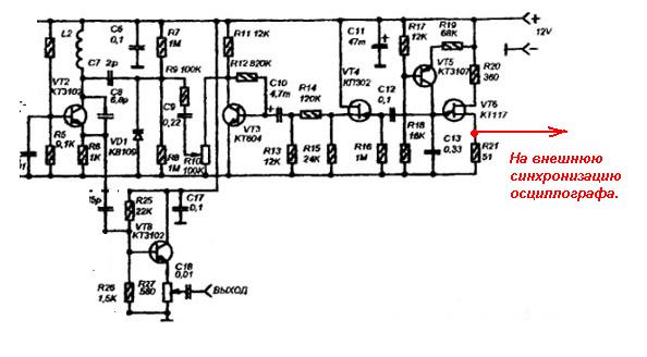
Основа ГКЧ, это два стабилизатора. Один на 11-12 вольт, другой на 5-6 вольт. Схемы стабилизаторов можно взять любые, в том числе и в интегральном исполнении. Я для универсальности сделал их на транзисторах. Они в самом верху схемы.
Чуть ниже второй узел, это генератор пилы. Схема стандартная. Конденсатор заряжается через стабилизатор тока на транзисторе VT7 и разряжается коротким импульсом создаваемым генератором на логической микросхеме. Как раз этот импульс и можно взять для внешней синхронизации осциллографа, если в нем нет входа «Х». Микросхема любая КМОП способная работать при 12 вольтах. У меня стоит К561ЛЕ10. Частота работы генератора пилы не критична и может быть в пределах 150 – 300 гц
Третий узел, это сам генератор на нужную частоту перестраиваемый варикапом путем подачи на него пилы. Величина качания может меняться переменным резистором R14. Частота генератора в данном случае может быть любая. Если делаете приемник например на частоту 144 мгц, то генератор делаете соответственно. У меня в другом ГКЧ стоит схема генератора по схеме несимметричного мультивибратора на транзисторах работающих в барьерном режиме и в нем можно просто припаивать разные катушки и он генерирует на частотах от единиц мегагерц до порядка 150 мгц, что позволяет настраивать приемники начиная от КВ диапазона и заканчивая диапазоном 150 мгц.

Вместо конденсатора С12 в генераторе можно припаять кварц, что будет стоять в передатчике, и получается генератор несущей, что тоже пригодится для настройки приемника точно на частоту передатчика при настройке. При этом на базу транзистора VT5, что стоит в стабилизаторе, можно через конденсатор в несколько микрофарад и переменный резистор подать какой либо НЧ сигнал, например прямоугольники частотой 1 кгц и получится тестовый передатчик с АМ для настройки данного приемника. Я такое не делал. Не возникло необходимости.
Четвертый узел это генератор меток. Его частота равна промежуточной частоте. Так же его впоследствии будем использовать для настройки фильтров ПЧ, точнее определения их параметров, но это потом.
Теперь о настройке. Сначала пила. Для этого на эмиттер VT8 подключаем осциллограф и резистором R11 выставляем так, что бы пила не ограничивалась ни снизу, ни сверху, а амплитуда была максимальная. У меня амплитуда получилась порядка 9 вольт, но у меня и питание 11 вольт.

Линейность особой роли не играет. Все таки у нас не полноценный ГКЧ, а просто «показометр» но в данном случае этого достаточно.
Насчет варикапа. У меня стоит какой то КВ102. Я даже не знаю какая у него буква, но в принципе это не критично. Подойдет любой с емкостью порядка 10 пф при напряжении 4 вольта. В крайнем случае можно просто диоды поставить, например Д310 или несколько соединенных в параллель КД102, КД104 или других обычных выпрямительных диодов вплоть до старинных Д226. Изменится только полоса качания, но здесь она особо большая и не нужна.
Вот для примера я смотрю АЧХ своего АМ приемника. Осциллограф подключен на выходе детектора. Слева просто АЧХ приемника с отключенным генератором меток. Просто там закорочена катушка L2.

Справа генератор меток включил. Выход генератора меток подал на частотомер. Метку вращением сердечника катушки L2 установил на вершине АЧХ и по частотомеру увидел точное значение промежуточной частоты приемника. Если максимум АЧХ не совпадает с нужной нам ПЧ, то её легко перестроить вращая сердечники в контурах УПЧ и совмещая максимум АЧХ в нужной нам промежуточной частотой. Масштабы там на картинках разные, т.к. фото делал в разное время и объединил их сейчас только для наглядности. Смещая метку вправо и влево изменяя частоту генератора меток, можно определить полосу пропускания приемника. Вот я метку сместил.

ГКЧ я делал на макетной плате навесным монтажом, т.к. нужен он только для данной конструкции, а потом все это распаяется и детали уйдут на что либо другое. Никакого экранирования нет, поэтому картинки, что выше, получаются без подключения к приемнику. Просто ГКЧ и приемник стоят рядом и даже приходиться их отодвигать, что бы не было ограничения сигнала.
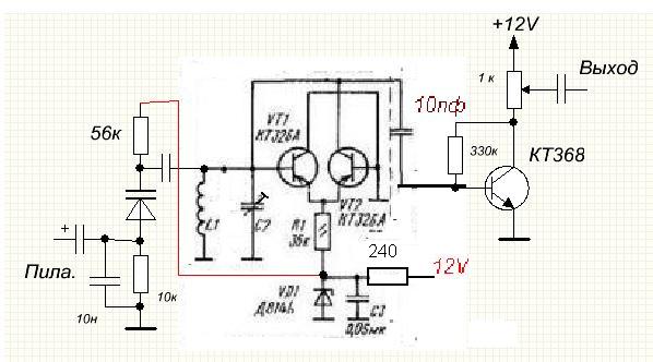
Как уже говорил, сам генератор иногда делаю просто по схеме емкостной трехточки, а чаще по схеме, что делают здесь. Само собой в него ставлю варикап.
http://radiokot.ru/forum/viewtopic.php? ... 6#p1620846
Она удобна тем, что работает от единиц мегагерц до сотни мегагерц просто заменой катушки.
Спойлер

Т.е. беру сам генератор на двух транзисторах, а буферный усилитель делаю просто на биполярном транзисторе со слабой связью с генератором.
http://www.radiocxema.h1n.ru/2018/06/03 ... иллографу/
Частоту качания для настройки контуров беру порядка 100 – 200Гц, а для настройки кварцевых фильтров порядка десятков герц.
Вот я здесь смотрю АЧХ кварцевого фильтра .
http://radiokot.ru/forum/viewtopic.php? ... 3#p1362433
Приставку подключаю к осциллографу С1-73 у которого есть вход «Х»
Если у осциллографа нет входа «Х», то можно просто его синхронизировать с помощью внешней синхронизации взяв сигнал для ней с генератора, что задает частоту пилы.
Если пилу можно снять прямо с осциллографа, то все упрощается.
Насчет генератора меток.
Я им редко пользуюсь, но если требуется, то просто подаю на диодную головку частоту с внешнего генератора меток по любой схеме.
Принцип можно здесь посмотреть. Он стандартный.
http://rfanat.ru/s3/izm-668.html
Вот здесь я смотрю настройку УПЧ, включив при этом генератор меток.
Фотки конечно ужасные и в реале картинка выглядит лучше.
Просто кроме старинного сотика нечем сфотографировать.
В общем писать можно много.