Например TDA7294

Форум РадиоКот • Просмотр темы - УКВ приемник средней сложности.
Форум РадиоКот
Здесь можно немножко помяукать :)

Текущее время: Вс ноя 30, 2025 07:05:19

Часовой пояс: UTC + 3 часа


ПРЯМО СЕЙЧАС:



Начать новую тему Ответить на тему  [ Сообщений: 613 ]    , , , 4, , , ...  
Автор Сообщение
Не в сети
 Заголовок сообщения: Re: Мелкие вопросы по радиотехнике
СообщениеДобавлено: Ср фев 25, 2015 13:26:04 
Друг Кота
Аватар пользователя

Карма: 64
Рейтинг сообщений: 1102
Зарегистрирован: Ср ноя 17, 2010 23:10:55
Сообщений: 5837
Откуда: Ижевск LO66NU
Рейтинг сообщения: 0
Интересненький подход! Какой величины девиацию предполагаете?

_________________
В начале жизнь мучает вопросами, в конце - ответами...


Вернуться наверх
 
Не в сети
 Заголовок сообщения: Re: Мелкие вопросы по радиотехнике
СообщениеДобавлено: Ср фев 25, 2015 14:35:02 
Модератор
Аватар пользователя

Карма: 158
Рейтинг сообщений: 1600
Зарегистрирован: Пт апр 28, 2006 15:26:07
Сообщений: 11940
Откуда: Россия.
Рейтинг сообщения: 0
Медали: 2
Мявтор 3-й степени (1) Лучший человек Форума 2017 (1)
киракосян ашот писал(а):
Т.е. ЧАСТОТНАЯ МОДУЛЯЦИЯ ПРЕОБРАЗУЕТСЯ В АМПЛИТУДНУЮ
Путь тупиковый, но лучше если Вы сами убедитесь в этом попробовав сделать. Амплитуда же на выходе ПЧ не только от частоты зависит, она же зависит еще от уровня сигнала.
А ещё промышленные помехи имеют максимум излучения в диапазоне 50 - 60000 гц и они забьют ваш приемник.

Уже писал, что на выходе подобных приемников можно поставить детектор на диодах, только он работает по принципу счетного детектора, т.е. чем больше частота, тем больше напряжение после детектора. Вот только качество приема у подобного приемника невысокое.


Вернуться наверх
 
Не в сети
 Заголовок сообщения: Re: преобразователь частоты укв диапазона на транзисторах
СообщениеДобавлено: Ср фев 25, 2015 14:54:53 
Нашел транзистор. Понюхал.
Аватар пользователя

Карма: 4
Рейтинг сообщений: 27
Зарегистрирован: Ср июл 23, 2014 16:59:57
Сообщений: 174
Откуда: владикавказ, россия
Рейтинг сообщения: 0
девиация примерно 75кгц. помехи пройти не должны,так как пч находиться на частотах 50-250 КИЛОгерц и ещё кондесатор на входе упч 100нф..А от чего может меняться уровень сигнала? приемник задумывается как стационарный.
если собирать каскады с общим эммитером и стабилизацией режима конденсатор в цепи эмитера при емкости 100нф он будет влиять на усиление и АЧХ?


Вернуться наверх
 
Не в сети
 Заголовок сообщения: Re: преобразователь частоты укв диапазона на транзисторах
СообщениеДобавлено: Ср фев 25, 2015 15:53:56 
Модератор
Аватар пользователя

Карма: 158
Рейтинг сообщений: 1600
Зарегистрирован: Пт апр 28, 2006 15:26:07
Сообщений: 11940
Откуда: Россия.
Рейтинг сообщения: 0
Медали: 2
Мявтор 3-й степени (1) Лучший человек Форума 2017 (1)
киракосян ашот писал(а):
и ещё кондесатор на входе упч 100нф..
Нет абсолютной истины.
Критерием истины является практика.
Пробуйте спаять и нам расскажете о результатах.


Вернуться наверх
 
Эиком - электронные компоненты и радиодетали
Не в сети
 Заголовок сообщения: Re: УКВ-ЧМ тюнер на К174ХА34 (TDA7021)
СообщениеДобавлено: Ср мар 25, 2015 22:53:02 
Собутыльник Кота
Аватар пользователя

Карма: 47
Рейтинг сообщений: 911
Зарегистрирован: Ср дек 04, 2013 14:37:35
Сообщений: 2879
Откуда: Санкт Петербург
Рейтинг сообщения: 0
aen писал(а):
svic писал(а):
Сейчас, конечно, ориентироваться надо на современную базу
Да неинтересно на современной базе. Нет в ней ничего для души. :cry:
Я вот от нечего делать и просто ради интереса сейчас сижу и такой паяю, только на современных транзисторах и питанием от кроны. :)
Промежуточная частота где то порядка 120 КГц


СпойлерИзображение




Уважаемый AEN,

подскажите, пожалуйста, источник, откуда Вы взяли схему РП с фильтрами на Т-мостах. Интересно познакомиться с этим решением подробнее.
Заранее благодарю.



Что бы не повторяться, сюда перенес.
aen


Вернуться наверх
 
Не в сети
 Заголовок сообщения: Re: УКВ-ЧМ тюнер на К174ХА34 (TDA7021)
СообщениеДобавлено: Чт мар 26, 2015 00:09:00 
Модератор
Аватар пользователя

Карма: 158
Рейтинг сообщений: 1600
Зарегистрирован: Пт апр 28, 2006 15:26:07
Сообщений: 11940
Откуда: Россия.
Рейтинг сообщения: 0
Медали: 2
Мявтор 3-й степени (1) Лучший человек Форума 2017 (1)
ВикторС писал(а):
подскажите, пожалуйста, источник
Данный приемник описан в. ж. Радио 12-1974 год
Стр. 34
http://publ.lib.ru/ARCHIVES/R/''Radio'' ... f01%5d.zip
Я делал приемники именно по данной схеме, только применял более современные транзисторы, если конечно КТ315 и КТ361 можно назвать современными. :)
Делал также подобные, но фильтры делал намного проще.
Местные станции принимает довольно уверенно.
Избирательность обеспечивается простым ФНЧ на одном транзисторе.
Вот такой кстати у меня работает в качестве радионаушника при питании 4,5 вольта. Только гетеродин на кварце 20 МГц возбуждаемый на третьей гармонике. Не буду же я по ночам в темноте настройку подкручивать. :) Такие кварцы ставили в старых сетевых карточках(в более новых стоят кварцы на 25 МГц и на них тоже можно), а вместо триггера Шмидта стоит просто транзисторный ключ.
СпойлерИзображение

И такой, где в УПЧ один каскад и триггер Шмидта сделан на цифровой микросхеме, а смеситель на К174ПС1.
СпойлерИзображение

Качество звучания довольно приличное.
Вложение:
2Приемник.doc [683 KiB]
Скачиваний: 765

Просто когда то давным давно, в молодости пытался сделать подобное, но не получилось, а сейчас просто вспомнились тогдашние неудачи и решил повторить. :)

По такой структурной схеме я делал даже узкополосные ЧМ приемники для простейших радиостанций.
Правда требования к фильтру в этом случае намного жестче и их приходилось усложнять.
Вот здесь я касался этого вопроса.
viewtopic.php?p=2141043#p2141043
Спойлер
aen писал(а):
В случае получения хороших результатов, в схеме нужно выполнить несколько обязательных условий.
Во первых тщательно подобрать элементы Т-моста
Во вторых обеспечить правильную его нагрузку.
В третьих входное и выходное сопротивление усилителя с Т-мостом должно быть чисто активным.
В четвертых подобный фильтр имеет характеристику подобную LC контуру только вблизи его квазирезонанса, а вдали от этой точки его избирательные свойства теряются и это тоже нужно учитывать.

Изображение

Это идеально настроенный, а если там не все условия выполняются, то он может быть например такой, что например получилось у меня в схеме, хотя как говорил мне этим пришлось пренебречь.

Изображение

В идеальном случае выходное сопротивление усилителя должно быть близко к нулю, а входное бесконечности, что на практике трудно осуществить, хотя можно к этому приблизиться.
Когда я по подобной схеме делал узкополосный приемник, то в нем уже ставил фильтры по схемам которые соответствуют этим параметрам.

Тем более, что подобные фильтры бывают двух типов.
Первый имеет минимальный коэффициент пропускания единицу, а второй ноль.

Вот так примерно можно нарисовать схемы хороших фильтров первого и второго типа на биполярных транзисторах.
Как видим в схеме стремились обеспечить правильное согласование Т-моста.

Изображение

Изображение

На практике конечно часто все упрощают ухудшая параметры в допустимых пределах.

То, что Вы нарисовали здесь относится к упрощенным фильтрам первого типа, как впрочем и то, что привел я, но как видим, что выходное сопротивление данного каскада в которую включен Т-мост далеко от нулевого, а входное довольно низкое.
Отсюда и получаемые практические результаты.

Проще получается, если применить ОУ. Там легче обеспечить низкое выходное сопротивление и высокое входное при нужном коэффициенте усиления.
Это когда я проектировал простые радиостанции с минимальным количеством катушек, которых многие боятся. :) Правда затею эту забросил, т.к. для начинающих все таки качественная настройка узкополосного двойного Т-моста оказалась трудным делом и без приборов неосуществима, а задумывалось, что из приборов у него есть только мультиметр.
Хотя все работало.

Делал просто для души, т.к. если нужен просто приемник, то можно все это сделать на TDA7000 или TDA7021.
На них тоже делал, но особого удовольствия не получил. :)
На TDA7000(TDA7021), если делать перестройку варикапом и питать от батареек, нужно питать саму микросхему через стабилизатор. Иначе приемник при пиках громкости начинает "хрюкать"
Если напряжение питания впритык, то стабилизатор нужен с малым падением на регулирующем элементе.
Вот такой стабилизатор, как здесь, держит напряжение на выходе 2,8 вольта при севших батарейках, т.е. при падении на регулирующем транзисторе порядка 0,2 вольта.
СпойлерИзображение

Приемник двухдиапазонный. В качестве переключателя применен миниатюрный выключатель.
Единственно, что не нравится, так это не очень надежный контакт в переключателе.
От старости вероятно, т.к. вытащил этот переключатель из старого калькулятора.


Вложения:
1.JPG [76.64 KiB]
Скачиваний: 5613
TDA_7000.GIF [18.8 KiB]
Скачиваний: 5126
1.GIF [20.86 KiB]
Скачиваний: 1094
123.GIF [28.84 KiB]
Скачиваний: 16750
Вернуться наверх
 
Не в сети
 Заголовок сообщения: Re: УКВ-ЧМ тюнер на К174ХА34 (TDA7021)
СообщениеДобавлено: Чт мар 26, 2015 09:33:30 
Собутыльник Кота
Аватар пользователя

Карма: 47
Рейтинг сообщений: 911
Зарегистрирован: Ср дек 04, 2013 14:37:35
Сообщений: 2879
Откуда: Санкт Петербург
Рейтинг сообщения: 0
Уважаемый AEN,

Спасибо за подробный ответ.
Я очень внимательно отношусь к разным затейливым схемам на транзисторах – часто они помогают решить сложные задачи простыми средствами, и это получается быстрее и дешевле покупки специализированных ИС или микропроцессорных проектов. На К174ХА34, кроме разных макетов, я собрал пару двухдиапазонных кухонных радиоприёмников, которые работают до сих пор. Последний, на фото, с диодной коммутацией катушек УРЧ и гетеродина, по мотивам РП из Радио №12 1995 стр 20. Только УРЧ на КП307 и добавлены индикаторы точной настройки и многолучевого приёма. УНЧ и блок выбора программ от телевизора Радуга 3УСЦТ.

Опыт эксплуатации приёмников на К174ХА34 показал, как и следовало ожидать, следующие недостатки – плохая селективность при множестве станций в эфире (Питер) и свист гетеродина (об этом ещё Поляков писал), при приёме станций на около 107 МГц, при некоторых положениях антенны.
Так же оказалось, что РП на К174ХА34, обеспечивает более качественный приём загородом, нежели в плотной городской, многоэтажной, ЖБ застройке, когда вещание идёт с трёх передающих центров.
Для сложных условий приёма – высокая плотность станций в диапазоне и множественные переотражения сигнала, наверное, более подойдёт РП с хорошей избирательностью по зеркальному каналу, с классическим ФПЧ, на катушках или пьезофильтре, шириной в полосу, занимаемую радостанцией и/ или РП с двойным преобразованием частоты – такие собирают из селектора каналов ТВ, ФПЧ на 38 МГц и К174ХА34. Видел много таких, реализованных, проектов всеволновых приёмников наблюдения за эфиром, а вот радиовещательный приёмник для стандартных УКВ диапазонов, так, по моему, никто и не сделал.

Интересно, удалось ли кому то сделать высококачественный радиоприёмник «для музыки», на основе К174ХА34, пусть и с преизрядной обвеской.
Или сразу брать TEA5710 (5711) и не тратить времени на посредственный результат? :-/

И ещё вопрос, вдогонку.
В Вашей статье про РП с низкой ПЧ, приведена фотография осциллограммы АЧХ полосового фильтра (приложена). Как Вы её, АЧХ, получили? Мне представляется, что был использован какой то ГКЧ. Промышленный или самодельный? Пожалуйста, поясните.
Заранее благодарю.


Вложения:
АЧХ.jpg [8.62 KiB]
Скачиваний: 1291
ЧМ_FM_РП-К174ХА34.jpg [74.07 KiB]
Скачиваний: 1441

_________________
С уважением, ВикторС.
Вернуться наверх
 
Не в сети
 Заголовок сообщения: Re: УКВ-ЧМ тюнер на К174ХА34 (TDA7021)
СообщениеДобавлено: Чт мар 26, 2015 18:02:51 
Модератор
Аватар пользователя

Карма: 158
Рейтинг сообщений: 1600
Зарегистрирован: Пт апр 28, 2006 15:26:07
Сообщений: 11940
Откуда: Россия.
Рейтинг сообщения: 0
Медали: 2
Мявтор 3-й степени (1) Лучший человек Форума 2017 (1)
ВикторС писал(а):
плохая селективность при множестве станций в эфире
Я меня нет возможности проверить приемник в подобных условиях, но я бы попробовал приемник в котором ЧМ детектор сделан на основе ФАПЧ.
Подобный приемник я делал и довольно серьезный и остался им доволен.
Про это я здесь писал.
http://www.radiocxema.h1n.ru/2018/03/31 ... ростых-ук/
viewtopic.php?p=1428067#p1428067
За основу брал схему из ж. Радио 9-1991 год
http://publ.lib.ru/ARCHIVES/R/''Radio'' ... fax%5d.zip
aen писал(а):
УВЧ два каскада на двухзатворных полевых транзисторах КП306В. Транзисторы можно и другие двухзатворные. Просто у меня КП306 много, вот я их и поставил.
Смеситель тоже на двухзатворном полевом транзисторе.
Дальше два каскада ПЧ на транзисторах КТ339. В каждом каскаде стоят керамические фильтры на 10,7 мгц.
Потом детектор ЧМ на основе ФАПЧ по схеме приемника описанного в ж. Радио 9-1991 год
Также использовал схему подобного ЧМ детектора в приемнике по упрощенной схеме для приема местных станций.
Критерием было "минимум катушек"

Изображение

Получилась только одна бескаркасная катушка, но избирательность и качество звучания приемника довольно хорошие.
Конечно лучше смеситель нагрузить на колебательный контур. Так тоже пробовал.
Что хорошо в данном случае контур можно даже в экран не ставить.
Можно также в УПЧ добавить каскад на одном транзисторе и тогда чувствительность возрастает, хотя она и так нормальная.
На входе также можно добавить УВЧ на одном транзисторе по схеме, что уже выкладывал выше, что не особо усложнит приемник.

Изображение

Или вот простенький с фильтром на 5,5 МГц, что вытащил из какого то телевизора.
Делалось из критерия, что хотя катушки есть, но две бескаркасные, а та, что в УПЧ может быть без экрана. Контур на входе можно даже неперестраиваемый сделать.
СпойлерИзображение

Все это проверялось на практике ради интереса.
Кроме как ради интереса делать подобные схемы в настоящее время конечно нет смысла, т.к. сейчас есть большой выбор однокристальных приемников на любой вкус.


ВикторС писал(а):
В Вашей статье про РП с низкой ПЧ, приведена фотография осциллограммы АЧХ полосового фильтра (приложена). Как Вы её, АЧХ, получили?
Про это я много на форуме писал.
Я пользуюсь простейшей приставкой ГКЧ к осциллографу.
Принцип простой.
Формирую пилу амплитудой порядка 10 вольт и подаю её на вход "Х" осциллографа С1-73
Если у осциллографа нет входа "Х" то можно использовать вход внешней синхронизации.
Вот одна из моих схем, хотя сам генератор иногда делаю по схеме, что обсуждают здесь.
viewtopic.php?p=1620846#p1620846
Он хорош тем, что работает с любыми катушками и в ГКЧ можно просто менять катушки и заставить его работать от единиц до сотен мегагерц.

СпойлерИзображение


Повторяться не хочется. Про подобный ГКЧ можно здесь почитать, хотя там я делал приемник на 27 МГц, но схема в принципе не зависит от частоты. Меняется только генератор ВЧ.
Вложение:
11.doc [763.5 KiB]
Скачиваний: 2794


Вложения:
6_5мгц.GIF [10.04 KiB]
Скачиваний: 5611
2222.GIF [8.23 KiB]
Скачиваний: 16336
ГКЧ.GIF [14.46 KiB]
Скачиваний: 5368
122.GIF [8.07 KiB]
Скачиваний: 867
ФАПЧ.GIF [10.02 KiB]
Скачиваний: 18495
Вернуться наверх
 
Не в сети
 Заголовок сообщения: Re: УКВ приемник средней сложности.
СообщениеДобавлено: Чт мар 26, 2015 19:27:37 
Первый раз сказал Мяу!

Карма: 10
Рейтинг сообщений: 10
Зарегистрирован: Вс дек 14, 2014 17:22:15
Сообщений: 33
Откуда: Москва
Рейтинг сообщения: 0
А я только что сделал такой:
http://img.radiokot.ru/files/102181/lyl2key0l.GIF
https://youtu.be/WktvQ-_lMn8
Николай.


Вернуться наверх
 
Не в сети
 Заголовок сообщения: Re: УКВ приемник средней сложности.
СообщениеДобавлено: Пт мар 27, 2015 13:02:46 
Собутыльник Кота
Аватар пользователя

Карма: 47
Рейтинг сообщений: 911
Зарегистрирован: Ср дек 04, 2013 14:37:35
Сообщений: 2879
Откуда: Санкт Петербург
Рейтинг сообщения: 0
Уважаемый AEN,

Спасибо за пояснения про ГКЧ. У меня как раз С1-73, с выведенным сигналом ГПН. Выход пилы - ок. 2В. Использую его, предварительно усилив, в НЧ ГКЧ/ функциональном генераторе, до 80КГц (прототип в Радио №11 1995 стр. 24) и в ГКЧ УПЧ ЧМ (9 - 12 МГц) - генератор на ёмкостной трёхточке с варикапом. Этот использовал для настройки ФСС ЧМ тракта стационарного УКВ тюнера. Схема ФСС ЧМ от Ласпи - 005 стерео - пять катушек в экранах. ЧД на ХА6.

Меня заинтересовали Ваши опыты по постройке УКВ РП с ЧД с ФАПЧ. Несколько лет назад изучал эти решения, на бумаге. У Полякова ЧД с ФАПЧ расписаны подробно, включая формулы для расчёта, так вот, как мне помнится, в цепи ФАПЧ есть пропорционально интер=грирующий фильтр, параметры которого нужно рассчитывать, исходя из коэффициента перестройки ГУН ФАПЧ - МГц/ Вольт. Это определяет полосу захвата и удержания.
Делали ли Вы какие то расчёты, или собирали на удачу, по имеющимся схемам7

Заранее благодарю.

_________________
С уважением, ВикторС.


Вернуться наверх
 
Не в сети
 Заголовок сообщения: Re: УКВ приемник средней сложности.
СообщениеДобавлено: Пт мар 27, 2015 16:26:00 
Модератор
Аватар пользователя

Карма: 158
Рейтинг сообщений: 1600
Зарегистрирован: Пт апр 28, 2006 15:26:07
Сообщений: 11940
Откуда: Россия.
Рейтинг сообщения: 0
Медали: 2
Мявтор 3-й степени (1) Лучший человек Форума 2017 (1)
ВикторС писал(а):
опыты по постройке УКВ РП с ЧД с ФАПЧ.
… пропорционально интер=грирующий фильтр
Делали ли Вы какие то расчёты, или собирали на удачу, по имеющимся схемам7
Пропорцирнально-интегрирующий фильтр больше имеет отношение к устойчивости ФАПЧ. Из того, что я делал, я ставил то, что было на схеме и с самовозбуждением не сталкивался.
Единственно, что сделал, так в схеме на К174УР1 напряжение питания снизил др 9 вольт. При этом приемник работал лучше. Возможно я просто разогнал слишком большое усиление в УПЧ, поэтому так и получилось.В первом приемнике, где детектор был на основе ФАПЧ я взял за основу схему из книжки "Телевизионный прием в автомобиле"
http://hamradio.online.ru/ftp2/3-63.djvu
Схему немного изменил в сторону упрощения.

Изображение

Было это давно и УКВ радиостанции в нашей местности на обычные приемники принимались слабо и с шумами. Слушать было нереально.
Тогда решил попробовать поставить в приемник этот детектор.
ФСС делать не хотелось, т.к. габариты приемника не позволяли. Керамический фильтр нашел только на 10,7 МГц, что для К174УР1 многовато, поэтому сделал два преобразования со второй промежуточной где то порядка 5 МГц и дальше этот детектор на К174УР1
Станции на данный приемник стали приниматься очень даже неплохо.
Единственный недостаток, так это много "жрал", что для "карманного" приемника не очень хорошо.

Второй приемник и сейчас на кухне работает. Схему ЧМ детектора на основе ФАПЧ, как говорил, взял отсюда.
http://publ.lib.ru/ARCHIVES/R/''Radio'' ... fax%5d.zip

Изображение

Сам детектор взял один к одному, в том числе и цепь АПЧ.
Единственно, что вместо варикапов КВС111 поставил пару КВ104Б
На этот раз ставил детектор с ФАПЧ, что бы получить высокое качество звучания и запас по чувствительности, что на деле оказалось лишним.
Схему не рисовал, а кратко его здесь описывал.
viewtopic.php?p=1428067#p1428067
Ну это мы отклонились от темы, т.к. здесь говорим о простых приемниках.
Те схемы простых приемников делал по предварительному заказу.
Нужно было разработать и проверить на практике несколько схем приемников для начинающих без применения микросхем однокристальных приемников.
Там уже ставил ЧМ детектор с ФАПЧ, что бы уменьшить количество катушек и при этом, что бы приемник имел не низкие параметры, а хотя бы на уровне "УКВ приемника для начинающих", что есть у нас на сайте.
Я их спаял наверное десяток. Некоторые только на транзисторах, другие с применением микросхем. В принципе все схемы рабочие. По сути у меня тут отдельные блоки разных преобразователей частоты, УПЧ, детекторов ЧМ и я из них, как из кубиков делал схемы и проверял работоспособность.
Хотя проверял только на прием местных станций.
Дело в том, что когда у нас появились местные УКВ станции, то прием дальних в диапазоне 88 - 108 МГц, что от нас на расстоянии порядка 70 км, совсем прекратился и не только на простые приемники.

И еще одна особенность приемника с ЧД на основе ФАПЧ.
Та часть схемы, что входит в ФАПЧ должна иметь стабильное питание.


Вложения:
1.JPG [48.34 KiB]
Скачиваний: 12619
Вернуться наверх
 
Не в сети
 Заголовок сообщения: Re: УКВ приемник средней сложности.
СообщениеДобавлено: Пт мар 27, 2015 18:04:46 
Вымогатель припоя

Карма: 2
Рейтинг сообщений: 70
Зарегистрирован: Вс янв 18, 2009 17:41:33
Сообщений: 690
Рейтинг сообщения: 0
Заинтересовали УКВ приёмники с низкой ПЧ, ранее собирал на К174ХА34, К1066ХА1 - не впечатлили и по сему вопрос: возможно ли построить на транзисторах подобный приёмник с хорошим качеством звука?
Если это возможно, хотелось бы увидеть схему на современных транзисторах или на наших КТшках.
Есть идея - чтобы не городить кучу транзисторов, можно ОУ прикрутить, ПЧ то низкая, большинство ОУ легко справятся.
И какой детектор лучше всего подойдёт в данный приёмник, чтобы получить наиболее высокое качество звука?


Вернуться наверх
 
Не в сети
 Заголовок сообщения: Re: УКВ приемник средней сложности.
СообщениеДобавлено: Пт мар 27, 2015 18:32:07 
Модератор
Аватар пользователя

Карма: 158
Рейтинг сообщений: 1600
Зарегистрирован: Пт апр 28, 2006 15:26:07
Сообщений: 11940
Откуда: Россия.
Рейтинг сообщения: 0
Медали: 2
Мявтор 3-й степени (1) Лучший человек Форума 2017 (1)
RA83 писал(а):
Заинтересовали УКВ приёмники с низкой ПЧ…
… ранее собирал на К174ХА34, К1066ХА1 - не впечатлили и по сему вопрос: возможно ли построить на транзисторах подобный приёмник с хорошим качеством звука?
Не очень понятен вопрос, т.к. в нем есть противоречия.
Приемник с низкой ПЧ и приемник на К174ХА34 - это разные вещи.
Вот выше пример приемника с низкой ПЧ с фильтрами на двойных Т-мостах, где ширина полосы УПЧ равна ширине спектра передаваемого сигнала.
Приемник на К174ХА34 это приемник с низкой ПЧ и с ОСЧ(обратная связь по частоте)
В приемнике на К174ХА34 полоса пропускания УПЧ уже спектра передаваемого сигнала, но при приеме он сужается с помощью ОСЧ.
Это прибавляет чувствительности приемнику, но плохо влияет на качество звука в данном случае.
Поэтому сначала определитесь со схемой.
Если будете копировать К174ХА34, т.е. делать с низкой промежуточной частотой и с ОСЧ, то вряд ли добьетесь лучших результатов. Её же не дураки разрабатывали.
Если же будете делать просто с низкой ПЧ, то в принципе с детектором на основе триггера Шмитта-одновибратоа-интегратора при тщательной настройке сможете добиться хорошего качества звука, т.к. подобный ЧМ детектор можно сделать довольно линейным.
А вот чувствительность приемника без ОСЧ будет посредственная.


Вернуться наверх
 
Не в сети
 Заголовок сообщения: Re: УКВ приемник средней сложности.
СообщениеДобавлено: Пт мар 27, 2015 22:55:02 
Собутыльник Кота
Аватар пользователя

Карма: 47
Рейтинг сообщений: 911
Зарегистрирован: Ср дек 04, 2013 14:37:35
Сообщений: 2879
Откуда: Санкт Петербург
Рейтинг сообщения: 3
Всем привет,

Для интересующихся вопросами ФАПЧ в частотном детекторе УКВ ЧМ приёмника и сопутствующими вопросами, привожу список статей из Радио, каковые сам изучал внимательно. Может кому то пригодиться в практическом плане.

Характеристики ЧМ детекторов с ФАПЧ - Р. №9, 1978 стр 37 - 39
Тракт ПЧ приёмника ЧМ сигналов Р. №9, 1978 стр 46
Расчёт ЧМ детектора с ФАПЧ Р. №10 1978 стр. 35 - 37
ЧМ детектор с ФАПЧ приёмника прямого преобразования Р.№11 1978 стр 41 - 43
ЧМ детектор на полевом транзисторе Р. №6 1978 стр. 35
Обратная связь в частотном детекторе Р. №11 1978 стр. 40-41
Тракт ПЧ УКВ ЧМ приёмника Р. №3 1979 стр. 28
УКВ приёмник с ФАПЧ Р. № 9 1979 стр 33
Электронные выключатели АПЧ Р. №3 1980 стр 36 - 38
ВЧ пробник для вольтметра постоянного тока Р. №2 1980 стр 58
УКВ супергетеродин с ФАПЧ Р. №12 1977 стр 37 - 39
УКВ ЧМ приёмник прямого преобразования Р. №12 1977 стр. 34 - 36
Приёмный тракт Hi-FI УКВ тюнера Радиоконструктор №11 2004 стр 12 - 14
Усилитель ПЧ звука с ФАПЧ Р. №11 1989 стр 48 - 49
УПЧ звука с ООС по частоте Р. №2 1985 стр 30 - 32
Гетеродинный УКВ ЧМ приёмник с ФАПЧ Р. №1 1995 стр. 21-22
Двухдиапазонный УКВ ЧМ приёмник с ФАПЧ Р. №3 1997 стр 20 - 21


Если кто то собирал схемы из этого списка (одна известна точно - "ТВ приём в автомобиле") - пожалуйста, опишите свой опыт и впечатления от результата трудов праведных.

Заранее благодарю.

_________________
С уважением, ВикторС.


Вернуться наверх
 
Не в сети
 Заголовок сообщения: Схема несложного FM приёмника
СообщениеДобавлено: Чт июл 09, 2015 01:04:00 
Первый раз сказал Мяу!

Зарегистрирован: Чт июл 09, 2015 00:51:06
Сообщений: 27
Рейтинг сообщения: 0
Друзья, подскажите схемку несложного фм приёмника 64-108 желательно сразу в lay под одностороннюю плату.

Хочется что-то на двух микросхемах - тюнер+усилок, с условием что динамик будет 1-2 ватта но с плавной регулировкой частоты

Что-то ничего подходящего пока не нашёл, везде пошаговое переключение идёт..



Сюда перенес.
Эту книжку смотрели?
https://sunduk.radiokot.ru/loadfile/?load_id=1387443303
aen


Вернуться наверх
 
Не в сети
 Заголовок сообщения: Re: УКВ приемник средней сложности.
СообщениеДобавлено: Чт июл 23, 2015 15:04:53 
Мудрый кот
Аватар пользователя

Карма: 19
Рейтинг сообщений: 166
Зарегистрирован: Сб окт 10, 2009 17:16:58
Сообщений: 1732
Откуда: Россия.
Рейтинг сообщения: 0
RA83 писал(а):
Заинтересовали УКВ приёмники с низкой ПЧ, ранее собирал на К174ХА34, К1066ХА1 - не впечатлили и по сему вопрос: возможно ли построить на транзисторах подобный приёмник с хорошим качеством звука?
Если это возможно, хотелось бы увидеть схему на современных транзисторах или на наших КТшках.
Есть идея - чтобы не городить кучу транзисторов, можно ОУ прикрутить, ПЧ то низкая, большинство ОУ легко справятся.
И какой детектор лучше всего подойдёт в данный приёмник, чтобы получить наиболее высокое качество звука?
Такой приемник можно сделать для интереса.
У меня интерес был, поэтому я сделал несколько вариантов подобных приемников.
Качество звука довольно приличное.
Недостаток, это маленькая чувствительность, но у меня местные станции принимаются довольно уверенно на антенну порядка 50 см.
Все схемы, что делал у меня не сохранились. Осталось только пара вариантов.

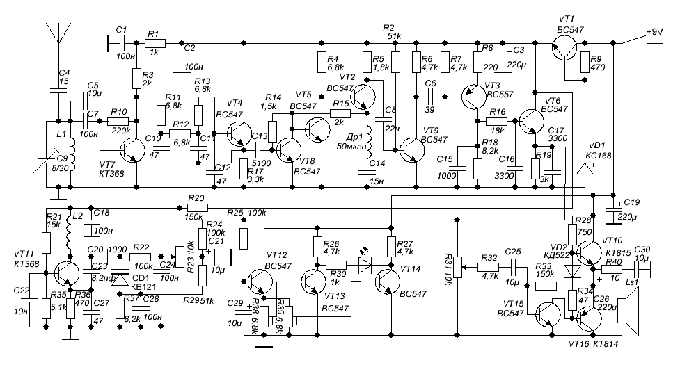
Здесь вариант подобного приемника полностью на транзисторах, хотя смеситель и гетеродин лучше сделать на К174ПС1, но здесь делалось именно все на транзисторах.
Это структурная схема, что бы было понятнее.

СпойлерИзображение


А это полная схема.

СпойлерИзображение


В качестве фильтров в УПЧ лучше применить двойные Т-мосты. Такой приемник я тоже делал, но схемы не рисовал.
И еще раз повторю, что в настоящее время делать подобные приемники имеет смысл только тем, кому хочется просто поэкспериментировать и повозиться со схемами как например мне. :)


Вложения:
2.GIF [33.46 KiB]
Скачиваний: 4586
22.GIF [34.97 KiB]
Скачиваний: 5394
Вернуться наверх
 
Не в сети
 Заголовок сообщения: Re: УКВ приемник средней сложности.
СообщениеДобавлено: Сб окт 03, 2015 23:23:57 
Открыл глаза

Зарегистрирован: Сб окт 03, 2015 22:54:04
Сообщений: 41
Рейтинг сообщения: 0
Уважаемые, коллеги!
Помогите определиться с выбором схемотехники для преобразователя частоты на диапазон FM2 (88-108 МГц в 10,7 МГц). Рассматриваю два варианта: смеситель на КП350, гетеродин на КТ368, или смеситель и гетеродин на К174ПС1. Критерием для меня служит качество работы.
Преобразователю частоты предшествует каскодный резонансный УРЧ, а на выходе преобразователя обязательно будет LC-контур с последующей керамикой.

_________________
Все они талантливы
и могли б творить,
им бы только ГОСТы
взять и отменить...


Вернуться наверх
 
Не в сети
 Заголовок сообщения: Re: УКВ приемник средней сложности.
СообщениеДобавлено: Сб окт 03, 2015 23:55:02 
Держит паяльник хвостом
Аватар пользователя

Карма: 42
Рейтинг сообщений: 393
Зарегистрирован: Ср июн 27, 2007 17:09:12
Сообщений: 970
Рейтинг сообщения: 0
Гаммамет писал(а):
или смеситель и гетеродин на К174ПС1
А можно еще вариант К174ПС1 и гетеродин на КТ368.
Приходилось делать все три варианта.
Все они примерно равнозначные.
Гаммамет писал(а):
Преобразователю частоты предшествует каскодный резонансный УРЧ
Каскодный УВЧ на полевых транзисторах как здесь?
http://radiokot.ru/konkursCatDay2015/43/
Если УВЧ на полевых, то я бы и смеситель сделал на КП350. Только не забудьте, что он при пайке боится статики, а также требует напряжения с выхода гетеродина порядка 2 вольта.


Вернуться наверх
 
Не в сети
 Заголовок сообщения: Re: УКВ приемник средней сложности.
СообщениеДобавлено: Вс окт 04, 2015 15:12:42 
Открыл глаза

Зарегистрирован: Сб окт 03, 2015 22:54:04
Сообщений: 41
Рейтинг сообщения: 0
Уважаемый, Денис, спасибо что делитесь опытом.
Объясните пожалуйста, в чём "фишка" схемы К174ПС1 + отдельный гетеродин, почему не задействовать имеющийся в ИМС?
А насчёт смесителя - ПС1 или КП350, для меня пока неясен вопрос с подавлением комбинационных частот, т.к. смеситель ПС1, если не ошибаюсь двойной балансный, а у КП350 просто перемножение.

УРЧ будет каскодный ОИ-ОБ (КП307 + КТ399), т.к. если я не ошибаюсь у КП307 Кш меньше, чем у КП350, и КТ399 тоже мш.
А вот в смесителе КП350, думаю был бы вполне к месту.
Гетеродин (если отдельный), то по схеме Клаппа на КТ368, в принципе 2В должен развить на затворе КП350.
"Расширение" элементной базы не актуально. Мотать катушки затруднений не вызывает, наоборот считаю, что хороший приёмник без катушек невозможен.

_________________
Все они талантливы
и могли б творить,
им бы только ГОСТы
взять и отменить...


Вернуться наверх
 
Не в сети
 Заголовок сообщения: Re: УКВ приемник средней сложности.
СообщениеДобавлено: Вс окт 04, 2015 17:14:47 
Держит паяльник хвостом
Аватар пользователя

Карма: 42
Рейтинг сообщений: 393
Зарегистрирован: Ср июн 27, 2007 17:09:12
Сообщений: 970
Рейтинг сообщения: 0
Гаммамет писал(а):
насчёт смесителя - ПС1 или КП350, для меня пока неясен вопрос с подавлением комбинационных частот, т.к. смеситель ПС1, если не ошибаюсь двойной балансный, а у КП350 просто перемножение.
ПС1 тоже перемножитель.
Гаммамет писал(а):
смеситель ПС1, если не ошибаюсь двойной балансный
Это значит, что если его по входам и по выходу включить по симметричной схеме, то от подавляет на выходе частоту сигнала и частоту гетеродина, что важно например в формирователе SSB сигнала.
Еще ПС1 имеет довольно большое усиление по ПЧ.
Для случая же комбинационных частот, то мое мнение, что оно примерно такое же, что и у любого смесителя на маломощном биполярном транзисторе, т.е. довольно плохое.
Думаю, что если УВЧ и смеситель будут на полевых транзисторах, то этот параметр будет намного выше.
Гаммамет писал(а):
считаю, что хороший приёмник без катушек невозможен.
Я тоже так считаю.
За пример хорошего приемника я бы взял этот, только ФСС заменил бы на керамический фильтр, рставив от ФСС только одие контур.
АРУ я не делал, т.к. не нашел p-i-n диодов.
Гетеродин делал на КТ368 или на КТ316Б. Уже не помню сейчас. Давно это было, но это не важно.
Вместо сборки К159НТ1 ставил два транзистора КТ315. Можно КТ3102.
Только желательно их по h21 подобрать.
Во всяком случае я остался доволен его работой.
Если приемник с ЧД на К174УР3 по стандартной схеме, дальние станции принимал с шумами, то с подобным ЧД на основе ФАПЧ, прием дальних станций был совершенно без шумов.
http://publ.lib.ru/ARCHIVES/R/''Radio'' ... fax%5d.zip
Стр. 42
СпойлерИзображение

Изображение

Вот выше тоже про это писали.
viewtopic.php?p=2320050#p2320050
И еще здесь про это.
viewtopic.php?p=1428067#p1428067

Кое какие идеи можно еще отсюда почерпнуть.
Кстати там ЧД тоже на основе ФАПЧ.
http://publ.lib.ru/ARCHIVES/R/''Radio'' ... f02%5d.zip
СпойлерИзображение


Вложения:
3.PNG [365.55 KiB]
Скачиваний: 2777
2.PNG [1.73 MiB]
Скачиваний: 2832
1.PNG [1.7 MiB]
Скачиваний: 2825
Вернуться наверх
 
Показать сообщения за:  Сортировать по:  Вернуться наверх
Начать новую тему Ответить на тему  [ Сообщений: 613 ]    , , , 4, , , ...  

Часовой пояс: UTC + 3 часа


Кто сейчас на форуме

Сейчас этот форум просматривают: нет зарегистрированных пользователей и гости: 22


Вы не можете начинать темы
Вы не можете отвечать на сообщения
Вы не можете редактировать свои сообщения
Вы не можете удалять свои сообщения
Вы не можете добавлять вложения

Найти:
Перейти:  


Powered by phpBB © 2000, 2002, 2005, 2007 phpBB Group
Русская поддержка phpBB
Extended by Karma MOD © 2007—2012 m157y
Extended by Topic Tags MOD © 2012 m157y