Например TDA7294

Форум РадиоКот • Просмотр темы - Транзистор, это очень просто!
Форум РадиоКот
Здесь можно немножко помяукать :)

Текущее время: Чт янв 22, 2026 06:43:45

Часовой пояс: UTC + 3 часа


ПРЯМО СЕЙЧАС:



Начать новую тему Ответить на тему  [ Сообщений: 204 ]    , , , 4, , , ...  
Автор Сообщение
Не в сети
 Заголовок сообщения:
СообщениеДобавлено: Пт июн 19, 2009 19:34:40 
Модератор
Аватар пользователя

Карма: 46
Рейтинг сообщений: 236
Зарегистрирован: Чт окт 27, 2005 18:50:07
Сообщений: 11169
Откуда: из мест не столь отдалённых
Рейтинг сообщения: 0
Медали: 2
Получил миской по аватаре (1) Мявтор 3-й степени (1)
"Верным путём идете, товарищ!"
Вот насколько удобно применять симулятор для обучения! КТ608 не задает вопросов"что будет, если.." а проверяет это на симуляторе.
Если Вы замените транзистор на схеме, результаты будут немного отличаться.
Попробуйте НЧ транзистор, и транзистор СВЧ. Интуитивно понятно, что на НЧ транзисторе эффект будет не заметен, а на СВЧ- заметен, и даже очень..


Вернуться наверх
 
Не в сети
 Заголовок сообщения:
СообщениеДобавлено: Пт июн 19, 2009 21:03:51 
Нашел транзистор. Понюхал.
Аватар пользователя

Зарегистрирован: Вс мар 29, 2009 16:54:18
Сообщений: 151
Рейтинг сообщения: 0
Сэр Мурр писал(а):
Если Вы замените транзистор на схеме, результаты будут немного отличаться.
Попробуйте НЧ транзистор, и транзистор СВЧ. Интуитивно понятно, что на НЧ транзисторе эффект будет не заметен, а на СВЧ- заметен, и даже очень..


Важное замечание, т.к. в некоторых схемах лучше применять НЧ транзисторы дабы задавить гармоники.


Сэр Мурр писал(а):
"Верным путём идете, товарищ!"
Вот насколько удобно применять симулятор для обучения! КТ608 не задает вопросов"что будет, если.." а проверяет это на симуляторе.


Надо увековечить имя того человека, который понял, что математические формулы неудобны для восприятия людей и создал для них графическую оболочку - симулятор радиосхем.


Вернуться наверх
 
Не в сети
 Заголовок сообщения:
СообщениеДобавлено: Пт июн 19, 2009 23:15:39 
Друг Кота
Аватар пользователя

Карма: 8
Рейтинг сообщений: 34
Зарегистрирован: Пн янв 26, 2009 00:10:51
Сообщений: 3531
Откуда: Москва
Рейтинг сообщения: 0
Медали: 1
Получил миской по аватаре (1)
Непременно следует обратить внимание и разобраться с параметрами моделей. Станет понятно что анализируем и зачем. Некоторые параметры моделей вообще не важны, но в расчетах считаются. Например для блока питания емкость КЭ большой роли не играет, но при расчетах учитывается. Для реальных разработок придется сделать свои модели, параметры которых будут реально соответствовать тем элементам, которые будут применяться.


Вложения:
model.jpg [43.99 KiB]
Скачиваний: 895
Вернуться наверх
 
Не в сети
 Заголовок сообщения:
СообщениеДобавлено: Сб июн 20, 2009 08:43:57 
Нашел транзистор. Понюхал.
Аватар пользователя

Зарегистрирован: Вс мар 29, 2009 16:54:18
Сообщений: 151
Рейтинг сообщения: 0
Aladdin писал(а):
Непременно следует обратить внимание и разобраться с параметрами моделей. Станет понятно что анализируем и зачем. Некоторые параметры моделей вообще не важны, но в расчетах считаются. Например для блока питания емкость КЭ большой роли не играет, но при расчетах учитывается. Для реальных разработок придется сделать свои модели, параметры которых будут реально соответствовать тем элементам, которые будут применяться.


Полностью поддерживаю. Я сам мечтаю поскорее создать в EWB модель транзистора 2N5109 и КТ608Б


Вернуться наверх
 
Эиком - электронные компоненты и радиодетали
Не в сети
 Заголовок сообщения:
СообщениеДобавлено: Сб июн 20, 2009 17:58:48 
Друг Кота
Аватар пользователя

Карма: 8
Рейтинг сообщений: 34
Зарегистрирован: Пн янв 26, 2009 00:10:51
Сообщений: 3531
Откуда: Москва
Рейтинг сообщения: 0
Медали: 1
Получил миской по аватаре (1)
Несколько годов назад, я с интересом и энтузиазмом мучил MicroCap5 && DesignLab8. Пытался получить конкретные и реальные результаты моделирования схем. Не хочу сбивать Вас с пути и советовать что-то, просто выложу мои модели для MicroCap 5, которые я использовал в проектировании. Это не просто от балды выдуманные циферки, а полученные в результате не которых экспериментов. Возможно, их получится переложить в формат WB.

IS-Ток насыщения при температуре 27С
BF- Коэфф. усиления в схеме с ОЭ(100)
NF-Коэф. неидеальности в нормальном режиме
VAF-
IKF-
ISE-
NE-коэф. неидеальности перехода Б-Э
BR- максимальный коэф. усиления тока в инверсном режиме
IKR-
ISC-
RE-Обьемное сопротивление Е
RC- Обьемное сопротивление К
RB-Обьемное сопротивление Б
NC-коэф. неидеальности коллекторного перехода
CJC- Емкость коллекторного перехода при нулевом смещении
CJE-Емкость эмитерного перехода при нулевом смещении
VJE-
MJE-
CJC-
VJC-
MJC-
TF- Время переноса заряда через базу в нормальном режиме
XTF-
VTF-
ITF-
TR- Время переноса заряда через базу в инверсном режиме

XTB- Температурный коэфф. BF BR

.MODEL BC107A NPN (IS=10.0004F BF=206 NF=912.846M VAF=106.811 IKF=10K
+ ISE=0.064207F NE=985.392M BR=166.16M IKR=30.7562 ISC=7.6595F RE=2
+ CJE=11.8263P VJE=1 MJE=673.545M CJC=6.11715P VJC=949.695M MJC=361.359M
+ TF=428.9P XTF=500.002M VTF=10 ITF=10.0341M TR=10N)

.MODEL BC107A NPN (IS=10.1728F BF=710.475 NF=916.432M VAF=106.811 IKF=10K
+ ISE=3.28482F NE=1.09778 BR=140.009M IKR=9.95968K ISC=69.9937F RE=1.13584
+ RC=468.574M CJE=12.0127P VJE=890.718M MJE=638.865M CJC=6.2446P VJC=853.445M
+ MJC=358.298M FC=500M TF=423.134P XTF=500.032M VTF=10 ITF=9.88846M TR=10N)

.MODEL КТ306Б NPN(BF=100 IS=2F CJC=4.2P CJE=10.2P RE=1.6 RC=0.52U TF=400P )
.MODEL КТ306Г NPN(BF=150 IS=2F CJC=4.2P CJE=10.2P RE=1.6 RC=0.52U TF=400P )
.MODEL КТ3102В NPN(BF=400 IS=2F CJC=4.2P CJE=12p RE=1.6 RC=1U TF=455P )
.MODEL КТ3102Г NPN(BF=800 IS=2F CJC=4.2P CJE=12p RE=1.6 RC=1U TF=455P )
.MODEL КТ3102Е NPN(BF=900 IS=2F CJC=4.2P CJE=12p RE=1.6 RC=1U TF=455P )
.MODEL КТ3117А NPN(BF=150 IS=5F CJC=3.2P CJE=12P RE=0.5 RC=1U TF=800P )
.MODEL КТ3117Б NPN(BF=240 IS=5F CJC=3.3P CJE=12P RE=0.5 RC=1U TF=800P )
.MODEL КТ312Б NPN(BF=80 IS=8F CJC=5P CJE=12P RE=1.1 RC=1U TF=700P )
.MODEL КТ315Б NPN(BF=300 IS=8F CJC=6P CJE=11P RE=0.8 RC=1U TF=600P )
.MODEL КТ315Г NPN(BF=300 IS=8F CJC=6P CJE=11P RE=0.8 RC=1U TF=600P )
.MODEL КТ316Б NPN(BF=100 IS=7F CJC=4P CJE=8P RE=0.7 RC=1U TF=180P )
.MODEL КТ342Б NPN(BF=300 IS=8F CJC=6.2P CJE=12P RE=1.13 RC=1U TF=423P )
.MODEL КТ503Б NPN(BF=90 IS=12F CJC=12P CJE=15P RE=1.2 RC=1U TF=3N )
.MODEL КТ506А NPN(BF=120 IS=10F CJC=6P CJE=10P RE=1.2 RC=1U TF=430p )
.MODEL КТ604Б NPN(BF=100 IS=14F CJC=6P CJE=14P RE=1.1 RC=1U TF=500p )
.MODEL КТ626Б NPN(BF=80 IS=14F CJC=10P CJE=12P RE=1.2 RC=0.4U TF=400p )
.MODEL КТ630Г NPN(BF=100 IS=14F CJC=8P CJE=14P RE=1.1 RC=1U TF=500p )
.MODEL КТ805А NPN(BF=30 IS=70F CJC=76P CJE=265P RE=0.2 RC=1U TF=50N )
.MODEL КТ812А NPN(BF=10 IS=80F CJC=80P CJE=300P RE=0.3 RC=1U TF=31N )
.MODEL КТ815Г NPN(BF=60 IS=40F CJC=14P CJE=100P RE=0.2 RC=1U TF=34N )
.MODEL КТ817Г NPN(BF=60 IS=50F CJC=15P CJE=110P RE=0.2 RC=1U TF=36N )
.MODEL КТ819Г NPN(BF=50 IS=55F CJC=28P CJE=120P RE=0.2 RC=1U TF=50N )
.MODEL КТ827А NPN(BF=1500 IS=60F CJC=300P CJE=800P RE=0.4 RC=2U TF=80N )
.MODEL КТ838А NPN(BF=10 IS=55F CJC=100P CJE=500P RE=0.3 RC=1U TF=60N )
.MODEL КТ840А NPN(BF=40 IS=55F CJC=100P CJE=500P RE=0.3 RC=1U TF=40N )
.MODEL КТ940А NPN(BF=50 IS=35F CJC=25P CJE=30P RE=0.9 RC=1U TF=5N )
.MODEL КТ NPN(BF= IS= CJC= CJE= RE= RC= TF= )
.MODEL КТ NPN(BF= IS= CJC= CJE= RE= RC= TF= )
.MODEL КТ NPN(BF= IS= CJC= CJE= RE= RC= TF= )
.MODEL КТ203Б PNP(BF=100 IS=2F CJC=40P CJE=15P RE=1.6 RC=1.1U TF=500P )
.MODEL КТ209В PNP(BF=120 IS=2F CJC=40P CJE=12P RE=1.5 RC=1U TF=450P )
.MODEL КТ3107Г PNP(BF=200 IS=2F CJC=5.6P CJE=10P RE=1.3 RC=1U TF=300P )
.MODEL КТ3107Л PNP(BF=600 IS=2F CJC=5.6P CJE=10P RE=1.3 RC=1U TF=300P )
.MODEL КТ313Б PNP(BF=200 IS=2F CJC=8P CJE=8P RE=1.3 RC=0.8U TF=220P )
.MODEL КТ361В PNP(BF=130 IS=2F CJC=15P CJE=12P RE=1.4 RC=1.1U TF=350P )
.MODEL КТ361Г PNP(BF=300 IS=2F CJC=15P CJE=12P RE=1.4 RC=1.1U TF=350P )
.MODEL КТ502Б PNP(BF=180 IS=2F CJC=40P CJE=15P RE=1.5 RC=1U TF=400P )
.MODEL КТ814Г PNP(BF=60 IS=4F CJC=300P CJE=5P RE=1 RC=1U TF=34N )
.MODEL КТ816Г PNP(BF=55 IS=4F CJC=350P CJE=5P RE=1 RC=1U TF=36N )
.MODEL КТ818Г PNP(BF=50 IS=5F CJC=400P CJE=5P RE=1 RC=1U TF=50N )
.MODEL КТ825Г PNP(BF=900 IS=8F CJC=500P CJE=5P RE=0.5 RC=1U TF=80N )
.MODEL КТ837В PNP(BF=100 IS=6F CJC=500P CJE=5P RE=0.6 RC=1U TF=65N )
.MODEL КТ PNP(BF= IS= CJC= CJE= RE= RC= TF= )
.MODEL КТ PNP(BF= IS= CJC= CJE= RE= RC= TF= )
.MODEL КТ PNP(BF= IS= CJC= CJE= RE= RC= TF= )
.MODEL BC107A NPN (IS=10.0004F BF=206 NF=912.846M VAF=106.811 IKF=10K
+ ISE=0.064207F NE=985.392M BR=166.16M IKR=30.7562 ISC=7.6595F RE=2
+ CJE=11.8263P VJE=1 MJE=673.545M CJC=6.11715P VJC=949.695M MJC=361.359M
+ TF=428.9P XTF=500.002M VTF=10 ITF=10.0341M TR=10N)

.MODEL BC107A NPN (IS=10.1728F BF=710.475 NF=916.432M VAF=106.811 IKF=10K
+ ISE=3.28482F NE=1.09778 BR=140.009M IKR=9.95968K ISC=69.9937F RE=1.13584
+ RC=468.574M CJE=12.0127P VJE=890.718M MJE=638.865M CJC=6.2446P VJC=853.445M
+ MJC=358.298M FC=500M TF=423.134P XTF=500.032M VTF=10 ITF=9.88846M TR=10N)

.MODEL BC177 PNP (IS=10.4851F BF=261.526 NF=966.82M VAF=55.7 IKF=48.5455M
+ ISE=4.83509F NE=1.19033 BR=1.34239 IKR=915.799 ISC=340.946P RE=1.02653
+ RC=427.101M CJE=15.6272P VJE=699.995M MJE=499.728M CJC=15.6272P VJC=699.995M
+ MJC=499.728M TF=942.27P XTF=499.997M VTF=10 ITF=10.0428M TR=10N)

.MODEL 2N2904 PNP (IS=10.144F BF=555.147 NF=986.042M VAF=100 IKF=10K
+ ISE=11.6546F NE=1.13692 BR=2 IKR=2.81733K ISC=0.00155473F RE=3.57315
+ RC=1.05907U CJE=58.9514P VJE=699.997M MJE=500.409M CJC=31.2633P VJC=699.997M
+ MJC=499.832M TF=1000P XTF=500M VTF=10 ITF=10M TR=50.3633N)

.MODEL 2N2905 PNP (IS=10.144F BF=1.20684K NF=986.042M VAF=100 IKF=10K
+ ISE=17.2226F NE=1.1949 BR=2 IKR=6.37234K ISC=3.60494F RE=3.57315 RC=1.00311U
+ CJE=58.9514P VJE=699.997M MJE=500.409M CJC=31.2633P VJC=699.997M MJC=499.832M
+ TF=1000P XTF=500M VTF=10 ITF=10M TR=40.4603N)
.MODEL 2N3055A NPN (IS=0.57969F BF=989.32 NF=705.162M VAF=100 IKF=3.47011
+ ISE=1E-07F NE=539.387M BR=1.99967 IKR=457.031M ISC=2.91776U RE=135.229M
+ RC=1.0001U CJE=481.743P VJE=1 MJE=551.604M CJC=251.349P VJC=1 MJC=375.837M
+ TF=68.9864N XTF=497.584M VTF=10.0538 ITF=796.376F TR=1.39866M)





Параметры модели диода
LEVEL Тип модели: 1-SPICE2G 2-PSpise
IS- Ток насыщения при температуре 27С
RS-Обьемное сопротивление(ОМ)
BV-Обратное напряжение пробоя (рабочее напряжение стабилитрона)
TT-Время переноса заряда
CJO- Барьерная емкость при нулевом смещении
VJ-Контактная разность потенциалов
М-коэф. лавинного умножения
RL-Сопротивление утечки(ОМ)
IBV-Начальный ток пробоя, соответств. BV


.MODEL 1N3899 D (IS=9.17354N N=1.73282 BV=50 RS=6.04121M TT=5U CJO=130.388P
+ VJ=2.33538 M=300M RL=1.7863MEG)





Параметры модели тирристора
(характкристики модели находятся в окошке, появляющемся при щелчке по компоненту)
IH-ток удержания (5M)
IGT-Ток включения управляющего электрода (2M)
TON-Время включения (0.8U)
VTMIN-Минимальное напряжение (1.1)
VDRM- напряжение пробоя в прямом включении (100)
DVDT- максимально допустимая величина dv/dt (30MEG)
TQ-параметр (10U)
К1-коэфф. (1)
К2-коэфф. (1)
SCR(6.2M,5M,1U,1,200,50MEG,35U,.8,1)

.MODEL KU202N SCR(150M,100M,150U,2,400,30MEG,35U,0.8,1)
.MODEL SP103 SCR(80M,30M,10U,2,400,30MEG,30U,0.8,1)
.MODEL KU221 SCR(80M,50M,6U,2,400,30MEG,20U,0.8,1)
.MODEL KU112 SCR(5M,5M,5U,2,400,30MEG,15U,0.8,1)
.MODEL KU101 SCR(1M,1M,35U,2,100,30MEG,10U,0.8,1)


Вернуться наверх
 
Не в сети
 Заголовок сообщения:
СообщениеДобавлено: Сб июн 20, 2009 19:21:21 
Нашел транзистор. Понюхал.
Аватар пользователя

Зарегистрирован: Вс мар 29, 2009 16:54:18
Сообщений: 151
Рейтинг сообщения: 0
Aladdin писал(а):
Несколько годов назад, я с интересом и энтузиазмом мучил MicroCap5 && DesignLab8. Пытался получить конкретные и реальные результаты моделирования схем. Не хочу сбивать Вас с пути и советовать что-то, просто выложу мои модели для MicroCap 5, которые я использовал в проектировании. Это не просто от балды выдуманные циферки, а полученные в результате не которых экспериментов. Возможно, их получится переложить в формат WB.


Спасибо! Переложить можно, даже 1:1. Аббревиатуру параметров я тоже расшифровывал, здесь отдельная тема - http://radiokot.ru/forum/viewtopic.php?t=16155
EWB позволяет напрямую импортировать SPICE-модели компонентов. Можно искать такие модели и загружать в программу. Хотя я спешу с выводами и могу ошибаться. Никакой ошибки, скачал с сайта ГУП НПП "Пульсар" http://npp-pulsar.rosprom.org/new/spice.htm SPICE-модель и вставил ее в программу.

Вот интересная информация на этом сайте - http://www.microcap.jino-net.ru/Page-11.htm

"Достаточно типичный случай, когда необходимого компонента не оказывается в библиотеке MicroCAP. Наиболее целесообразный путь решения проблемы – поиск SPICE-модели этого компонента и последующее добавление его в библиотеку.
В принципе, модель можно построить и самому на основании справочных данных. Но в подавляющем большинстве случаев для построения точной модели требуются специфическая информация, которая в стандартной документации отсутствует. Поэтому адекватные модели большей части электронных компонентов может сделать только фирма-производитель. И многие такие фирмы размещают на своих сайтах наряду с техническими описаниями и параметрами компонентов еще и их SPICE-модели."


Я так понял, что можно вытащить библиотеку из любого SPICE-симулятора и переставить ее в EWB. Но в приведенной цитате из статьи слишком запугивают, известно, что "не боги горшки обжигают". После прочтения книги: "Знакомство с полупроводниками", библиотечка *квант*, выпуск 33 появится понимание полупроводников.
Вот хорошая статья: "Идентификация параметров модели стабилитрона для системы Spice" - http://spice.distudy.ru/models/zener/ На этом сайте есть и еще интересные статьи - http://spice.distudy.ru/models/ правда до транзистора дело не дошло.

Для дальнейшего обсуждения моделей целесообразнее будет переместится в тему: Симулятор схем EWB 5.12 - модели радиоэлементов


Вложения:
Комментарий к файлу: Статья: "Идентификация параметров модели стабилитрона для системы Spice"
SozdanieModStab.rar [33.59 KiB]
Скачиваний: 320
Вернуться наверх
 
Не в сети
 Заголовок сообщения:
СообщениеДобавлено: Пт июн 26, 2009 22:05:13 
Нашел транзистор. Понюхал.
Аватар пользователя

Зарегистрирован: Вс мар 29, 2009 16:54:18
Сообщений: 151
Рейтинг сообщения: 0
Вот схема усилителя для диапазона 88-108 http://www.vsi.ru/~sva/rxtx/power.htm .

Изображение

Как видно он достаточно широкополосен (полоса 20 МГц). Меня в этой схеме привлекла нагрузка у транзисторов (индуктивности L1, L3, L5). Получается, что транзисторы работают на индуктивное сопротивление катушек. Но как расчитывать, ведь в пределах полосы 20 МГц их сопротивление измениться весьма значительно? Достаточно прикинуть сопротивление на калькуляторе чтобы в этом убедиться. Сначало узнаем индуктивность приведенных в схеме катушек, для быстрого расчета я использую встроенный в программу Mmana калькулятор:

Дано:
Катушки L1,L3,L5 – бескаркасные, намотаны на оправке, диаметром 8 мм посеребренным проводом, диаметром 1 мм. Они содержат по 3 витка, намотанных с шагом 1 мм.

Решение:
Длина катушки = 0.6 см
Индуктивность = 0.059 мкГн
Сопротивление на частоте 88 МГц = 3.26 Ом
Сопротивление на частоте 108 МГц = 4 Ом

Да, после несложных математических действий я ответил сам на свой вопрос. Видно, что сопротивление меняется в небольших пределах. Но взгляните, что происходит в нагрузке:

Изображение

Ток течет не линейно, как в случае резистивной нагрузки, а описывает фигуру - эллипс. Обратите внимание на стрелки, которые показывают направление движения рабочей точки при наличие сигнала для индуктивной и емкостной нагрузок. Но прямая превращается в эллипс только в случае подачи переменного напряжения, а для постоянного тока характеристика будет прямой, т.к. индуктивное сопротивление в этом случае равно нулю и падение напряжения происходит только на сопротивлении провода катушки.

Цитата из книги:
При комплексном* характере нагрузки выходной цепи усилительного элемента нагрузочная линия, являющаяся траекторией движения рабочей точки на семействе выходных характеристик, уже не представляет собой прямую вследствие появления сдвига фазы между током и напряжением сигнала в выходной цепи.
Так, например, при комплексной нагрузке, имеющей активную и емкостную составляющие сопротивления, и синусоидальном или косинусоидальном входном сигнале траектория движения рабочей точки на семействе выходных характеристик близка к эллипсу, который рабочая точка обегает против часовой стрелки. При нагрузке с индуктивной составляющей сопротивления и таком же сигнале форма нагрузочной линии также эллиптическая, но рабочая точка обегает эллипс в направлении часовой стрелки.


Что же этот сдвиг фазы в действительности из себя представляет не в абстрактной модели, а физической? Попробуем смоделировать в своем воображении происходящие в схеме процессы:
На постоянном токе, транзистор, для приведенной в самом начале схемы усилителя, окажется подключенным к источнику питания напрямую, т.к. сопротивление катушки будет очень низким. Нагрузочная прямая в таком случае идет строго вверх, т.е. режим короткого замыкания, но транзисторы ВЧ усилителей не работают на постоянном токе, эту прямую строят только для расчета рабочей точки по постоянному току. Последнее предложение написано туманно, я поясню, когда расчитывают каскад то строят две прямые одну для постоянного тока другую для переменного, по одной определяют статические параметры по другой динамические. В самый первый момент расчета пользуются статической характеристикой, т.к. надо определить рабочую точку каскада, а когда нужно посмотреть, как она изменяется под воздействием сигнала, то переходят к динамической характеристике.
При переменном токе произойдет короткий, но плавный рывок электронов, равный половине периода частоты (половина лямбды), например, в сторону к транзистору. Индуктивное сопротивление для этого рывка будет равно уже расчитанному выше, т.е. ~ 3.26...4 Ом. Оно образуется в результате того, что электроны проходя через витки катушки окажутся на ее выходе не все, а лишь их немногая часть. К тому же электроны по катушке будут двигаться с трудом. Первый электрон вошедший в спираль и подошедший к месту перекрытия двух соседних витков оттолкнул, прижал к краю провода, затормозил своим полем электрон оказавшийся параллельным, но этот в свою очередь так же оттолкнул первый электрон. Что произошло? Образовался эффект обратный конденсаторному, где электроны притягиваются дырками, только здесь участники электроны, которые взаимно друг друга отталкивают и тормозят тем самым движение по проводу. Так происходит со всеми парами. Поясняю, взгляните на изображение показывающее принцип действия катушки индуктивности:

Изображение

На рис.1 электроны испытывают взаимное отталкивающее действие в результате чего провод электрически утончается (рис.2). Рис.3 поясняет работу трех-витковой катушки. Видно, что электрон в среднем витке выдавился в середину провода - давление на электроны возросло в два раза - провод стал электрически еще тоньше и в нем стало циркулировать меньше свободных электронов - сопротивление возросло. Действие поля подобно механической пружине. Как мы уже заметили сопротивление с каждым витком увеличивается в два раза, а это уже называется нелинейной зависимостью сопротивления. Но прежде, чем продолжить дальше, разберем работу меандрового сигнала на емкостную нагрузку.


*Имеется ввиду, что сопротивление представляет комплекс из двух и более сопротивлений, которые в сумме дают т.н. импеданс, т.е. общее сопротивление. Например катушка индуктивности обладает комплексным сопротивлением. Ее комплекс состоит из двух сопротивлений: первое, сопротивление переменному току, т.е. индуктивное и оно называется еще реактивным или мнимым; второе, сопротивление постоянному току - активное, которым является сопротивление проволоки катушки. Мнимым называют реактивное сопротивление потому, что оно мнимое, стеснительное или скрытое.


Вложения:
Комментарий к файлу: Принцип действия катушки индуктивности
ind.jpg [113.79 KiB]
Скачиваний: 790
Комментарий к файлу: Нагрузка для триода
IndRH1.jpg [58.44 KiB]
Скачиваний: 574
Комментарий к файлу: Схема усилителя
Usil88-108.jpg [42.69 KiB]
Скачиваний: 734
Вернуться наверх
 
Не в сети
 Заголовок сообщения:
СообщениеДобавлено: Сб июн 27, 2009 13:58:22 
Нашел транзистор. Понюхал.
Аватар пользователя

Зарегистрирован: Вс мар 29, 2009 16:54:18
Сообщений: 151
Рейтинг сообщения: 0
Первое изображение, на нем каскад с чисто активной нагрузкой в виде одного резистора и его нагрузочная прямая:

Изображение

Она справедлива для постоянного и переменного токов. Сопротивление резистора для этих токов всегда постоянно, например, 10 Ом и они создают на нем линейное падение напряжения, что собственно говоря и показывает такая нагрузочная прямая. Строится прямая просто, точка на координате X (Uвых) берется из расчета напряжения питания транзистора, например, 5 Вольт; точка на другой координате Y (Iвых) из расчета, что при полностью открытом транзисторе напряжение его питания вызовет на сопротивлении, например, 10 Ом падение всего напряжения и создаст ток в 0.5 Ампера.


На втором рисунке показан каскад на p-n-p транзисторе с комплексной нагрузкой состоящей из двух сопротивлений активного (резистивного) и реактивного (емкостного):

Изображение

На третьем рисунке показана диаграмма работы этого каскада, для удобства она разбита на точки а, б, в, г, д:

Изображение

При поступлении сигнала рабочая точка начинает вращается вокруг места, где она была выбрана на постоянном токе, т.е. вокруг точки "0".
Сигнал меандра складывается или вычитается из напряжения тока покоя. Когда транзистор откроется рабочая точка "0" переместится вверх со статической характеристики на динамическую и начнет по ней движение.
С точки "б" по точку "в" транзистор находится в частично закрытом состоянии и через него протекает небольшой ток. В это же время заряженный конденсатор начинает разряжаться через резистор, что приводит к росту напряжения питания транзистора. В точке "в" транзистор открывается и выходной ток быстро достигает точки "г". Открытый транзистор поддерживает на конденсаторе заряд до точки "д" и закрывается.

На четвертом изображении представлены диаграммы для синусоидального напряжения:

Изображение

Рабочая точка "0", которая была выбрана для статической нагрузочной прямой на динамической нагрузочной характеристике начнет совершать круговые движения описывая эллипс. Сначало точка "0" находится в точке "а". Транзистор начинает плавно закрываться и вместе с ним падает напряжение на конденсаторе "С" разряжаясь через резистор "R" при этом напряжение коллектор-эмиттер растет. Ток достиг своего минимума в точке "б", далее, транзистор начинает снова открываться. С этого момента наблюдается любопытная вещь - напряжение коллектор-эмиттер должно начинать снова падать, а оно продолжает некоторое время расти с одновременным увеличением тока коллектора. Такой эффект обусловлен продолжающимся разрядом через резистор "R" конденсатора "C". Далее, напряжение коллектор-эммиттер продолжает падать вследствии заряда конденсатора, затем все повторяется вновь.


Вложения:
Комментарий к файлу: Четвертое.
4.jpg [38.61 KiB]
Скачиваний: 789
Комментарий к файлу: Третье изображение
3.jpg [65.23 KiB]
Скачиваний: 812
Комментарий к файлу: Второе изображение
2.jpg [37.68 KiB]
Скачиваний: 766
Комментарий к файлу: Первое изображение
1.jpg [79.18 KiB]
Скачиваний: 783
Вернуться наверх
 
Не в сети
 Заголовок сообщения:
СообщениеДобавлено: Сб июл 11, 2009 23:00:13 
Нашел транзистор. Понюхал.
Аватар пользователя

Зарегистрирован: Вс мар 29, 2009 16:54:18
Сообщений: 151
Рейтинг сообщения: 0
Не следует принимать все, что я рассказываю за абсолютную истину. В случае с катушкой я могу в какой-нибудь детали вопроса ошибаться, т.к. мне еще не довелось увидеть книги где бы описывались процессы происходящие в ней, что ставит под большое сомнение вообще наличие такого знания у человечества и наводит на вопрос происхождения знаний.

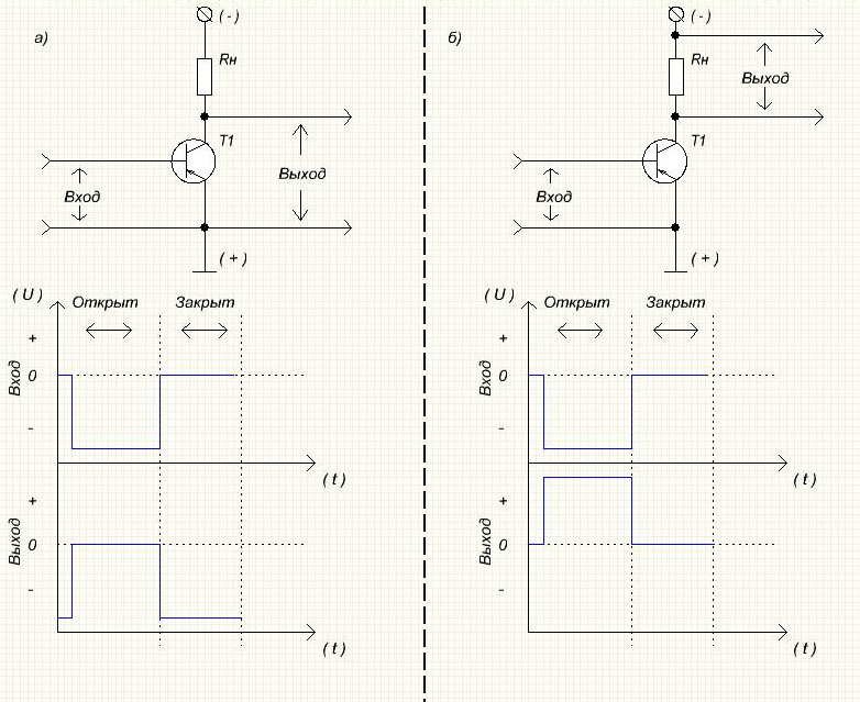
Так обстоит дело и со схемой включения транзистора. Во всех книгах написано одно и тоже, что различать схемы включения нужно по общему электроду, т.к. все книги на самом деле являются переписанными друг с друга с незначительной правкой и добавлениями. Я считаю такой подход не совсем верным. Обратим внимание на рисунок, на нем вы видите две схемы: "а)" и "б)". В чем их отличие? Схему на рисунке "а)" можно назвать "схемой с общим эмиттером", а схему на рисунке "б)" уже язык не поворачивается так назвать, хотя обе они схемы с ОЭ. Дело в том, что понятие схемы включения является более условным понятием, нежели практическим пришедшим видимо из теории четырехполюсников характеризующим набор определенных параметров. Для того чтобы точно узнать с какой схемой мы столкнулись нужно определить вход и выход каскада, а затем проверить инвертируется или нет входной сигнал, но строго от общего электрода входной цепи. Подобная проверка существует и для определения вида обратной связи. Если применять разные общие электроды для входной и выходной цепи, то можно получать каскад с разными зависимостями выходного напряжения от входного.

Изображение


Вложения:
Комментарий к файлу: Рисунок
graf39.jpg [130.17 KiB]
Скачиваний: 767
Вернуться наверх
 
Не в сети
 Заголовок сообщения:
СообщениеДобавлено: Вт июл 21, 2009 13:37:26 
Нашел транзистор. Понюхал.
Аватар пользователя

Зарегистрирован: Вс мар 29, 2009 16:54:18
Сообщений: 151
Рейтинг сообщения: 0
Такой вопрос. Вот, например, имеется два транзистора со следующими параметрами:

VT1
h21э = 100
Uкэ = 12 Вольт
Iк = 2 Ампера

VT2
h21э = 100
Uкэ = 30 Вольт
Iк = 1 Ампер

Как вы заметили, все параметры разные, кроме h21э, который у обоих транзисторов одинаков. Меня интересует могу ли я заменить без подбора параметров один транзистор, к примеру VT1, на другой? Окажутся ли после замены одинаковыми токи?

Как я себе представляю, с развитием полупроводников быстро был достигнут технологический предел в очистке от примесей материала будущего кристалла из которого в дальнейшем сделают транзисторы. Материал для транзисторов широкого применения тоже один и тот же, следовательно, как я предполагаю все параметры касающиеся температурной зависимости и пр. у всех в будущем изготовленных транзисторов должны быть одинаковы, а разными будут лишь электрические величины h21э, Uкэ, Iк, которые, видимо, достигаются манипуляцией с толщиной слоев П/П кристалла. Значит ветви выходной характеристики высоковольтного транзистора должны быть продолжением ветвей низковольтного транзистора.


Вернуться наверх
 
Не в сети
 Заголовок сообщения:
СообщениеДобавлено: Вт июл 21, 2009 13:53:16 
Друг Кота
Аватар пользователя

Карма: 8
Рейтинг сообщений: 34
Зарегистрирован: Пн янв 26, 2009 00:10:51
Сообщений: 3531
Откуда: Москва
Рейтинг сообщения: 0
Медали: 1
Получил миской по аватаре (1)
KT608B писал(а):
Меня интересует могу ли я заменить без подбора параметров один транзистор, к примеру VT1, на другой? Окажутся ли после замены одинаковыми токи?



Думаю нет. При разных значениях токов и напряжений будут меняться и другие характеристики. Наверно программа это учитывает.


Вложения:
TR.gif [20.53 KiB]
Скачиваний: 815
Вернуться наверх
 
Не в сети
 Заголовок сообщения:
СообщениеДобавлено: Вт июл 21, 2009 15:28:10 
Нашел транзистор. Понюхал.
Аватар пользователя

Зарегистрирован: Вс мар 29, 2009 16:54:18
Сообщений: 151
Рейтинг сообщения: 0
Ясно. Хорошо бы смоделировать в симуляторе, но там до сих пор неясности с отечественной базой. С импортной пока связываться не хочу, т.к. у меня нет толковых справочников по ним и не знаю есть ли вообще такие.

Все-таки как легко ошибиться. Анализируя простенькую схему электронного VOX я было сначало подумал, что входной разделительный конденсатор C1 и резистор R1 образуют ФВЧ, но потом подумав еще немного сделал правильный вывод: ФВЧ образуется, но резистор R1 создает подпорку базе транзистора VT1, чтобы он не реагировал на легкие покачивания напряжения. Вообще хочу попробовать переложить схему на транзисторы КТ315 и КТ361. Как мне кажется их можно суда без перерасчета поставить.

Изображение


Вложения:
Комментарий к файлу: VOX
graf40.jpg [67.4 KiB]
Скачиваний: 815


Последний раз редактировалось KT608B Вт июл 21, 2009 23:17:24, всего редактировалось 1 раз.
Вернуться наверх
 
Не в сети
 Заголовок сообщения:
СообщениеДобавлено: Вт июл 21, 2009 19:10:56 
Поставщик валерьянки для Кота
Аватар пользователя

Карма: 2
Рейтинг сообщений: 11
Зарегистрирован: Пт май 23, 2008 19:32:22
Сообщений: 2401
Откуда: Россия, Волгоград
Рейтинг сообщения: 0
Медали: 1
Получил миской по аватаре (1)
KT608B писал(а):
С импортной пока связываться не хочу, т.к. у меня нет толковых справочников по ним и не знаю есть ли вообще такие.

Зато есть "свободноскачиваемые" ДШ, а пойди найди такой ДШ на отечественную базу...

_________________
Чем дальше, тем больше становлюсь занудой...
Изображение


Вернуться наверх
 
Не в сети
 Заголовок сообщения:
СообщениеДобавлено: Вт июл 21, 2009 19:31:45 
Модератор
Аватар пользователя

Карма: 16
Рейтинг сообщений: 14
Зарегистрирован: Вс июн 01, 2008 00:17:35
Сообщений: 4673
Откуда: Я всего лишь плод вашего воображения...
Рейтинг сообщения: 0
Медали: 1
Получил миской по аватаре (1)
KT608B писал(а):
Как вы заметили, все параметры разные, кроме h21э, который у обоих транзисторов одинаков. Меня интересует могу ли я заменить без подбора параметров один транзистор, к примеру VT1, на другой? Окажутся ли после замены одинаковыми токи?
.


Если по предельным режимам вас устраивает другой транз, то берите смело. Надо ведь что учесть - схема усилителя (любого - транзисторного, лампового, на ОУ) строится либо так, что конкретные значения усиления не играют роли вообще (т.е. полагается, что коэффициент усиления не менее чем сколько-то, и при этом полностью работает принцип ФОС), либо вводится регулировка. Очевидно надо учитывать и другие параметры, но если речь только о h21э - то в принципе слепая замена возможна. Разумеется при небольших отличиях, так, например, трудно заменить 2SB772P на КТ814 - у них очень сильно h21э различаются, и если схема посчитана для первого, то для второго может просто базового тока не хватить - хотя величина h21э очень условно показывает связь базового и коллекторного токов (она вовсе непрямая и вообще никакая, отсюда и огромные диапазоны коэффициента), но в целом показывает, и чем этот параметр выше, тем меньший ток нужен, тем более высокие сопротивления во входных цепях. Т.е. это кагбэ УСЛОВНО разных классов транзисторы. Ну и понятно, что схема, использующая супербета-транзистор вообще вряд ли может перенести замену на обычный транзюк - ибо не от хорошей жизни там стоит такой транзюк, видимо входные цепи такие (это не ваш случай, это просто иллюстрация).

Цитата:
Вообще хочу попробовать переложить схему на транзисторы КТ315 и КТ361. Как мне кажется их можно суда без перерасчета поставить.


Что за схема?

_________________
Знание - сила!


Вернуться наверх
 
Не в сети
 Заголовок сообщения:
СообщениеДобавлено: Вт июл 21, 2009 20:12:15 
Друг Кота
Аватар пользователя

Карма: 8
Рейтинг сообщений: 34
Зарегистрирован: Пн янв 26, 2009 00:10:51
Сообщений: 3531
Откуда: Москва
Рейтинг сообщения: 0
Медали: 1
Получил миской по аватаре (1)
В этих симуляторах, если рассмотреть поближе, то почти все модели это импульсные транзисторы. Т.е. расчет построен в основном на расчете переходных процессов и частотных характеристик. Усиление и мощности большой роли не играет. Можно запросто построить стабилизатор на кт315 с током стабилизации 8 ампер, НО при этом емкости переходов кт315 будут отличаться от емкостей мощного транзистора и выходные характеристики это стабилизатора не будут соответствовать реальным.
Я для себя, (когда пользовался этими прогами) выбирал для расчета нужные мне параметры, остальные просто не указывал в описании модели.
В микрокапе, например, даже есть две параллельные модели одного и того же типа ОУ упрощенная модель (использует только основные характеристики) и точная модель(которая использует при расчете гораздо больше параметров).
Другое дело, когда программа рассчитывает вариант с наихудшими показателями элементов. Например в DesignLab есть расчет, когда программа начинает перебирать все возможные варианты сочетаний всех параметров (температурных, усиления, частотных и т.д.) В этом случае действительно желательно зарядить реальные параметры того, что будет использоваться.


Вернуться наверх
 
Не в сети
 Заголовок сообщения:
СообщениеДобавлено: Вт июл 21, 2009 23:08:32 
Нашел транзистор. Понюхал.
Аватар пользователя

Зарегистрирован: Вс мар 29, 2009 16:54:18
Сообщений: 151
Рейтинг сообщения: 0
Пухич писал(а):
KT608B писал(а):
Что за схема?


Схема, которую я привел в сообщении. Это схема электронного коммутатора управляемого переменным напряжением на входе и в радиолюбительской среде именуемый просто от английской аббревиатуры VOX, т.к. изобрели его по видимому в европе. Привожу схему еще раз:

Изображение

Хочу сделать к ней кое-какие комментарии. Оба транзистора в схеме находятся в так называемом "классе усиления С", когда нет смещения рабочей точки и транзистор может усиливать больший диапазон напряжений или токов.

Параметры используемого реле РЭС-60 0801
Напряжение - 6 вольт
Сопротивление обмотки - 70 Ом
Ток срабатывания - 51 мА
Ток отпускания - 11 мА

Параметры транзистора МП37
Коэффициент усиления - 15-30
Ток коллектора в режиме усиления - 20 мА
В режиме переключения при насыщении или имп. режиме - 150 мА

Параметры транзистора КТ315Б
Коэффициент усиления - 50-350
Ток коллектора - 50 мА
В импульсном режиме из-за эффекта насыщения ток будет еще больше.*

Параметры RC цепи я вычислил по общеизвестной формуле t=RхC
С=30 мкФ=0,00003 Ф
Rt1=1,8к=1800 Ом
Rt2=312к=312000 Ом
Значения временных задержек для полного разряда конденсатора:
t1=0,054 секунды
t2=11,76 секунды
На практике задержки получатся еще больше, т.к. в расчет не было взято сопротивление перехода "б-э" транзистора VT2.

Зачем применен резистор R2? Он в некоторых пределах ограничивает диапазон изменения задержек времени, но я думаю основная роль его, это ограничение максимального тока базы VT2. Сделаем простой расчет чтобы в этом убедиться:
Из приведенных параметров на VT2 возьмем ориентировочно h21э=30. Какое брать значение h21э зависит от тока проходящего через него. На проходной характеристике отлично видно, как изменяется h21э - чем больше ток, тем выше коэффициент усиления.

Изображение

В справочнике на КТ315 дается такая зависимость усиления:
Справочные значения коэффициентов усиления для графика такие.
Кт315(Б, Г) = 50-350
КТ315(А, В) = 20-90

Изображение

Диапазон данный в справочнике больше, чем на графиках. Это можно объяснить тем, что в справочный диапазон включен разброс между образцами транзисторов или зависимостью h21э от температуры:

Изображение

На графике зависимости h21э транзистора КТ315 от тока не указана температура при которой снимались режимы, значит измерения проводились при комнатной температуре +25 градусов цельсия. Видите, что коэффициент усиления при +25 на графике температурной зависимости соответствует значениям предыдущего графика. Обращайте внимание на режимы измерения параметров.



*Хочу добавить несколько слов об этом режиме "насыщения". Во всей литературе участком насыщения называется та часть кривой, где она делает сильный изгиб. Я думаю, что ошибки в этом нет, а есть слепое копирование инженерами научных изысканий из-за чего теряется ясность понятия "насыщения". Правильнее называть участком насыщения область кривой, где она идет линейно, но тот кто придумывал названия для частей графика сделал умнее. Он назвал насыщением часть графика, где транзистор только начинает в него входить.
Режим "отсечки" тока тоже просто понять, если представить, что ток базы, например, 0,03 мА отсекается. Ток этот вызывается обратным током коллектора транзистора.


Вложения:
Комментарий к файлу: Зависимость h21э транзистора КТ315 от температуры
60.jpg [136.93 KiB]
Скачиваний: 796
Комментарий к файлу: Зависимость h21э транзистора КТ315 от тока
57.jpg [171.12 KiB]
Скачиваний: 561
Комментарий к файлу: Проходная характеристика
569814.jpg [111.92 KiB]
Скачиваний: 522
Комментарий к файлу: VOX
graf40.jpg [67.4 KiB]
Скачиваний: 795


Последний раз редактировалось KT608B Ср июл 22, 2009 01:39:20, всего редактировалось 16 раз(а).
Вернуться наверх
 
Не в сети
 Заголовок сообщения:
СообщениеДобавлено: Вт июл 21, 2009 23:33:22 
Модератор
Аватар пользователя

Карма: 16
Рейтинг сообщений: 14
Зарегистрирован: Вс июн 01, 2008 00:17:35
Сообщений: 4673
Откуда: Я всего лишь плод вашего воображения...
Рейтинг сообщения: 0
Медали: 1
Получил миской по аватаре (1)
А зачем эта схема нужна? :shock:

_________________
Знание - сила!


Вернуться наверх
 
Не в сети
 Заголовок сообщения:
СообщениеДобавлено: Вт июл 21, 2009 23:39:45 
Нашел транзистор. Понюхал.
Аватар пользователя

Зарегистрирован: Вс мар 29, 2009 16:54:18
Сообщений: 151
Рейтинг сообщения: 0
Практическое применение - автоматическое включение в трансиверных устройствах режима передачи при поступлении звукового сигнала. Мне она понравилась своей гениальной простотой. Блок-схема - Усилитель>Время задающая цепь>Ключ. Я бы во входной части, в замен VT1, применил полевой транзистор, но к сожалению мне еще с биполярными не все понятно. Он бы повысил входное сопротивление и уменьшил шунтирование схемой источника сигнала.


Последний раз редактировалось KT608B Ср июл 22, 2009 00:02:15, всего редактировалось 5 раз(а).

Вернуться наверх
 
Не в сети
 Заголовок сообщения:
СообщениеДобавлено: Вт июл 21, 2009 23:46:03 
Модератор
Аватар пользователя

Карма: 46
Рейтинг сообщений: 236
Зарегистрирован: Чт окт 27, 2005 18:50:07
Сообщений: 11169
Откуда: из мест не столь отдалённых
Рейтинг сообщения: 0
Медали: 2
Получил миской по аватаре (1) Мявтор 3-й степени (1)
Не совсем согласен насчёт ФНч, образованного С1 и Р1. Надо учесть входную ёмкость транзистора, из-за чего будет меняться полное входное сопротивление. Но для диапазона звуковых частотэтл н существенно.


Вернуться наверх
 
Не в сети
 Заголовок сообщения:
СообщениеДобавлено: Вт июл 21, 2009 23:46:14 
Модератор
Аватар пользователя

Карма: 16
Рейтинг сообщений: 14
Зарегистрирован: Вс июн 01, 2008 00:17:35
Сообщений: 4673
Откуда: Я всего лишь плод вашего воображения...
Рейтинг сообщения: 0
Медали: 1
Получил миской по аватаре (1)
KT608B писал(а):
Практическое применение - автоматическое включение в трансиверных устройствах режима передачи при поступлении звукового сигнала. Мне она понравилась своей гениальной простотой.


Понятно. Открывающийся VT1 заряжает С2 и открывает VT2, при закрытии VT1 С2 продолжает питать VT2. Занятно.

_________________
Знание - сила!


Вернуться наверх
 
Показать сообщения за:  Сортировать по:  Вернуться наверх
Начать новую тему Ответить на тему  [ Сообщений: 204 ]    , , , 4, , , ...  

Часовой пояс: UTC + 3 часа


Кто сейчас на форуме

Сейчас этот форум просматривают: нет зарегистрированных пользователей и гости: 32


Вы не можете начинать темы
Вы не можете отвечать на сообщения
Вы не можете редактировать свои сообщения
Вы не можете удалять свои сообщения
Вы не можете добавлять вложения

Найти:
Перейти:  


Powered by phpBB © 2000, 2002, 2005, 2007 phpBB Group
Русская поддержка phpBB
Extended by Karma MOD © 2007—2012 m157y
Extended by Topic Tags MOD © 2012 m157y